No Need Adapter 🤔 WiFi Router UPS Making with Transformer
No Need Adapter 🤔 WiFi Router UPS Making with Transformer | Complete Circuit Diagram
Are you tired of internet disconnection every time the electricity goes off? Don’t worry! Today I will show you how to make a WiFi Router UPS (Uninterrupted Power Supply) using a Transformer, and the best part is – No Extra Adapter Needed! 🚀
This DIY UPS will automatically switch between AC mains and battery backup, ensuring your WiFi Router, ONU, or Modem keeps running smoothly during power cuts. Let’s dive into the details step by step.
🔋 Why Do You Need a WiFi Router UPS?
- Keeps your internet running 24/7, even during load-shedding.
- Protects sensitive devices from sudden power loss.
- Cost-effective DIY project (under low budget).
- No need to purchase expensive branded router UPS.
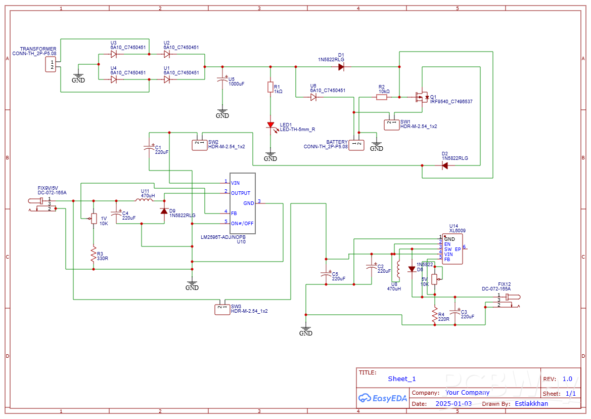
⚡ Working Principle of Transformer-Based WiFi Router UPS
- This circuit uses a Step-Down Transformer, Rectifier, Battery, and Automatic Changeover System.
- The transformer converts AC 220V into DC supply.
- Diodes and capacitors filter the voltage.
- A battery stores backup power.
- MOSFET + Diode arrangement automatically switches between mains and battery without interruption.
- A DC-DC regulator provides a stable 5V/9V output for your WiFi Router.
👉 That means, when electricity is present, the router runs on AC supply and charges the battery. But when the power goes off, the battery instantly takes over – ensuring Zero Downtime Internet.
🛠 Components List (Step by Step)
- To build this project, you will need:
- Transformer (AC to 12V DC)
- Bridge Rectifier (6A10 diodes x4)
- Filter Capacitors (1000µF, 220µF, 470µF)
- MOSFET IRF9540
- Schottky Diodes (1N5822)
- Voltage Regulators (LM2596, XL6009)
- Inductors (470µH)
- Resistors (10kΩ, 330Ω, 220Ω, 1kΩ)
- Switches (SW1, SW2, SW3)
- LED Indicator
- Rechargeable Battery (Li-ion or LiFePO4 recommended)
📐 Circuit Diagram Explanation

The circuit has three main sections:
1️⃣ Power Input & Rectifier
AC mains enter through the transformer.
4x 6A10 diodes form a bridge rectifier.
Capacitors smooth the DC supply.
2️⃣ Battery Charging & Auto Changeover
MOSFET IRF9540 works as an automatic switch.
Diodes (1N5822) prevent reverse current.
When mains are present → Router runs on AC and battery charges.
When mains fail → Battery power flows instantly.
3️⃣ Voltage Regulation
LM2596 & XL6009 DC-DC converters provide stable 5V / 9V / 12V outputs.
Suitable for different WiFi Router and ONU models.
LED indicator shows UPS activity.
🖥 Output & Testing
- Connect your WiFi Router/ONU to the output terminals.
- Test with mains ON → Router runs normally, battery charging.
- Test with mains OFF → Router instantly runs on battery.
- No adapter needed, no internet disconnection! 🎉
✅ Advantages of This WiFi Router UPS
- Zero Switching Delay → Internet never drops.
- No Adapter Required → Transformer powers everything.
- Cost-Effective → Cheap DIY solution.
- Expandable → Can run multiple devices with higher battery capacity.
📌 Video Reference:
🎯 Final Words
This DIY WiFi Router UPS with Transformer is a perfect project for those who face frequent power cuts but don’t want to lose internet connectivity. With simple components and an easy circuit, you can keep your router alive without any external adapter.
No Need Adapter 🤔 WiFi Router UPS Making with Transformer
*PCBWay community is a sharing platform. We are not responsible for any design issues and parameter issues (board thickness, surface finish, etc.) you choose.
Raspberry Pi 5 7 Inch Touch Screen IPS 1024x600 HD LCD HDMI-compatible Display for RPI 4B 3B+ OPI 5 AIDA64 PC Secondary Screen(Without Speaker)
BUY NOW- Comments(0)
- Likes(3)
-
Nasir Ramzan
Mar 16,2026
-
Engineer
Nov 27,2025
-
Engineer
Sep 04,2025
- 0 USER VOTES
- YOUR VOTE 0.00 0.00
- 1
- 2
- 3
- 4
- 5
- 6
- 7
- 8
- 9
- 10
- 1
- 2
- 3
- 4
- 5
- 6
- 7
- 8
- 9
- 10
- 1
- 2
- 3
- 4
- 5
- 6
- 7
- 8
- 9
- 10
- 1
- 2
- 3
- 4
- 5
- 6
- 7
- 8
- 9
- 10
More by Estiak Khan
-
⚡ How to Make a DIY Spot Welding Machine at Home for 18650 Batteries | Full Circuit & Working
If you’re working on battery pack projects using 18650 lithium-ion cells, then you know how importan...
-
🔋 How to Make a Simple DIY Wi-Fi Router UPS at Home | Step-by-Step Guide with Circuit & PCB
Do you lose internet connection every time the power goes out?If yes, then this simple DIY Wi-Fi Rou...
-
Automatic AC Changeover for Inverter
Automatic AC Changeover for Inverter – DIY Circuit GuideAre you tired of manually switching between ...
-
How to Make a 12V AC/DC Fan Controller Module
If you're looking for an efficient way to control a 12V fan using either AC or DC input, this DIY pr...
-
Autocut DC Mini IPS for DC 12V Load
Autocut DC Mini IPS for DC 12V LoadIf you are looking for a reliable Autocut DC Mini IPS for DC 12V ...
-
Build a 12V Battery Autocut System with LCD Display
Are you looking for an efficient and affordable way to protect and monitor your 12V battery system? ...
-
DIY Transistor Tester | Build Your Own LCR Meter at Home with Arduino Nano
Are you fascinated by electronics and want to create your own tools for testing components? Building...
-
How to Make a Pure Sine Wave Inverter Using EG8010 + IR2110S | Step-by-Step Guide
How to Make a Pure Sine Wave Inverter Using EG8010 + IR2110S | Step-by-Step GuideIf you are looking ...
-
🔋 How to Make DC Changeover for Automatic Inverter System | DIY Inverter Changeover Switch
Are you tired of manually switching between DC power supply and battery backup during load shedding?...
-
No Need Adapter 🤔 WiFi Router UPS Making with Transformer
No Need Adapter WiFi Router UPS Making with Transformer | Complete Circuit DiagramAre you tired of ...
-
🔋 How to Make a Power Bank Module at Home
Are you looking to build your own DIY power bank at home? In this blog post, we’ll show you how to c...
-
Cute LIT 220W Inverter Load Test ⚡ Auto Changeover IPS System Explained! 🔋 Real Load Backup Test
Are you looking for a reliable backup power solution for your WiFi router, CCTV, or small appliances...
-
⚡ Hybrid WiFi Router UPS for Solar System
IntroductionPower cuts in off-grid areas can disrupt internet connectivity. With the rise of solar s...
-
🔋 DIY Solar-Based Mini IPS at Home | Auto Load Changeover Circuit for 12V DC Fan/Light
If you're looking for an easy and affordable solution to keep your 12V DC fan or light running even ...
-
🔋 DIY Automatic Cut Off 12V Trickle Charger | Lead Acid Battery AutoCut Charger
Do you often charge your 12V lead-acid battery manually and worry about overcharging? With this DIY ...
-
🔥 DIY Smart 12V Battery at Home | Using 18650 Cells + Smart BMS
Looking for a way to build a powerful and smart 12V battery at home? In this guide, I'll show you h...
-
🎮 DIY Arduino Nano Snake Game Console with OLED Display
DIY Arduino Nano Snake Game Console with OLED Display and ButtonsDo you love retro games? Want to bu...
-
DIY 150W IPS Making At Home with Auto Changeover System | Mini IPS 2025
How to Make an Automatic 150W IPS Using Two Circuit ModulesAre you looking for a reliable and effici...
-
-
ARPS-2 – Arduino-Compatible Robot Project Shield for Arduino UNO
912 0 2 -
-
A Compact Charging Breakout Board For Waveshare ESP32-C3
1474 3 6 -
AI-driven LoRa & LLM-enabled Kiosk & Food Delivery System
1432 2 0 -
-
-
-
ESP32-C3 BLE Keyboard - Battery Powered with USB-C Charging
1617 0 1 -
-
mammoth-3D SLM Voron Toolhead – Manual Drill & Tap Edition
1218 0 1







