|
|
3.7V Lipo battery |
x 1 | |
|
|
720 Coreless Motor |
x 4 | |
|
|
Battery Strap |
x 1 |
ESP32-Based Drone PCB – Community Innovation Share
Original Design & Concept: Vishal Sharma (Proknow) (Full Credit)
Introduction
My main aim is to bring the latest innovations to the community, created by talented builders and creators, and share them here so that knowledge, ideas, and engineering excellence can grow together. Through community-driven sharing, I want to highlight meaningful and practical innovations that inspire students, hobbyists, and engineers to learn, experiment, and build better systems. As part of this goal, I am sharing an ESP32-based Drone PCB, a well-engineered design created entirely by Vishal Sharma (ProKnow). This post is meant to give him proper recognition while showcasing his work to a wider maker community.
Project Overview
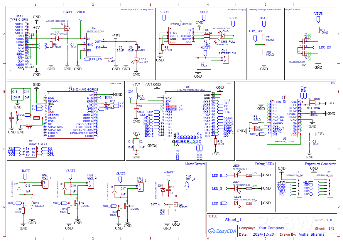
This ESP32-based drone PCB is developed for compact, efficient, and high-performance DIY drone applications. By replacing traditional microcontroller-based flight controllers with the more powerful ESP32, the design enables faster processing, built-in wireless connectivity, and support for future-ready features. The PCB reflects a modern approach to drone electronics, with a strong focus on flight stability, system expandability, and smart connectivity, making it suitable for both learning and advanced experimentation.
Key Features of the PCB
ESP32 Microcontroller
At the core of the board is the ESP32, a dual-core microcontroller capable of handling real-time flight control tasks. Its integrated Wi-Fi and Bluetooth allow wireless communication, configuration, and future telemetry or control enhancements.
Drone-Optimized PCB Layout
The PCB layout is carefully designed with clean and balanced routing for motor control and signal lines. This helps minimize electrical noise, improving overall stability and reliability during flight operations.
ESC and Motor Control Support
The board supports standard brushless ESC connections, making it suitable for quadcopters and other experimental drone platforms. The layout ensures reliable signal delivery for precise motor control.
Sensor Integration Capability
Support for IMU sensors, including gyroscopes and accelerometers, allows accurate motion sensing and flight stabilization. Additional interfaces are provided to enable future sensor expansion as project requirements grow.
Reliable Power Distribution
The power section is designed to safely handle the electrical demands of drone systems. Proper grounding and filtering techniques are used to ensure stable operation and protect sensitive components.
Why ESP32 for Drone Applications?
Using the ESP32 in drone systems offers several advantages over traditional flight controllers. It delivers faster processing and improved response times, along with wireless tuning, debugging, and telemetry capabilities. Support for OTA updates and smart features makes the platform future-ready, while also allowing the possibility of integrating AI or edge-computing features later on. These advantages make the design especially valuable for students, researchers, and advanced DIY drone builders.
Credit & Acknowledgement
Complete Design & Engineering Credit: Vishal Sharma
Purpose: Innovation showcase and educational reference
This project is shared for educational and community reference purposes. All technical design, planning, and implementation belong to Vishal Sharma. This article is intended to respectfully acknowledge and highlight his work within the PCBWay community.
ESP32-Based Drone PCB – Community Innovation Share
*PCBWay community is a sharing platform. We are not responsible for any design issues and parameter issues (board thickness, surface finish, etc.) you choose.
Raspberry Pi 5 7 Inch Touch Screen IPS 1024x600 HD LCD HDMI-compatible Display for RPI 4B 3B+ OPI 5 AIDA64 PC Secondary Screen(Without Speaker)
BUY NOW- Comments(0)
- Likes(1)
-
Renato Bednarski Ramos
Jan 23,2026
- 0 USER VOTES
- YOUR VOTE 0.00 0.00
- 1
- 2
- 3
- 4
- 5
- 6
- 7
- 8
- 9
- 10
- 1
- 2
- 3
- 4
- 5
- 6
- 7
- 8
- 9
- 10
- 1
- 2
- 3
- 4
- 5
- 6
- 7
- 8
- 9
- 10
- 1
- 2
- 3
- 4
- 5
- 6
- 7
- 8
- 9
- 10
More by Nirmal Maa
-
VC-02 Module Based Home Automation
In this guide, I’ll take you through the process of building a project using a custom-designed PCB, ...
-
16-Array Line Follower Robot Sensor PCB Design
This project presents a purpose-built 16-channel line follower sensor PCB engineered for precision r...
-
ESP01 + TM1637 NTP Clock (0.56″ 7-Segment Display)
This project is a minimalist Wi-Fi desk clock built around the ESP-01 / ESP-01S and a 0.56″ TM1637 7...
-
Wireless Dual-Joystick NRF24 Controller PCB for Robotics & RC Applications
This project presents a compact and reliable dual-joystick wireless controller PCB, designed for rob...
-
Channel RC Receiver PCB (NRF24 + Arduino Nano)
This receiver board is the compact, reliable counterpart to the 6-channel transmitter, designed to d...
-
Compact 3×3 Streaming Macro Pad with RGB & Encoders
The TriPad Studio Controller is a professional-grade 3×3 macro pad designed specifically for streame...
-
Servo & ESC Tester with End-Point Adjustment – (Dual Supply / High-Power)
The Servo & ESC Tester PCB (Dual Supply Version) is designed for applications involving high-tor...
-
Servo & ESC Tester with End-Point Adjustment – Single Supply
This Servo & ESC Tester PCB (Single Supply Version) is designed as a compact and reliable tool f...
-
FPV Head Tracking System – Transmitter PCB
The Transmitter PCB is the sensing and data-sending side of the FPV head tracking system, designed t...
-
FPV Head Tracking System – Receiver PCB (Small Version)
The Small Receiver PCB is the compact counterpart of the FPV head tracking system receiver, designed...
-
FPV Head Tracking System – Receiver PCB (Large Version)
This Large Receiver PCB is a core part of a DIY FPV head tracking system, designed to receive head m...
-
N20 Motor Breakout with DRV8212 4A Driver
This N20 Motor Breakout is a compact, motor-mounted driver board built around the DRV8212 H-bridge m...
-
Compact Motion Controller for Competitive Robotics
HMotion is a purpose-built controller PCB designed to simplify and strengthen robotics projects wher...
-
LM723 Solar Charge Controller with Voltage & Current Control
This project demonstrates a high-power solar charge controller built around the classic LM723 voltag...
-
Transformerless Adjustable AC-to-DC LED Driver (220V AC → 3V–110V DC)
This project explores a transformerless, auto-adjustable LED driver designed to convert 220V AC main...
-
Adjustable 3.7V Step-Up Boost Converter (5V–30V)
This project presents a compact and efficient step-up boost converter designed to generate higher vo...
-
60A Brushless BLDC Motor Controller (ESC)
This project showcases a DIY 60A Brushless DC (BLDC) Motor Controller (ESC) built using N-channel MO...
-
USB-to-UART Converter with CH340K
This project introduces a compact and cost-effective USB-to-UART converter built around the CH340K U...
-
ARPS-2 – Arduino-Compatible Robot Project Shield for Arduino UNO
367 0 0 -
A Compact Charging Breakout Board For Waveshare ESP32-C3
718 3 6 -
AI-driven LoRa & LLM-enabled Kiosk & Food Delivery System
693 2 0 -
-
-
-
ESP32-C3 BLE Keyboard - Battery Powered with USB-C Charging
915 0 1 -
-
mammoth-3D SLM Voron Toolhead – Manual Drill & Tap Edition
779 0 1 -
-
AEL-2011 Power Supply Module
1526 0 2







