|
KiCad 9.0 |
N20 Motor Breakout with DRV8212 4A Driver
This N20 Motor Breakout is a compact, motor-mounted driver board built around the DRV8212 H-bridge motor driver, designed specifically for N20 brushed DC gear motors. The idea behind this design is simple: place the driver directly on the motor to reduce wiring, save space, and improve reliability in compact robotics and motion-control projects.
Despite its tiny footprint, the DRV8212 delivers up to 4A peak output current, allowing the N20 motor to handle heavier loads, quick acceleration, and rapid direction changes without overheating or requiring bulky external driver modules. Its efficient architecture ensures smooth operation even in demanding applications.
The breakout uses a minimal four-wire interface, making it extremely easy to integrate with microcontrollers such as Arduino, ESP32, STM32, or custom control boards. Speed is controlled through a PWM signal, while direction is handled using a single logic pin, keeping firmware and wiring clean and straightforward. Full compatibility with 3.3V and 5V logic levels makes it suitable for both modern and legacy controllers.
Designed to mount directly on the motor, this breakout is ideal for space-constrained builds where clean cable management and modularity matter. Whether used in small robots, pan-tilt mechanisms, or precision motion systems, it provides a powerful and elegant solution for driving N20 motors.
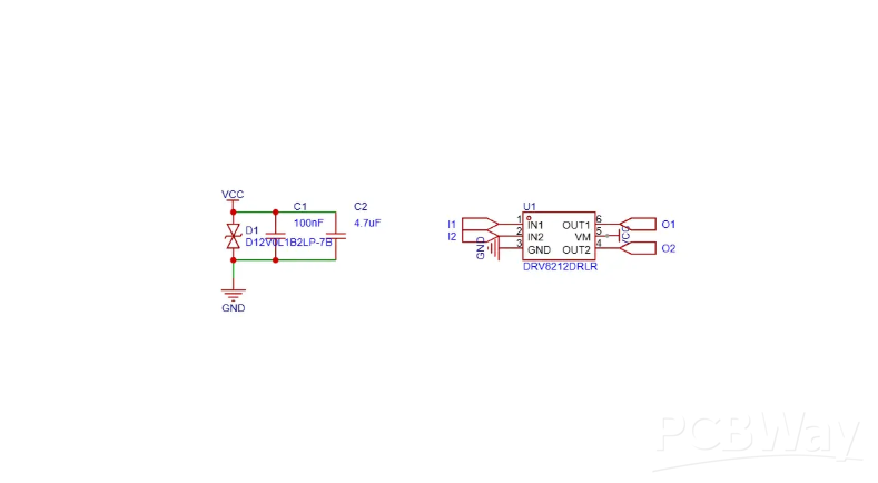
Pin overview:
VCC supplies the motor voltage, GND provides the common reference, DIR selects the rotation direction, and PWM controls motor speed by modulating the applied power.
Overall, this N20 Motor Breakout with DRV8212 combines high current capability, compact size, and simple control, making it a reliable choice for efficient brushed DC motor control in modern embedded and robotics projects.
Credit & Acknowledgement
Complete Design & Engineering Credit: Andreifilimon (This project is shared for educational and community reference purposes)
N20 Motor Breakout with DRV8212 4A Driver
*PCBWay community is a sharing platform. We are not responsible for any design issues and parameter issues (board thickness, surface finish, etc.) you choose.
Raspberry Pi 5 7 Inch Touch Screen IPS 1024x600 HD LCD HDMI-compatible Display for RPI 4B 3B+ OPI 5 AIDA64 PC Secondary Screen(Without Speaker)
BUY NOW- Comments(1)
- Likes(1)
-
RODNEY THAYER
Jan 19,2026
- 0 USER VOTES
- YOUR VOTE 0.00 0.00
- 1
- 2
- 3
- 4
- 5
- 6
- 7
- 8
- 9
- 10
- 1
- 2
- 3
- 4
- 5
- 6
- 7
- 8
- 9
- 10
- 1
- 2
- 3
- 4
- 5
- 6
- 7
- 8
- 9
- 10
- 1
- 2
- 3
- 4
- 5
- 6
- 7
- 8
- 9
- 10
More by Nirmal Maa
-
VC-02 Module Based Home Automation
In this guide, I’ll take you through the process of building a project using a custom-designed PCB, ...
-
16-Array Line Follower Robot Sensor PCB Design
This project presents a purpose-built 16-channel line follower sensor PCB engineered for precision r...
-
ESP01 + TM1637 NTP Clock (0.56″ 7-Segment Display)
This project is a minimalist Wi-Fi desk clock built around the ESP-01 / ESP-01S and a 0.56″ TM1637 7...
-
Wireless Dual-Joystick NRF24 Controller PCB for Robotics & RC Applications
This project presents a compact and reliable dual-joystick wireless controller PCB, designed for rob...
-
Channel RC Receiver PCB (NRF24 + Arduino Nano)
This receiver board is the compact, reliable counterpart to the 6-channel transmitter, designed to d...
-
Compact 3×3 Streaming Macro Pad with RGB & Encoders
The TriPad Studio Controller is a professional-grade 3×3 macro pad designed specifically for streame...
-
Servo & ESC Tester with End-Point Adjustment – (Dual Supply / High-Power)
The Servo & ESC Tester PCB (Dual Supply Version) is designed for applications involving high-tor...
-
Servo & ESC Tester with End-Point Adjustment – Single Supply
This Servo & ESC Tester PCB (Single Supply Version) is designed as a compact and reliable tool f...
-
FPV Head Tracking System – Transmitter PCB
The Transmitter PCB is the sensing and data-sending side of the FPV head tracking system, designed t...
-
FPV Head Tracking System – Receiver PCB (Small Version)
The Small Receiver PCB is the compact counterpart of the FPV head tracking system receiver, designed...
-
FPV Head Tracking System – Receiver PCB (Large Version)
This Large Receiver PCB is a core part of a DIY FPV head tracking system, designed to receive head m...
-
N20 Motor Breakout with DRV8212 4A Driver
This N20 Motor Breakout is a compact, motor-mounted driver board built around the DRV8212 H-bridge m...
-
Compact Motion Controller for Competitive Robotics
HMotion is a purpose-built controller PCB designed to simplify and strengthen robotics projects wher...
-
LM723 Solar Charge Controller with Voltage & Current Control
This project demonstrates a high-power solar charge controller built around the classic LM723 voltag...
-
Transformerless Adjustable AC-to-DC LED Driver (220V AC → 3V–110V DC)
This project explores a transformerless, auto-adjustable LED driver designed to convert 220V AC main...
-
Adjustable 3.7V Step-Up Boost Converter (5V–30V)
This project presents a compact and efficient step-up boost converter designed to generate higher vo...
-
60A Brushless BLDC Motor Controller (ESC)
This project showcases a DIY 60A Brushless DC (BLDC) Motor Controller (ESC) built using N-channel MO...
-
USB-to-UART Converter with CH340K
This project introduces a compact and cost-effective USB-to-UART converter built around the CH340K U...
-
-
ARPS-2 – Arduino-Compatible Robot Project Shield for Arduino UNO
797 0 2 -
A Compact Charging Breakout Board For Waveshare ESP32-C3
1353 3 6 -
AI-driven LoRa & LLM-enabled Kiosk & Food Delivery System
1250 2 0 -
-
-
-
ESP32-C3 BLE Keyboard - Battery Powered with USB-C Charging
1483 0 1 -
-
mammoth-3D SLM Voron Toolhead – Manual Drill & Tap Edition
1152 0 1 -







