|
|
Mini ZVS Induction Heating Board 5-12V 120W |
x 1 | |
|
|
12V 5A Power Supply |
x 1 |
|
Soldering Iron Kit |
Induction heater, HV source, and Wireless Energy transfer with chip mini ZVS Driver from Aliexpress
This time I'm going to show you how to make some practical devices with a cheap compact ZVS driver module sold on AliExpress for less than $5.

The package contains an assembled solder module and a coil for making an induction heater. The module is solidly made and we will first test it as an induction heater, which is what it is primarily intended for. Then we will see how we can use this compact module to make other devices.
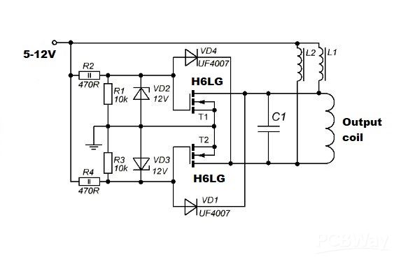
On the PCB there are two N-channel power MOSFETs of the H6LG type designed for low voltage, high speed switching applications in power supplies intended for Drain current up to 20 Amps. Due to the low Rds resistance of only 39 milliohms, there is no need for massive aluminum heatsinks, and they are soldered directly to the metal part of the PCB that serves as a heatsink. It also has two quality MKP capacitors, two large chokes, and several small SMD components. The device can be powered with voltage from 5 to 12 volts, and current up to 10 Amps.
First we will test an induction heater with a voltage of 5V. After a certain time, the steel plate heats up, but it does not bend strongly.

Next, at 10 volts when heating this small drill, the current is about 3 A. Now we see that the metal is dawning.

For 12V I will use bigger power supply because it can deliver a higher current.

If you want to make a PCB for your electronic project, PCBway is a great choice for you. PCBway is one of the most experienced PCB manufacturing company in China in field of PCB prototype and fabrication. They provide completed PCB assembly service with worldwide free shipping , and ISO9001 quality control system. Also, on their site there is an online gerber viewer where you can upload your gerber and drill files to render your board.

The next device we can make with this module is a high voltage source for our HV experiments.

For that we need Trafocascade from an old CRT monitor or TV. We need to wind 10 windings with insulated copper wire with a diameter of 1 to 1.5 mm on the core of the transformer and connect the ends to the output of the module. Spark is about 2cm long, and transistors are almost cool.
And the last experiment is about wireless energy transfer, for which we need a copper or aluminum wire with a diameter of 1.5 mm, which we form two identical circles, with a diameter of 10 cm.

One circle is a transmitter and is connected to the ZVS module, and the other is a receiver, and an LED diode is connected to its ends. I made this experiment in a short time without any calculations, and if you are interested in a serious project like this, you can watch one of my previous videos, where a 10W LED is powered wirelessly at a distance of up to 90cm.

And finally a short conclusion. As I mentioned at the beginning, this module costs less than $5 with postage, so we shouldn't expect any spectacular features. However, it performs the function for which it is intended quite correctly, and I think that its limit for reliable operation is about 5A at 12V, which is half of what is declared by the seller. At higher currents, the mosfets heat up significantly and their burnout can happen very easily. But 60 Watts are quite enough, and as seen in the experiments, the module can work continuously for a relatively long time without problems.

Induction heater, HV source, and Wireless Energy transfer with chip mini ZVS Driver from Aliexpress
Raspberry Pi 5 7 Inch Touch Screen IPS 1024x600 HD LCD HDMI-compatible Display for RPI 4B 3B+ OPI 5 AIDA64 PC Secondary Screen(Without Speaker)
BUY NOW- Comments(1)
- Likes(1)
-
Engineer
Jul 19,2024
- 1 USER VOTES
- YOUR VOTE 0.00 0.00
- 1
- 2
- 3
- 4
- 5
- 6
- 7
- 8
- 9
- 10
- 1
- 2
- 3
- 4
- 5
- 6
- 7
- 8
- 9
- 10
- 1
- 2
- 3
- 4
- 5
- 6
- 7
- 8
- 9
- 10
- 1
- 2
- 3
- 4
- 5
- 6
- 7
- 8
- 9
- 10
-
10design
-
10usability
-
10creativity
-
10content
More by Mirko Pavleski
-
Arduino 3D Printed self Balancing Cube
Self-balancing devices are electronic devices that use sensors and motors to keep themselves balanc...
-
Retro Analog VU Meter on Round dispalys (ESP32 and GC9A01)
Recently, in one of my previous videos I presented you a Retro VU Meter project on round displays ...
-
Ultimate 2-Player Reaction Timer with WS2812B LED Strips & Arduino
Arcade reaction game is a genre of play designed to test a player's physical response time and hand...
-
Building a Vintage Tube-Style Internet Radio with Raspberry Pi & Rotary Encoder
Internet radio (also known as web radio or net radio) is a digital audio service transmitted via th...
-
DIY Smart Code Lock with CrowPanel 1.28 ESP32 Rotary Display
A code lock is a keyless security device—either mechanical or electronic—that restricts access to d...
-
SDR Panadapter for Vintage Tube Radios – Step-by-Step Tutorial
A radio panadapter (or panoramic adapter) is a device or software tool used in amateur radio and ot...
-
Oscilloscope Clock Simulation on a Round ESP32 Display
An oscilloscope clock is a circuit that turns an old analog oscilloscope into a stylish, retro-them...
-
DIY Simple GU32 Tube Stereo Amplifier (2x3W on 12VDC)
Vacuum tube amplifiers are often favored for their smooth harmonic distortion, especially in the low...
-
DIY 3-Display OLED Clock with Arduino and I2C Multiplexer
In this video I want to present you another unusual clock to add to my large collection of such DIY...
-
Build a 5-Day forecast Raspberry Pi Weather Dashboard (Step-by-Step)
Recently in one of my previous videos,I introduced you to the 7 inch Elecrow Pi Terminal and how to...
-
ESP32 Aneroid Barometer using Squareline Studio and LVGL on CrowPanel Round display
A barometer is a scientific instrument used to measure atmospheric pressure. Rising Pressure genera...
-
LINAMP Project – Winamp-Style Audio Front Panel on Raspberry Pi 5
Winamp is one of the most iconic and historically significant digital media players ever created. I...
-
Retro Style radio with CrowPanel 2.1inch round Display (TEA5767)
Some time ago I presented you a clock project with CrowPanel 2.1inch-HMI ESP32 Rotary Display 480*4...
-
Pi-Pico RX - SDR Radio with New Firmware and Features
A few months ago I presented you a wonderful SDR radio project by DawsonJon 101 Things. In short, i...
-
How to make simple Variable HIGH VOLTAGE Power Supply
High Voltage Power Supply is usually understood as a device that is capable of generating a voltage...
-
DIY 5-Day Rainfall Forecast Device - ESP32 E-Paper Project
In several of my previous projects I have presented ways to make weather stations, but this time I ...
-
Build simple Retro Style VFO (Variable frequency oscillator) with Crowoanel 1.28 inch Round Display
Today I received a shipment with a Small round LCD display from Elecrow. The device is packed in tw...
-
Human vs Robot – Rock Paper Scissors with MyCobot 280 M5Stack
Today I received a package containing the few Elephant Robotics products. The shipment is well pack...
-
-
ARPS-2 – Arduino-Compatible Robot Project Shield for Arduino UNO
1290 0 4 -
-
A Compact Charging Breakout Board For Waveshare ESP32-C3
1808 3 7 -
AI-driven LoRa & LLM-enabled Kiosk & Food Delivery System
1797 2 0 -
-
-
-
ESP32-C3 BLE Keyboard - Battery Powered with USB-C Charging
1972 0 1 -







