|
|
GU32 Vacuum Tube |
x 1 | |
|
|
6J1 Vacuum Tube |
x 2 | |
|
|
EM84 Vacuum Tube |
x 2 | |
|
|
Resistors, Capacitors |
x 1 | |
|
|
Audio Output Trafo |
x 2 | |
|
|
12V to 2x40-400V Boost Converter |
x 1 |
|
Soldering Iron Kit |
DIY Simple GU32 Tube Stereo Amplifier (2x3W on 12VDC)
Vacuum tube amplifiers are often favored for their smooth harmonic distortion, especially in the lower-order harmonics, which many listeners describe as "warm" or "rich". Tube amplifiers are also known for their compression and dynamic response. For these reasons, there is no audiophile who would not like to own this type of amplifier. However, commercial tube amplifiers are very expensive. Another option is, if you have certain knowledge in this area, to make it yourself. Unfortunately, even in that case, we usually need more "EXOTIC" components to make this kind of amplifier, among which I will mention the mains transformer as well as the output audio transformers.
This time I will try to describe to you the simplest way how to make a tube amplifier yourself, where the basic condition, the eight good sound, will be the simplicity of the device, as well as the use of components that can be obtained in almost any well-stocked electronic store, or on the internet.
This project is sponsored by PCBWay . From concept to production, PCBWay provide cutting-edge electronic design solutions for global innovators, Including hardware design, software development, mechanical design, product testing and certification. PCBWay engineering team consists of experienced engineers in electronics, embedded systems, and product development. They successfully delivered hundreds of projects across industries such as medical devices, industrial automation, consumer electronics, smart home, and IoT.

In addition, the cost of such an amplifier would be really low, and also during its construction you will learn a lot about electronic devices which use vacuum tubes. The amplifier that I present to you is a modified version of a FU32 tube amplifier kit, which was available a few years ago, but unfortunately is no longer for sale
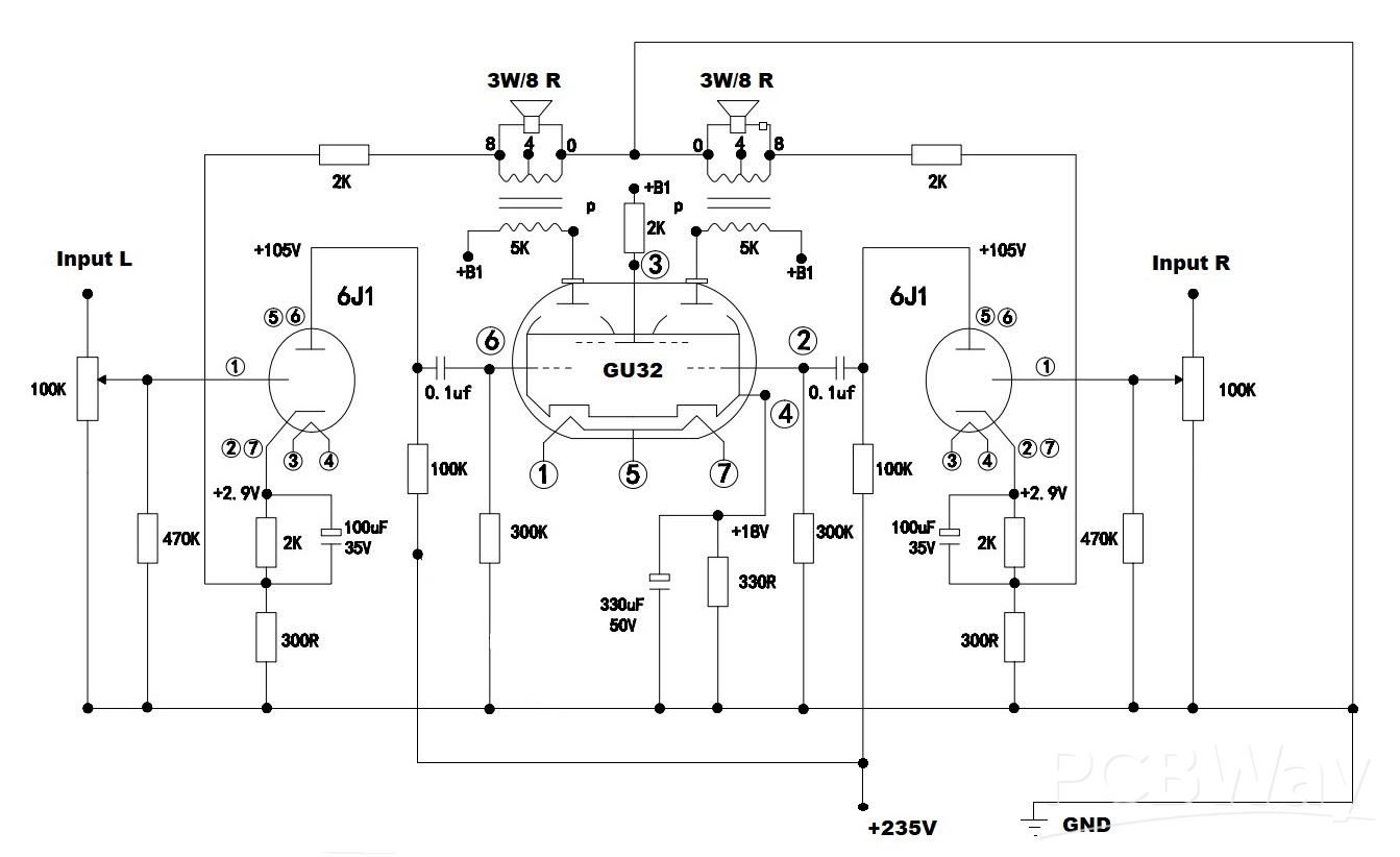
First, let me describe the components used individually. The most specific component of these amplifiers is the mains transformer together with the rectifier. This time I use this cheap DC-DC converter that uses 12V input voltage and the output voltage can be adjusted from 40 to 700V.

For the needs of this amplifier, the output voltage is set to 235V
I will use the input voltage also for heating the Tubes.
For this purpose, the three series groups of tubes are connected in parallel to 12V as shown in the picture.

In this way, the whole power supply part is solved very elegantly and simply. Instead of FU32 I use GU32 Tube which is 100% compatible.

Input tubes are 6Ј1, one for each channel. For a better visual impression, I also installed a retro VU meter with EM84 tubes, and I described its making in one of my previous videos .

Now let's take a look at what's inside the box. In this small box is the power supply module that provides voltage for all parts of the device. Here is how the connection of the components looks like.

In order to interconnect the components, I used segments of self-adhesive copper tape which really made it much easier for me to make. All connections are made with thin wire keeping in mind that very small currents flow through them. Only the heating lines and speakers connections are made with a thicker wire.
It can be said that the most important part of these amplifiers is the output audio transformer. These transformers are made with a special way of winding, and the quality of the resulting sound, especially at low frequencies, largely depends on them. For simpler rough initial testing and modifications to the amp, I made the amplifier with ordinary mains transformers.

I have four pairs of small mains transformers and by individual testing I chose these two which gave the best results. After several hearing tests, I chose transformers that have the best characteristics for this purpose. Their characteristics are: Primary winding for 220V with ohmic resistance of 400 Ohms, secondary winding for 18V/ 0.5A. The primary windings are connected to the anodes of the tube, and the speakers are connected to the secondaries. Of course, I will replace these transformers with original Audio transformers when I receive them.
I have one audio transformer from an old broken tube radio so I could compare the sound with these mains transformers. The first note is that the sound is about 30% louder, and in terms of sound quality, there was much more pronounced lows and crystal clear highs.
Now let's focus on the operation of this simple stereo audio amplifier. I will be using small NAD speaker boxes which are of low utilization (dB/W/m), and are not intended for this type of amplifier.

Otherwise, it would be better to use wide-range sensitive speakers with a larger cross-section membrane specially designed for use with low-wattage tube amplifiers. After turning on the amplifier, it takes some time for the cathodes of the tubes to heat up. I use my PC as the audio signal source, and for copyright reasons I will use songs from the free YouTube audio library. Unfortunately, the sound you will hear on the video will not correspond to the sound I hear live, so you will either have to make the amplifier yourself, or trust my subjective claims. I think the first option is far preferable. It is interesting fact that the amplifier does not make any noise or hum at maximum power, without an input signal. I added a 100 microfarad 400V filter capacitor to the output of the power supply module, but the situation was the same without it.
As for the output power, although it is declared on the source schematic as 3.5 W per channel, according to my rough measurements it does not exceed 2 to 2.5 W with acceptable distortions for this type of amplifier of less than 3%. At more than 3W output power, the distortions were greater than 10%. However, even this relatively low output power is sufficient for normal listening in smaller rooms, especially if we use sensitive speakers.
And finally a short conclusion. The idea of this project is to present to you perhaps the simplest way to make a relatively powerful stereo Vacuum Tube audio amplifier with components that are easily available for purchase, and also the cost of the whole assembly is significantly low. However, the quality of the resulting sound is excellent, at least in my personal subjective opinion, and to make sure of that, you will have to make it yourself and hear it. Just to mention that the total cost of this amplifier does not exceed 25 dollars without output audio transformers.

The total consumption of the complete device at maximum load is about 40 Watts, so it is desirable that the 12V power supply is intended for currents of 5A or more. I installed the device in a box made of PVC material, but it is preferable to install it in a wooden or metal box in a retro style.
DIY Simple GU32 Tube Stereo Amplifier (2x3W on 12VDC)
Raspberry Pi 5 7 Inch Touch Screen IPS 1024x600 HD LCD HDMI-compatible Display for RPI 4B 3B+ OPI 5 AIDA64 PC Secondary Screen(Without Speaker)
BUY NOW- Comments(1)
- Likes(0)
- 0 USER VOTES
- YOUR VOTE 0.00 0.00
- 1
- 2
- 3
- 4
- 5
- 6
- 7
- 8
- 9
- 10
- 1
- 2
- 3
- 4
- 5
- 6
- 7
- 8
- 9
- 10
- 1
- 2
- 3
- 4
- 5
- 6
- 7
- 8
- 9
- 10
- 1
- 2
- 3
- 4
- 5
- 6
- 7
- 8
- 9
- 10
More by Mirko Pavleski
-
Arduino 3D Printed self Balancing Cube
Self-balancing devices are electronic devices that use sensors and motors to keep themselves balanc...
-
DIY Simple GU32 Tube Stereo Amplifier (2x3W on 12VDC)
Vacuum tube amplifiers are often favored for their smooth harmonic distortion, especially in the low...
-
DIY 3-Display OLED Clock with Arduino and I2C Multiplexer
In this video I want to present you another unusual clock to add to my large collection of such DIY...
-
Build a 5-Day forecast Raspberry Pi Weather Dashboard (Step-by-Step)
Recently in one of my previous videos,I introduced you to the 7 inch Elecrow Pi Terminal and how to...
-
ESP32 Aneroid Barometer using Squareline Studio and LVGL on CrowPanel Round display
A barometer is a scientific instrument used to measure atmospheric pressure. Rising Pressure genera...
-
LINAMP Project – Winamp-Style Audio Front Panel on Raspberry Pi 5
Winamp is one of the most iconic and historically significant digital media players ever created. I...
-
Retro Style radio with CrowPanel 2.1inch round Display (TEA5767)
Some time ago I presented you a clock project with CrowPanel 2.1inch-HMI ESP32 Rotary Display 480*4...
-
Pi-Pico RX - SDR Radio with New Firmware and Features
A few months ago I presented you a wonderful SDR radio project by DawsonJon 101 Things. In short, i...
-
How to make simple Variable HIGH VOLTAGE Power Supply
High Voltage Power Supply is usually understood as a device that is capable of generating a voltage...
-
DIY 5-Day Rainfall Forecast Device - ESP32 E-Paper Project
In several of my previous projects I have presented ways to make weather stations, but this time I ...
-
Build simple Retro Style VFO (Variable frequency oscillator) with Crowoanel 1.28 inch Round Display
Today I received a shipment with a Small round LCD display from Elecrow. The device is packed in tw...
-
Human vs Robot – Rock Paper Scissors with MyCobot 280 M5Stack
Today I received a package containing the few Elephant Robotics products. The shipment is well pack...
-
How to Build a Simple Audio Spectrum Analyzer with Adjustable Settings
An audio spectrum analyzer is an electronic device or software tool that measures and visually disp...
-
How to Make a Digital Clock on a Vintage B&W TV using Arduino
These days I accidentally came across this small retro Black and White TV with a built-in Radio, so ...
-
Build a $10 Function Generator with Frequency Meter for Your Lab
A function generator is a piece of electronic test equipment used to generate various types of elec...
-
From Unboxing to Coding - Radar Clock on Elecrow’s 2.1 HMI Display
Today I received a shipment with a large round LCD display from Elecrow. The device is packed in two...
-
Making a Retro Analog NTP Clock with Unihiker K10 - Arduino IDE Tutorial
Some time ago I presented you a way to use standard Arduino libraries on the Unihiker k10 developme...
-
Build a Cheap & Easy HF Preselector - Antenna Tuner
HF antenna preselector is an electronic device connected between an HF radio antenna, and a radio r...
-
ARPS-2 – Arduino-Compatible Robot Project Shield for Arduino UNO
355 0 0 -
A Compact Charging Breakout Board For Waveshare ESP32-C3
700 3 6 -
AI-driven LoRa & LLM-enabled Kiosk & Food Delivery System
681 2 0 -
-
-
-
ESP32-C3 BLE Keyboard - Battery Powered with USB-C Charging
897 0 1 -
-
mammoth-3D SLM Voron Toolhead – Manual Drill & Tap Edition
776 0 1 -
-
AEL-2011 Power Supply Module
1517 0 2







