|
|
ESP32-S3-WROOM-1-N16R8 |
x 1 | |
|
|
BQ24250RGERTexas Instruments
|
x 1 | |
|
|
MAX20402AFLB_VY+T |
x 1 | |
|
|
MAX98357AETE+TAnalog Devices
|
x 1 | |
|
|
ICS-43434TDK InvenSense(应美盛)
|
x 1 |
|
ESP-PROGEspressif
|
ESP32 AI Voice Assistant with MCP Integration DIY Project
Introduction
Voice-controlled technology has reshaped how we interact with smart devices, yet most commercial assistants come with privacy concerns, subscriptions, and limited customisation. This project shows how to build a fully custom AI Voice Assistant using the ESP32-S3 microcontroller enhanced with the Model Context Protocol (MCP) for advanced control and device interaction—all built from scratch and ideal for makers and hobbyists.

What Makes This Project Unique
This DIY voice assistant isn’t just another ESP32 gadget—it combines embedded hardware design, AI cloud connectivity, and open communication protocols to deliver a highly capable smart assistant:
Uses ESP32-S3-WROOM-1 as the main processing and connectivity unit.
Integrates Espressif’s Audio Front-End (AFE) for high-quality voice capture and processing.
Employs the Xiaozhi AI framework with MCP to bridge embedded hardware and cloud AI models.
Provides smart assistant features such as wake-word detection, natural language understanding, and smart home control.

Core Architecture Overview
The system architecture is based on a hybrid client-server model where:
- ESP32-S3 microcontroller handles audio capture, wake-word detection, and peripheral control.
- Cloud server processes speech recognition, AI reasoning, and speech synthesis.
- Model Context Protocol (MCP) acts as the standardised “language” between the AI and hardware, enabling commands such as sensor reading and actuator control.
This hybrid setup ensures responsive performance while retaining access to powerful cloud AI models like Qwen or DeepSeek.
How Voice Interaction Works
The voice assistant interaction flows through a five-step sequence:
Wake-word Detection: The ESP32 constantly listens for a trigger phrase like “Hey Wanda” using a lightweight neural network. Circuit Digest
Audio Capture: Once awoken, the dual MEMS mic array records audio with noise cancellation via Espressif’s AFE. Circuit Digest
Streaming: Voice data is streamed over WebSockets to a cloud backend. Circuit Digest
Cloud AI Processing: The server handles speech-to-text (STT), language reasoning (LLM), and text-to-speech (TTS). Circuit Digest
Playback & Control: Generated responses are played back, and MCP messages execute hardware commands. Circuit Digest
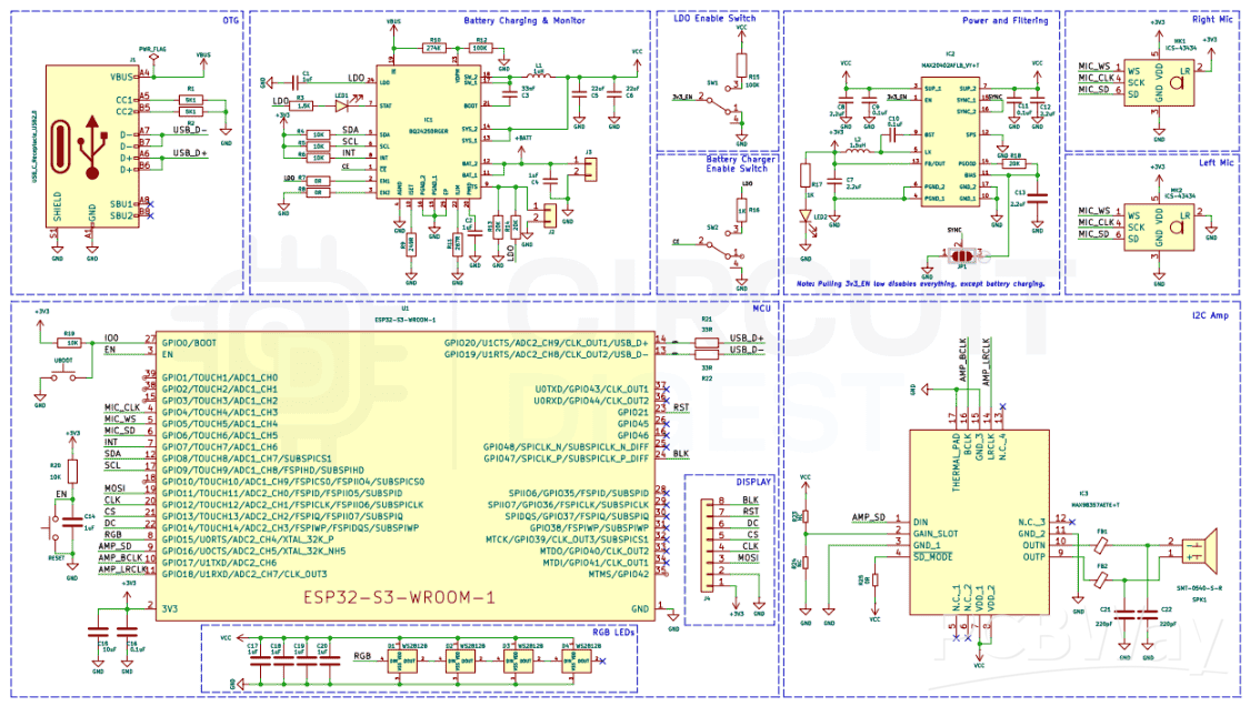
Hardware Design & PCB Features
The custom PCB integrates all essential components into a compact design:
- ESP32-S3 Chip: Dual-core microcontroller with Wi-Fi and Bluetooth support.
- Dual MEMS Microphones: For accurate voice detection and noise suppression.
- MAX98357A I²S Amplifier: Powers the speaker for clear audio feedback.
- Power Management: Includes Li-ion charging and buck-boost regulation for stable operation.
- WS2812B RGB LEDs & Controls: For interactive LED status and manual buttons.
The PCB layout balances compactness, power efficiency, and signal integrity, making it suitable for desktop or wall-mounted setups.

Firmware & Development Workflow
Getting the software up and running involves:
- Setting up Visual Studio Code with the ESP-IDF plugin.
- Cloning the open-source ESP32 AI Voice Assistant GitHub repository.
- Configuring wake-word settings, network credentials, and build targets.
- Flashing firmware using tools like Espressif Flash Download Tool or M5Burner.
- Connecting to Wi-Fi and configuring the assistant through a web interface.

Expanding Functionality with MCP
MCP enables the voice assistant to interact with IoT devices and sensors:
- Control relays, lights, and appliances.
- Read sensors like temperature or humidity.
- Drive servos, screens, or other peripherals.
- This flexibility makes the project a powerful foundation for smart home automation, robotics, and educational technology.
Real-World Applications
Once built and configured, your custom AI voice assistant can:
✔ Answer general queries, control smart devices, and interact naturally.
✔ Act as a smart home hub or personal information assistant.
✔ Serve as an educational platform for embedded AI and hardware design.
✔ Enhance accessibility for users needing hands-free control.
Future Enhancements
This platform is easily expandable with:
🔹 Environmental sensors (e.g., air quality, temperature)
🔹 GPS for location-based services
🔹 Camera modules for visual recognition
🔹 Larger batteries or solar charging
🔹 Improved speaker systems for audio quality
These add-ons make it even more versatile for advanced AI projects and IoT integrations.
Conclusion
The ESP32 AI Voice Assistant with MCP Integration is an exemplary DIY project that blends embedded hardware, AI frameworks, and custom PCB design into an intelligent voice interface. Suitable for makers and professionals alike, this project demonstrates the full potential of open-source AI on affordable hardware. With its modular design, cloud-AI compatibility, and expandability through MCP, it opens up endless possibilities for smart devices and interactive systems
ESP32 AI Voice Assistant with MCP Integration DIY Project
*PCBWay community is a sharing platform. We are not responsible for any design issues and parameter issues (board thickness, surface finish, etc.) you choose.
Raspberry Pi 5 7 Inch Touch Screen IPS 1024x600 HD LCD HDMI-compatible Display for RPI 4B 3B+ OPI 5 AIDA64 PC Secondary Screen(Without Speaker)
BUY NOW- Comments(1)
- Likes(0)
- 0 USER VOTES
- YOUR VOTE 0.00 0.00
- 1
- 2
- 3
- 4
- 5
- 6
- 7
- 8
- 9
- 10
- 1
- 2
- 3
- 4
- 5
- 6
- 7
- 8
- 9
- 10
- 1
- 2
- 3
- 4
- 5
- 6
- 7
- 8
- 9
- 10
- 1
- 2
- 3
- 4
- 5
- 6
- 7
- 8
- 9
- 10
More by Jobit Joseph
-
How to build a Wearable Air Quality Monitor Pendant using STM32 & SGP40 Sensor
This DIY Wearable Air Quality Monitor Pendant is a compact, battery-powered device designed to conti...
-
Smart Digital Ludo Game Board with Multicolour PCB
Ludo, a beloved childhood game, holds a special place in our hearts with its simple and engaging gam...
-
Electronic Dice with BLE Connectivity
Many of us fondly remember the joy of playing board games like Snakes and Ladders or Ludo during our...
-
3D printed Enclosure Backplate for Riden RD60xx power supplies
3D printed Enclosure for Riden RD60xx power supplies such as RD6006, RD6012, RD6018, RD6024 and RD60...
-
3D printed Enclosure for Riden RD60xx power supplies
3D printed Enclosure for Riden RD60xx power supplies such as RD6006, RD6012, RD6018, RD6024 and RD60...
-
Suzuki Ignis Universal Armrest No Screw Adapter
I own a 2024 Suzuki Ignis. When I searched for an armrest for my car I couldn't find any domesticall...
-
Wireless Potentiostat for Electrochemical Analysis
This wireless potentiostat is based on the ADuCM355 SoC from Analog Devices, tailored for portable e...
-
160 Channel Configurable DAC Controller
The DAC controller board features 160 individually controllable 16-bit DAC output. It can output vol...
-
ESP32-Powered Smart Energy Meter for Real-Time Monitoring
ESP32-Powered Smart Energy Meter for Accurate Consumption TrackingIn modern electronics and IoT appl...
-
ESP32 AI Voice Assistant with MCP Integration DIY Project
IntroductionVoice-controlled technology has reshaped how we interact with smart devices, yet most co...
-
Build Your Own ESP32 AI Voice Assistant with MCP Integration
Project OverviewThe ESP32 AI Voice Assistant with MCP Integration is an advanced voice-controlled sm...
-
Build Your Own Precision Digital Micro-Current Meter with STM32
In many electronic projects — especially those involving battery-powered devices or low-power sensor...
-
DIY Meshtastic Using ESP32 : Build Your Own Private Off-Grid Network
Project OverviewThis project delivers a complete, custom-designed PCB solution for building Meshtast...
-
Second PCB for ESP32 Smart Watch
This project contains two PCBs, this is the Second PCB,and there is a Main PCB, please click https:/...
-
1S battery Charger with Battery level indicator and power path
1S Battery Charger with Battery level indicator and 5V out and standby mode.
-
Smart Universal Remote with Learning Function and Google Assistant Support
In our day-to-day life, we use various gadgets such as televisions, set-top boxes, air conditioners,...
-
High-Resolution POV Display using ESP32
In this guide, we'll learn how to create a cool POV display using an ESP32 module. It's all about us...
-
Low Cost Drone using ESP32
Drones have rapidly evolved from niche hobbies to versatile tools with a wide range of applications,...
-
ESP32-C3 BLE Keyboard - Battery Powered with USB-C Charging
72 0 0 -
Tiny Power meter V2 – Community Innovation Share
40 0 0 -
-
mammoth-3D SLM Voron Toolhead – Manual Drill & Tap Edition
337 0 0 -
-
AEL-2011 Power Supply Module
910 0 2 -
AEL-2011 50W Power Amplifier
749 0 2 -
-
-
Custom Mechanical Keyboard
938 0 1 -
Tester for Touch Screen Digitizer without using microcontroller
529 2 2 -
Audio reactive glow LED wristband/bracelet with NFC / RFID-Tags
492 0 1







