|
|
ESP32-S3-WROOM-1-N16R8 |
x 1 | |
|
|
BQ24250RGERTexas Instruments
|
x 1 | |
|
|
MAX20402AFLB_VY+T |
x 1 |
|
|
VS Code using the ESP-IDF |
Build Your Own ESP32 AI Voice Assistant with MCP Integration
Project Overview
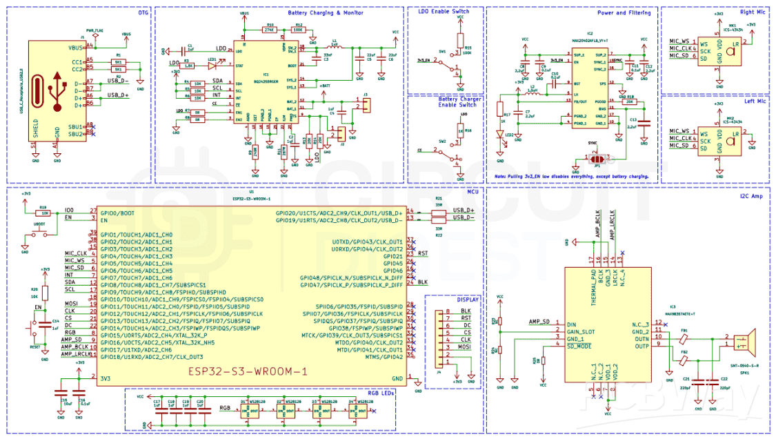
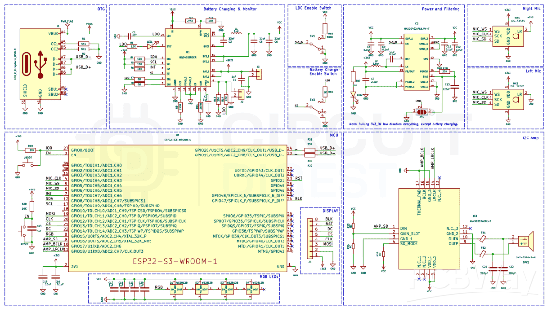
The ESP32 AI Voice Assistant with MCP Integration is an advanced voice-controlled smart assistant built around the ESP32-S3 microcontroller. This project combines the power of Espressif’s AFE (Audio Front End) framework with the open-source Xiaozhi MCP chatbot system to create a compact, responsive, and fully customizable voice interface that can understand and react to natural language commands.
At its core, the assistant captures voice input, performs keyword detection and command interpretation, and seamlessly integrates with smart devices using Model Context Protocol (MCP). It supports both local voice processing for fast responsiveness and cloud AI services for deeper conversational intelligence. This hybrid architecture enables real-time interaction with users as well as extended AI capabilities when connected.

Key Features
✅ Voice Interaction & AI Control — Always-on natural language recognition and response using advanced AI services and MCP protocol.
✅ ESP32-S3 Based Architecture — Dual-core Wi-Fi/Bluetooth microcontroller with AI acceleration support.
✅ Audio Front End Integration — Dual MEMS microphones for clear audio capture with echo cancellation and beamforming.
✅ Smart Device Control — MCP enables control of IoT devices, appliances, and smart home systems via voice commands.
✅ Hybrid Local & Cloud Intelligence — Offline wake-word detection plus optional cloud-based large language model (LLM) processing.
✅ Custom PCB & Power Design — Supports stable USB or battery operation, with visual state indicators and manual controls.
Hardware Components
The project uses the following key hardware elements:
- ESP32-S3-WROOM-1-N16R8 Module – Central processing unit with Wi-Fi and Bluetooth.
- Dual MEMS Microphones (e.g., ICS-43434) – For accurate voice capture and noise suppression.
- MAX98357A I2S Amplifier & Speaker – Audio output for voice responses.
- Power Management – BQ24250 charger and MAX20402 DC-DC converter for reliable power delivery.
- WS2812B RGB LEDs & Switches – User feedback and interface controls.

System Architecture & Working Principle
The system follows a hybrid local + cloud processing architecture:
Local Processing:
Wake-word detection, noise suppression, echo cancellation, and basic command recognition are handled directly on the ESP32-S3. This ensures fast response times and allows the assistant to remain functional even with limited connectivity.
Cloud & MCP Integration:
For advanced conversations and contextual understanding, voice data is transmitted over Wi-Fi using the MCP framework. The assistant interacts with AI models and external services, enabling intelligent dialogue, smart home automation, and dynamic responses.
Once a command is processed, the assistant responds using an I2S audio amplifier and speaker, while RGB LEDs provide visual feedback for system states such as listening, thinking, and responding.

Software & Integration
The firmware is developed using ESP-IDF and integrates Espressif’s AFE libraries for voice capture and processing. Network services connect via Wi-Fi for MCP communication and smart home control. The Xiaozhi MCP platform enables seamless voice-to-device interactions, allowing the assistant to leverage cloud AI models when network connectivity is available.
Applications
This project is perfect for:
🔹 Smart Home Control — Turn lights, appliances, and IoT devices on/off with voice.
🔹 Voice-Activated Personal Assistant — Ask questions, get responses, and automate tasks.
🔹 AI Learning & Prototyping — A base platform for experimenting with embedded AI and natural language interfaces.
At the heart of the design is the ESP32-S3-WROOM-1-N16R8 module, which offers Wi-Fi, Bluetooth, and AI acceleration for real-time audio tasks. Dual MEMS microphones capture voice with echo cancellation and noise suppression, while a speaker powered through an I2S amplifier delivers clear responses. The firmware leverages Espressif’s AFE (Audio Front End) framework for high-quality audio handling.
This project demonstrates how embedded hardware can connect to powerful cloud AI systems using MCP — an open protocol that standardises communication between AI models (like large language models) and external devices. MCP enables the assistant to handle natural language, orchestrate smart home control, and even synchronise across multiple devices.
The board is designed for both USB and battery operation, with stable power management and clean signal routing to ensure reliable performance. Optional RGB LED indicators and tactile switches enhance usability, making the assistant both functional and visually intuitive.
This open-source design includes schematics, PCB layout, and firmware code, encouraging community developers to build, modify, and extend the system for custom AI companions, smart home controllers, or educational platforms.
Conclusion
The ESP32 AI Voice Assistant with MCP Integration showcases the capabilities of modern microcontrollers when combined with AI, audio processing, and high-quality PCB design. It is an ideal reference project for makers, engineers, and developers looking to explore embedded AI, voice interfaces, and smart device control. With its custom PCB and scalable architecture, this project demonstrates a production-ready approach to building intelligent voice-enabled hardware.
Build Your Own ESP32 AI Voice Assistant with MCP Integration
*PCBWay community is a sharing platform. We are not responsible for any design issues and parameter issues (board thickness, surface finish, etc.) you choose.
Raspberry Pi 5 7 Inch Touch Screen IPS 1024x600 HD LCD HDMI-compatible Display for RPI 4B 3B+ OPI 5 AIDA64 PC Secondary Screen(Without Speaker)
BUY NOW- Comments(1)
- Likes(2)
-
Ivan Att. to Ivan
Feb 17,2026
-
Dany Cuack
Dec 22,2025
- 0 USER VOTES
- YOUR VOTE 0.00 0.00
- 1
- 2
- 3
- 4
- 5
- 6
- 7
- 8
- 9
- 10
- 1
- 2
- 3
- 4
- 5
- 6
- 7
- 8
- 9
- 10
- 1
- 2
- 3
- 4
- 5
- 6
- 7
- 8
- 9
- 10
- 1
- 2
- 3
- 4
- 5
- 6
- 7
- 8
- 9
- 10
More by Jobit Joseph
-
How to build a Wearable Air Quality Monitor Pendant using STM32 & SGP40 Sensor
This DIY Wearable Air Quality Monitor Pendant is a compact, battery-powered device designed to conti...
-
Smart Digital Ludo Game Board with Multicolour PCB
Ludo, a beloved childhood game, holds a special place in our hearts with its simple and engaging gam...
-
Electronic Dice with BLE Connectivity
Many of us fondly remember the joy of playing board games like Snakes and Ladders or Ludo during our...
-
3D printed Enclosure Backplate for Riden RD60xx power supplies
3D printed Enclosure for Riden RD60xx power supplies such as RD6006, RD6012, RD6018, RD6024 and RD60...
-
3D printed Enclosure for Riden RD60xx power supplies
3D printed Enclosure for Riden RD60xx power supplies such as RD6006, RD6012, RD6018, RD6024 and RD60...
-
Suzuki Ignis Universal Armrest No Screw Adapter
I own a 2024 Suzuki Ignis. When I searched for an armrest for my car I couldn't find any domesticall...
-
Wireless Potentiostat for Electrochemical Analysis
This wireless potentiostat is based on the ADuCM355 SoC from Analog Devices, tailored for portable e...
-
160 Channel Configurable DAC Controller
The DAC controller board features 160 individually controllable 16-bit DAC output. It can output vol...
-
ESP32-Powered Smart Energy Meter for Real-Time Monitoring
ESP32-Powered Smart Energy Meter for Accurate Consumption TrackingIn modern electronics and IoT appl...
-
ESP32 AI Voice Assistant with MCP Integration DIY Project
IntroductionVoice-controlled technology has reshaped how we interact with smart devices, yet most co...
-
Build Your Own ESP32 AI Voice Assistant with MCP Integration
Project OverviewThe ESP32 AI Voice Assistant with MCP Integration is an advanced voice-controlled sm...
-
Build Your Own Precision Digital Micro-Current Meter with STM32
In many electronic projects — especially those involving battery-powered devices or low-power sensor...
-
DIY Meshtastic Using ESP32 : Build Your Own Private Off-Grid Network
Project OverviewThis project delivers a complete, custom-designed PCB solution for building Meshtast...
-
Second PCB for ESP32 Smart Watch
This project contains two PCBs, this is the Second PCB,and there is a Main PCB, please click https:/...
-
1S battery Charger with Battery level indicator and power path
1S Battery Charger with Battery level indicator and 5V out and standby mode.
-
Smart Universal Remote with Learning Function and Google Assistant Support
In our day-to-day life, we use various gadgets such as televisions, set-top boxes, air conditioners,...
-
High-Resolution POV Display using ESP32
In this guide, we'll learn how to create a cool POV display using an ESP32 module. It's all about us...
-
Low Cost Drone using ESP32
Drones have rapidly evolved from niche hobbies to versatile tools with a wide range of applications,...
-
-
ARPS-2 – Arduino-Compatible Robot Project Shield for Arduino UNO
906 0 2 -
-
A Compact Charging Breakout Board For Waveshare ESP32-C3
1466 3 6 -
AI-driven LoRa & LLM-enabled Kiosk & Food Delivery System
1420 2 0 -
-
-
-
ESP32-C3 BLE Keyboard - Battery Powered with USB-C Charging
1606 0 1 -
-
mammoth-3D SLM Voron Toolhead – Manual Drill & Tap Edition
1216 0 1







