|
KiCADKicad
|
IR Remote CD4017
Remote control receiver for switching electrical and household appliances
The circuit shown can be used in households and facilitates the ON / OFF switching of the light bulb in the room, for example, using the remote control of the TV, DVD or any device controlled by an infrared remote control. Thus, the TV remote control becomes a
accessory with which you can control, from a distance (maximum 10 meters), the lighting in the room.
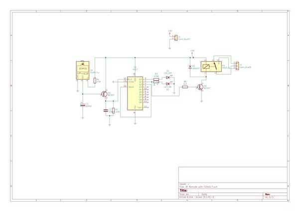
The working frequency of the TSO1738 receiver is 38kHz. The signal received from the remote control is picked up by U1, amplified by Q1 and applied to the clock pin (no. 14 of U2) of the counter 4017. As the output Q2 of the counter is connected to pin 15 (Reset), a press of a button the remote control switches the output Q0 to logical '1' (ie the relay is OFF), and the next press, the counting advances, Q1 switches to '1' and Q0 to '0' and the relay is activated. A new press causes Q2 to switch to '1', reset the counter and implicitly activate Q0, ie relay in OFF state. Capacitors C1 and C2 ensure switching
without error of the relay, the rectangular pulses, modulated by 38 kHz, from the remote control, being filtered by the capacitors.
The assembly will be powered by 5V. The relay must be operated with 5V. Its working contact, normally open, can be connected in parallel to the contacts of the light switch in your room.
Have fun with it !
IR Remote CD4017
*PCBWay community is a sharing platform. We are not responsible for any design issues and parameter issues (board thickness, surface finish, etc.) you choose.
Raspberry Pi 5 7 Inch Touch Screen IPS 1024x600 HD LCD HDMI-compatible Display for RPI 4B 3B+ OPI 5 AIDA64 PC Secondary Screen(Without Speaker)
BUY NOW- Comments(0)
- Likes(0)
- 0 USER VOTES
- YOUR VOTE 0.00 0.00
- 1
- 2
- 3
- 4
- 5
- 6
- 7
- 8
- 9
- 10
- 1
- 2
- 3
- 4
- 5
- 6
- 7
- 8
- 9
- 10
- 1
- 2
- 3
- 4
- 5
- 6
- 7
- 8
- 9
- 10
- 1
- 2
- 3
- 4
- 5
- 6
- 7
- 8
- 9
- 10
More by cris 🙂
-
Dynamic decoration with LEDs and more
Hello everyone!As you can see in the title, we have a circuit with LEDs, many LEDs, it's a 4x4 LEDs ...
-
LEDs Stars
Hello everyone! I'm signing up for this competition with a small project designed to attract your a...
-
Audio amplifier with LM386 (and BASS boost)
Audio amplifier with LM386 (and BASS boost)Hello everyone!Circuit descriptionThe LM386 is quite a ve...
-
Audio amplifier 25W TDA2030
Audio amplifier 25W TDA2030A fairly well-known and interesting montagePresentationThe presented audi...
-
Raspberry Pi Pico Expansion Board
Hello everyone!UPDATE!!!I made some changes, routing in particular, and freed up the board of a few ...
-
Adjustable voltage power supply
Among the most important electronic devices in the electronics laboratory is the voltage source. Thi...
-
Digital Clock with AT89C2051
Circuit OperationShort SW2 presses cycle through displaying the current time in HH:MM and MM:SS form...
-
Switch based light sensor
Hi!The circuit shown can be used to turn on the light in the garden, or some light panels / advertis...
-
LM3909 flashing indicator
I present to you a circuit which is a little outdated, but quite pleasant for some, I saw that this ...
-
4x4x4 cube with blue LEDs
Hi makers!I know that these days there are many variations of LEDs, for example SMDs are smaller and...
-
Low cost turntable 😁
Hi makers!I'm entering this competition with a small project that I've wanted to make for some time,...
-
A DIY charger for 12V battery
Hello everyone!I present to you a project that really didn't reach its final state, until recently. ...
-
ESP01 board
Hello PCBWayers!You probably know that ESP01S/01 boards can be a little difficult to use in an easie...
-
ESP12F Board
Hello makers!Some time ago I had a shopping coupon and I thought about making some simple PCBs with ...
-
ATMega32 Board
Hi !I remembered this simple project I made for myself, you can use it with an ATMega32 or ATMega16 ...
-
AT90CAN128
Hello makers!Here is a guy who likes to build various, small, electronic circuits, and through this ...
-
PCBWay 11th Badge Design
Hello PCBwayers!I'm here to participate in the PCBWay 11th Badge Design Contest and after a few idea...
-
The use of IoT technology for monitoring specific electrical parameters of autonomous power systems
Hello everyone!A brief introduction of this project.What you see presented here is a home made (or D...
-
-
ARPS-2 – Arduino-Compatible Robot Project Shield for Arduino UNO
921 0 2 -
-
A Compact Charging Breakout Board For Waveshare ESP32-C3
1484 3 6 -
AI-driven LoRa & LLM-enabled Kiosk & Food Delivery System
1438 2 0 -
-
-
-
ESP32-C3 BLE Keyboard - Battery Powered with USB-C Charging
1625 0 1 -
-
mammoth-3D SLM Voron Toolhead – Manual Drill & Tap Edition
1224 0 1







