|
Sprint-Layout 6 |
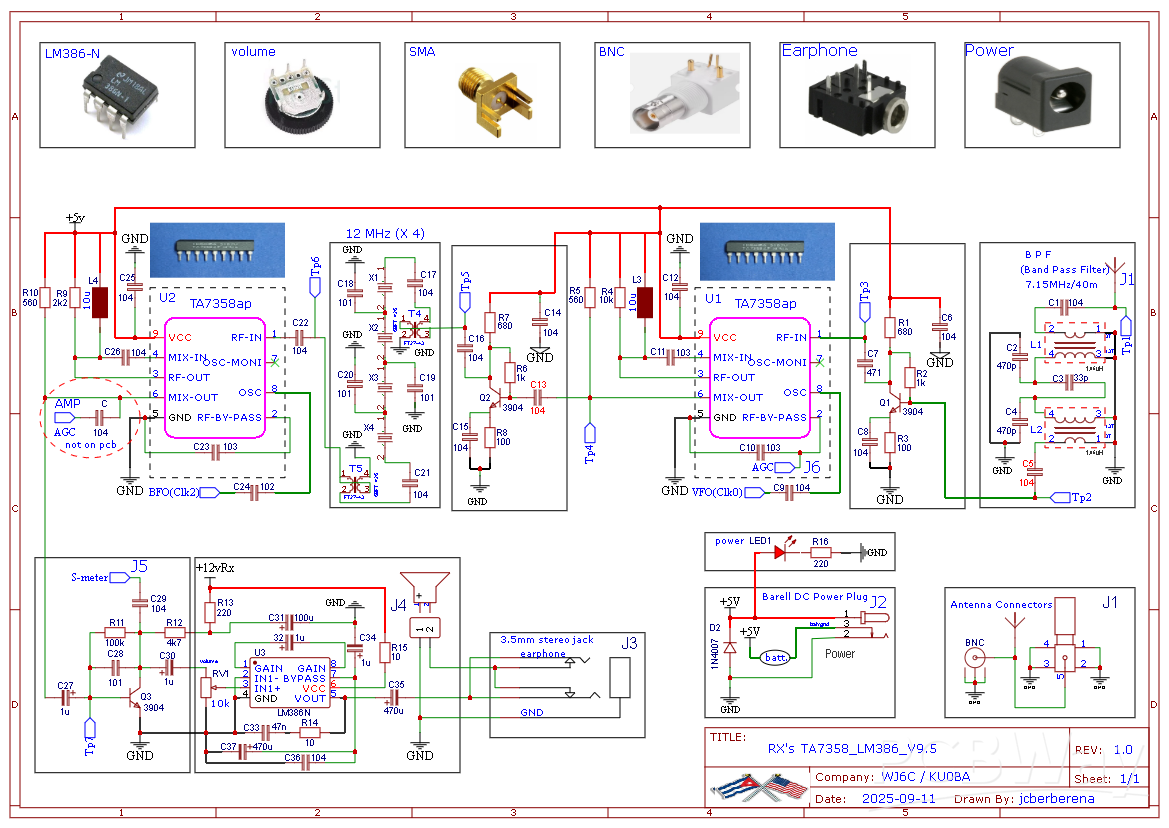
Receiver Rx_TA7358_V9.5
TA7358 + LM386 Receiver Project 
Hi everyone! 
After weeks of design, testing, and fine-tuning, my latest receiver project is nearly complete! The design is based around the TA7358 mixer and the classic LM386 audio amplifier, built for simplicity and solid performance. Whether you're into homebrewing radios, learning RF circuits, or just enjoy a good challenge — this one’s for you!
What’s inside?
Dual TA7358AP chips for RF mixing and IF amplification
12 MHz crystal filter section (X4) for sharp selectivity
Band-pass filter tuned to 7 MHz (40m)
LM386-N for clean audio output
Built-in S-meter connector, AGC pad, and modular connector options (BNC, SMA, 3.5mm audio, DC barrel)
Power options: +5VDC
Swipe to see the schematic and the PCB layout!
note:
You can follow me at
Receiver Rx_TA7358_V9.5
*PCBWay community is a sharing platform. We are not responsible for any design issues and parameter issues (board thickness, surface finish, etc.) you choose.
Raspberry Pi 5 7 Inch Touch Screen IPS 1024x600 HD LCD HDMI-compatible Display for RPI 4B 3B+ OPI 5 AIDA64 PC Secondary Screen(Without Speaker)
BUY NOW- Comments(0)
- Likes(0)
- 0 USER VOTES
- YOUR VOTE 0.00 0.00
- 1
- 2
- 3
- 4
- 5
- 6
- 7
- 8
- 9
- 10
- 1
- 2
- 3
- 4
- 5
- 6
- 7
- 8
- 9
- 10
- 1
- 2
- 3
- 4
- 5
- 6
- 7
- 8
- 9
- 10
- 1
- 2
- 3
- 4
- 5
- 6
- 7
- 8
- 9
- 10
More by Juan Carlos Berberena Gonzalez
-
Si5351 Mini Module
PLL Si55351 in a very small package ready to useFor update follow me at:https://www.facebook.com/gro...
-
Qrp "LARCset"...
https://www.hfsignals.com/index.php/larcset/https://github.com/afarhan/larcset/This is a"fully open ...
-
uBitxV6_clone
uBitx V6 Clone – Power Amplifier & Exciter...I’m recreating the original uBitx V6 by Ashhar Farh...
-
PA_Qrp (Qrp Power Amplifier)
Qrp Power Amplifier with IRF510....I will release the gerber file soon in my FB groupYou can get it ...
-
Bix40_Beta
Bitx40V3 versioned by me to have all in one board of 100x100mm.I added the option for a PLL Si5352 u...
-
Receiver Rx_TA7358_V9.5
TA7358 + LM386 Receiver Project Hi everyone! After weeks of design, testing, and fine-tuning, my la...
-
Bitx40V3.5_PA_V9.5
BITX40 v3.5 QRP Transceiver PCB (2024 Revision)This is the updated version of the classic BITX40 QRP...
-
Power Amplifier for Bitx40
QRP Power Amplifier for BITX-style rigs (40 m) — V9.5I’ve just finished a new PA board optimized fo...
-
VFO/BFO_V4.3
This is a similar project to the one I hace posted before,You can follow me athttps://www.facebook.c...
-
Qrp40_7358
This is a minimalist rig using just two(2) TA7368apThe final RF amplifier is the classical and teste...
-
VFO/BFO with Atmega 328p
This is a typical VFO/BFO using a ATmega 328pThe complete information is from Ian CIger project:http...
-
VFO / BFO 7 segment 6 digit
Arduino Nano / MAX7219-21 / PLL5351 / CL3661AH cathode commun led 7 segment display.This has the sam...
-
Modules_V5.5
A new group of six modules V_5.5 for ModularQrp rig for experimenter.You can use each one to conform...
-
Synthesizer VFO/BFO Frontend
This is the front end to avoid using a chassis for the QRP.Its purpose is to connect it to the main ...
-
zBitx_Front
This is my first look at z Farhan's new project, zBitx.It's an integrated interface on a 100 x 100 m...
-
Qrp_Exciter_V5.5
QRP Exciter V5.5This is a new version of my previous project V4.5, which uses the 2n3904 NPN transis...
-
Synthesizer VFO / BFO 1602BV6_rev5
Synthesizer VFO/BFO customized for the Ian CIger sketch.LCD 1602B & Atmega328p (no arduino) plus...
-
KL 60 PA_Clone
The KL 60 original is a 12V linear amplifier for use in the frequency range28 – 29.7 MHz, with a dri...
-
ARPS-2 – Arduino-Compatible Robot Project Shield for Arduino UNO
319 0 0 -
A Compact Charging Breakout Board For Waveshare ESP32-C3
670 3 6 -
AI-driven LoRa & LLM-enabled Kiosk & Food Delivery System
653 2 0 -
-
-
-
ESP32-C3 BLE Keyboard - Battery Powered with USB-C Charging
857 0 1 -
-
mammoth-3D SLM Voron Toolhead – Manual Drill & Tap Edition
756 0 1 -
-
AEL-2011 Power Supply Module
1483 0 2







