Juan Carlos Berberena Gonzalez
UNITED STATES OF AMERICA • + Follow
Edit Project
Tools, APP Software Used etc.
|
Sprint-Layout 6 |
Description
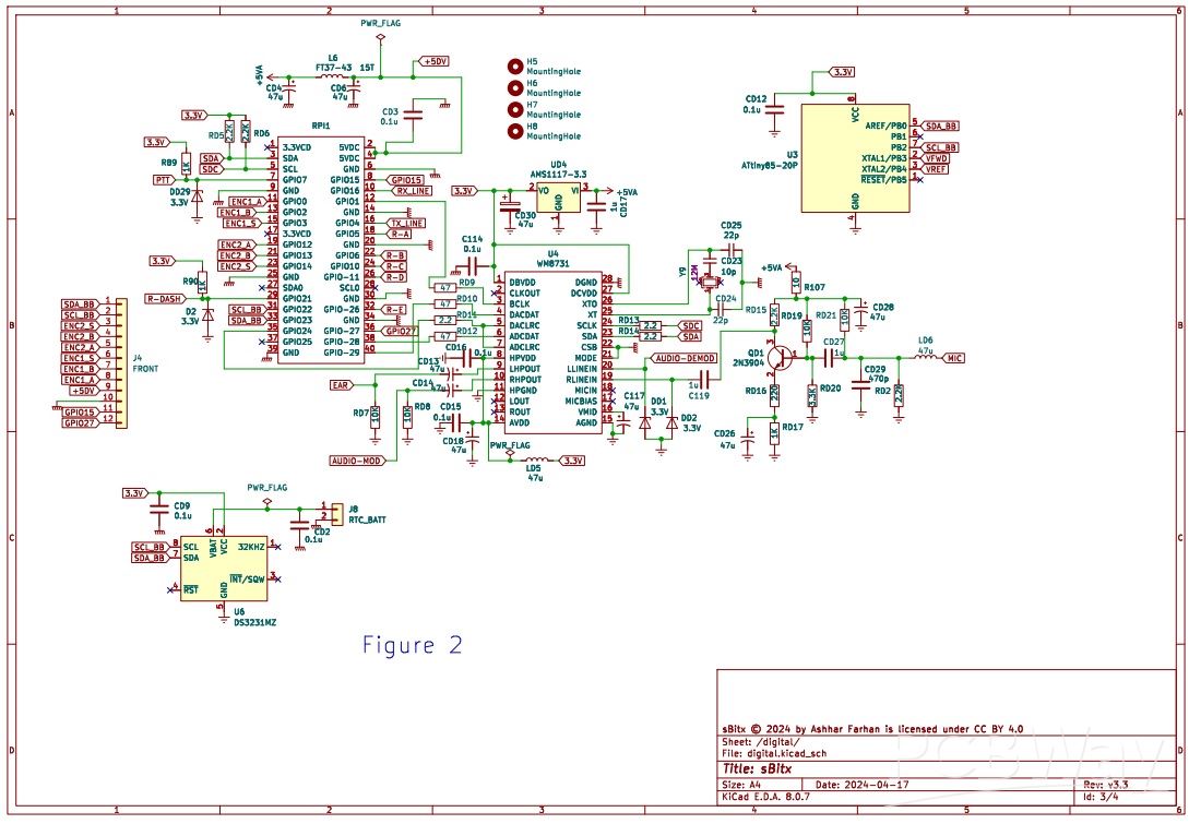
zBitx_Hat_clone
This is an experimental pcb of the zBitx Hat.
You can visit the original source for more information:
https://www.hfsignals.com/index.php/zbitx/
You can follow me at:
https://www.facebook.com/groups/zbitx
or
Schematic and Layout
Mar 07,2026
52 views
zBitx_Hat_clone
zBitx Hat clone as experimental approach...
52
0
0
Published: Mar 07,2026
Standard PCB
Download Gerber file 1
BOM(Bill of materials)
Purchase
Donation Received ($)
PCBWay Donate 10% cost To Author
Only PCB
PCB+Assembly
*PCBWay community is a sharing platform. We are not responsible for any design issues and parameter issues (board thickness, surface finish, etc.) you choose.
Copy this HTML into your page to embed a link to order this shared project
Copy
Under the
GNU - GPL
License.
Raspberry Pi 5 7 Inch Touch Screen IPS 1024x600 HD LCD HDMI-compatible Display for RPI 4B 3B+ OPI 5 AIDA64 PC Secondary Screen(Without Speaker)
BUY NOW- Comments(0)
- Likes(0)
Upload photo
You can only upload 5 files in total. Each file cannot exceed 2MB. Supports JPG, JPEG, GIF, PNG, BMP
0 / 10000
It looks like you have not written anything. Please add a comment and try again.
You can upload up to 5 images!
Image size should not exceed 2MB!
File format not supported!
View More
View More
VOTING
0 votes
- 0 USER VOTES
0.00
- YOUR VOTE 0.00 0.00
- 1
- 2
- 3
- 4
- 5
- 6
- 7
- 8
- 9
- 10
Design
1/4
- 1
- 2
- 3
- 4
- 5
- 6
- 7
- 8
- 9
- 10
Usability
2/4
- 1
- 2
- 3
- 4
- 5
- 6
- 7
- 8
- 9
- 10
Creativity
3/4
- 1
- 2
- 3
- 4
- 5
- 6
- 7
- 8
- 9
- 10
Content
4/4
More by Juan Carlos Berberena Gonzalez
-
zBitx_Hat_clone
This is an experimental pcb of the zBitx Hat.You can visit the original source for more information:...
-
Si5351 Mini Module
PLL Si55351 in a very small package ready to useFor update follow me at:https://www.facebook.com/gro...
-
Qrp "LARCset"...
https://www.hfsignals.com/index.php/larcset/https://github.com/afarhan/larcset/This is a"fully open ...
-
uBitxV6_clone
uBitx V6 Clone – Power Amplifier & Exciter...I’m recreating the original uBitx V6 by Ashhar Farh...
-
PA_Qrp (Qrp Power Amplifier)
Qrp Power Amplifier with IRF510....I will release the gerber file soon in my FB groupYou can get it ...
-
Bix40_Beta
Bitx40V3 versioned by me to have all in one board of 100x100mm.I added the option for a PLL Si5352 u...
-
Receiver Rx_TA7358_V9.5
TA7358 + LM386 Receiver Project Hi everyone! After weeks of design, testing, and fine-tuning, my la...
-
Bitx40V3.5_PA_V9.5
BITX40 v3.5 QRP Transceiver PCB (2024 Revision)This is the updated version of the classic BITX40 QRP...
-
Power Amplifier for Bitx40
QRP Power Amplifier for BITX-style rigs (40 m) — V9.5I’ve just finished a new PA board optimized fo...
-
VFO/BFO_V4.3
This is a similar project to the one I hace posted before,You can follow me athttps://www.facebook.c...
-
Qrp40_7358
This is a minimalist rig using just two(2) TA7368apThe final RF amplifier is the classical and teste...
-
VFO/BFO with Atmega 328p
This is a typical VFO/BFO using a ATmega 328pThe complete information is from Ian CIger project:http...
-
VFO / BFO 7 segment 6 digit
Arduino Nano / MAX7219-21 / PLL5351 / CL3661AH cathode commun led 7 segment display.This has the sam...
-
Modules_V5.5
A new group of six modules V_5.5 for ModularQrp rig for experimenter.You can use each one to conform...
-
Synthesizer VFO/BFO Frontend
This is the front end to avoid using a chassis for the QRP.Its purpose is to connect it to the main ...
-
zBitx_Front
This is my first look at z Farhan's new project, zBitx.It's an integrated interface on a 100 x 100 m...
-
Qrp_Exciter_V5.5
QRP Exciter V5.5This is a new version of my previous project V4.5, which uses the 2n3904 NPN transis...
-
Synthesizer VFO / BFO 1602BV6_rev5
Synthesizer VFO/BFO customized for the Ian CIger sketch.LCD 1602B & Atmega328p (no arduino) plus...
You may also like
-
ARPS-2 – Arduino-Compatible Robot Project Shield for Arduino UNO
741 0 2 -
A Compact Charging Breakout Board For Waveshare ESP32-C3
1280 3 6 -
AI-driven LoRa & LLM-enabled Kiosk & Food Delivery System
1160 2 0 -
-
-
-
ESP32-C3 BLE Keyboard - Battery Powered with USB-C Charging
1421 0 1 -
-
mammoth-3D SLM Voron Toolhead – Manual Drill & Tap Edition
1102 0 1 -
-
AEL-2011 Power Supply Module
1948 0 2







