Commodore 64 1541-II 1581 Floppy Disk Drive C64 Power Supply Unit USB-C 5V 12V DIN connector 5.25
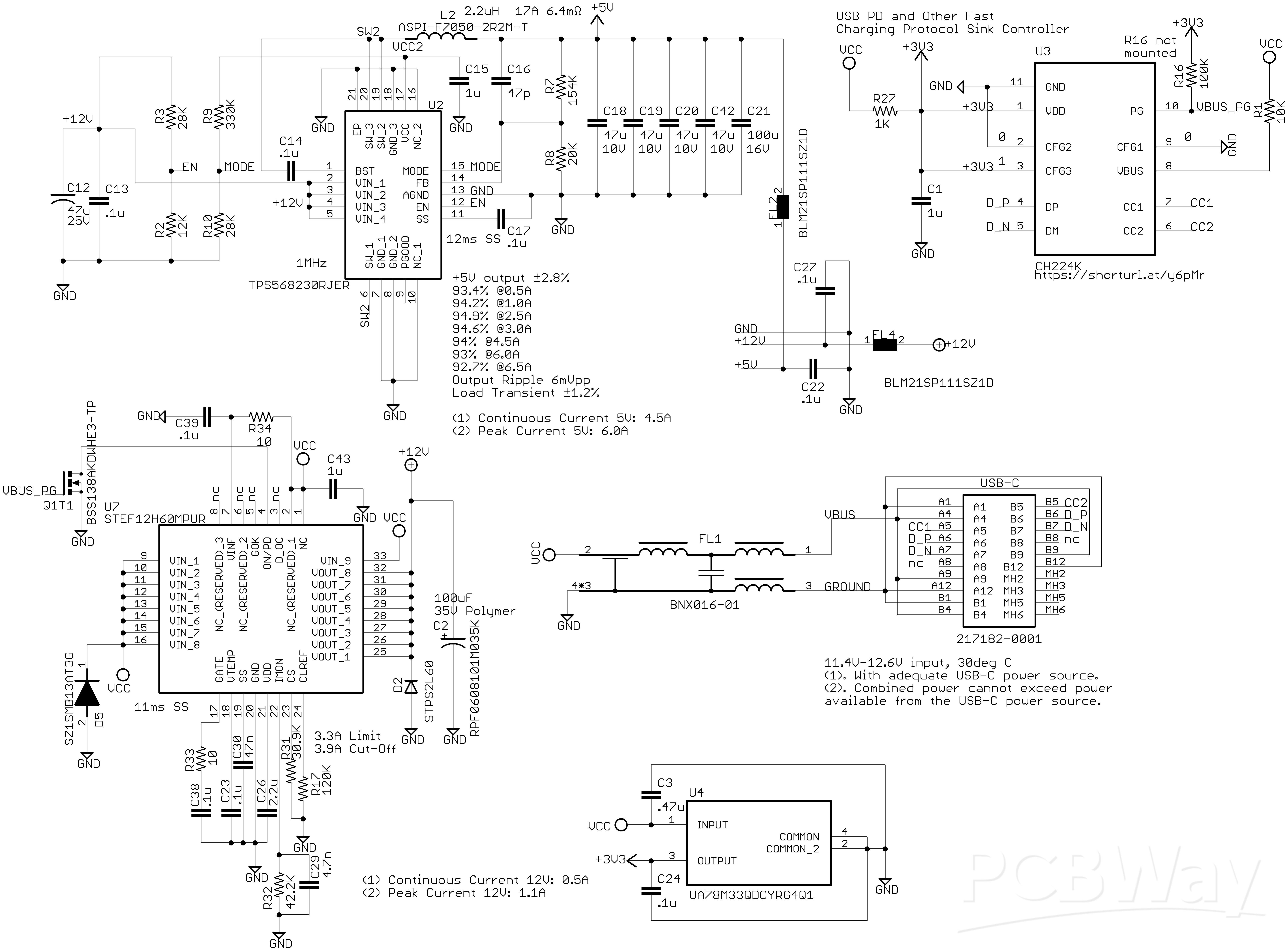
Compact design for high efficiency (>93%) USB-C Power Supply for Commodore 1541-II or 1581 External Floppy Disk Drive Unit.
- Improved efficiency, static line/load regulation, and reduced output ripple at 5V.
- Enhanced soft-start time to minimize inrush current during startup.
- Excellent line and load transient response.
- Improved ground planes and routing strategy to reduce noise and heat generation.
- Designed for Sustainability: significant reduction of kgCO2eq emissions during the use phase due to the compact design, selection of fully compliant RoHS/REACH components, and optimized power conversion efficiency.
- Reliable and long-standing: Hot-plug, Under-Voltage, Over-Load, Over-Voltage, Short-Circuit, Thermal protections and filters to reduce EMI.
With adequate USB-C power source, it is able to delivery continuously:
+5V: 4.5A (peak 6A)
+12V: 1.1A
Combined power cannot exceed power available from the USB-C power source (36W = 12V x 3A on delivery):
https://www.amazon.co.jp/dp/B0982VFYYJ?ref=ppx_yo2ov_dt_b_fed_asin_title
The USB-C cable should withstand 100W and be 200cm long (max):
https://www.amazon.co.jp/dp/B07V529BXP?ref=ppx_yo2ov_dt_b_fed_asin_title&th=1
BOM list: https://www.digikey.com/en/mylists/list/FPK059FEFB
The author is not an Amazon affiliate and may not receive a commission from products sold through links on this project page.
References:
https://lemmini.de/1541-II-Supply/1541-II-Supply.html
https://bitbucket.org/fade0ff/1541-ii-supply/src/master/
Commodore 64 1541-II 1581 Floppy Disk Drive C64 Power Supply Unit USB-C 5V 12V DIN connector 5.25
*PCBWay community is a sharing platform. We are not responsible for any design issues and parameter issues (board thickness, surface finish, etc.) you choose.
Raspberry Pi 5 7 Inch Touch Screen IPS 1024x600 HD LCD HDMI-compatible Display for RPI 4B 3B+ OPI 5 AIDA64 PC Secondary Screen(Without Speaker)
BUY NOW- Comments(1)
- Likes(15)
-
ugur tezer
Jan 08,2026
-
Franske
Dec 04,2025
-
Steve Peck
Nov 30,2025
-
William McKeever
Nov 18,2025
-
Francisco Perez
Nov 11,2025
-
Andrej Gerbec
Nov 04,2025
-
Engineer
Aug 07,2025
-
Engineer
Jun 25,2025
-
Commodore Bench
Jun 13,2025
-
Attila Kalinka
May 22,2025
-
Sebastian Rueckoldt
May 21,2025
-
Holger OnkelHolgi
Apr 27,2025
-
Mike Ihrcke
Apr 21,2025
-
Francisco Meza
Apr 19,2025
-
(DIY) C64iSTANBUL
Apr 18,2025
- 0 USER VOTES
- YOUR VOTE 0.00 0.00
- 1
- 2
- 3
- 4
- 5
- 6
- 7
- 8
- 9
- 10
- 1
- 2
- 3
- 4
- 5
- 6
- 7
- 8
- 9
- 10
- 1
- 2
- 3
- 4
- 5
- 6
- 7
- 8
- 9
- 10
- 1
- 2
- 3
- 4
- 5
- 6
- 7
- 8
- 9
- 10
More by Edoardo kinmami
-
Commodore 64 1541-II 1581 Floppy Disk Drive C64 Power Supply Unit USB-C 5V 12V DIN connector 5.25
Compact design for high efficiency (>93%) USB-C Power Supply for Commodore 1541-II or 1581 Extern...
-
V2 Commodore AMIGA USB-C Power Sink Delivery High Efficiency Supply Triple Output 5V ±12V OLED display ATARI compatible shark 100W——Main Board
Note from PCBWay: This page is only for the mian board for the project V2 Commodore AMIGA USB-C Powe...
-
Commodore AMIGA PSU USB-C Power Sink Delivery Supply High Efficiency Triple Output 5V ±12V OLED ATARI ST shark
NEW VERSION https://www.pcbway.com/project/shareproject/V2_Commodore_AMIGA_USB_C_Power_Sink_Delivery...
-
Commodore AMIGA LED 500 600 1200 2000 status board multi system for debugging and troubleshooting hardware
A LED status PCB to connect A500, A600, A1200, A2000 motherboards for troubleshooting purposes witho...
-
Commodore MAX Machine RF modulator replacement S-VIDEO bypass
Inspired by projects from c0pperdragon, mbarszcz-pcb, tebl and VGP.It fits the commodore MAX MACHINE...
-
Enhanced Flash Floppy Drive Plus internal with push-buttons gotek goex Atari Amiga Amstrad Yamaha HD OSD
Enhanced Flash Floppy Drive Plus Improved Gotek for Commodore Amiga (internal and external), Atari, ...
-
Commodore Amiga DB23 RGB VGA External Video Buffer (V6) Compatible with GBS-8200 8220 OSSC No Jail bars
External RGB video adapter from DB-23 female (input) to DE-15F (output, VGA) for Amiga computers.Com...
-
NEW Heavy Duty Power Supply Unit for Commodore 64 128 VIC-20 Plus/4 with Over Voltage, Under Voltage, Short Circuit, EMI, Thermal protections
BOM list https://www.digikey.com/en/mylists/list/ZIN8B06P1I* PCB Thickness 1.6 mm* Outer Copper Weig...
-
V2 Commodore AMIGA USB-C Power Sink Delivery High Efficiency Supply Triple Output 5V ±12V OLED display ATARI compatible shark 100W——Display Board
Note from PCBWay: This page is the display board for the project V2 Commodore AMIGA USB-C Power Sink...
-
Commodore Amiga 500 Zorro II slot adapter board A500 plus expansion
Zorro II expansion card for the Commodore Amiga 500 / PlusOriginal design by Matze posted on https:/...
-
RAM adapter SOJ26 DIP20 right
A solution to install SOJ26 chips into DIP20 sockets (right side oriented)BOM list:TC514400ASJ-x0 TO...
-
RAM adapter SOJ26 DIP20 left
A solution to install SOJ26 chips into DIP20 sockets (left side oriented)BOM list:TC514400ASJ-x0 TOS...
-
Commodore Amiga 1000 Rejuvenator Re-creation Project RAM adapter SOJ26 DIP20
BOM list:TC514400ASJ-x0 TOSHIBAhttps://ja.aliexpress.com/item/1005008511708613.html?spm=a2g0o.order_...
-
Commodore Amiga 1000 Rejuvenator Re-creation Project
BOM list: https://www.digikey.com/en/mylists/list/W055A8OMP7Additional items:https://ja.aliexpress.c...
-
Commodore Amiga DB23 RGB VGA External Video Buffer (V8) Jail bars free
External RGB video adapter for Amiga computers, converting from DB-23 female (input) to DE-15F (VGA ...
-
Commodore Amiga 500 Plus + Chip RAM expansion to 2MB for Fat Agnus 8375 Rev 8
Commodore Amiga 500 Chip RAM expansion to 2MB for Fat Agnus 8375 mounted onto Rev 8.No modification ...
-
Commodore MAX Machine RF modulator replacement S-VIDEO COMPOSITE bypass V2
Inspired by projects from c0pperdragon, mbarszcz-pcb, tebl and VGP.It fits the commodore MAX MACHINE...
-
Commodore MAX Machine RF modulator replacement S-VIDEO AUDIO bypass V2
Inspired by projects from c0pperdragon, mbarszcz-pcb, tebl and VGP.It fits the commodore MAX MACHINE...
-
-
ARPS-2 – Arduino-Compatible Robot Project Shield for Arduino UNO
1248 0 4 -
-
A Compact Charging Breakout Board For Waveshare ESP32-C3
1763 3 7 -
AI-driven LoRa & LLM-enabled Kiosk & Food Delivery System
1745 2 0 -
-
-
-
ESP32-C3 BLE Keyboard - Battery Powered with USB-C Charging
1921 0 1 -







