Juan Carlos Berberena Gonzalez
UNITED STATES OF AMERICA • + Follow
Edit Project
Tools, APP Software Used etc.
|
Sprint-Layout 6 |
Description
AF filter_F6BQU
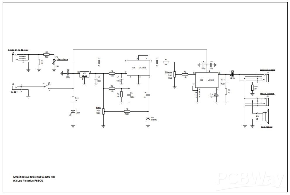
The Max293 IC is a low-pass filter with switched capabilities.
Given its features and availability, it is an integral part of all my QRP transceivers. Its bandwidth is adjustable.
For more information you can review the original link
http://lpistor.chez-alice.fr/passebas.htm
You can follow me at
https://www.facebook.com/groups/QrpCuba
note:
If you consider this kind of project is interesting for you as it is for me,
please let me know with a "like".
Thank you for your support
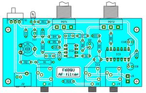
Schematic and Layout
Feb 26,2025
467 views
AF filter_F6BQU
Audio Filter (600Hz-4 kHz) to enhance reception in Qrp.
467
0
0
Published: Feb 26,2025
Standard PCB
BOM(Bill of materials)
Purchase
Donation Received ($)
PCBWay Donate 10% cost To Author
Only PCB
PCB+Assembly
*PCBWay community is a sharing platform. We are not responsible for any design issues and parameter issues (board thickness, surface finish, etc.) you choose.
Copy this HTML into your page to embed a link to order this shared project
Copy
Under the
Attribution-NonCommercial-NoDerivs (CC BY-NC-ND)
License.
Raspberry Pi 5 7 Inch Touch Screen IPS 1024x600 HD LCD HDMI-compatible Display for RPI 4B 3B+ OPI 5 AIDA64 PC Secondary Screen(Without Speaker)
BUY NOW- Comments(0)
- Likes(0)
Upload photo
You can only upload 5 files in total. Each file cannot exceed 2MB. Supports JPG, JPEG, GIF, PNG, BMP
0 / 10000
It looks like you have not written anything. Please add a comment and try again.
You can upload up to 5 images!
Image size should not exceed 2MB!
File format not supported!
View More
View More
VOTING
0 votes
- 0 USER VOTES
0.00
- YOUR VOTE 0.00 0.00
- 1
- 2
- 3
- 4
- 5
- 6
- 7
- 8
- 9
- 10
Design
1/4
- 1
- 2
- 3
- 4
- 5
- 6
- 7
- 8
- 9
- 10
Usability
2/4
- 1
- 2
- 3
- 4
- 5
- 6
- 7
- 8
- 9
- 10
Creativity
3/4
- 1
- 2
- 3
- 4
- 5
- 6
- 7
- 8
- 9
- 10
Content
4/4
More by Juan Carlos Berberena Gonzalez
-
Si5351 Mini Module
PLL Si55351 in a very small package ready to useFor update follow me at:https://www.facebook.com/gro...
-
Qrp "LARCset"...
https://www.hfsignals.com/index.php/larcset/https://github.com/afarhan/larcset/This is a"fully open ...
-
uBitxV6_clone
uBitx V6 Clone – Power Amplifier & Exciter...I’m recreating the original uBitx V6 by Ashhar Farh...
-
PA_Qrp (Qrp Power Amplifier)
Qrp Power Amplifier with IRF510....I will release the gerber file soon in my FB groupYou can get it ...
-
Bix40_Beta
Bitx40V3 versioned by me to have all in one board of 100x100mm.I added the option for a PLL Si5352 u...
-
Receiver Rx_TA7358_V9.5
TA7358 + LM386 Receiver Project Hi everyone! After weeks of design, testing, and fine-tuning, my la...
-
Bitx40V3.5_PA_V9.5
BITX40 v3.5 QRP Transceiver PCB (2024 Revision)This is the updated version of the classic BITX40 QRP...
-
Power Amplifier for Bitx40
QRP Power Amplifier for BITX-style rigs (40 m) — V9.5I’ve just finished a new PA board optimized fo...
-
VFO/BFO_V4.3
This is a similar project to the one I hace posted before,You can follow me athttps://www.facebook.c...
-
Qrp40_7358
This is a minimalist rig using just two(2) TA7368apThe final RF amplifier is the classical and teste...
-
VFO/BFO with Atmega 328p
This is a typical VFO/BFO using a ATmega 328pThe complete information is from Ian CIger project:http...
-
VFO / BFO 7 segment 6 digit
Arduino Nano / MAX7219-21 / PLL5351 / CL3661AH cathode commun led 7 segment display.This has the sam...
-
Modules_V5.5
A new group of six modules V_5.5 for ModularQrp rig for experimenter.You can use each one to conform...
-
Synthesizer VFO/BFO Frontend
This is the front end to avoid using a chassis for the QRP.Its purpose is to connect it to the main ...
-
zBitx_Front
This is my first look at z Farhan's new project, zBitx.It's an integrated interface on a 100 x 100 m...
-
Qrp_Exciter_V5.5
QRP Exciter V5.5This is a new version of my previous project V4.5, which uses the 2n3904 NPN transis...
-
Synthesizer VFO / BFO 1602BV6_rev5
Synthesizer VFO/BFO customized for the Ian CIger sketch.LCD 1602B & Atmega328p (no arduino) plus...
-
KL 60 PA_Clone
The KL 60 original is a 12V linear amplifier for use in the frequency range28 – 29.7 MHz, with a dri...
You may also like
-
ARPS-2 – Arduino-Compatible Robot Project Shield for Arduino UNO
554 0 0 -
A Compact Charging Breakout Board For Waveshare ESP32-C3
1009 3 6 -
AI-driven LoRa & LLM-enabled Kiosk & Food Delivery System
895 2 0 -
-
-
-
ESP32-C3 BLE Keyboard - Battery Powered with USB-C Charging
1158 0 1 -
-
mammoth-3D SLM Voron Toolhead – Manual Drill & Tap Edition
984 0 1 -
-
AEL-2011 Power Supply Module
1753 0 2







