Universal Breakout RGB EURO SCART PERITEL video game console OSSC computer
Fully compatible with Euro SCART cables. Provides all necessary components for connecting retro video game consoles and computers in full RGB to displays, monitors, and the OSSC.
BOM list https://www.digikey.com/en/mylists/list/NRYG12B4XM
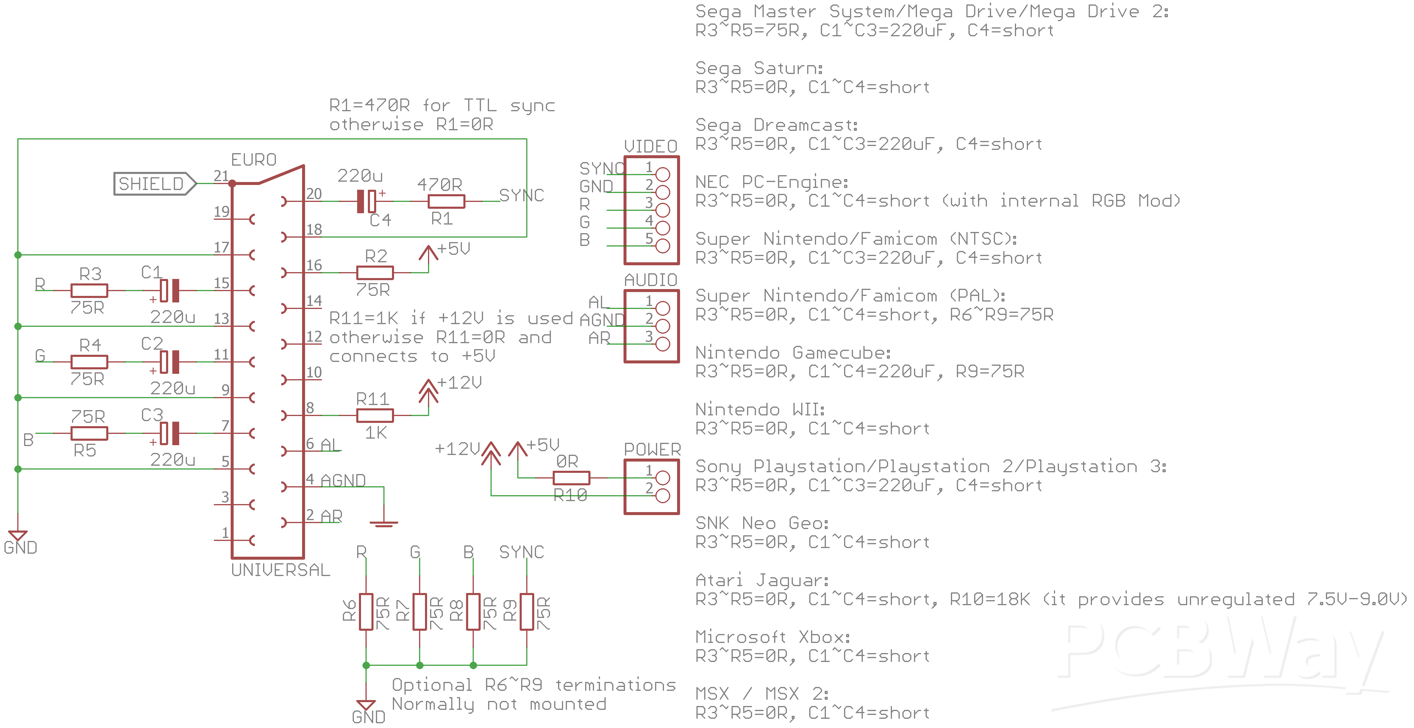
Sega Master System/Mega Drive/Mega Drive 2:
R3~R5=75R, C1~C3=220uF, C4=short
Sega Saturn:
R3~R5=0R, C1~C4=short
Sega Dreamcast:
R3~R5=0R, C1~C3=220uF, C4=short
NEC PC-Engine:
R3~R5=0R, C1~C4=short (with internal RGB Mod)
Super Nintendo/Famicom (NTSC):
R3~R5=0R, C1~C3=220uF, C4=short
Super Nintendo/Famicom (PAL):
R3~R5=0R, C1~C4=short, R6~R9=75R
Nintendo Gamecube:
R3~R5=0R, C1~C4=220uF, R9=75R
Nintendo WII:
R3~R5=0R, C1~C4=short
Sony Playstation/Playstation 2/Playstation 3:
R3~R5=0R, C1~C3=220uF, C4=short
SNK Neo Geo:
R3~R5=0R, C1~C4=short
Atari Jaguar:
R3~R5=0R, C1~C4=short, R10=18K (it provides unregulated 7.5V-9.0V)
Microsoft Xbox:
R3~R5=0R, C1~C4=short
MSX / MSX 2:
R3~R5=0R, C1~C4=short
Universal Breakout RGB EURO SCART PERITEL video game console OSSC computer
*PCBWay community is a sharing platform. We are not responsible for any design issues and parameter issues (board thickness, surface finish, etc.) you choose.
Raspberry Pi 5 7 Inch Touch Screen IPS 1024x600 HD LCD HDMI-compatible Display for RPI 4B 3B+ OPI 5 AIDA64 PC Secondary Screen(Without Speaker)
BUY NOW- Comments(11)
- Likes(5)
-
Engineer
Feb 01,2026
-
Engineer
Nov 09,2025
-
Evandro Ugliana
Nov 06,2025
-
HAL
Oct 23,2025
-
(DIY) C64iSTANBUL
Aug 01,2025
- 1 USER VOTES
- YOUR VOTE 0.00 0.00
- 1
- 2
- 3
- 4
- 5
- 6
- 7
- 8
- 9
- 10
- 1
- 2
- 3
- 4
- 5
- 6
- 7
- 8
- 9
- 10
- 1
- 2
- 3
- 4
- 5
- 6
- 7
- 8
- 9
- 10
- 1
- 2
- 3
- 4
- 5
- 6
- 7
- 8
- 9
- 10
-
10design
-
10usability
-
10creativity
-
10content
More by Edoardo kinmami
-
Commodore 64 1541-II 1581 Floppy Disk Drive C64 Power Supply Unit USB-C 5V 12V DIN connector 5.25
Compact design for high efficiency (>93%) USB-C Power Supply for Commodore 1541-II or 1581 Extern...
-
V2 Commodore AMIGA USB-C Power Sink Delivery High Efficiency Supply Triple Output 5V ±12V OLED display ATARI compatible shark 100W——Main Board
Note from PCBWay: This page is only for the mian board for the project V2 Commodore AMIGA USB-C Powe...
-
Commodore AMIGA PSU USB-C Power Sink Delivery Supply High Efficiency Triple Output 5V ±12V OLED ATARI ST shark
NEW VERSION https://www.pcbway.com/project/shareproject/V2_Commodore_AMIGA_USB_C_Power_Sink_Delivery...
-
Commodore AMIGA LED 500 600 1200 2000 status board multi system for debugging and troubleshooting hardware
A LED status PCB to connect A500, A600, A1200, A2000 motherboards for troubleshooting purposes witho...
-
Commodore MAX Machine RF modulator replacement S-VIDEO bypass
Inspired by projects from c0pperdragon, mbarszcz-pcb, tebl and VGP.It fits the commodore MAX MACHINE...
-
Enhanced Flash Floppy Drive Plus internal with push-buttons gotek goex Atari Amiga Amstrad Yamaha HD OSD
Enhanced Flash Floppy Drive Plus Improved Gotek for Commodore Amiga (internal and external), Atari, ...
-
Commodore Amiga DB23 RGB VGA External Video Buffer (V6) Compatible with GBS-8200 8220 OSSC No Jail bars
External RGB video adapter from DB-23 female (input) to DE-15F (output, VGA) for Amiga computers.Com...
-
V2 Commodore AMIGA USB-C Power Sink Delivery High Efficiency Supply Triple Output 5V ±12V OLED display ATARI compatible shark 100W——Display Board
Note from PCBWay: This page is the display board for the project V2 Commodore AMIGA USB-C Power Sink...
-
Commodore Amiga 500 Zorro II slot adapter board A500 plus expansion
Zorro II expansion card for the Commodore Amiga 500 / PlusOriginal design by Matze posted on https:/...
-
RAM adapter SOJ26 DIP20 right
A solution to install SOJ26 chips into DIP20 sockets (right side oriented)BOM list:TC514400ASJ-x0 TO...
-
RAM adapter SOJ26 DIP20 left
A solution to install SOJ26 chips into DIP20 sockets (left side oriented)BOM list:TC514400ASJ-x0 TOS...
-
Commodore Amiga 1000 Rejuvenator Re-creation Project RAM adapter SOJ26 DIP20
BOM list:TC514400ASJ-x0 TOSHIBAhttps://ja.aliexpress.com/item/1005008511708613.html?spm=a2g0o.order_...
-
Commodore Amiga 1000 Rejuvenator Re-creation Project
BOM list: https://www.digikey.com/en/mylists/list/W055A8OMP7Additional items:https://ja.aliexpress.c...
-
Commodore Amiga DB23 RGB VGA External Video Buffer (V8) Jail bars free
External RGB video adapter for Amiga computers, converting from DB-23 female (input) to DE-15F (VGA ...
-
Commodore Amiga 500 Plus + Chip RAM expansion to 2MB for Fat Agnus 8375 Rev 8
Commodore Amiga 500 Chip RAM expansion to 2MB for Fat Agnus 8375 mounted onto Rev 8.No modification ...
-
Commodore MAX Machine RF modulator replacement S-VIDEO COMPOSITE bypass V2
Inspired by projects from c0pperdragon, mbarszcz-pcb, tebl and VGP.It fits the commodore MAX MACHINE...
-
Commodore MAX Machine RF modulator replacement S-VIDEO AUDIO bypass V2
Inspired by projects from c0pperdragon, mbarszcz-pcb, tebl and VGP.It fits the commodore MAX MACHINE...
-
Commodore 16 (C16) Plus 4 RF modulator audio s-video replacement V2 C116 264 series
Commodore 16 (C16) & Plus/4 RF modulator replacementIt fits the commodore 16 & Plus/4 and re...
-
ARPS-2 – Arduino-Compatible Robot Project Shield for Arduino UNO
101 0 0 -
A Compact Charging Breakout Board For Waveshare ESP32-C3
585 3 4 -
AI-driven LoRa & LLM-enabled Kiosk & Food Delivery System
569 2 0 -
-
-
-
ESP32-C3 BLE Keyboard - Battery Powered with USB-C Charging
780 0 1 -
-
mammoth-3D SLM Voron Toolhead – Manual Drill & Tap Edition
722 0 1 -
-
AEL-2011 Power Supply Module
1416 0 2







