|
|
MDD50N03D |
x 4 | |
|
|
IR2104STRInfineon / IR
|
x 1 | |
|
|
7812 |
x 1 | |
|
CC0805JKX7R8BB105Yageo
|
x 1 | |
|
|
1N5819WSYFW
|
x 1 |
|
|
EasyEdaEasyEda
|
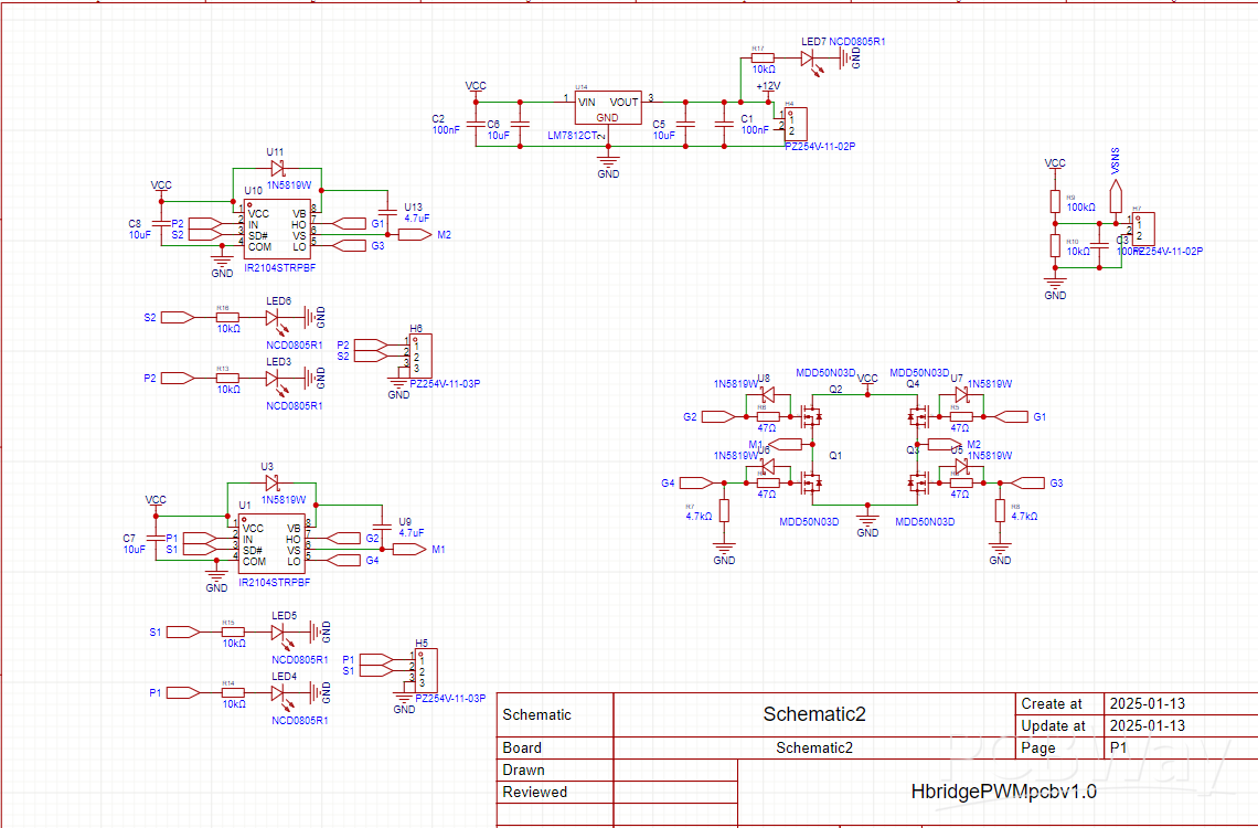
H bridge Brushed Motor Driver with N channel mosfets and High-Side driver
This is a H-Bridge motor driver. It uses IR2104 mosfet drivers, one 7812 to power mosfet drivers and 4 mosfets to control the motor. 4 mosfets can control the motor direction and brake. IR2104 controls one high side and one low side mosfet. When one High side and one Low side mosfet starts to conduct motor starts to turn and when other 2 mosfets conduct motor starts to turn the opposite way. When two low side mosfets are conducting motor can brake safely. This logic is easly implemented on the board with the logic of IR2104 which makes it impossible to create a short circuit between mosfets.
To use the module first power the module with the power source that you are trying to drive the motor with, then you have to apply 5v to both S1 and S2, and apply a pwm signal to p1 or p2. Don't forget to connect the ground pin of the microcontroller to the ground pin. You can use the 12V out to power an arduino board or something similar via VİN pin. To brake you have to stop applying pwm signals to the module and the motor will brake. Module should be able to handle 15-20 amps. Have Fun!
Use this PCB at your own risk !
I have tested the module without a pcb and it worked flawlessly, so there is no problem with the schematic.
H bridge Brushed Motor Driver with N channel mosfets and High-Side driver
*PCBWay community is a sharing platform. We are not responsible for any design issues and parameter issues (board thickness, surface finish, etc.) you choose.
Raspberry Pi 5 7 Inch Touch Screen IPS 1024x600 HD LCD HDMI-compatible Display for RPI 4B 3B+ OPI 5 AIDA64 PC Secondary Screen(Without Speaker)
BUY NOW- Comments(0)
- Likes(2)
-
Engineer
Jan 11,2026
-
Yusuf Ertan
Apr 20,2025
- 0 USER VOTES
- YOUR VOTE 0.00 0.00
- 1
- 2
- 3
- 4
- 5
- 6
- 7
- 8
- 9
- 10
- 1
- 2
- 3
- 4
- 5
- 6
- 7
- 8
- 9
- 10
- 1
- 2
- 3
- 4
- 5
- 6
- 7
- 8
- 9
- 10
- 1
- 2
- 3
- 4
- 5
- 6
- 7
- 8
- 9
- 10
More by Yusuf Ertan
-
Lm386 Basic Amplifier Circuit
This is a basic audio amplifier that is using the LM386 IC. It has 1w of output (It may not sound mu...
-
H bridge Brushed Motor Driver with N channel mosfets and High-Side driver
This is a H-Bridge motor driver. It uses IR2104 mosfet drivers, one 7812 to power mosfet drivers and...
-
-
ARPS-2 – Arduino-Compatible Robot Project Shield for Arduino UNO
1308 0 4 -
-
A Compact Charging Breakout Board For Waveshare ESP32-C3
1830 3 7 -
AI-driven LoRa & LLM-enabled Kiosk & Food Delivery System
1823 2 0 -
-
-
-
ESP32-C3 BLE Keyboard - Battery Powered with USB-C Charging
1993 0 1 -







