FDSKey PCB for Famicom Disk System and Sharp Twin Famicom
FDSKey is an open source hardware project created by Alexey Cluster (ClusterM) that provides a modern replacement for the original Famicom Disk System drive. It allows original Famicom Disk System hardware to load disk images from a micro SD card, removing the reliance on ageing mechanical floppy drives, belts, and media.
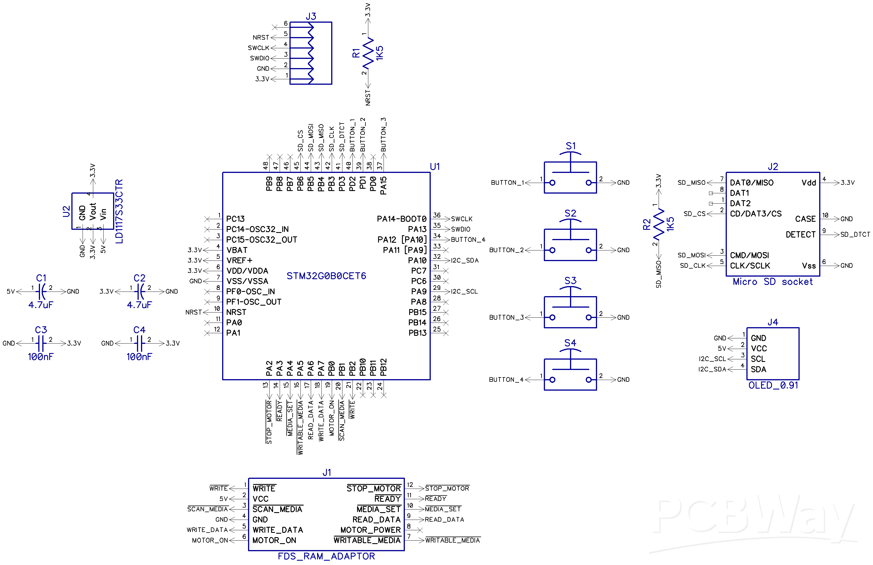
The project uses a compact PCB based around an STM32 microcontroller, with onboard power regulation, tactile buttons for control, and a small OLED display for status and menu navigation. When installed, the FDSKey interfaces with the Famicom Disk System via the original FDS RAM Adapter and behaves like the original disk drive, while offering far greater reliability and convenience.
FDSKey can also be used with the Sharp Twin Famicom when fitted with a suitable adapter cable, allowing disk drive emulation on this integrated hardware while retaining compatibility with original games and software.
This project page shares the PCB manufacturing files to make it easier for builders and restorers to produce the board and keep original hardware in working order. The files are provided to support documentation and video coverage of the project, and full credit for the design and concept belongs to Alexey Cluster (ClusterM).
The original project source code, documentation, and firmware are available on GitHub at https://github.com/ClusterM/fdskey
Many thanks to Alexey for making the FDSKey project open source and available to the community, helping to preserve and extend the life of original Nintendo hardware for future enthusiasts.
A video showing assembly, installation, and real world is being produced separately to help builders understand how the board fits into the system and how it operates once installed.
FDSKey PCB for Famicom Disk System and Sharp Twin Famicom
*PCBWay community is a sharing platform. We are not responsible for any design issues and parameter issues (board thickness, surface finish, etc.) you choose.
Raspberry Pi 5 7 Inch Touch Screen IPS 1024x600 HD LCD HDMI-compatible Display for RPI 4B 3B+ OPI 5 AIDA64 PC Secondary Screen(Without Speaker)
BUY NOW- Comments(1)
- Likes(1)
-
Engineer
Feb 19,2026
- 0 USER VOTES
- YOUR VOTE 0.00 0.00
- 1
- 2
- 3
- 4
- 5
- 6
- 7
- 8
- 9
- 10
- 1
- 2
- 3
- 4
- 5
- 6
- 7
- 8
- 9
- 10
- 1
- 2
- 3
- 4
- 5
- 6
- 7
- 8
- 9
- 10
- 1
- 2
- 3
- 4
- 5
- 6
- 7
- 8
- 9
- 10
More by Mark Fixes Stuff
-
Mikro Gen Shadow of the Unicorn interface Modern re-creation for Sinclair Spectrum
Steven Smith of ProjectSpeccy.com reverse engineered this interface as a reaction to prices he saw o...
-
Sinclair Spectrum Composite Mod PCB for Modulator Can Install (Build Video!)
This compact PCB simply replaces the existing RF modulator PCB in a Sinclair Spectrum 16k or 48k, ei...
-
Fixel 3DO FZ-1 ODE Mount
This project is a custom 3D printed mounting solution designed to securely install a Fixelsan ODE an...
-
FDSKey PCB for Famicom Disk System and Sharp Twin Famicom
FDSKey is an open source hardware project created by Alexey Cluster (ClusterM) that provides a moder...
-
Atari 8 bit A8 Picocart - An easy to build, cheap 400/800/XL/XE Flash Cart!
The A8 PicoCart by ElectroTrains A.K.A Robin Edwards. It allows you to use a Pi Pico clone as an Ata...
-
A Simple Atari VCS 2600 2K or 4K game cartridge
A simple Atari VCS 2600 cartridge board for 2 or 4k games. Designed and released by Parker Dillmann,...
-
TZXDuino Shield V2 by Zaxon
This is the UPDATED V2 TZXDuino Shield by Zaxon. TZXDuino is a cassette player replacement for the S...
-
Romantic Robot Multiface 128 Recreation for ZX Spectrum
Stephen Smith of projectspeccy.com sought to investigate how Multiface type interfaces work and see ...
-
ARPS-2 – Arduino-Compatible Robot Project Shield for Arduino UNO
520 0 0 -
A Compact Charging Breakout Board For Waveshare ESP32-C3
954 3 6 -
AI-driven LoRa & LLM-enabled Kiosk & Food Delivery System
848 2 0 -
-
-
-
ESP32-C3 BLE Keyboard - Battery Powered with USB-C Charging
1119 0 1 -
-
mammoth-3D SLM Voron Toolhead – Manual Drill & Tap Edition
953 0 1 -
-
AEL-2011 Power Supply Module
1717 0 2







