|
|
ATMEL, ATMEGA328P-PUMicrochip Technology
|
x 1 | |
|
|
22PF X 50VSamsung
|
x 2 | |
|
|
220uF 35V |
x 1 | |
|
|
SS34YauXin Electronics
|
x 1 | |
|
|
Z-DC00R02P-2000Ckmtw(灿科盟)
|
x 1 |
|
Soldering iron (generic) |
|
|
Solder Wire, Lead Free |
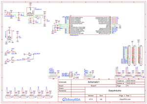
EasyArduino

EasyArduino by ElectroIoT
The ultimate beginner’s board to learn, build, and master Arduino the easy way.
A beginner-focused custom Arduino Uno-compatible board designed for learning, soldering practice, and sensor experimentation.
🎯 Features
✅ ATmega328P-PU DIP – Arduino Uno compatible
🔌 FTDI 6-pin header for USB upload
🧠 ISP header for bootloader and SPI programming
📶 5x I²C headers with VCC, GND, SDA, SCL
🖲️ All digital (D2–D13) and analog (A0–A5) pins exposed with GND & 5V
⚡ Power input via DC jack (7–30V) and onboard voltage regulators:
LM2985-5.0 → 5V
AMS1117-3.3 → 3.3V for sensors/ESP
🧪 Test/learning-friendly layout with silkscreen labels
🔘 Onboard RESET button, Power LED, and D13 LED
🧩 Pinout Overview
🔌 Digital Pins (D2–D13)
All 3-pin headers: [GND | Dn | 5V]
PWM: D3, D5, D6, D9, D10, D11
SPI: D10 (SS), D11 (MOSI), D12 (MISO), D13 (SCK)
📈 Analog Pins (A0–A5)
Also usable as digital (D14–D19)
📡 I²C (5x Headers)
GND | +3.3V | +5V | SDA | SCL
⚙️ UART & FTDI Header (6-pin)
DTR | TX | RX | +5V | GND | NC
🛠 ISP Header (2×3)
MISO | VCC
SCK | MOSI
RST | GND
🛠 Getting Started
🔧 Uploading Code
Connect an FTDI module to the 6-pin FTDI header
In Arduino IDE:
Select Board: Arduino Uno
Choose correct COM port
Upload your sketch!
🔌 Powering the Board
Use DC Barrel Jack (7–30V)
5V & 3.3V rails automatically regulated onboard
🔍 I²C Sensor Example
Plug sensor into any I²C header and use code like:
#include <Wire.h> void setup() { Wire.begin(); // I2C init Serial.begin(9600); } void loop() { Wire.beginTransmission(0x76); // Example address Wire.write(0xF4); // Example command Wire.endTransmission(); delay(1000); }

🧠 Educational Ideas
Solder-it-yourself Arduino kit
I²C sensor lab: OLED, BME280, RTC
Learn SPI, I2C, UART, PWM
Expand with ESP8266 via UART/I²C
🌐 More About Me
Website: https://electroiot.in
Email: electroiot.in@gmail.com
GitHub: github.com/ElectroIoT
YouTube: @ElectroIoT-IN
📄 License
MIT License – use it freely for education, learning, or hacking!
EasyArduino
*PCBWay community is a sharing platform. We are not responsible for any design issues and parameter issues (board thickness, surface finish, etc.) you choose.
Raspberry Pi 5 7 Inch Touch Screen IPS 1024x600 HD LCD HDMI-compatible Display for RPI 4B 3B+ OPI 5 AIDA64 PC Secondary Screen(Without Speaker)
BUY NOW- Comments(0)
- Likes(8)
-
CHANDAN JENA
Aug 30,2025
-
MANORANJAN DAS
Aug 30,2025
-
TAPASWINI SAHOO
Aug 30,2025
-
BB RAKESH
Aug 30,2025
-
Engineer
Aug 30,2025
-
PRASANTA PAL
Aug 30,2025
-
Engineer
Aug 22,2025
-
Manoranjan Das
Aug 09,2025
- 5 USER VOTES
- YOUR VOTE 0.00 0.00
- 1
- 2
- 3
- 4
- 5
- 6
- 7
- 8
- 9
- 10
- 1
- 2
- 3
- 4
- 5
- 6
- 7
- 8
- 9
- 10
- 1
- 2
- 3
- 4
- 5
- 6
- 7
- 8
- 9
- 10
- 1
- 2
- 3
- 4
- 5
- 6
- 7
- 8
- 9
- 10
-
10design
-
10usability
-
10creativity
-
10content
-
10design
-
10usability
-
10creativity
-
10content
-
9design
-
9usability
-
9creativity
-
8content
-
10design
-
10usability
-
8creativity
-
9content
-
10design
-
10usability
-
10creativity
-
10content
More by MANORANJAN DAS
-
EasyArduino
EasyArduino by ElectroIoTThe ultimate beginner’s board to learn, build, and master Arduino the easy ...
-
🚀 ESP & Arduino Universal USB Flasher (CH340C Based)
OverviewThis project is a universal USB-to-Serial flasher board based on the CH340C USB-UART bridge....
-
Advanced 4-Channel 5V Relay Module with Onboard LM2596 Power Supply
IntroductionRelay modules are essential in home automation and electronics projects, allowing microc...
-
DIY XL4015 5V/5A USB Power Supply – Perfect for Raspberry Pi & More
DIY XL4015 5V/5A USB Power Supply – Perfect for Raspberry Pi & MoreBuilding a reliable 5V power ...
-
7805 Voltage Regulator SMD
Story️ Project DetailsName: 7805 Voltage RegulatorType: Linear Voltage RegulatorInput Voltage: 7V to...
-
Multi-Voltage-Regulator-PCB-(12V-9V-5V-3.3V)
Multi-Voltage Regulator PCB (12V, 9V, 5V, 3.3V) Project OverviewThis project demonstrates the design...
-
7805 Voltage Regulator
Project OverviewThis project demonstrates how to build a simple Voltage Regulator using the 7805 int...
-
🔌 ESP32-C3-Based 8-Channel Smart Home Automation Relay Board
Detailed Project DescriptionThis project is a compact, powerful, and cost-effective 8-channel smart ...
-
ESP8266 NTP Clock with 16x2 I2C LCD Display
This project uses an ESP8266 NodeMCU to create a 12-hour format NTP clock with AM/PM, date, and day ...
-
ESP8266 Nodemcu 4 Ch Relay Module For IoT Project
OverviewThis project allows you to control four relays using an ESP8266 (NodeMCU) via the Arduino Io...
-
ESP32 Water Level Monitor And Automictic Motor Control 30A relay
ESP32 Water Level Monitor And Automictic Motor Control 30A relayUsed ESP32 ModuleOled DisplayUltraso...
-
4 CH Relay Module With ESP32 For Home Automation ,Alexa,Google Home
Hello All My FriendThis is Simple Easy To USE 4 Ch Relay Module With ESP32 SupportUse This Board For...
-
8Ch Relay With ESP8266 Wemos D1 Mini Work With Amazon Alexa And Google Home
This Project8Ch Relay With ESP8266 Wemos D1 Mini Work With Amazon Alexa And Google HomeSimple parts ...
-
PiTrezor : A DIY bitcoin hardware wallet based on trezor and raspberry pi zero
Hello Everyone This is One Of Best Project Who Want To Make OWN hardware wallet At low Cost or Make ...
-
100mm X 50nn DIY Universal Board
100mm X 50nn DIY Universal Board
-
Simple Internet Clock Using ESP8266 DHT11
Hello Everyone This Project is Simple Internet Clock Using Esp8266 And DHT11 Upload Video And More T...
-
Micro USB FTDI Board With Dual Header
Micro USB FTDI Board With Dual Header
-
Micro USB FTDI Module FT232RL
Hello Everyone All FTDi Module In Market is Mini USB Version And Its Little Complicated To Find Mini...
-
-
ARPS-2 – Arduino-Compatible Robot Project Shield for Arduino UNO
879 0 2 -
-
A Compact Charging Breakout Board For Waveshare ESP32-C3
1441 3 6 -
AI-driven LoRa & LLM-enabled Kiosk & Food Delivery System
1393 2 0 -
-
-
-
ESP32-C3 BLE Keyboard - Battery Powered with USB-C Charging
1580 0 1 -
-
mammoth-3D SLM Voron Toolhead – Manual Drill & Tap Edition
1205 0 1







