Andrei Bochkarev
TURKEY • + Follow
Edit Project
Components
|
|
ATMEGA328PB-ANR |
x 1 |
Description
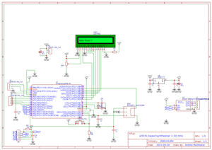
si5351 module based 1-30 mhz synthesizer for receivers and tranceivers
Adafruit si5351 based synthesizer. May be used for wide band radio (1-30 mHz). You can change IF in the skech or use for direct convertion receivers. I disigned PCB for receiver in a standart plastic enclosure as this https://www.made-in-turkey.top/index.php?rt=product/product&product_id=141
Code
Schematic and Layout
Nov 12,2023
1,678 views
si5351 module based 1-30 mhz synthesizer for receivers and tranceivers
1678
1
0
Published: Nov 12,2023
Standard PCB
Download Gerber file 19
Purchase
Donation Received ($)
PCBWay Donate 10% cost To Author
Only PCB
*PCBWay community is a sharing platform. We are not responsible for any design issues and parameter issues (board thickness, surface finish, etc.) you choose.
Copy this HTML into your page to embed a link to order this shared project
Copy
Under the
Attribution-ShareAlike (CC BY-SA)
License.
Raspberry Pi 5 7 Inch Touch Screen IPS 1024x600 HD LCD HDMI-compatible Display for RPI 4B 3B+ OPI 5 AIDA64 PC Secondary Screen(Without Speaker)
BUY NOW- Comments(0)
- Likes(1)
Upload photo
You can only upload 5 files in total. Each file cannot exceed 2MB. Supports JPG, JPEG, GIF, PNG, BMP
0 / 10000
It looks like you have not written anything. Please add a comment and try again.
You can upload up to 5 images!
Image size should not exceed 2MB!
File format not supported!
View More
-
HA8IG Op.Imre
Jan 20,2024
View More
VOTING
0 votes
- 0 USER VOTES
0.00
- YOUR VOTE 0.00 0.00
- 1
- 2
- 3
- 4
- 5
- 6
- 7
- 8
- 9
- 10
Design
1/4
- 1
- 2
- 3
- 4
- 5
- 6
- 7
- 8
- 9
- 10
Usability
2/4
- 1
- 2
- 3
- 4
- 5
- 6
- 7
- 8
- 9
- 10
Creativity
3/4
- 1
- 2
- 3
- 4
- 5
- 6
- 7
- 8
- 9
- 10
Content
4/4
More by Andrei Bochkarev
-
Quazi Analog Tahometer for gaz engines
Atmega328 based Quazi Analog Tahometer for gaz engines. Cars and light aircraft. The tacho is disign...
-
UP Converter fo RTL-SDR Dongle
Jak widać schemat zawiera filtr dolnoprzepustowy składający z cewek L1-L3 oraz kondensatorów C2-C5. ...
-
Hi-end classic amplifiler Hitachi with modern transistors
Wiele osób uważa, że stare i prawie zapomniane schematy wzmacniacza mają dobry i czysty dźwięk. Oczy...
-
Pico based radio controled motor driver
Pico based motor driver.Radio control enable.
-
Very simple SWR meter
Typically, amateur designs use an SWR meter based on a directional coupler, which has an incident an...
-
A step motor as rotary encoder
You can use any micro step motor as rotary encoder with standart Arduino library.
-
DC-DC Step-Down converter from 15-30 to 12V
FeaturesUp to 95% EffeciencyInput Voltage Range: 15-30VOutput voltage: 12V600 mA Output curent
-
Regulated Power Supply 24V 10A
Regulated Power Supply 24V 10A. Atmega328 based.
-
ZX Spectrum clone based at STM32F401 (with VGA output and PS/2 keyboard input)
ZX Spectrum clone based at STM32F401 (with VGA output and PS/2 keyboard input)
-
MPPT solar panel controller
DIY MPPT solar panel controller. 1KW - 48V, 25 A.
-
ZX Spectrum clone based at STM32F401/BlackPill
ZX Spectrum clone based at STM32F401/BlackPill with VGA out.
-
O2 Sensor Tester ( Lambda Sensor)
O2 sensors do wear out and eventually need to be replaced. The performance of the O2 sensor tends to...
-
Rapsberry Pi IO PCB
Rapsberry Pi input-output board. Easy address modification by DIP switches. Power and INTA-INTB op...
-
Digital odometer and quasi-analogspeedometer
Digital odometer and quasi-analog speedometer. For common anode 7-seg displays.
-
Simple Arduino based frequency counter with S-meter
Simple Arduino based frequency counter with S-meter. Max F -8 mHz. You canvuse for superheterodine o...
-
Arduino based Frequency Counter with S-meter for radio receivers and/or transmiters
Arduino based Frequency Counter with S-meter for radio receivers and/or transmiters.You can use it w...
-
Arduino based Signal generator and frequency counter
Arduino based Signal generator and frequency counter.Frequency counter input up 6 mHz;Sinus signal o...
-
LNB power supply for RTL-SDR with Biass-T
LNB power supply with Biass-T for RTL-SDR. You can receive the signal from Starlink beccons andfrom ...
You may also like
-
-
ARPS-2 – Arduino-Compatible Robot Project Shield for Arduino UNO
1723 0 5 -
-
A Compact Charging Breakout Board For Waveshare ESP32-C3
2271 3 7 -
AI-driven LoRa & LLM-enabled Kiosk & Food Delivery System
2306 2 0 -
-
-
-
ESP32-C3 BLE Keyboard - Battery Powered with USB-C Charging
2465 0 2 -
-







