|
KiCad 9.0 |
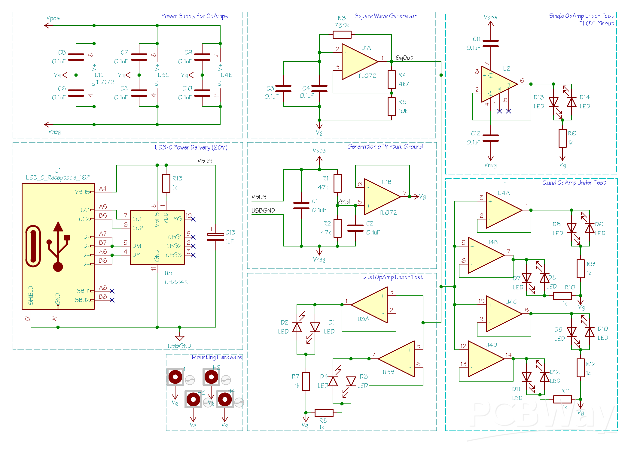
Yet Another OpAmp Tester
This is a first attempt at a general OpAmp IC tester. It's limited in scope, in that it tests whether the OpAmps are functional (can buffer a signal at unity gain), but doesn't assess other paramters of the OpAmp (e.g., noise level, slew rate, open loop gain, etc). It's based on circuits from a range of sources including IMSAI Guy on YouTube and a whole range of different projects from Elector magazine. The circuit is heavily adapted from those sources, and the most obvious difference is that it is USB-C powered, and uses a PD protocol chip which requests a 20V supply. This is divided into +10/-10V supplies to power the oscillator and the ICs under test.
A couple of comments about the design. The voltage supplied to the chips under test will be +10V/-10V, so make sure that your chip can handle that - some OpAmps, specially CMOS or low-voltage variants (e.g., LMV328) can't! For the single OpAmp, the pinout is based on the LM071 chip, so agian, please check that any single OpAmps that you want to test have the same pinout - unlike dual and quad OpAmps, the pinouts for single ones are not standardised.
Note: the gerber files were updated on the 29/9/25, but it was only cosmetic changes to the silkscreen on the front of the board (included all component values on the board.
There will soon be a build and test of this on my YouTube channel (@hackingandmaking) and on the web page at hackingandmaking.com.
Yet Another OpAmp Tester
*PCBWay community is a sharing platform. We are not responsible for any design issues and parameter issues (board thickness, surface finish, etc.) you choose.
Raspberry Pi 5 7 Inch Touch Screen IPS 1024x600 HD LCD HDMI-compatible Display for RPI 4B 3B+ OPI 5 AIDA64 PC Secondary Screen(Without Speaker)
BUY NOW- Comments(0)
- Likes(3)
-
Engineer
Sep 27,2025
-
RODNEY THAYER
Sep 27,2025
-
Peter Ashton
Sep 25,2025
- 0 USER VOTES
- YOUR VOTE 0.00 0.00
- 1
- 2
- 3
- 4
- 5
- 6
- 7
- 8
- 9
- 10
- 1
- 2
- 3
- 4
- 5
- 6
- 7
- 8
- 9
- 10
- 1
- 2
- 3
- 4
- 5
- 6
- 7
- 8
- 9
- 10
- 1
- 2
- 3
- 4
- 5
- 6
- 7
- 8
- 9
- 10
More by Peter Ashton
-
ARPS-2 – Arduino-Compatible Robot Project Shield for Arduino UNO
103 0 0 -
A Compact Charging Breakout Board For Waveshare ESP32-C3
586 3 4 -
AI-driven LoRa & LLM-enabled Kiosk & Food Delivery System
570 2 0 -
-
-
-
ESP32-C3 BLE Keyboard - Battery Powered with USB-C Charging
782 0 1 -
-
mammoth-3D SLM Voron Toolhead – Manual Drill & Tap Edition
723 0 1 -
-
AEL-2011 Power Supply Module
1420 0 2







