i_bell
UNITED STATES OF AMERICA • + Follow
Edit Project
Components
|
|
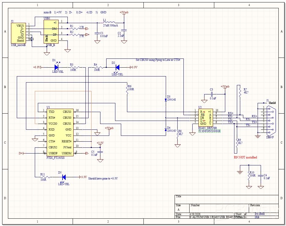
USB Micro B SMTWürth Elektronik 629105150921
|
x 1 | |
|
|
FTDI FT230XS-R |
x 1 | |
|
|
RS-485 Full DuplexTI TI SN65HVD3083E
|
x 1 |
Tools, APP Software Used etc.
|
FTDI CHIP PROGRAMMER |
Description
USB_RS485 RevB
USB serial adapter to RS485 or RS422. USB B or USB Micro B. Use FTDI FT-Prog to se up the CTS and RTS enable for transmit and receive.
Schematic and Layout
Apr 29,2026
14 views
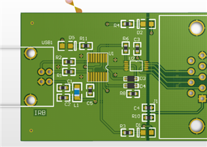
USB_RS485 RevB
2 Layers PCB 32.5 x 49.5 mm FR-4, 1.6 mm, 1, HASL with lead, Green Solder Mask, White silkscreen
USB serial adapter to RS485 or RS422. USB B or USB Micro B
14
0
0
Published: Apr 29,2026
Standard PCB
BOM(Bill of materials)
Purchase
Donation Received ($)
PCBWay Donate 10% cost To Author
Only PCB
PCB+Assembly
*PCBWay community is a sharing platform. We are not responsible for any design issues and parameter issues (board thickness, surface finish, etc.) you choose.
Copy this HTML into your page to embed a link to order this shared project
Copy
Under the
Attribution-ShareAlike (CC BY-SA)
License.
Raspberry Pi 5 7 Inch Touch Screen IPS 1024x600 HD LCD HDMI-compatible Display for RPI 4B 3B+ OPI 5 AIDA64 PC Secondary Screen(Without Speaker)
BUY NOW- Comments(0)
- Likes(0)
Upload photo
You can only upload 5 files in total. Each file cannot exceed 2MB. Supports JPG, JPEG, GIF, PNG, BMP
0 / 10000
It looks like you have not written anything. Please add a comment and try again.
You can upload up to 5 images!
Image size should not exceed 2MB!
File format not supported!
View More
View More
VOTING
0 votes
- 0 USER VOTES
0.00
- YOUR VOTE 0.00 0.00
- 1
- 2
- 3
- 4
- 5
- 6
- 7
- 8
- 9
- 10
Design
1/4
- 1
- 2
- 3
- 4
- 5
- 6
- 7
- 8
- 9
- 10
Usability
2/4
- 1
- 2
- 3
- 4
- 5
- 6
- 7
- 8
- 9
- 10
Creativity
3/4
- 1
- 2
- 3
- 4
- 5
- 6
- 7
- 8
- 9
- 10
Content
4/4
More by i_bell
-
USB_RS485 RevB
USB serial adapter to RS485 or RS422. USB B or USB Micro B. Use FTDI FT-Prog to se up the CTS and RT...
-
USB B to RS-485 DB-9
It's a USB B to FTDI to RS485 on a DB9
-
USB OP-AMP Buffer Driver
USB FTDI 240XS 8 BIT I/O, connected to 4 dual op amps as level shifters. TLV2372 Dual OP-amp 3-MHz ...
-
USB controled 1 of 16 relays
This is and update to a 1 of 16 MUX. I switched to relays so I can connect it to DVM and measure Ohm...
-
1 of 4 RF switch USB Controlled
I am hoping this works out, it is my first attempt with PCB way with a non-FR4 board material. Stirp...
-
1 of 16 USB controled Mux for O'Sope or Meter
### DESCRIPTION1 of 16 MUX for oscilloscope, with a 10X probe on the PCB. The Layout can support a T...
-
2 Line, Quad, 1 inch, 7 segment Displays
### DESCRIPTION2 Line, shift out, 4 digit, 1 inch 7 segment displays.### TECHNICAL DETAILS / COMPONE...
You may also like
-
-
ARPS-2 – Arduino-Compatible Robot Project Shield for Arduino UNO
1817 0 5 -
-
A Compact Charging Breakout Board For Waveshare ESP32-C3
2396 3 7 -
AI-driven LoRa & LLM-enabled Kiosk & Food Delivery System
2463 2 0 -
-
-
-
ESP32-C3 BLE Keyboard - Battery Powered with USB-C Charging
2595 0 2 -
-







