BANJYO HARAN
JAPAN • + Follow
Edit Project
Description
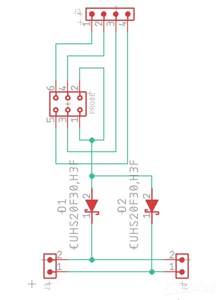
Probe Connector to interface with Breadboard for Raspberry Pi Pico Debug Probe
This connector PCB is used to connect the Raspberry Pi Pico Debug Probe to the Breadboard. (It is actually used to connect the Probe Plug)
- Raspberry Pi Pico Debug Probe and Probe Plug are the other project.
Schematic and Layout
Jun 06,2024
534 views
Probe Connector to interface with Breadboard for Raspberry Pi Pico Debug Probe
534
0
0
Published: Jun 06,2024
Standard PCB
Download Gerber file 0
BOM(Bill of materials)
Purchase
Donation Received ($)
PCBWay Donate 10% cost To Author
Only PCB
PCB+Assembly
*PCBWay community is a sharing platform. We are not responsible for any design issues and parameter issues (board thickness, surface finish, etc.) you choose.
Copy this HTML into your page to embed a link to order this shared project
Copy
Under the
Attribution-ShareAlike (CC BY-SA)
License.
- Comments(0)
- Likes(0)
Upload photo
You can only upload 5 files in total. Each file cannot exceed 2MB. Supports JPG, JPEG, GIF, PNG, BMP
0 / 10000
It looks like you have not written anything. Please add a comment and try again.
You can upload up to 5 images!
Image size should not exceed 2MB!
File format not supported!
View More
View More
VOTING
0 votes
- 0 USER VOTES
0.00
- YOUR VOTE 0.00 0.00
- 1
- 2
- 3
- 4
- 5
- 6
- 7
- 8
- 9
- 10
Design
1/4
- 1
- 2
- 3
- 4
- 5
- 6
- 7
- 8
- 9
- 10
Usability
2/4
- 1
- 2
- 3
- 4
- 5
- 6
- 7
- 8
- 9
- 10
Creativity
3/4
- 1
- 2
- 3
- 4
- 5
- 6
- 7
- 8
- 9
- 10
Content
4/4
More by BANJYO HARAN
-
Raspberry Pi Pico Debug Probe
Raspberry Pi Pico Debug Probe is a USB device that provides both a UART serial port and a standard A...
-
Sensor-less Soldering Iron Temperature Controller
Sensor-less Soldering Iron Temperature ControllerInexpensive temperature controllers for soldering i...
-
Breakout Board for SOT23 P-ch MOSFET
Breakout board for using SOT23 P-ch MOSFET on a breadboardThe SOT23 conversion PCB is commercially a...
-
Breakout Board for SOT23 N-ch MOSFET
Breakout board for using SOT23 N-ch MOSFET on a breadboardThe SOT23 conversion PCB is commercially a...
-
Breakout Board for TSSOP14 convert to DIP14
Breakout Board for TSSOP14 (logic IC, e.g. 74 series) convert to DIP14 with bypass capacitor.Commerc...
-
Breakout Board for SSOP5-0.65 convert to DIP4
Breakout Board for SSOP5-0.65 (single logic IC, single input single output, e.g TOSHIBA TC7S04FU,LF)...
-
Breakout Board for SSOP5-0.65 convert to DIP6
Breakout Board for SSOP5-0.65 (single logic IC, dual input single output, e.g TOSHIBA TC7S FU,LF ser...
-
Breakout Board for TSSOP16 convert to DIP16
Breakout Board for TSSOP16 (logic IC, e.g. 74 series) convert to DIP16 with bypass capacitor.Commerc...
-
Probe Connector to interface with Breadboard for Raspberry Pi Pico Debug Probe
This connector PCB is used to connect the Raspberry Pi Pico Debug Probe to the Breadboard. (It is ac...
-
Probe Plug PCB for Raspberry Pi Pico Debug Probe
Probe Plug PCB for Raspberry Pi Pico Debug Probe
-
Breadboard Power Terminal Module
Breadboard Power Terminal Module DC3.3V/5VCommercially available Power Terminal Modules are inexpens...
You may also like
-
-
AEL-2011 Power Supply Module
521 0 2 -
AEL-2011 50W Power Amplifier
480 0 2 -
-
-
Custom Mechanical Keyboard
692 0 0 -
Tester for Touch Screen Digitizer without using microcontroller
324 2 2 -
Audio reactive glow LED wristband/bracelet with NFC / RFID-Tags
309 0 1 -
-
-







