Industrial UVW Phase Sequence Analyzer for BLDC Motors
Industrial UVW Phase Sequence Analyzer for BLDC Motors
Introduction :
Brushless DC (BLDC) motors are widely used in industrial automation, electric vehicles, robotics, and HVAC systems due to their high efficiency and reliability. However, improper UVW phase sequence connections during installation or servicing can lead to reverse rotation, controller malfunction, excessive current draw, or irreversible motor damage. In many industrial environments, phase sequence verification is either overlooked or performed using unsafe trial-and-error methods.
This project presents a custom-designed industrial UVW phase sequence tester that enables safe, accurate, and repeatable verification of BLDC motor phase wiring before motor energization.
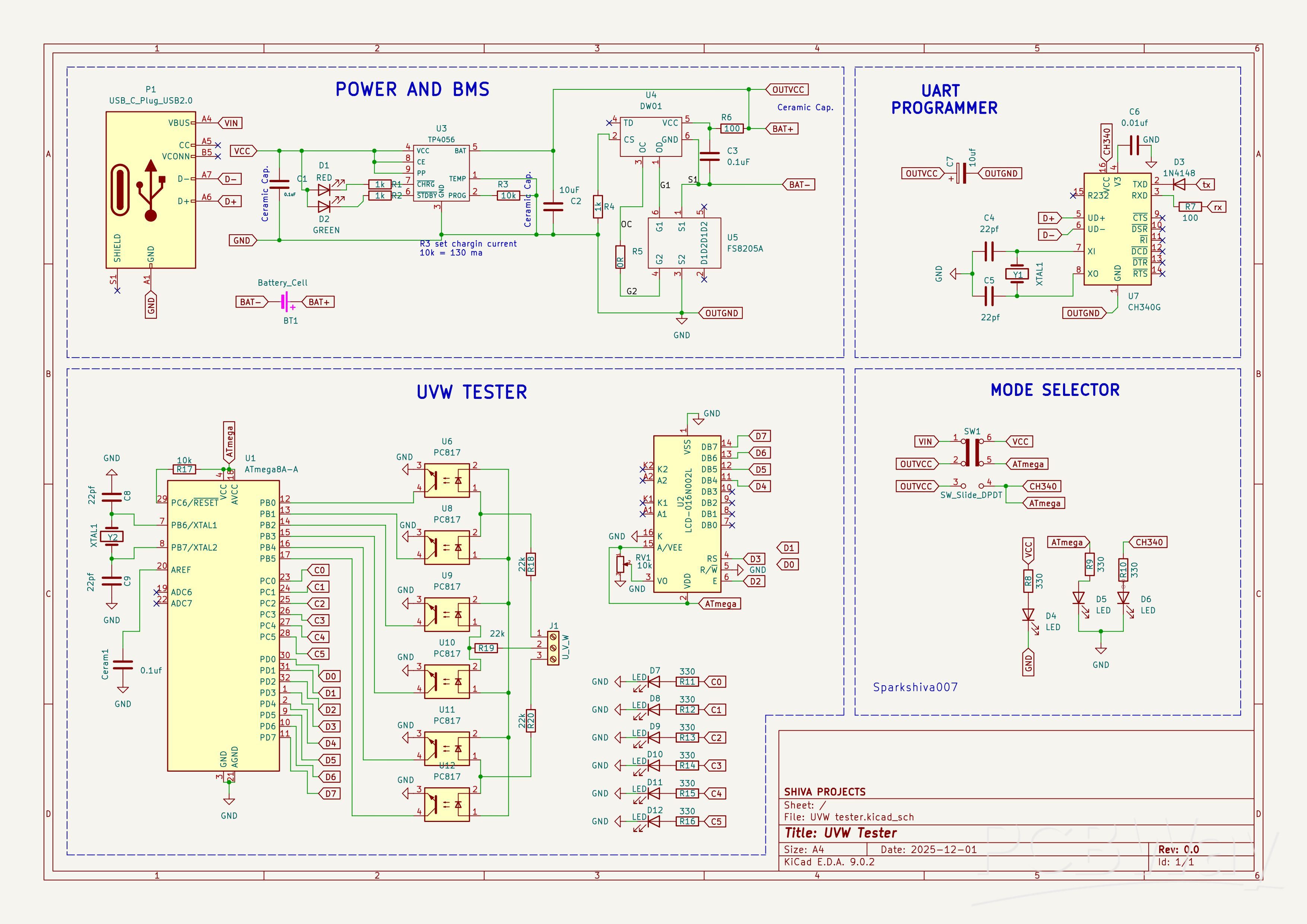
System Architecture :
The device is built around an ATmega8A AVR microcontroller, selected intentionally for its adequate computational capability, low power consumption, high reliability, and cost effectiveness. Rather than using a development board, the microcontroller is integrated directly into a custom PCB, reflecting real-world embedded product design practices.
The system architecture is divided into four functional blocks:
- Signal isolation and protection
- Embedded control and logic processing
- User interface and indication
- Power management and programming interface

Signal Isolation and Protection :
To ensure complete electrical safety, all incoming U, V, and W phase signals are routed through PC817 optocouplers, providing galvanic isolation between the high-energy motor environment and the low-voltage control electronics.
This isolation:
• Protects the microcontroller from voltage spikes and noise
• Prevents ground loops and accidental short circuits
• Enables safe testing in industrial conditions
The use of opto-isolation makes the device suitable for field use, even in electrically noisy environments.
Embedded Control and Phase Analysis :
The ATmega8A continuously monitors the isolated UVW inputs and processes the timing and sequence relationships between the three phases. Based on the detected order, the firmware determines whether the phase sequence is correct or incorrect.
The logic is implemented entirely in firmware, allowing:
• Deterministic and repeatable operation
• Future feature expansion via firmware updates
• Adaptability to different BLDC motor standards
This approach avoids mechanical relays or unsafe probing methods, increasing both accuracy and reliability.
User Interface and Indication :
The tester includes a 16×2 character LCD that provides clear textual feedback regarding the detected phase sequence and system status. In addition, LED indicators offer instant visual confirmation, enabling quick diagnostics even without closely observing the display.
The combination of LCD and LED indicators ensures:
• Easy interpretation by technicians
• Reduced testing time
• Error-free commissioning
Programmability and Firmware Customization :
A dedicated USB-to-UART programming interface using the CH340G allows direct firmware upload and updates. This enables the device to function as a programmable industrial instrument, rather than a fixed-function tester.
Firmware customization allows:
• Modification of detection logic
• Adaptation to different motor types
• Feature upgrades without hardware changes
Once programmed, the device operates independently as a standalone diagnostic tool.
Power Management :
The system incorporates an onboard Li-ion battery charging and protection circuit, including over-charge, over-discharge, and short-circuit protection. This allows the tester to be used as a portable field device, eliminating dependency on external power sources during maintenance or commissioning.
Applications :
This UVW phase sequence tester is suitable for:
• BLDC motor manufacturing and quality control
• Industrial motor installation and commissioning
• Service and maintenance diagnostics
• Embedded systems education and laboratory use
Conclusion :
This project demonstrates a practical, industry-oriented embedded hardware solution that prioritizes electrical safety, reliability, and usability. By combining optical isolation, embedded control, programmable firmware, and a custom PCB design, the UVW phase sequence tester bridges the gap between academic prototypes and real industrial diagnostic tools.
github repository link : https://github.com/Sparkshiva007/UVW-Tester-v1.0/tree/main
Key Highlights :
• Custom PCB design (not a development board)
• Opto-isolated industrial signal handling
• ATmega8A-based embedded control
• Programmable firmware via UART
• Portable, protected power system
Industrial UVW Phase Sequence Analyzer for BLDC Motors
*PCBWay community is a sharing platform. We are not responsible for any design issues and parameter issues (board thickness, surface finish, etc.) you choose.
Raspberry Pi 5 7 Inch Touch Screen IPS 1024x600 HD LCD HDMI-compatible Display for RPI 4B 3B+ OPI 5 AIDA64 PC Secondary Screen(Without Speaker)
BUY NOW- Comments(0)
- Likes(2)
-
Electronic Adam
Mar 04,2026
-
Shivashankar P
Feb 01,2026
- 0 USER VOTES
- YOUR VOTE 0.00 0.00
- 1
- 2
- 3
- 4
- 5
- 6
- 7
- 8
- 9
- 10
- 1
- 2
- 3
- 4
- 5
- 6
- 7
- 8
- 9
- 10
- 1
- 2
- 3
- 4
- 5
- 6
- 7
- 8
- 9
- 10
- 1
- 2
- 3
- 4
- 5
- 6
- 7
- 8
- 9
- 10
More by Shivashankar P
-
-
ARPS-2 – Arduino-Compatible Robot Project Shield for Arduino UNO
878 0 2 -
-
A Compact Charging Breakout Board For Waveshare ESP32-C3
1441 3 6 -
AI-driven LoRa & LLM-enabled Kiosk & Food Delivery System
1391 2 0 -
-
-
-
ESP32-C3 BLE Keyboard - Battery Powered with USB-C Charging
1580 0 1 -
-
mammoth-3D SLM Voron Toolhead – Manual Drill & Tap Edition
1205 0 1







