Konrad Wohlfahrt
GERMANY • + Follow
Edit Project
Description
DIY Geiger Counter
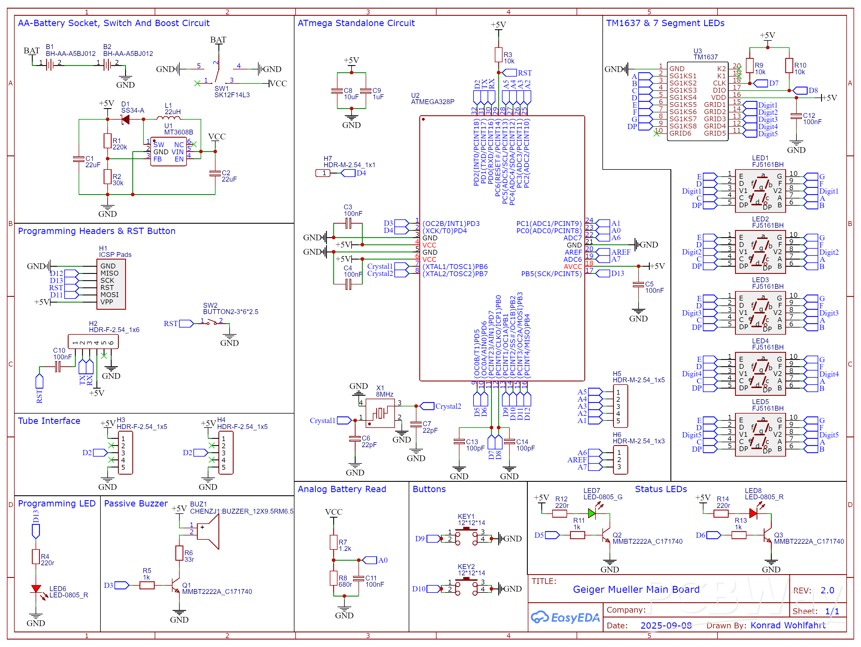
This project is a DIY Geiger counter built from scratch, designed for electronics enthusiasts and makers who want to explore radiation detection while learning new skills like PCB assembly and hotplate soldering. The counter features a retro-style five-digit seven-segment display and is fully functional with configurable settings. You can check out the blog on Instructables: https://github.com/KonradWohlfahrt/GeigerCounter
Schematic and Layout
Nov 25,2025
321 views
DIY Geiger Counter
A portable Geiger Counter with a five-digit seven-segment display.
321
0
0
Published: Nov 25,2025
Standard PCB
Download Gerber file 0
BOM(Bill of materials)
Purchase
Donation Received ($)
PCBWay Donate 10% cost To Author
Only PCB
PCB+Assembly
*PCBWay community is a sharing platform. We are not responsible for any design issues and parameter issues (board thickness, surface finish, etc.) you choose.
Copy this HTML into your page to embed a link to order this shared project
Copy
Under the
Attribution-ShareAlike (CC BY-SA)
License.
Raspberry Pi 5 7 Inch Touch Screen IPS 1024x600 HD LCD HDMI-compatible Display for RPI 4B 3B+ OPI 5 AIDA64 PC Secondary Screen(Without Speaker)
BUY NOW- Comments(0)
- Likes(0)
Upload photo
You can only upload 5 files in total. Each file cannot exceed 2MB. Supports JPG, JPEG, GIF, PNG, BMP
0 / 10000
It looks like you have not written anything. Please add a comment and try again.
You can upload up to 5 images!
Image size should not exceed 2MB!
File format not supported!
View More
View More
VOTING
0 votes
- 0 USER VOTES
0.00
- YOUR VOTE 0.00 0.00
- 1
- 2
- 3
- 4
- 5
- 6
- 7
- 8
- 9
- 10
Design
1/4
- 1
- 2
- 3
- 4
- 5
- 6
- 7
- 8
- 9
- 10
Usability
2/4
- 1
- 2
- 3
- 4
- 5
- 6
- 7
- 8
- 9
- 10
Creativity
3/4
- 1
- 2
- 3
- 4
- 5
- 6
- 7
- 8
- 9
- 10
Content
4/4
More by Konrad Wohlfahrt
-
Focus Wheel
The Focus Wheel is a customizable desk companion designed to help you stay focused, manage study ses...
-
Focus Wheel V2
The Focus Wheel is a standalone, battery-powered focus timer designed to help you stay in the zone d...
-
DIY Geiger Counter
This project is a DIY Geiger counter built from scratch, designed for electronics enthusiasts and ma...
-
Glowtie V2
The Glowtie became one of my favorite projects. My first version had a pretty solid base. It include...
-
DIY Breath Analyzer With The MQ3
I always wanted to build some project with a MQ Sensor. The MQ3 alcohol gas concentration sensor is ...
You may also like
-
-
ARPS-2 – Arduino-Compatible Robot Project Shield for Arduino UNO
920 0 2 -
-
A Compact Charging Breakout Board For Waveshare ESP32-C3
1483 3 6 -
AI-driven LoRa & LLM-enabled Kiosk & Food Delivery System
1437 2 0 -
-
-
-
ESP32-C3 BLE Keyboard - Battery Powered with USB-C Charging
1625 0 1 -
-
mammoth-3D SLM Voron Toolhead – Manual Drill & Tap Edition
1224 0 1







