|
Altium DesignerAltium Designer
|
Arduino uno with type-c connector
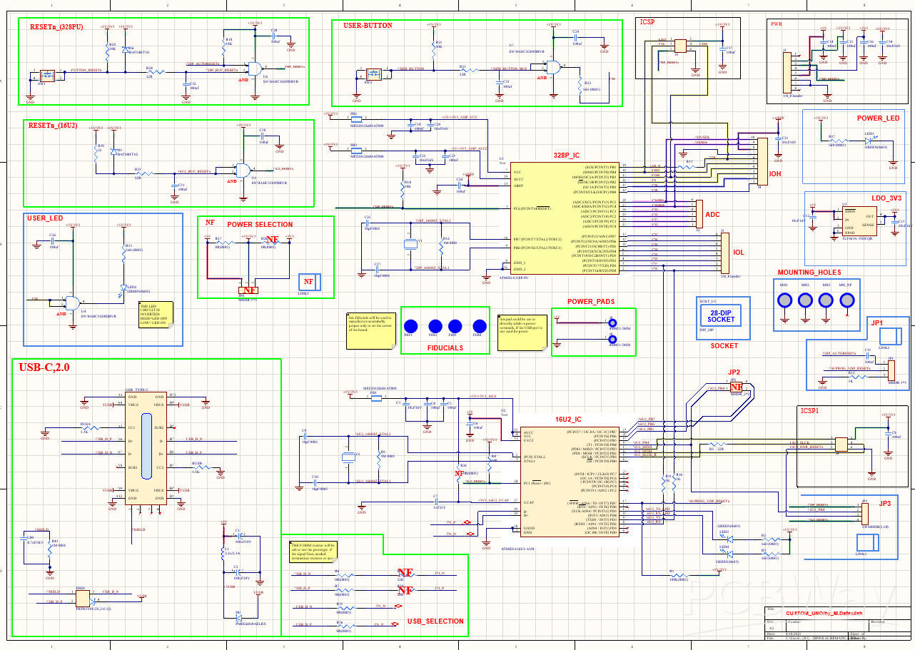
This project involves the redesign and professional PCB fabrication of the popular Arduino Uno R3 development board, with modern improvements to enhance usability and compatibility. The main feature is the integration of a USB Type-C port for programming and power delivery, replacing the legacy USB-B connector.
The redesigned board maintains full compatibility with Arduino Uno libraries, shields, and the ATmega328P microcontroller while optimizing the PCB layout for reliability, manufacturability, and modern standards.
USB Type-C Connector – Replaces the outdated USB-B connector for better durability, reversible insertion, and improved compatibility with modern devices.
Optimized PCB Layout – Professionally routed with proper grounding, decoupling capacitors, and EMI considerations for reliable operation.
High-Quality Power Section – Improved voltage regulator and protection circuitry for stable 5V/3.3V rails.
Standard Arduino Uno Form Factor – Maintains pinout compatibility with Arduino shields and existing software ecosystem.
Improved User Experience – Easier to power and program using widely available Type-C cables.
Microcontroller: ATmega328P (16 MHz, 32 KB Flash, 2 KB SRAM, 1 KB EEPROM)
USB-to-Serial: ATmega16U2 (with Arduino bootloader support)
Connectivity: USB Type-C (for power and programming)
Power Options: USB (5V), external DC barrel jack (7–12V), or VIN pin
I/O Compatibility: Fully compatible with Arduino Uno R3 shields and sketches
Board Layers: 2-layer PCB, 1 oz copper
Arduino uno with type-c connector
*PCBWay community is a sharing platform. We are not responsible for any design issues and parameter issues (board thickness, surface finish, etc.) you choose.
Raspberry Pi 5 7 Inch Touch Screen IPS 1024x600 HD LCD HDMI-compatible Display for RPI 4B 3B+ OPI 5 AIDA64 PC Secondary Screen(Without Speaker)
BUY NOW- Comments(4)
- Likes(1)
-
Engineer
Aug 20,2025
- 0 USER VOTES
- YOUR VOTE 0.00 0.00
- 1
- 2
- 3
- 4
- 5
- 6
- 7
- 8
- 9
- 10
- 1
- 2
- 3
- 4
- 5
- 6
- 7
- 8
- 9
- 10
- 1
- 2
- 3
- 4
- 5
- 6
- 7
- 8
- 9
- 10
- 1
- 2
- 3
- 4
- 5
- 6
- 7
- 8
- 9
- 10
More by Engineer
-
-
ARPS-2 – Arduino-Compatible Robot Project Shield for Arduino UNO
1537 0 5 -
-
A Compact Charging Breakout Board For Waveshare ESP32-C3
2051 3 7 -
AI-driven LoRa & LLM-enabled Kiosk & Food Delivery System
2087 2 0 -
-
-
-
ESP32-C3 BLE Keyboard - Battery Powered with USB-C Charging
2239 0 1 -







