Syaiful YE3CIF.COM
INDONESIA • + Follow
Edit Project
Description
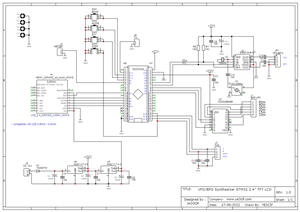
Vfo Bfo Stm32f103c8t6 Si5351A display 2.4inch
Vfo Bfo Stm32f103c8t6 Si5351A display 2.4inch for Bitx Radio
fitur
> BFO adjust
> Clock Freq Adjust
> 6 Band 80, 40, 30, 20, 15, 10meter ( control band CD4028 active high)
> add tcxo 25mhz for stability frequency output
Video
Oct 10,2024
1,851 views
Vfo Bfo Stm32f103c8t6 Si5351A display 2.4inch
Vfo Bfo Stm32f103c8t6 Si5351A display 2.4inch for Bitx Radio
1851
1
0
Published: Oct 10,2024
Standard PCB
Purchase
Donation Received ($)
PCBWay Donate 10% cost To Author
Only PCB
*PCBWay community is a sharing platform. We are not responsible for any design issues and parameter issues (board thickness, surface finish, etc.) you choose.
Copy this HTML into your page to embed a link to order this shared project
Copy
Under the
Attribution-ShareAlike (CC BY-SA)
License.
Raspberry Pi 5 7 Inch Touch Screen IPS 1024x600 HD LCD HDMI-compatible Display for RPI 4B 3B+ OPI 5 AIDA64 PC Secondary Screen(Without Speaker)
BUY NOW- Comments(0)
- Likes(1)
Upload photo
You can only upload 5 files in total. Each file cannot exceed 2MB. Supports JPG, JPEG, GIF, PNG, BMP
0 / 10000
It looks like you have not written anything. Please add a comment and try again.
You can upload up to 5 images!
Image size should not exceed 2MB!
File format not supported!
View More
-
Wilson Bernardes
Feb 13,2025
View More
VOTING
0 votes
- 0 USER VOTES
0.00
- YOUR VOTE 0.00 0.00
- 1
- 2
- 3
- 4
- 5
- 6
- 7
- 8
- 9
- 10
Design
1/4
- 1
- 2
- 3
- 4
- 5
- 6
- 7
- 8
- 9
- 10
Usability
2/4
- 1
- 2
- 3
- 4
- 5
- 6
- 7
- 8
- 9
- 10
Creativity
3/4
- 1
- 2
- 3
- 4
- 5
- 6
- 7
- 8
- 9
- 10
Content
4/4
More by Syaiful YE3CIF.COM
-
SDR Transceiver 10-160 meter band
This SDR was designed from some of my experiments so far, from various sources with improvements her...
-
VFO/BFO Si5351 STM32F103C8T6 Layout Versi 1.3
VFO/BFO STM32F103C8T6 Layout Ver 1.3for Ham RadioSchematic and firmware design by :UT5QBC dan UV7QAE...
-
HF Amplifier Mono Band 2x RD15HVF1
HF Amplifier Mono Band final 2x RD15HVF1 , driver 2sc1971 used from aliexpress Power up 25watt with ...
-
Bitx Radio Mono Band
With a smaller and more compact size, it is very suitable for use on the 160-11 meter band for porta...
-
Vfo Bfo Stm32f103c8t6 Si5351A display 2.4inch
Vfo Bfo Stm32f103c8t6 Si5351A display 2.4inch for Bitx Radio fitur> BFO adjust> Clock Freq Adj...
-
SDR Transceiver – LMRSDR V1.6.B (exciter only)
Size PCB 138mm X 107mmExciter+TCXO =LMR SDR+TCXO > with TCXO (optional) , more Stable frequency c...
-
SSB Transceiver MC1496 (Exciter)
SSB Transceiver MC1496 (Exciter only)This time I want to try to assemble this radio again, which is ...
-
Radio Bitx 9 Band SSB HF Transceiver
It's not much different from the previous version, only this is the version without the VFO DDS, so ...
-
SDR Transceiver 15 Watt – LMRSDR V1.7
The new SDR Radio design for August 2023, namely LMRSDR V1.7, is still like the previous version, th...
-
2 Way Active Crossover
This is a fairly simple 2 way crossover circuit, using 3pcs TL074 ic. It is perfect for you to apply...
-
HF Amplifier 10-50Watt
In the design there is also a place for other types of transistors that could be an option (irf510, ...
-
Front Panel Radio BITX Transceiver Multiband v1.1 |
This time YE3CIF will assemble Bitx Multiband Radio, complete with DDS VFO on one board using STM32F...
-
Radio BITX Transceiver Multiband v1.1 | Mainboard
This time YE3CIF will assemble Bitx Multiband Radio, complete with DDS VFO on one board using STM32F...
-
HF SDR Transceiver - LMRSDR V1.5.A
Size PCB 10cm X 14,80cmExciter+TCXO =LMR SDR+TCXO > with TCXO (optional) , more Stable frequencyI...
-
VFO/BFO STM32F103C8T6 Layout Ver 1.2
VFO/BFO STM32F103C8T6 Layout Ver 1.2for Ham RadioSchematic and firmware design by :UT5QBC dan UV7QAE...
-
LMR SDR Transceiver 10-160 meter band V1.6
LMR SDR Transceiver 10-160 meter band V1.6DIY SDR HF Transceiver v1.4 with STM32F103C8T6 without Lin...
-
BITX transceiver Multiband
Currently the Bitx Transceiver is very popular among homebrewers, there are lots of new models that ...
-
Dds Vfo si5351 with STM32F103C8T6
VFO/BFO Si5351 for Ham RadioSchematic and firmware design by :UT5QBC dan UV7QAE from UkraineRedrawin...
You may also like
-
ARPS-2 – Arduino-Compatible Robot Project Shield for Arduino UNO
433 0 0 -
A Compact Charging Breakout Board For Waveshare ESP32-C3
798 3 6 -
AI-driven LoRa & LLM-enabled Kiosk & Food Delivery System
768 2 0 -
-
-
-
ESP32-C3 BLE Keyboard - Battery Powered with USB-C Charging
991 0 1 -
-
mammoth-3D SLM Voron Toolhead – Manual Drill & Tap Edition
873 0 1 -
-
AEL-2011 Power Supply Module
1603 0 2







