Speaker protection DEF 2022 | Защита АС DEF 2022
Speaker protection VM 2010 | Защита АС VM 2010
Автор проекта и статьи: Илья Стельмах | Его группа ВКонтакте
Дальнейшее совершенствование устройства защиты акустических систем от постоянного напряжения на выходе усилителя мощности.
Основное изменение, относительно версии защиты 2021 года, заключается в еще большем снижении чувствительности защиты к переменному напряжению низкой частоты, что достигнуто применением на входе защиты фильтра второго порядка (в предыдущих версиях защиты, на входе использовался фильтр первого порядка).
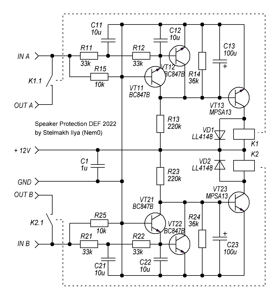
Принципиальная электрическая схема устройства защиты акустических систем DEF 2022
Принципиальная электрическая схема полностью идентично схеме DEF 2021, за исключением входного фильтра, о чем было упомянуто ранее.
Сам входной фильтр собран на элементах R11, C11, R12, C12 - в одном канале, и R21, C21, R22, C22 - в другом канале защиты. Частота среза фильтра - 0,18 Гц, подавление на частоте 20 Гц составляет -60 дБ, против 0,20 Гц и -40 дБ у защиты DEF 2021.
На схеме не показаны две перемычки J1 и J2, которые имеются на плате и выполняются в виде резисторов 0 Ом, формата 1206.
Собранная плата защиты DEF 2022 со стороны дорожек. Видны перемычки J1 и J2, выполненные в виде резисторов 1206 0 Ом
Устройство рассчитана на установку реле с катушкой, рассчитанной на управляющее напряжение 12 В.
Данное устройство защиты рассчитано для работы с не мостовыми усилителями мощности, напряжение питания которых не превышает 50 В. При большем питающем напряжении усилителя, релейная защита неэффективна, поскольку велик риск того, что при аварийном размыкании контактов реле, последние сварятся возникшей дугой.
Защита настроена таким образом, чтобы исключить ложные срабатывания при подаче на ее вход синусоиды частотой 20 Гц и среднеквадратическим значением напряжения до 30 В.
Устройство защиты так же обеспечивает задержку подключения акустической системы. Время задержки - две секунды.
Время задержки подключения акустической системы
Желтый график представленной выше осциллограммы показывает значение напряжения на коллекторе транзистора VT13 (VT23). В начальный момент времени, когда схема обесточена, напряжение на коллекторе VT13 (VT23), равно нулю. После подачи питающего напряжения, напряжение на коллекторе транзистора VT13 (VT23), резко возрастает до напряжения, равного напряжению питания схемы. Спустя некоторое время, необходимое для зарядки конденсатора C13 (C23), транзистор VT13 (VT23) - открывается, второй конец управляющей катушки реле подключается к земле через коллектор-эмиттерный переход транзистора VT13 (VT23), напряжение на его коллекторе становится близким к нулю. Реле включается и переключает свои контакты, подключая выход усилителя к акустической системе. Время от подачи питающего напряжения на схему, до момента включения реле - составляет 2 секунды, что видно из осциллограммы.
Чувствительность схемы к постоянному напряжению: +0,7 / -1,5 В.
Чувствительность к постоянному напряжению отрицательной полярности зависит от напряжения питания схемы. Указанные выше значения чувствительности схемы справедливы при напряжении питания ровно 12 В. С увеличением питающего напряжения, чувствительность схемы снижается. При напряжении питания +15 В, чувствительность схемы: +0,7 / -2,2 В.
Ниже представлены осциллограммы, показывающие время отключения реле, в зависимости от величины и полярности постоянного напряжения на выходе устройства защиты (синий график - напряжение на входе защиты, желтый график - напряжение на коллекторе транзистора VT13):
Подача постоянного напряжения +2,2 В на вход защиты. Время отключения 0,4 сек
Подача постоянного напряжения -3,7 В на вход защиты. Время отключения 1,3 сек
Подача постоянного напряжения +5 В на вход защиты. Время отключения 0,22 сек
Подача постоянного напряжения -5 В на вход защиты. Время отключения 0,56 сек
Подача постоянного напряжения +9 В на вход защиты. Время отключения 0,14 сек
Подача постоянного напряжения -9 В на вход защиты. Время отключения 0,27 сек
Подача постоянного напряжения +30 В на вход защиты. Время отключения 0,08 сек
Подача постоянного напряжения -30 В на вход защиты. Время отключения 0,12 сек
Как можно видеть из представленных осциллограмм, скорость реакции защиты на постоянное напряжение отрицательной полярности, примерно вдвое ниже, чем к постоянному напряжению положительной полярности. А сама по себе скорость реакции зависит от величины приложенного ко входу защиты постоянного напряжения: чем выше напряжения - тем быстрее отключается акустическая система. И это правильно.
Печатные платы:
Перечень радиоэлементов:
Автор статьи и проекта: Илья Стельмах | Его группа ВКонтакте
Speaker protection DEF 2022 | Защита АС DEF 2022
*PCBWay community is a sharing platform. We are not responsible for any design issues and parameter issues (board thickness, surface finish, etc.) you choose.
Raspberry Pi 5 7 Inch Touch Screen IPS 1024x600 HD LCD HDMI-compatible Display for RPI 4B 3B+ OPI 5 AIDA64 PC Secondary Screen(Without Speaker)
BUY NOW- Comments(0)
- Likes(0)
- 0 USER VOTES
- YOUR VOTE 0.00 0.00
- 1
- 2
- 3
- 4
- 5
- 6
- 7
- 8
- 9
- 10
- 1
- 2
- 3
- 4
- 5
- 6
- 7
- 8
- 9
- 10
- 1
- 2
- 3
- 4
- 5
- 6
- 7
- 8
- 9
- 10
- 1
- 2
- 3
- 4
- 5
- 6
- 7
- 8
- 9
- 10
More by Johann Urb
-
Speaker protection DEF 2021 | Защита АС DEF 2021
Все файлы для проектаУстройство предназначено для защиты акустической системы (предотвращения повреж...
-
Metal Detector Stalker-IB rev. 3.3 | Металлоискатель Stalker-IB rev. 3.3
Metal Detector Stalker-IB rev. 3.1 | Металлоискатель Stalker-IB rev. 3.1 - предыдущая версияMetal De...
-
Гибридный усилитель ROSA-HB1 | Hybrid amplifier ROSA-HB1
Автор проекта и статьи | Алексей Рослик (Alex Ground)Особенности схемы позволившие избавиться от тип...
-
Speaker protection VM 2010 | Защита АС VM 2010
Speaker protection DEF 2022 | Защита АС DEF 2022Автор проекта - Вадим Могильный (WASO)
-
Switching power supply PS500 Ver_2.0 ~ 500W | Импульсный блок питания на IR2161 ~ 500W
Автор проекта - GruVital
-
Metal Detector KROT 2 - XM V7-05 | Металлоискатель КРОТ 2 - ХМ V7-05
Автор схемы прибора - Остапчук АндрейАвтор разводки платы - ТСВМонета диаметром 25мм (грунт) до ...
-
Amplifier Only Music 2.7 | Усилитель мощности - Only Music 2.7 (ex "Оплеуха Микрухам")
Автор проекта и статьи: Илья Стельмах | Его группа ВКонтактеАвтор разводки платы: Илья СудаковАвторс...
-
Metal Detector Stalker-IB rev. 3.1 | Металлоискатель Stalker-IB rev. 3.1
Metal Detector Stalker-IB rev.3.3 | Металлоискатель Stalker-IB 3.3 - новая ревизияMetal Detector Sta...
-
Amplifier UMZCH KT-21 | Сверхлинейный УМЗЧ КТ-21 | Import BD911_912
Автор проекта и статьи | Алексей Рослик (Alex Ground)Принципиальная схемаВходной каскад представляет...
-
Amplifier UMZCH KT-21 | Сверхлинейный УМЗЧ КТ-21 | Import КТ818_819Г
Автор проекта и статьи | Алексей Рослик (Alex Ground)Принципиальная схемаВходной каскад представляет...
-
Metal Detector FORTUNE-S ver.1 rev.2 | Металлоискатель Фортуна-S
Автор платы КТ815....Для сборки металлоискателя необходимо приобрести микроконтроллер с установленны...
-
Metal Detector Stalker-IB rev.2 | Металлоискатель Stalker-IB
Metal Detector Stalker-IB rev. 3.3 | Металлоискатель Stalker-IB rev. 3.3 - новая ревизияАвтор проект...
-
Amplifier Only Music 3 | Усилитель мощности - Only Music 3 (ex "Оплеуха Микрухам")
Автор проекта и статьи: Илья Стельмах | Его группа ВКонтактеСхема усилителя. Отличается возросшей сл...
-
Amplifier Only Music 2.7 | Усилитель мощности - Only Music 2.7 (ex "Оплеуха Микрухам")
Автор проекта и статьи: Илья Стельмах | Его группа ВКонтактеДругой вариант проектаДанный усилитель, ...
-
Amplifier class D - SOPHIA miniAmp | Усилитель мощности класса D - SOPHIA miniAmp
Автор проекта и статьи | Алексей Рослик (Alex Ground)СхемаВыходной каскадПроектирование данного усил...
-
Metal Detector Quasar F3 ver.1 rev.1 | КВАЗАР F3 металлоискатель
Для сборки металлоискателя необходимо приобрести микроконтроллер с установленным загрузчиком у автор...
-
Nixie clock IN-12 v2 | Часы ИН-12 + 3D case
Автор проекта и статьи | AlexGyverПлата:Габариты платы меньше 100х100мм.Плата односторонняя, её без...
-
Metal Detector Quasar AVR board by DesAlex | Металлоискатель Квазар АВР
Автор платы DesAlex Установка fuse битов в программе PonyProgПоисковая катушка для металлоискателя К...
-
ARPS-2 – Arduino-Compatible Robot Project Shield for Arduino UNO
389 0 0 -
A Compact Charging Breakout Board For Waveshare ESP32-C3
738 3 6 -
AI-driven LoRa & LLM-enabled Kiosk & Food Delivery System
715 2 0 -
-
-
-
ESP32-C3 BLE Keyboard - Battery Powered with USB-C Charging
933 0 1 -
-
mammoth-3D SLM Voron Toolhead – Manual Drill & Tap Edition
790 0 1 -
-
AEL-2011 Power Supply Module
1551 0 2







