Amplifier Only Music 3 | Усилитель мощности - Only Music 3 (ex "Оплеуха Микрухам")
Автор проекта и статьи: Илья Стельмах | Его группа ВКонтакте
Схема усилителя. Отличается возросшей сложностью и большим количеством элементов в сравнении с предшественником. Топология осталась прежней - это типичный трехкаскадный усилитель Лина. Как и предшественник, данная версия усилителя не отличается принципиальной новизной схемы, а все преимущества схемы обусловлены тщательно выверенными режимами работы каскадов, полученными долгой работой над компьютерной моделью усилителя.
Принципиальная схема усилителя Only Music 3
Кратко о схеме. На входе усилителя отсутствует конденсатор, источник сигнала непосредственно связан с первым каскадом усилителя, через входной RC-фильтр на R1 и C1 (частота среза 1,2 МГц).
Первым каскадом усилителя являет дифференциальный каскад (ДК), на транзисторах VT2 и VT5, который нагружен на "токовое зеркало Уилсона" (VT1, VT3, VT4), и запитан от генератора стабильного тока (ГСТ), на транзисторе VT6. Применение токового зеркала Уилсона позволило не только увеличить усиление первого каскада (удвоив его выходной ток), но и в сравнении с классическим токовым зеркалом, повысить точность балансировки дифференциального усилителя в β раз.
Генератор стабильного тока входного каскада в качестве источника опорного напряжения (ИОН), использует падение напряжения на светодиоде HL1. База транзистора VT6 генератора стабильного тока, связана с ИОН через RC-фильтр, построенный на R13 и C4. От этого же ИОН работает и ГСТ каскада усилителя напряжения (КУН), на транзисторе VT9.
Между ДК и КУН расположен буфер, построенный на транзисторе VT8. Данный буфер и КУН объединены общим для них токовым зеркалом (на транзисторах VT7 и VT11), с коэффициентом отражения 1:10.
Усиление по напряжению обеспечивает транзистор VT12, включенный по схеме с общей базой. Потенциал его базы задается источником опорного напряжения на элементах VD4 и R25, который связан с базой VT12 через RC-фильтр на элементах R24 и C8.
Предвыходной каскад усилителя выполнен на паре транзисторов VT15 и VT16, а выходной каскад на двух парах транзисторов VT17-VT20.
Токовая защита усилителя выполнена на транзисторах VT13 и VT14, принцип ее работы подробно описан в специализированной литературе.
На операционном усилителе DA1 построен интегратор, который предназначен для автоматического поддержания нулевого постоянного напряжения на выходе усилителя.
Хочется отдельно остановиться на таком неприметном элементе как резистор R3. Его предназначение состоит в том, чтобы ограничить усиление на низких частотах с разомкнутой цепью обратной связи и тем самым сдвинуть частоту первого полюса выше верхней границы звукового диапазона частот.
Технические характеристики схемы. Получены, частично путем моделирования в NI Multisim 14, частично путем измерений в железе. Технические характеристики указаны при напряжении питания усилителя от источника питания с выходным напряжением +/- 48 В. Ток покоя выходного каскада усилителя 55 мА (на каждую пару выходных транзисторов).
Максимальная выходная мощность (8 Ом, 1 кГц) = 110 Вт;
Максимальная выходная мощность (4 Ом, 1 кГц) = 220 Вт.
Чувствительность (Pвых = 100/200 Вт, 8/4 Ом) = 0,85 В RMS;
Чувствительность (Pвых = Pмакс, 4/8 Ом) = 0,93 В RMS.
THD (Pвых <= 100 Вт, 8 Ом, 1 кГц) = 0,002%;
THD (Pвых <= 100 Вт, 8 Ом, 20 кГц) =0,005%;
THD (Pвых <= 100 Вт, 4 Ом, 1 кГц) = 0,002%;
THD (Pвых <= 100 Вт, 4 Ом, 20 кГц) = 0,007%.
Диапазон воспроизводимых частот (-1дБ) = 1 - 315 000 Гц;
Диапазон воспроизводимых частот (-3°) = 10 - 20 000 Гц.
Частота первого полюса (при разомкнутой ООС) = 27 кГц.
Ку с разомкнутой ООС (20 - 20000 Гц) = 62 дБ.
Диапазон питающих напряжений = +/- 25 ... 50 В.
Общий вид собранной платы усилителя Only Music 3
Применяемые радиоэлементы. Перед началом сборки необходимо проверить оригинальность и исправность всех радиоэлементов, которые будут устанавливаться на плату усилителя. Следует помнить, что применение не оригинальных элементов или элементов сомнительного качества не сулит ничего хорошего, и в подобном случае автор не может гарантировать работоспособность, а также соответствие полученного результата заявленным автором параметрам. Отдельно, на способах проверки качества и оригинальности радиоэлементов здесь останавливаться не будем, об этом и без того написано немало статей и снято видеороликов, с которыми автор рекомендую ознакомиться перед покупкой деталей для усилителя.
Не стоит стремиться применять специальные типы радиоэлементов, например, таких как конденсаторы серий "for audio" (для аудио) - это не даст каких-либо преимуществ и не улучшит работу схемы усилителя. Качество работы усилителя на 90% определяется его схемой. Усилитель, качество работы которого значительно зависит от применяемой элементной базы - это плохой усилитель. Данный усилитель таковым не является.
Резисторы. Все резисторы, кроме тех, мощность рассеивания которых дополнительно указана в схеме, должны иметь допустимую рассеиваемую мощность - 0,25 Вт.
Не запрещается использовать резисторы производства СССР.
Резисторы производства СССР
Категорически запрещается самовольно заменять какие-либо резисторы, на резисторы другого номинала, отличного от указанного в схеме. В противном случае, работоспособность и соответствие заявленным техническим характеристикам не гарантируется. В случае невозможности найти резисторы необходимого номинала, допускается соединять последовательно или параллельно несколько резисторов с целью получения необходимого значения сопротивления.
Не стоит стремиться к применению прецизионных резисторов и резисторов с особо низкими допусками - это никак положительно не повлияет на качество работы усилителя.
Подстроечный резистор, отвечающий за регулировку тока покоя выходных транзисторов (R30), обязательно должен быть многооборотным, типа 3296W. Только применение многооборотного резистора позволит плавно и точно отрегулировать ток покоя выходных транзисторов без риска их сжечь. В случае применения некачественного подстроечного резистора возможен пробой выходных транзисторов из-за резкого и неконтролируемого изменения тока покоя.
Подстроечный резистор типа 3296W
Перед монтажом резисторов, каждый из них необходимо проверять на соответствие фактического значения их сопротивления, их же цветовой маркировке. Производить монтаж резисторов, ориентируясь исключительно по цветным полоскам на их корпусе - категорически запрещается.
Конденсаторы. Все типы применяемых конденсаторов, их минимально допустимые напряжения - указаны в перечне радиоэлементов.
В отдельных случаях допускается заменять конденсаторы на такие же по номиналу, но на другие по материалу диэлектрика, например: CL-11 на CL-21, СL-21 на CBB-21.
Внешний вид различных типов конденсаторов
Конденсаторы C11 и C12 должны быть высоковольтными, керамическими, любого типа. Конденсатор C1 может быть как пленочным, так и керамическим, C2 - только керамическим.
Каждый применяемый в схеме конденсатор должен быть проверен на соответствие указанной на его корпусе емкости - ее реальному значению, на фактическое значение величины ESR и отсутствие значительной утечки тока через конденсатор, только после этого допускается устанавливать конденсаторы на плату.
Не допускается применять конденсаторы с видимыми дефектами: вздутые, помятые, имеющие подтеки электролита или другие дефекты.
Не рекомендуется применять электролиты, извлеченные из бывшей в употреблении техники. Электролитические конденсаторы производства СССР применять запрещается.
Некоторые из конденсаторов присутствующих на печатной плате не указаны в принципиальной схеме, ввиду того, что наличие данных конденсаторов на печатной плате является само собой разумеющейся.
Диоды и стабилитроны. Диоды VD6 и VD7 должны быть быстрыми, либо диодами Шоттки. Допускается замена диодов на аналогичные по параметрам диоды (кроме VD2 и VD5).
К диодам VD2 и VD5 применяются особые требования: их обратный ток должен быть не более 5 мкА при 100°С.
Важное замечание! Стеклянные корпуса диодов VD2 и VD5 должны быть закрашены светонепроницаемой краской и/или помещены в термоусадочную трубку, иначе постоянное напряжение на выходе усилителя может зависеть от освещенности данных диодов!
Стабилитроны VD1 и VD3 можно менять на любые другие стабилитроны с напряжением стабилизации 15 В, а стабилитрон VD4 на любой другой с напряжением стабилизации 3,3 В.
Диоды VD2 и VD5 защищенные от света термоусадочной трубкой
Транзисторы. Главное правило - применять именно те транзисторы, которые указаны в схеме. В случае, если транзисторы указанные в схеме найти не получается, допускается применять аналоги, приведенные в перечне радиоэлементов.
Все применяемые транзисторы должны быть оригинальными. Применение заведомо поддельных транзисторов или транзисторов сомнительного качества - не допускается.
Указанные в схеме выходные транзисторы допускается менять на "народную" пару - 2SC5200/2SA1943.
Транзисторы VT2 и VT5, VT7 и VT11 желательно (но не обязательно), попарно подобрать по равенству коэффициента передачи тока (hFe), а транзисторы VT1, VT3 и VT4 в тройки, по тому же параметру.
Транзисторы NJW0281/NJW0302
Светодиод HL1. В схеме используется не для индикации и не для красоты, поэтому к этому элементу необходимо отнестись со всей серьезностью. От величины падения напряжения на светодиоде HL1, зависят режимы работы двух каскадов усилителя. Значительное отклонение напряжения на светодиоде от требуемой величины может привести как минимум к не соответствию заявленным техническим характеристикам, а как максимум - к нестабильной работе усилителя, самовозбуждению или выходу из строя усилителя.
В качестве светодиода HL1, должен применяться исключительно светодиод красного свечения. Светодиод подбирается по прямому падению напряжения, которое должно составлять 1,85В +/- 20мВ. Данному условию соответствует светодиод - FYL-5013LRD, производства Foryard.
Светодиод с прямым падением напряжения 1,86 В
В случае если не удалось найти красный светодиод с прямым падением напряжения 1,85В +/- 20мВ, допускается скорректировать режимы работы каскадов изменением номиналов резисторов R7 и R21, в соответствии со следующей таблицей:
Зависимость номиналов резисторов R7 и R21, от прямого падения напряжения на светодиоде HL1
Операционный усилитель. Постоянное напряжение на выходе усилителя зависит от модели и даже конкретного экземпляра применяемого операционного усилителя (ОУ).
По умолчанию в схеме указан ОУ модели TL071 - это доступный операционный усилитель, который обеспечивает приемлемые параметры работы схемы. Применение TL071 в интеграторе усилителя обеспечивает поддержание постоянного напряжения на выходе усилителя с точностью +/- 10 мВ. Возможна большая величина постоянного напряжения на выходе в случае применения неудачного экземпляра ОУ данной модели. В случае если на выходе усилителя постоянного напряжения превышает +/- 30 мВ, следует заменить установленный экземпляр TL071 на другой экземпляр.
Для более точного поддержания постоянного напряжения на выходе усилителя необходимо применять более подвинутые операционные усилители, например - OPA134. Его использование позволит интегратору удерживать постоянное напряжение на выходе усилителя с точностью +/- 2 мВ. Модель применяемого в интеграторе ОУ никаким образом не влияет на субъективное качество звучания усилителя.
Катушка индуктивности на выходе усилителя. Данная катушка индуктивности выполняется без сердечника, наматывается на диаметре 8,5 мм (как временный каркас для намотки удобно использовать сверло диаметром 8,5 мм). Катушка должна содержать 12-14 витков, провода диаметром 1,2 мм. Индуктивность полученной катушки должна находиться в диапазоне 0,65 - 0,85 мкГн. От точности изготовления катушки в определенной степени будет зависеть устойчивость усилителя.
Не допускается в качестве каркаса катушки использовать корпус резистора R45 и заменять выходную катушку перемычкой.
Катушка индуктивности с резистором R45 внутри нее
Охлаждение усилителя. При работе усилитель выделяет значительное количество тепла, которое в обязательном порядке необходимо отводить от нагревающихся элементов. Эксплуатация и даже кратковременное включение усилителя без теплоотводов строго запрещена.
Транзисторы каскада усилителя напряжения (VT9 и VT12) устанавливаются на небольшие П-образные теплоотводы, площадь поверхности каждого из которых должна быть 10-15 см2.
Транзисторы VT15-20 и VT10, устанавливаются на общий, массивный радиатор, площадь которого должна быть не менее 1000 см2 (при работе исключительно на нагрузку с сопротивлением 8 Ом) или не менее 2000 см2 (при работе на нагрузку 4-8 Ом), при напряжении питания усилителя +/- 48 В. В случае эксплуатации усилителя при меньшем напряжении питания допускается использовать радиатор с меньшей площадью поверхностей.
Приблизительно, необходимую площадь поверхностей радиатора можно рассчитать по формуле: Sрад = (Pвых/2,2)*20, см2. Где, Pвых - выходная мощность усилителя, Вт.
Блок питания. Необходимая мощность блока питания выбирается из расчета 1 Вт мощности блока питания на 1 Вт выходной мощности усилителя. То есть, для одного канала усилителя с выходной мощностью 100 Вт, необходимо использовать блок питания с мощность не менее 100 Вт. Учитывать КПД усилителя при расчете блока питания нет необходимости. Подробно, о конструировании блоков питания для усилителей мощности изложено в книге "Конструирование Источников Питания Звуковых Усилителей" (Автор: И.Е.Рогов, 2011 год).
Обложка книги И.Е.Рогова
Выводы на печатной плате. Печатная плата имеет семь выводов:
+Vc - плюс питания;
-Vc - минус питания;
GND - силовая земля;
oGND - выходная земля;
sGND - входная сигнальная земля;
Input - вход сигнала;
OUT - выход сигнала;
Расположение выводов на печатной плате
Подключение усилителя. Правильный способ подключения усилителя показана на иллюстрации. При наличии двух каналов, второй канал усилителя подключается аналогичным образом.
Способы подключения усилителя
Настройка. Правильно собранный из исправных деталей усилитель, начинает работать сразу же после первого включения.
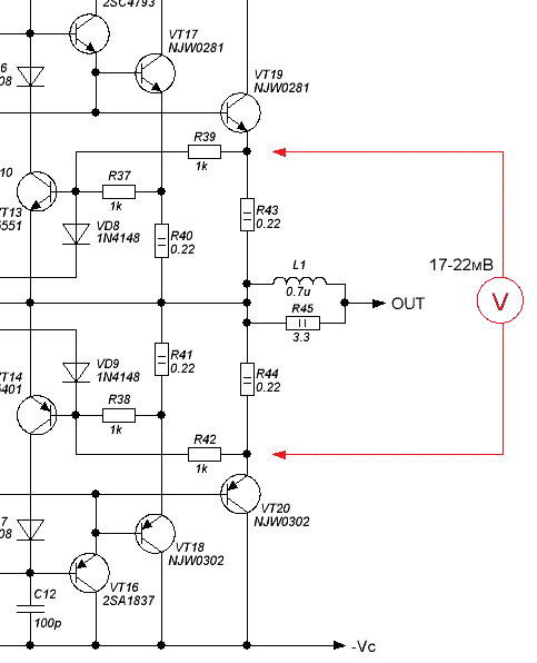
Единственная процедура, которую необходимо выполнить перед полноценной эксплуатацией усилителя - настроить ток покоя выходного каскада. Для этого необходимо вращая движок подстроечного резистора R30 добиться, чтобы суммарное падение напряжения на резисторах R40+R41 или R43+R44 (не важно), находилось в диапазоне от 17 до 22 мВ, что будет соответствовать току покоя 40-50 мА. Не рекомендую выставлять больший ток покоя, так как это заметно повысит нагрев усилителя, но при этом значительно не отразится на качестве работы усилителя.
Обращаю внимание на тот факт, что при первом включении усилителя сопротивление резистора R30 должно быть максимальным (1кОм).
Точки подключения вольтметра для контроля тока покоя
Некоторые важные моменты. Просто, без всякого порядка, кратко перечислю важные моменты которые обязательно нужно знать и учитывать:
Усилитель ОМ3 (как я любой другой усилитель мощности), необходимо эксплуатировать только в связке с устройством защиты акустических систем. Допускается работа усилителя без защиты АС только во время настройки и первоначальных испытаний. Постоянная эксплуатация усилителя без устройств защиты опасна и мной не рекомендуется;
При уменьшении напряжения питания усилителя с указанных в схеме +/- 48 В, до любого другого необходимого вам значения напряжения, необходимо пропорционально уменьшению напряжения питания, уменьшить сопротивление резисторов R14 и R15. То есть, при уменьшение напряжения питания с +/- 48 В, до например +/-30 В, необходимо уменьшить сопротивление резисторов R14 и R15 в 48/30=1,6 раза, в данном случае до 1,2 - 1,3 кОм;
Некоторые элементы схемы: резисторы, транзисторы, и другие, в процессе работы могут нагреваться. В этом нет ничего - это нормальное явление;
Все дорожки печатной платы должны быть облужены. Дорожки шин питания, земли и выходной шины, должны быть пролужены особенно тщательно;
Настройка усилителя, описанная в соответствующем разделе данной статьи, должна проводится при замкнутых выводах "Input" и "sGND" печатной платы и только после прогрева усилителя в течении 5-10 минут;
Ток покоя с течением времени может изменять свою величину в небольших пределах;
Первый запуск усилителя должен производится со включенной в первичной цепи блока питания лампой накаливания мощностью 80-100 Вт;
Сразу после завершения пайки, необходимо тщательно вымыть печатную плату со стороны дорожек от остатков канифоли или других флюсов, полностью их удалить и только после полного высыхания собранной платы, производить первое включение и настройку;
Перемычки на печатной платы выполняются из обрезков выводов 0,25 Вт'ных резисторов.
Общий вид собранной платы усилителя Only Music 3
Amplifier Only Music 3 | Усилитель мощности - Only Music 3 (ex "Оплеуха Микрухам")
*PCBWay community is a sharing platform. We are not responsible for any design issues and parameter issues (board thickness, surface finish, etc.) you choose.
Raspberry Pi 5 7 Inch Touch Screen IPS 1024x600 HD LCD HDMI-compatible Display for RPI 4B 3B+ OPI 5 AIDA64 PC Secondary Screen(Without Speaker)
BUY NOW- Comments(0)
- Likes(2)
-
manikandan manikandan
May 10,2025
-
Pawel Witkowski
Dec 25,2024
- 1 USER VOTES
- YOUR VOTE 0.00 0.00
- 1
- 2
- 3
- 4
- 5
- 6
- 7
- 8
- 9
- 10
- 1
- 2
- 3
- 4
- 5
- 6
- 7
- 8
- 9
- 10
- 1
- 2
- 3
- 4
- 5
- 6
- 7
- 8
- 9
- 10
- 1
- 2
- 3
- 4
- 5
- 6
- 7
- 8
- 9
- 10
-
10design
-
10usability
-
10creativity
-
10content
More by Johann Urb
-
Speaker protection DEF 2021 | Защита АС DEF 2021
Все файлы для проектаУстройство предназначено для защиты акустической системы (предотвращения повреж...
-
Metal Detector Stalker-IB rev. 3.3 | Металлоискатель Stalker-IB rev. 3.3
Metal Detector Stalker-IB rev. 3.1 | Металлоискатель Stalker-IB rev. 3.1 - предыдущая версияMetal De...
-
Гибридный усилитель ROSA-HB1 | Hybrid amplifier ROSA-HB1
Автор проекта и статьи | Алексей Рослик (Alex Ground)Особенности схемы позволившие избавиться от тип...
-
Speaker protection VM 2010 | Защита АС VM 2010
Speaker protection DEF 2022 | Защита АС DEF 2022Автор проекта - Вадим Могильный (WASO)
-
Switching power supply PS500 Ver_2.0 ~ 500W | Импульсный блок питания на IR2161 ~ 500W
Автор проекта - GruVital
-
Metal Detector KROT 2 - XM V7-05 | Металлоискатель КРОТ 2 - ХМ V7-05
Автор схемы прибора - Остапчук АндрейАвтор разводки платы - ТСВМонета диаметром 25мм (грунт) до ...
-
Amplifier Only Music 2.7 | Усилитель мощности - Only Music 2.7 (ex "Оплеуха Микрухам")
Автор проекта и статьи: Илья Стельмах | Его группа ВКонтактеАвтор разводки платы: Илья СудаковАвторс...
-
Metal Detector Stalker-IB rev. 3.1 | Металлоискатель Stalker-IB rev. 3.1
Metal Detector Stalker-IB rev.3.3 | Металлоискатель Stalker-IB 3.3 - новая ревизияMetal Detector Sta...
-
Amplifier UMZCH KT-21 | Сверхлинейный УМЗЧ КТ-21 | Import BD911_912
Автор проекта и статьи | Алексей Рослик (Alex Ground)Принципиальная схемаВходной каскад представляет...
-
Amplifier UMZCH KT-21 | Сверхлинейный УМЗЧ КТ-21 | Import КТ818_819Г
Автор проекта и статьи | Алексей Рослик (Alex Ground)Принципиальная схемаВходной каскад представляет...
-
Metal Detector FORTUNE-S ver.1 rev.2 | Металлоискатель Фортуна-S
Автор платы КТ815....Для сборки металлоискателя необходимо приобрести микроконтроллер с установленны...
-
Metal Detector Stalker-IB rev.2 | Металлоискатель Stalker-IB
Metal Detector Stalker-IB rev. 3.3 | Металлоискатель Stalker-IB rev. 3.3 - новая ревизияАвтор проект...
-
Amplifier Only Music 3 | Усилитель мощности - Only Music 3 (ex "Оплеуха Микрухам")
Автор проекта и статьи: Илья Стельмах | Его группа ВКонтактеСхема усилителя. Отличается возросшей сл...
-
Amplifier Only Music 2.7 | Усилитель мощности - Only Music 2.7 (ex "Оплеуха Микрухам")
Автор проекта и статьи: Илья Стельмах | Его группа ВКонтактеДругой вариант проектаДанный усилитель, ...
-
Amplifier class D - SOPHIA miniAmp | Усилитель мощности класса D - SOPHIA miniAmp
Автор проекта и статьи | Алексей Рослик (Alex Ground)СхемаВыходной каскадПроектирование данного усил...
-
Metal Detector Quasar F3 ver.1 rev.1 | КВАЗАР F3 металлоискатель
Для сборки металлоискателя необходимо приобрести микроконтроллер с установленным загрузчиком у автор...
-
Nixie clock IN-12 v2 | Часы ИН-12 + 3D case
Автор проекта и статьи | AlexGyverПлата:Габариты платы меньше 100х100мм.Плата односторонняя, её без...
-
Metal Detector Quasar AVR board by DesAlex | Металлоискатель Квазар АВР
Автор платы DesAlex Установка fuse битов в программе PonyProgПоисковая катушка для металлоискателя К...
-
ARPS-2 – Arduino-Compatible Robot Project Shield for Arduino UNO
355 0 0 -
A Compact Charging Breakout Board For Waveshare ESP32-C3
700 3 6 -
AI-driven LoRa & LLM-enabled Kiosk & Food Delivery System
681 2 0 -
-
-
-
ESP32-C3 BLE Keyboard - Battery Powered with USB-C Charging
897 0 1 -
-
mammoth-3D SLM Voron Toolhead – Manual Drill & Tap Edition
776 0 1 -
-
AEL-2011 Power Supply Module
1517 0 2







