Amplifier Only Music 2.7 | Усилитель мощности - Only Music 2.7 (ex "Оплеуха Микрухам")
Автор проекта и статьи: Илья Стельмах | Его группа ВКонтакте
Автор разводки платы: Илья Судаков
Данный усилитель, как и ОМ3, имеет защиту от короткого замыкания в нагрузке.

Принципиальная схема усилителя
Технические характеристики схемы. Измерения технических параметров схемы производились с использованием компьютерной программы RMAA 6.2.5. В качестве измерительных ЦАП и АЦП использовалась звуковая карта ASUS Xonar Essence ST. В качестве нагрузки для усилителя - два параллельно включенных, мощных резистора сопротивлением 10 Ом (что при их параллельном включении, дало результирующее сопротивление 5 Ом). Для снятия осциллограмм, в том числе и для измерения скорости нарастания/спада выходного напряжения усилителя, использовался функциональный генератор на базе XR2206CF и осциллограф UNI-T UTD2025CL. В качестве лабораторного блока питания использован не стабилизированный источник питания, состоящий из большого железного трансформатора на 50 Гц, диодного моста и сглаживающих конденсаторов емкостью по 15000 мкФ в каждом плече. Напряжение на шинах питания усилителя при отсутствии входного сигнала +/- 42 В, ток покоя выходных транзисторов - 80 мА.
Технические параметры, помеченные звездочкой (*) - получены путем компьютерного моделирования схемы, помеченные двумя звездочками (**) - путем пересчета реально измеренных параметров под другие условия измерения.
Максимальна выходная мощность (4 Ом, +/- 42 В) = 140 Вт**;
Максимальна выходная мощность (5 Ом, +/- 42 В) = 70 Вт;
Максимальна выходная мощность (8 Ом, +/- 42 В) = 70 Вт**.
Осциллограммы выходного напряжения усилителя, при близких к клиппингу значениях выходного напряжения
Диапазон питающих напряжения = +/- 25 ... 50 В.
Важное уточнение. При работе усилителя с нагрузкой сопротивлением 4 Ом, напряжение питания усилителя не должно превышать +/- 38 В. Эксплуатация усилителя при большем питающем напряжении, допускается исключительно при работе с нагрузкой сопротивлением не менее 6 Ом.
Уровень шума (А-взвешенный) = не хуже -100 дБ.
THD + шум (1 кГц, 10 Вт, 5 Ом) = не более 0.0005 %;
THD + шум(1 кГц, 75 Вт, 5 Ом) = не более 0.0015 %;
THD + шум (20 кГц, 10 Вт, 5 Ом) = не более 0.003 %*;
THD + шум (20 кГц, 75 Вт, 5 Ом) = не более 0.009 %*.
Спектры нелинейных искажений на выходе усилителя
IMD + шум (60 Гц + 7 кГц, 10 Вт, 5 Ом) = не более 0.0025 %;
IMD + шум (60 Гц + 7 кГц, 75 Вт, 5 Ом) = не более 0.003 %.
Спектры интермодуляционных искажений на выходе
Диапазон воспроизводимых частот (-1 дБ) = 20 - 150 000 Гц*;
Диапазон воспроизводимых частот (-3 дБ) = 11 - 280 000 Гц*.
Амплитудно-частотная характеристика усилителя с учетом АЧХ звуковой карты
Завал в правой части графика, обусловлен исключительно влиянием звуковой карты и не зависит от наличия или отсутствия испытуемого усилителя в цепи сигнала.
Скорость изменения выходного напряжения = 25 В/мкС.
Скорость изменения выходного напряжения
Осциллограммы выходного напряжения усилителя, при работе с сигналом прямоугольной формы
Приведенные технические характеристики соответствуют авторскому варианту усилителя собранного на заводской печатной плате, могут незначительно отличаться (в лучшую или худшую сторону), у каждого конкретного экземпляра усилителя.
Параметры усилителя собранного на самодельной плате, отличаются не более чем на величину погрешности измерения. При сравнении параметров усилителей собранных на заводской и на самодельной печатных платах, использовались абсолютно одинаковые радиоэлементы и даже провода. Первым был собран и обмерян усилитель на заводской плате, после чего, все радиодетали были выпаяны из заводской платы и установлены на самодельной плате. Сравнительная характеристика параметров усилителей, собранных на разных печатных платах:
Сравнительная характеристика параметров усилителей, собранных на заводской и самодельной печатных платах
Общий вид усилителей на заводской (слева), и на самодельной (справа), печатных платах, в процессе измерений технических характеристик
Элементная база. В этой части статьи, будут перечислены основные моменты связанные, которым следует уделить особое внимание для успешно повторения и запуска усилителя:
Все применяемые при сборке усилителя элементы, перед их установкой на плату, должны быть проверены на работоспособность и соответствие необходимым параметрам (сопротивлению, емкости, ESR, коэффициенту усиления и так далее);
Не допускается устанавливать элементы ориентируясь исключительно на их маркировку, без проверки на соответствие фактического номинала маркировке;
Лучше отказаться от использования бывших в употреблении радиоэлементов, использовать при сборке только новые радиодетали;
Предпочтительно использовать металлопленочные резисторы (MF), и отказаться от использования углеродистых резисторов (CF), по причине их высокого собственного шума;
Допускается использование металлопленочных резисторов производства СССР;
При использовании резисторов с допуском 5%, желательно осуществить подбор резисторов R6 и R11, R7 и R12, в пары, с точностью не хуже 1%;
Для достижения равного коэффициента усиления и соответственно - равной громкости обоих каналов стерео усилителя, рекомендуется заранее подобрать по две пары резисторов 15 кОм и 470 Ом (для левого и правого каналов усилителя), с точностью не хуже 1%, для использования их в качестве - R1 и R19, R2 и R8;
При использовании резисторов с допуском 1%, осуществлять подбор резистор - нет необходимости;
Использование в качестве R35 и R36 проволочных резисторов - не рекомендуется;
Категорически запрещается самовольно заменять какие-либо резисторы, на резисторы другого номинала, отличающегося от номинала указанного в схеме;
В качестве подстроечных резисторов R9 и R20, допускается использовать только многооборотные резисторы типа 3296W. Допускается использовать подстроечные резисторы с сопротивлением от 200 до 470 Ом;
При установке на плату, движок подстроечного резистора R9 должен находится в среднем положении (сопротивление между каждым из крайних и центральным выводов должно быть одинаковым), а сопротивление подстроечного резистора R20 должно максимальным;
Положение движков подстроечных резисторов перед их установкой на печатную плату
Все типы применяемых в схеме конденсаторов и их минимально необходимое рабочее напряжение указаны в списке радиоэлементов к данной статье;
Типы конденсаторов
Допускается использовать конденсаторы с большим рабочим напряжением, чем это указано в списке радиоэлементов;
Не стоит переплачивать за конденсаторы аудиофильских серий - применение их в схеме усилителя не приведет к каким-либо улучшениям технических характеристик усилителя;
Каждый конденсатор, перед установкой его на плату, должен быть проверен на соответствие фактического значения емкости маркировке, нанесенной на корпус конденсатора. А также, проверен в частности фактического значения ESR, и на отсутствие повышенной утечки. Данная процедура выполняется для КАЖДОГО конденсатора устанавливаемого на плату усилителя;
Не допускается использование электролитических конденсаторов производства СССР, а также бывших в употреблении электролитических конденсаторов, конденсаторов имеющих видимые дефекты в виде вмятин или вздутий, подтеков электролита;
Допускается использование стабилитронов других моделей, но с тем же номинальным напряжением стабилизации и рассеиваемой мощностью;
Допускается использовать только те модели транзисторов, которые указаны в схеме, либо их аналоги указанные в списке радиоэлементов к данной статье;
Перед установкой каждого их транзисторов на плату, необходимо убедиться в их работоспособности, оригинальности и соответствии параметрам, указанным в даташите на данную модель транзистора;
Транзисторы VT18, VT19, VT20, VT21 и VT12, должны быть установлены на общем радиаторе. Очень приблизительно, площадь радиатора, необходимую для эффективного отвода тепла от усилителя, можно выбрать из расчета 10-15 см2 на каждый Ватт выходной мощности усилителя (1000-1500см2 для одного канала усилителя с выходной мощностью 100 Вт);
Транзисторы VT9 и VT13, могут быть установлены на небольшие теплоотводы (для этого предусмотрены места на печатных платах), однако допускается эксплуатация усилителя без установки транзисторов VT9 и VT13 на радиаторы;
Транзисторы VT2 и VT6, VT3 и VT7, VT4 и VT8, необходимо подобрать в пары по коэффициенту усиления с точностью не хуже 1%;
Выводы на печатной плате. Наименование и назначение выводов на односторонней и двухсторонней платах - идентичны, поэтому следующая информация актуальна для обоих вариантов печатных плат:
+U - плюс питания;
-U - минус питания;
GND - основная силовая земля;
oGND - выходная земля (минусовая выходная клемма усилителя);
sGND - сигнальная земля;
IN - вход сигнала;
OUT - выход сигнала (плюсовая выходная клемма усилителя).
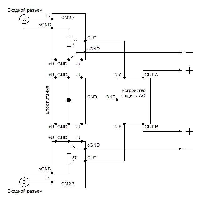
Коммутация блоков внутри усилителя. Правильный способ соединения блоков и земель внутри корпуса усилителя:
Способ коммутации блоков внутри корпуса стерео усилителя
Эксплуатация усилителя без устройства защиты акустической системы (АС) - не безопасна и строго не рекомендуется. Работа усилителя без устройств защиту допускается только для первого запуска и настройки усилителя. В качестве защиты АС для данного усилителя рекомендую использовать устройство защиты - DEF 2017.
Настройка усилителя. После успешного первого включения усилителя, необходимо произвести регулировку "ноля" и тока покоя. Для регулировки "ноля", необходимо:
1. Замкнуть вход усилителя (замкнуть выводы IN и sGND на плате усилителя);
2. Подключить милливольтметр или мультиметр к выходу усилителя (выводы OUT и oGND на плате);
3. Вращая движок подстроечного резистора R9, добиться максимально близкого к нолю значения постоянного напряжения на выходе усилителя (хорошим можно считать результат, когда постоянное напряжение на выходе усилителя не превышает +/-5 мВ).
На следующем этапе настройки, необходимо выставить какое-либо произвольное значение тока покоя, чтобы прогреть усилитель перед финальной регулировкой тока покоя. Для регулировки тока покоя, необходимо:
1. Щупы мультиметра (милливольтметра), необходимо подключить к эмитерам выходных транзисторов (VT20 и VT21), как показано на иллюстрации;
Точки подключения щупов мультиметра (миливольтметра)
2. Вращая движок подстроечного резистора R20, выставить небольшой ток покоя (примерно 40-50 мА, что соответствует показаниям подключенного к выходу милливольтметра 18 - 22 мВ);
3. Оставить усилитель поработать в таком состоянии приблизительно на десять минут.
Регулировать ток покоя без прогрева усилителя - не рекомендуется так как после прогрева усилителя, значение тока покоя изменится относительно выставленного значения на холодном усилителе.
4. Когда усилитель прогреется (температура выходных транзисторов стабилизируется на одном значении и перестанет расти), можно продолжать регулировку тока покоя;
5. Вращая движок R20, выставляем необходимое значение тока покоя.
Рекомендуется выставлять значение тока покоя в диапазоне от 70 до 100 мА (что соответствует показаниям милливольтметра подключенного к выходу усилителя - 30 - 44 мВ). Большее значение тока покоя не окажет значительного положительного влияния на технические характеристики усилителя, а превышение определенного значения тока покоя, наоборот- приведет к ухудшению технических характеристик и значительному снижению КПД усилителя.
Нагрузку к выходу усилителя для регулировки "нуля" и тока покоя, подключать - нет необходимости.
Карта напряжений. В случае проблем с запуском только что собранного усилителя или ремонта, придется очень кстати карта напряжений.
Карта напряжений усилителя мощности Only Music 2.7
Данная карта напряжений справедлива при напряжении питания +/- 42 В. Некоторые значения напряжений на ней зависят от напряжения питания, другие - не зависят.
Сравнивая и обнаруживая расхождения в значениях напряжений на карте, с фактическими значениями напряжений, локализуются участки и элементы, где могут быть ошибки монтажа и/или неисправные элементы.
Все значения напряжений на карте напряжений указаны относительно земли.



Schematic and Layout
Amplifier Only Music 2.7 | Усилитель мощности - Only Music 2.7 (ex "Оплеуха Микрухам")
*PCBWay community is a sharing platform. We are not responsible for any design issues and parameter issues (board thickness, surface finish, etc.) you choose.
Raspberry Pi 5 7 Inch Touch Screen IPS 1024x600 HD LCD HDMI-compatible Display for RPI 4B 3B+ OPI 5 AIDA64 PC Secondary Screen(Without Speaker)
BUY NOW- Comments(0)
- Likes(1)
-
Engineer
Jul 20,2024
- 0 USER VOTES
- YOUR VOTE 0.00 0.00
- 1
- 2
- 3
- 4
- 5
- 6
- 7
- 8
- 9
- 10
- 1
- 2
- 3
- 4
- 5
- 6
- 7
- 8
- 9
- 10
- 1
- 2
- 3
- 4
- 5
- 6
- 7
- 8
- 9
- 10
- 1
- 2
- 3
- 4
- 5
- 6
- 7
- 8
- 9
- 10
More by Johann Urb
-
Speaker protection DEF 2021 | Защита АС DEF 2021
Все файлы для проектаУстройство предназначено для защиты акустической системы (предотвращения повреж...
-
Metal Detector Stalker-IB rev. 3.3 | Металлоискатель Stalker-IB rev. 3.3
Metal Detector Stalker-IB rev. 3.1 | Металлоискатель Stalker-IB rev. 3.1 - предыдущая версияMetal De...
-
Гибридный усилитель ROSA-HB1 | Hybrid amplifier ROSA-HB1
Автор проекта и статьи | Алексей Рослик (Alex Ground)Особенности схемы позволившие избавиться от тип...
-
Speaker protection VM 2010 | Защита АС VM 2010
Speaker protection DEF 2022 | Защита АС DEF 2022Автор проекта - Вадим Могильный (WASO)
-
Switching power supply PS500 Ver_2.0 ~ 500W | Импульсный блок питания на IR2161 ~ 500W
Автор проекта - GruVital
-
Metal Detector KROT 2 - XM V7-05 | Металлоискатель КРОТ 2 - ХМ V7-05
Автор схемы прибора - Остапчук АндрейАвтор разводки платы - ТСВМонета диаметром 25мм (грунт) до ...
-
Amplifier Only Music 2.7 | Усилитель мощности - Only Music 2.7 (ex "Оплеуха Микрухам")
Автор проекта и статьи: Илья Стельмах | Его группа ВКонтактеАвтор разводки платы: Илья СудаковАвторс...
-
Metal Detector Stalker-IB rev. 3.1 | Металлоискатель Stalker-IB rev. 3.1
Metal Detector Stalker-IB rev.3.3 | Металлоискатель Stalker-IB 3.3 - новая ревизияMetal Detector Sta...
-
Amplifier UMZCH KT-21 | Сверхлинейный УМЗЧ КТ-21 | Import BD911_912
Автор проекта и статьи | Алексей Рослик (Alex Ground)Принципиальная схемаВходной каскад представляет...
-
Amplifier UMZCH KT-21 | Сверхлинейный УМЗЧ КТ-21 | Import КТ818_819Г
Автор проекта и статьи | Алексей Рослик (Alex Ground)Принципиальная схемаВходной каскад представляет...
-
Metal Detector FORTUNE-S ver.1 rev.2 | Металлоискатель Фортуна-S
Автор платы КТ815....Для сборки металлоискателя необходимо приобрести микроконтроллер с установленны...
-
Metal Detector Stalker-IB rev.2 | Металлоискатель Stalker-IB
Metal Detector Stalker-IB rev. 3.3 | Металлоискатель Stalker-IB rev. 3.3 - новая ревизияАвтор проект...
-
Amplifier Only Music 3 | Усилитель мощности - Only Music 3 (ex "Оплеуха Микрухам")
Автор проекта и статьи: Илья Стельмах | Его группа ВКонтактеСхема усилителя. Отличается возросшей сл...
-
Amplifier Only Music 2.7 | Усилитель мощности - Only Music 2.7 (ex "Оплеуха Микрухам")
Автор проекта и статьи: Илья Стельмах | Его группа ВКонтактеДругой вариант проектаДанный усилитель, ...
-
Amplifier class D - SOPHIA miniAmp | Усилитель мощности класса D - SOPHIA miniAmp
Автор проекта и статьи | Алексей Рослик (Alex Ground)СхемаВыходной каскадПроектирование данного усил...
-
Metal Detector Quasar F3 ver.1 rev.1 | КВАЗАР F3 металлоискатель
Для сборки металлоискателя необходимо приобрести микроконтроллер с установленным загрузчиком у автор...
-
Nixie clock IN-12 v2 | Часы ИН-12 + 3D case
Автор проекта и статьи | AlexGyverПлата:Габариты платы меньше 100х100мм.Плата односторонняя, её без...
-
Metal Detector Quasar AVR board by DesAlex | Металлоискатель Квазар АВР
Автор платы DesAlex Установка fuse битов в программе PonyProgПоисковая катушка для металлоискателя К...
-
ARPS-2 – Arduino-Compatible Robot Project Shield for Arduino UNO
385 0 0 -
A Compact Charging Breakout Board For Waveshare ESP32-C3
737 3 6 -
AI-driven LoRa & LLM-enabled Kiosk & Food Delivery System
713 2 0 -
-
-
-
ESP32-C3 BLE Keyboard - Battery Powered with USB-C Charging
931 0 1 -
-
mammoth-3D SLM Voron Toolhead – Manual Drill & Tap Edition
786 0 1 -
-
AEL-2011 Power Supply Module
1548 0 2







