|
KiCad 8.0KiCad
|
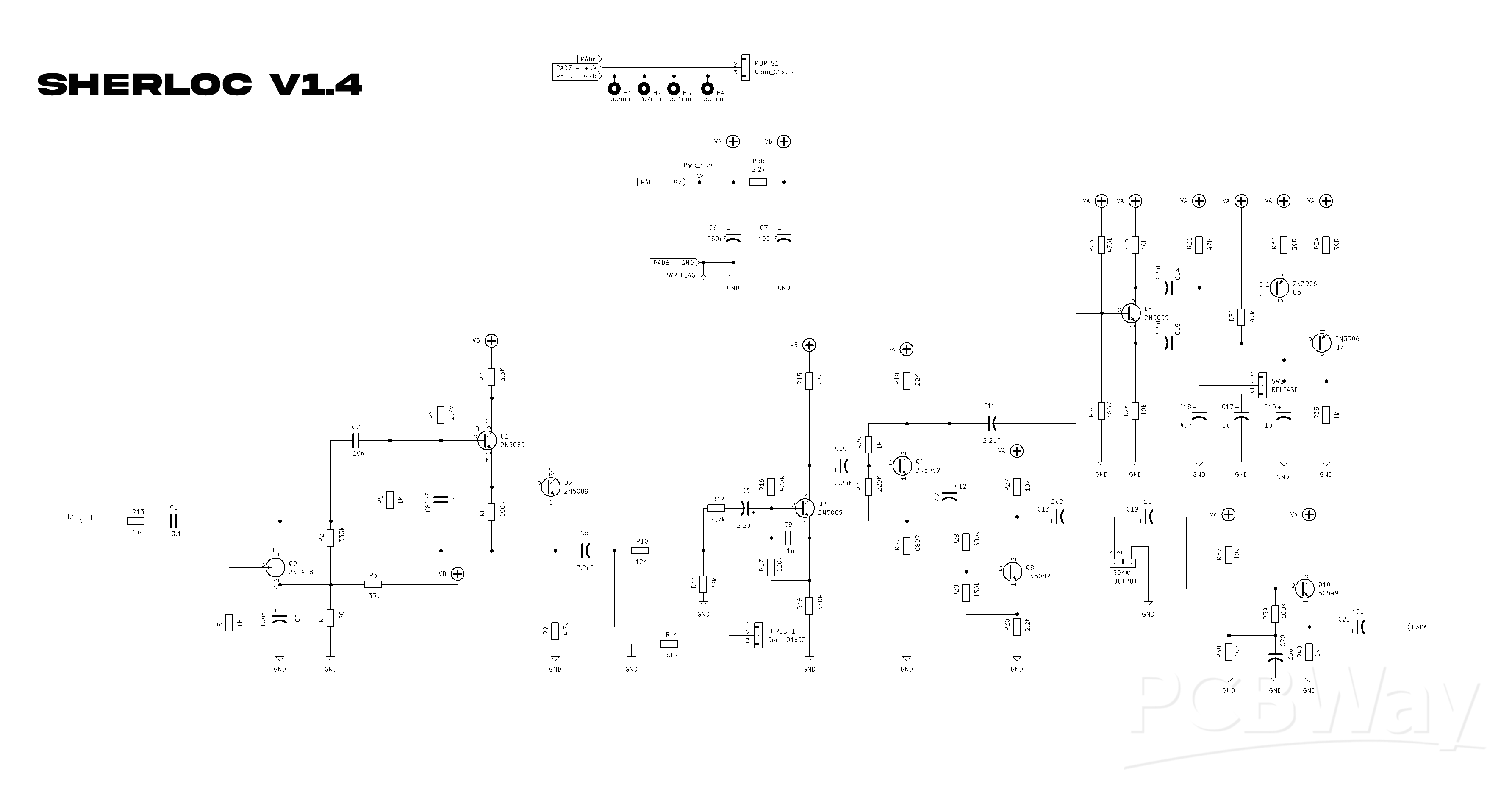
Sherloc 2025 -- a Level Loc style compressor - version 1.4

version 1.4
Revised 23-01-2026
The Sherloc is a faithful clone of the legendary Shure Level-Loc—the notorious limiter known for its crushed drum sound and unpredictable behavior, made famous by Tame Impala, Chad Blake, Matt Engstrom, and Dan Korneff.
This PCB represents one complete channel, delivering the aggressive, quirky compression of the original while expanding the original design with three switchable release times and an output volume control.
Builders can easily create a dual-channel or stereo unit by using two Sherloc PCBs side by side, making the design flexible for both mono and stereo applications. The circuit is designed to be used alongside the dedicated Sherloc Power Filter PCB, which provides two channels of clean, filtered 9V power.


# mouser shopping cart including transformer and all hardware -- Shared Cart
# Input Switch Wiring

Suggested Pad Values for -40db Gain
Resistor Value Quantity
R1 150R 1
R2 7k5 2
# Off Board Wiring


Sherloc 2025 -- a Level Loc style compressor - version 1.4
*PCBWay community is a sharing platform. We are not responsible for any design issues and parameter issues (board thickness, surface finish, etc.) you choose.
Raspberry Pi 5 7 Inch Touch Screen IPS 1024x600 HD LCD HDMI-compatible Display for RPI 4B 3B+ OPI 5 AIDA64 PC Secondary Screen(Without Speaker)
BUY NOW- Comments(9)
- Likes(6)
- 0 USER VOTES
- YOUR VOTE 0.00 0.00
- 1
- 2
- 3
- 4
- 5
- 6
- 7
- 8
- 9
- 10
- 1
- 2
- 3
- 4
- 5
- 6
- 7
- 8
- 9
- 10
- 1
- 2
- 3
- 4
- 5
- 6
- 7
- 8
- 9
- 10
- 1
- 2
- 3
- 4
- 5
- 6
- 7
- 8
- 9
- 10
More by Jeremy Biggs
-
-
ARPS-2 – Arduino-Compatible Robot Project Shield for Arduino UNO
1940 0 5 -
-
A Compact Charging Breakout Board For Waveshare ESP32-C3
2539 3 7 -
AI-driven LoRa & LLM-enabled Kiosk & Food Delivery System
2624 2 0 -
-
-
-
ESP32-C3 BLE Keyboard - Battery Powered with USB-C Charging
2734 0 2 -
-







