Erhan Aslanturk
TURKEY • + Follow
Edit Project
Description
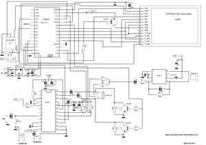
SI4735 SSB Radio Breakout PCB by Si Rn - New enhanced version with ESP32 and Touch screen
There is a great group to talk about SI4735, SI4732 and some other radio chips and projects at below Facebook group
https://www.facebook.com/groups/532613604253401/
To take advantage of this chips I suggest using this uptodate Ardunio library done by PU2CLR
https://github.com/pu2clr/SI4735/
Nov 29,2020
13,901 views
SI4735 SSB Radio Breakout PCB by Si Rn - New enhanced version with ESP32 and Touch screen
New enhanced version of breakout PCB with ESP32 and Touch screen
Credit Mr. Si Rn
13901
16
7
7.86 (9)
Published: Nov 29,2020
Standard PCB
Download Gerber file 326
Purchase
Donation Received ($)
PCBWay Donate 10% cost To Author
Only PCB
*PCBWay community is a sharing platform. We are not responsible for any design issues and parameter issues (board thickness, surface finish, etc.) you choose.
Copy this HTML into your page to embed a link to order this shared project
Copy
Under the
Attribution-NonCommercial-ShareAlike (CC BY-NC-SA)
License.
Raspberry Pi 5 7 Inch Touch Screen IPS 1024x600 HD LCD HDMI-compatible Display for RPI 4B 3B+ OPI 5 AIDA64 PC Secondary Screen(Without Speaker)
BUY NOW- Comments(7)
- Likes(16)
Upload photo
You can only upload 5 files in total. Each file cannot exceed 2MB. Supports JPG, JPEG, GIF, PNG, BMP
0 / 10000
It looks like you have not written anything. Please add a comment and try again.
You can upload up to 5 images!
Image size should not exceed 2MB!
File format not supported!
View More
-
Andrey Dmitrenko
Sep 26,2025
-
Sunarno Budi Santoso
Jul 15,2025
-
Engineer
Jun 17,2025
-
DT-Electronics
Mar 23,2024
-
Igor Moh
Aug 08,2023
-
Eric-Jan van den BOGAARD
Feb 24,2023
-
Albert Kuciński
Nov 15,2022
-
Andrzej Jamroziński
Nov 14,2022
-
Golubev Vitaly
Sep 12,2022
-
Engineer
Aug 28,2022
-
Engineer
Sep 27,2021
-
Engineer
Apr 04,2021
-
Tommaso Gangemi
Mar 31,2021
-
Engineer
Mar 20,2021
-
James Fraser
Jan 17,2021
-
Engineer
Nov 30,2020
View More
VOTING
9 votes
- 9 USER VOTES
7.86
- YOUR VOTE 0.00 0.00
- 1
- 2
- 3
- 4
- 5
- 6
- 7
- 8
- 9
- 10
Design
1/4
- 1
- 2
- 3
- 4
- 5
- 6
- 7
- 8
- 9
- 10
Usability
2/4
- 1
- 2
- 3
- 4
- 5
- 6
- 7
- 8
- 9
- 10
Creativity
3/4
- 1
- 2
- 3
- 4
- 5
- 6
- 7
- 8
- 9
- 10
Content
4/4
-
9design
-
8usability
-
8creativity
-
8content
8.25
-
5design
-
7usability
-
6creativity
-
8content
6.50
-
1design
-
2usability
-
3creativity
-
1content
1.75
-
9design
-
10usability
-
10creativity
-
10content
9.75
-
7design
-
7usability
-
7creativity
-
7content
7.00
-
9design
-
9usability
-
9creativity
-
9content
9.00
-
9design
-
9usability
-
9creativity
-
9content
9.00
-
10design
-
9usability
-
10creativity
-
9content
9.50
-
10design
-
10usability
-
10creativity
-
10content
10.00
More by Erhan Aslanturk
-
SI4735 SSB Radio Breakout PCB by Si Rn - New enhanced version with ESP32 and Touch screen
There is a great group to talk about SI4735, SI4732 and some other radio chips and projects at below...
-
SI4735 SSB Radio Breakout PCB by Si Rn
SI4735 SSB Radio PCB by Si RnI uploaded new version. I suggest take a look at more advanced version ...
You may also like
-
-
ARPS-2 – Arduino-Compatible Robot Project Shield for Arduino UNO
1253 0 4 -
-
A Compact Charging Breakout Board For Waveshare ESP32-C3
1767 3 7 -
AI-driven LoRa & LLM-enabled Kiosk & Food Delivery System
1747 2 0 -
-
-
-
ESP32-C3 BLE Keyboard - Battery Powered with USB-C Charging
1924 0 1 -







