Mr Q
VIETNAM • + Follow
Edit Project
Description
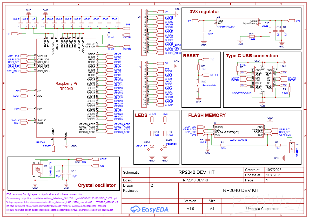
RP2040 dev kit
Development kit uses RP2040 microcontroller that you can order your own pcb and with smd 0805 component size you can completely solder it yourself
Schematic and Layout
Jul 21,2025
507 views
RP2040 dev kit
Dev kit using RP2040
507
2
0
Published: Jul 21,2025
Standard PCB
Download Gerber file 6
BOM(Bill of materials)
Purchase
Donation Received ($)
PCBWay Donate 10% cost To Author
Only PCB
PCB+Assembly
*PCBWay community is a sharing platform. We are not responsible for any design issues and parameter issues (board thickness, surface finish, etc.) you choose.
Copy this HTML into your page to embed a link to order this shared project
Copy
Under the
Attribution-ShareAlike (CC BY-SA)
License.
Raspberry Pi 5 7 Inch Touch Screen IPS 1024x600 HD LCD HDMI-compatible Display for RPI 4B 3B+ OPI 5 AIDA64 PC Secondary Screen(Without Speaker)
BUY NOW- Comments(0)
- Likes(2)
Upload photo
You can only upload 5 files in total. Each file cannot exceed 2MB. Supports JPG, JPEG, GIF, PNG, BMP
0 / 10000
It looks like you have not written anything. Please add a comment and try again.
You can upload up to 5 images!
Image size should not exceed 2MB!
File format not supported!
View More
-
Paulo Quispe
Aug 07,2025
-
(DIY) C64iSTANBUL
Jul 23,2025
View More
VOTING
0 votes
- 0 USER VOTES
0.00
- YOUR VOTE 0.00 0.00
- 1
- 2
- 3
- 4
- 5
- 6
- 7
- 8
- 9
- 10
Design
1/4
- 1
- 2
- 3
- 4
- 5
- 6
- 7
- 8
- 9
- 10
Usability
2/4
- 1
- 2
- 3
- 4
- 5
- 6
- 7
- 8
- 9
- 10
Creativity
3/4
- 1
- 2
- 3
- 4
- 5
- 6
- 7
- 8
- 9
- 10
Content
4/4
More by Mr Q
-
RP2040 dev kit
Development kit uses RP2040 microcontroller that you can order your own pcb and with smd 0805 compon...
-
Motherboard for 3d printer using rp2040 microcontroller
This is a motherboard using Raspberry pi RP2040 microcontroller with tmc2208 driverThe functions of ...
-
Development kit using Esp32-Wrover
This is a development kit with the main mcu is ESP32_WROVER EFunctions of the kit:- IRLZ44N power mo...
-
Stm32f04 dev kit
The development kit uses STM32F04 microcontroller which you can order your own pcb, with 0805 compon...
You may also like
-
-
ARPS-2 – Arduino-Compatible Robot Project Shield for Arduino UNO
923 0 2 -
-
A Compact Charging Breakout Board For Waveshare ESP32-C3
1490 3 6 -
AI-driven LoRa & LLM-enabled Kiosk & Food Delivery System
1441 2 0 -
-
-
-
ESP32-C3 BLE Keyboard - Battery Powered with USB-C Charging
1630 0 1 -
-
mammoth-3D SLM Voron Toolhead – Manual Drill & Tap Edition
1228 0 1







