Peixonic #Julialabspcbchallenge2025
Peixonic - An Artistic PCB Fish for JuliaLabs PCB Challenge 2025
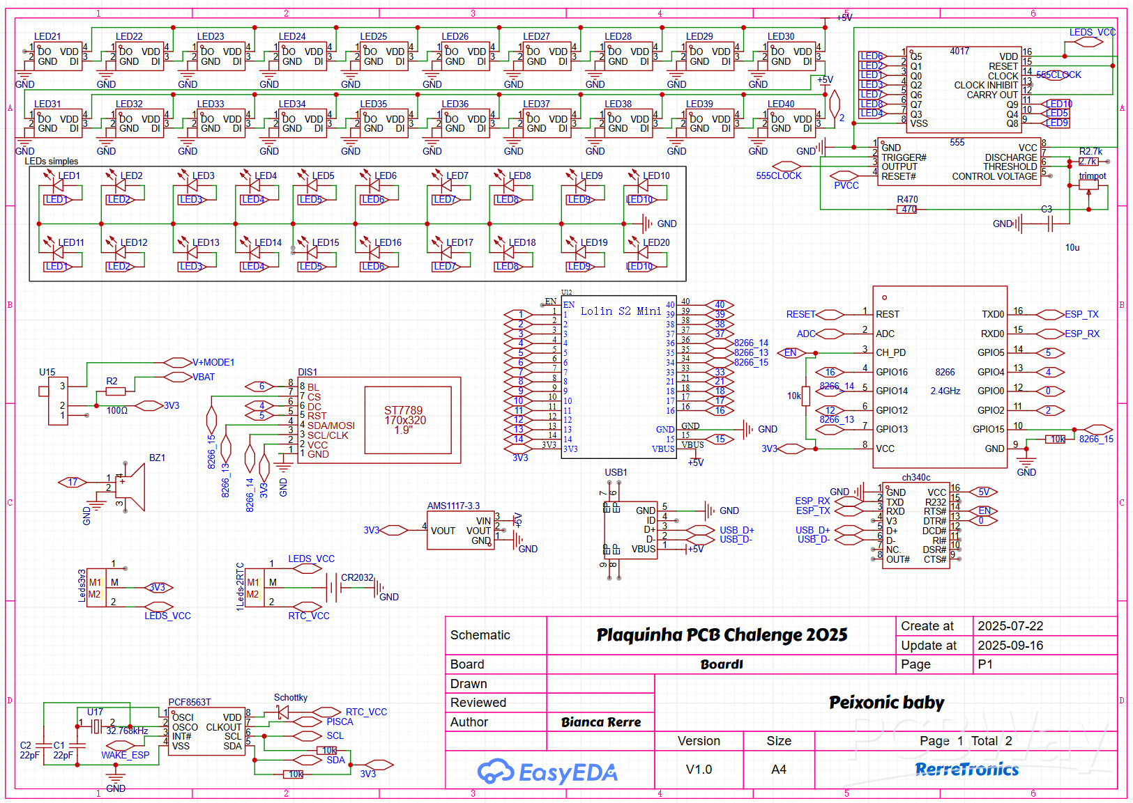
Peixonic is an artistic PCB project created for the JuliaLabs PCB Challenge 2025, featuring a cute baby fish design that creates a magical water ripple effect on your wall. This innovative project offers two operation modes: microcontroller-based (using ESP32 S2 Mini or ESP8266 modules) and sequential movement using the 4017 IC.
Beyond its decorative purpose, Peixonic features practical functionalities including a real-time clock (RTC) for timekeeping and a buzzer for alarm capabilities. The front panel includes display connectivity options to show time, date, or even animated eyes - your creativity determines how to use it!
Designed with EasyEDA Pro, this PCB showcases beautiful functional traces following the board's contour and other adorable details, all crafted with care and dedication for the JuliaLabs PCB Challenge 2025.
Peixonic #Julialabspcbchallenge2025
*PCBWay community is a sharing platform. We are not responsible for any design issues and parameter issues (board thickness, surface finish, etc.) you choose.
Raspberry Pi 5 7 Inch Touch Screen IPS 1024x600 HD LCD HDMI-compatible Display for RPI 4B 3B+ OPI 5 AIDA64 PC Secondary Screen(Without Speaker)
BUY NOW- Comments(0)
- Likes(1)
-
J J
Sep 17,2025
- 0 USER VOTES
- YOUR VOTE 0.00 0.00
- 1
- 2
- 3
- 4
- 5
- 6
- 7
- 8
- 9
- 10
- 1
- 2
- 3
- 4
- 5
- 6
- 7
- 8
- 9
- 10
- 1
- 2
- 3
- 4
- 5
- 6
- 7
- 8
- 9
- 10
- 1
- 2
- 3
- 4
- 5
- 6
- 7
- 8
- 9
- 10
More by Bianca Rerre
-
ARPS-2 – Arduino-Compatible Robot Project Shield for Arduino UNO
126 0 0 -
A Compact Charging Breakout Board For Waveshare ESP32-C3
610 3 4 -
AI-driven LoRa & LLM-enabled Kiosk & Food Delivery System
598 2 0 -
-
-
-
ESP32-C3 BLE Keyboard - Battery Powered with USB-C Charging
810 0 1 -
-
mammoth-3D SLM Voron Toolhead – Manual Drill & Tap Edition
734 0 1 -
-
AEL-2011 Power Supply Module
1448 0 2







