Romer Zurco Limachi
BOLIVIA • + Follow
Edit Project
Description
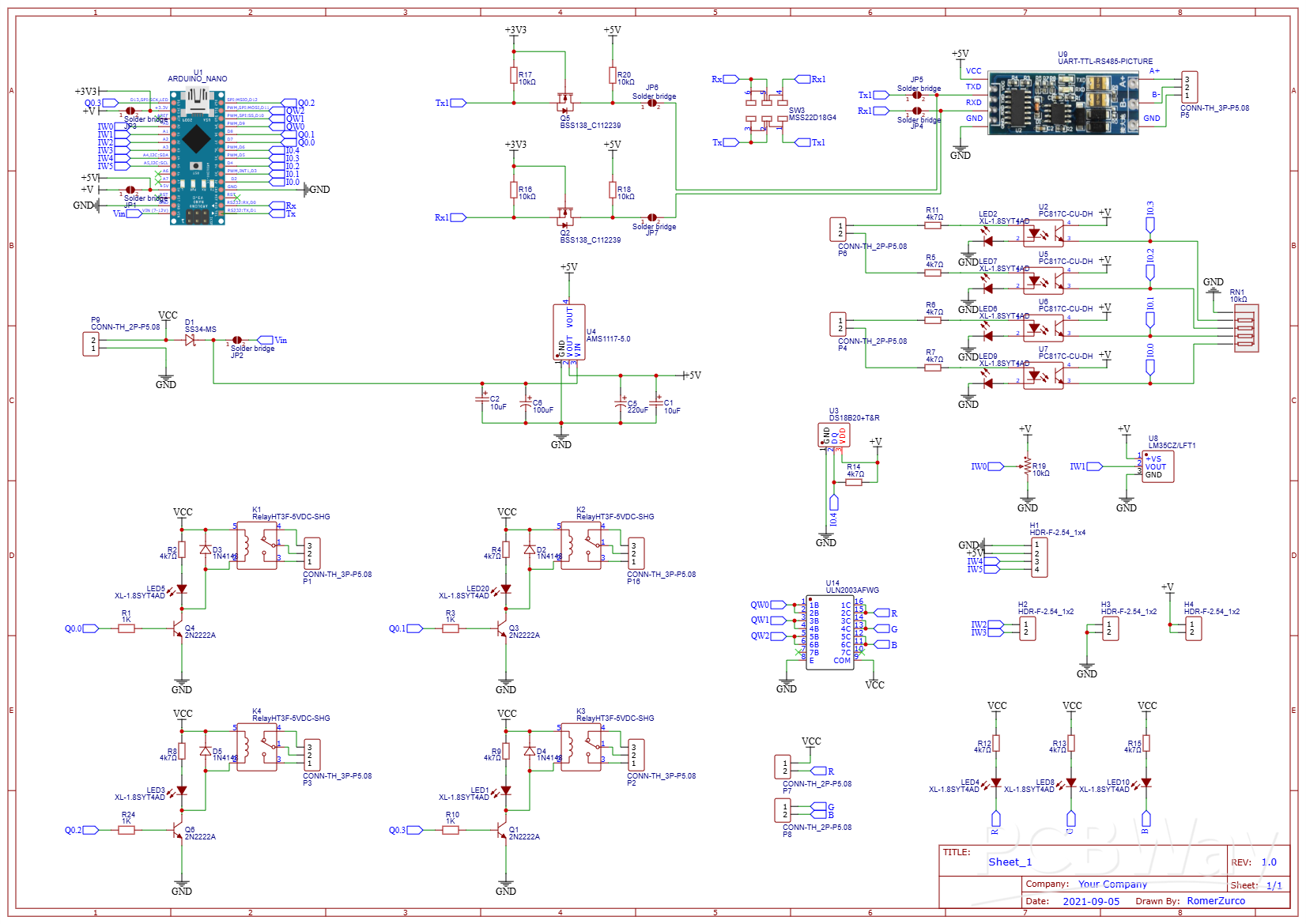
PLC con Arduino Nano v3.0
La placa entrenadora PLC con Arduino Nano esta diseñada para trabajar con OpenPLC y programar en lenguaje ladder pero tambien se puede usar con el IDE de Arduino sin ningun problema incluye modulo TTL to RS485 para comunicacion Modbus RTU
Schematic and Layout
Apr 21,2026
29 views
PLC con Arduino Nano v3.0
PLC con Arduino Nano v3.0
29
0
0
Published: Apr 21,2026
Standard PCB
Download Gerber file 0
BOM(Bill of materials)
Centroid file
Purchase
Donation Received ($)
PCBWay Donate 10% cost To Author
Only PCB
PCB+Assembly
*PCBWay community is a sharing platform. We are not responsible for any design issues and parameter issues (board thickness, surface finish, etc.) you choose.
Copy this HTML into your page to embed a link to order this shared project
Copy
Under the
Attribution-ShareAlike (CC BY-SA)
License.
Raspberry Pi 5 7 Inch Touch Screen IPS 1024x600 HD LCD HDMI-compatible Display for RPI 4B 3B+ OPI 5 AIDA64 PC Secondary Screen(Without Speaker)
BUY NOW- Comments(0)
- Likes(0)
Upload photo
You can only upload 5 files in total. Each file cannot exceed 2MB. Supports JPG, JPEG, GIF, PNG, BMP
0 / 10000
It looks like you have not written anything. Please add a comment and try again.
You can upload up to 5 images!
Image size should not exceed 2MB!
File format not supported!
View More
View More
VOTING
0 votes
- 0 USER VOTES
0.00
- YOUR VOTE 0.00 0.00
- 1
- 2
- 3
- 4
- 5
- 6
- 7
- 8
- 9
- 10
Design
1/4
- 1
- 2
- 3
- 4
- 5
- 6
- 7
- 8
- 9
- 10
Usability
2/4
- 1
- 2
- 3
- 4
- 5
- 6
- 7
- 8
- 9
- 10
Creativity
3/4
- 1
- 2
- 3
- 4
- 5
- 6
- 7
- 8
- 9
- 10
Content
4/4
More by Romer Zurco Limachi
-
Shield Modbus RTU para Arduino R3 y R4 RS232 RS485
Shield para Arduino UNO para Modbus RTU que incluye DB9 para RS485 como terminal bornera RS485Nativa...
-
PLC con Arduino Nano v3.0
La placa entrenadora PLC con Arduino Nano esta diseñada para trabajar con OpenPLC y programar en len...
-
Programador esp32 v3
https://www.youtube.com/shorts/pWPeT9ObCOoProgramador USB para esp32 compacto con componentes SMD en...
-
Programador esp32 v2
Programador para esp32 como esp01 incluye socalo para esp32-CAM con interfas USB-C y el driver CH340...
-
Programador esp32 v1
Programador para esp32 como esp8266 por puerto USB-C utilizando el chip CH340C para comunicación TTL...
-
MicroPLC FX2N con STM32 Blue-Pill v2.0 para GX Works2 con Modbus RTU 2 salidas RS485
Con este proyecto de la placa para un PLC con STM32 se puede programar en lenguaje ladder;Alimentaci...
-
OpenPLC como IoT esp32 v2.0 con 8 entradas digitales AC 100-240v como 8 salidas TRIAC con DHT11
Probando la PCB para proyectos con OpenPLC como IoT
-
Construcción de generador de señal de 3 canales 2-10V para apertura de compuertas de climatización
Construcción de generador de señal de 3 canales 2-10V para apertura de compuertas de climatizaciónPD...
-
Construye tu propio micro PLC con STM32F103C con puerto RS232 para Modbus RTU para OpenPLC
Construye tu propio micro PLC con STM32F103C con puerto RS232 para Modbus RTU para OpenPLCAlimentaci...
-
Proyecto de Tester de componentes electronicos con Arduino UNO y MEGA con pantalla LCD y OLED
Proyecto de Tester de componentes electronicos con Arduino UNO y MEGA con pantalla LCD y OLEDArduTes...
-
Construye una tarjeta de entrenamiento para AT89s52 con programador Arduino As a 8051
Construye una tarjeta de entrenamiento para AT89s52 con programador Arduino As a 8051*.ino y 8051, P...
-
Construye tu Osciloscopio y Analizador Lógico con un Raspberry pi pico W, modo Wi-Fi inalámbrico.
Construye tu Osciloscopio y Analizador Lógico con un Raspberry pi pico W, modo Wi-Fi inalámbrico.PDF...
-
Programador as ISP v2.0, para programar ATtiny 45/85, ATmega 16/32, Atmega328p cargar Bootloader
Programador as ISP v2.0, para programar ATtiny 45/85, ATmega 16/32, Atmega328p cargar BootloaderArch...
-
Mini PLC Arduino Atmega128A-AU v1.0 Ladder para Outseal Studio, actualizar Bootloader PLC V5 CH340
Mini PLC Arduino Atmega128A-AU v1.0 Ladder para Outseal Studio, actualizar Bootloader PLC V5 CH340A...
-
Mini PLC para OpenPLC, con ESP32 v2.0, puerto USB-C, Soporte Riel DIN.
Mini PLC para OpenPLC, con ESP32 v2.0, puerto USB-C, Soporte Riel DIN.9 Entradas digitales: 5, 12, ...
-
Arduino UNO Atmega328p-au con LM2596S-ADJ para 5v y AMS1117A-3.3 para 3.3v
Construye tu placa de Arduino UNO como nano con Atmega328p-au con LM2596S-ADJ para 5v y AMS1117A-3....
-
Breadboard kit 5v 3v3 con LM2596S-ADJ y AMS1117A-3.3 para protoboard
⚡ Breadboard kit 5v 3v3 con LM2596S-ADJ y AMS1117A-3.3 para protoboardPickAndPlace y BOM: https://el...
-
Mini PLC FX1N con Raspberry Pi Pico W v2.0 para GX Works2 con TTL a Modbus RTU RS485 como RS232
Mini PLC FX1N con Raspberry Pi Pico W v2.0 para GX Works2 con TTL a Modbus RTU RS485 como RS232Micr...
You may also like
-
-
ARPS-2 – Arduino-Compatible Robot Project Shield for Arduino UNO
1708 0 5 -
-
A Compact Charging Breakout Board For Waveshare ESP32-C3
2251 3 7 -
AI-driven LoRa & LLM-enabled Kiosk & Food Delivery System
2272 2 0 -
-
-
-
ESP32-C3 BLE Keyboard - Battery Powered with USB-C Charging
2437 0 2 -
-







