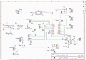
Mini Universal Card v1.5
That sounds like a very interesting and versatile development board! The Mini Universal board with Arduino Nano as the brain appears to be designed for industrial and IoT applications with all these features.
Let me summarize what I understand the board includes:
Communication:
LoRa HC-12 module for long-range wireless communication
Bluetooth for short-range communication
433MHz wireless transmitter
Inputs and Outputs:
Relay outputs for 12V industrial control
12V industrial inputs
Digital inputs and outputs for buttons and other components
Sensors:
Temperature sensors
Support for WS2812 LED strips
This appears to be a very comprehensive board for automation and monitoring projects. Using the Arduino Nano as the base makes it easy to program and integrate with the Arduino IDE.
What are you planning to use the board for? Is it for a specific project, or would you like to know more about how to program any of the functions?
Mini Universal Card v1.5
*PCBWay community is a sharing platform. We are not responsible for any design issues and parameter issues (board thickness, surface finish, etc.) you choose.
Raspberry Pi 5 7 Inch Touch Screen IPS 1024x600 HD LCD HDMI-compatible Display for RPI 4B 3B+ OPI 5 AIDA64 PC Secondary Screen(Without Speaker)
BUY NOW- Comments(0)
- Likes(0)
- 0 USER VOTES
- YOUR VOTE 0.00 0.00
- 1
- 2
- 3
- 4
- 5
- 6
- 7
- 8
- 9
- 10
- 1
- 2
- 3
- 4
- 5
- 6
- 7
- 8
- 9
- 10
- 1
- 2
- 3
- 4
- 5
- 6
- 7
- 8
- 9
- 10
- 1
- 2
- 3
- 4
- 5
- 6
- 7
- 8
- 9
- 10
More by Anders Isaksson
-
-
ARPS-2 – Arduino-Compatible Robot Project Shield for Arduino UNO
910 0 2 -
-
A Compact Charging Breakout Board For Waveshare ESP32-C3
1469 3 6 -
AI-driven LoRa & LLM-enabled Kiosk & Food Delivery System
1426 2 0 -
-
-
-
ESP32-C3 BLE Keyboard - Battery Powered with USB-C Charging
1614 0 1 -
-
mammoth-3D SLM Voron Toolhead – Manual Drill & Tap Edition
1217 0 1







