Manga Reader ESP8266
Greetings everyone,
So here's something fun: a MANGA READER made from scratch with custom PCBs and 3D printed parts.
The brain of this project is an ESP12F Module, which is an ESP8266-based WiFi Module connected to an ILI9225 LCD Screen to display black and white manga panels.


Manga is a style of Japanese comic books and graphic novels, typically aimed at a young adult or adult audience. It is characterized by its distinctive visual style, which often features exaggerated facial expressions, large eyes, and dynamic panel layouts. Manga covers a wide range of genres, including action, adventure, romance, comedy, drama, and more.
I've currently added a few pages of "Way of the House Husband" to the Manga reader device.
The ESP12F minimal setup is linked to a power management IC for power and an LCD screen, which is controlled by the ESP8266 board. The code contains sections of each slide/manga panel that are run in a sequential loop.
This article will explain how this entire concept came to be and how you can make it in a few simple steps, so let's get started.
Materials Required
These were the materials used in this build-
- Custom PCB
- ESP12F Module
- ILI9225 2-inch LCD
- AMS1117
- M7 Diode SMA
- 10uF 1206 Package Capacitor
- 1uF 1206 Package Capacitor
- IP5303 Power Management IC
- 1uF 0805 Package Capacitors
- 10k 0805 Package Resistor
- 10k 0603 Package Resistor
- USB Micro Port
- SMD Button
- CON11 Header Pin for Adding LCD onto PCB
- M2 Screws
- Li-ion Cell 3.7V 2500mAh
- 3D Printed Body with LID
- NODEMCU
Concept/BREADBOARD SETUP


It all began with a straightforward Nodemcu and ILI9225 display setup that was being used to sequentially display a few images when the thought struck: what if we could display a series of comic panels—specifically, manga panels?
In order to test this, a few manga panels were downloaded and cropped to 176x220 pixels because the ILI9225 we're using comes in that size.
After resizing images, we run them through "Image to C Converter,"
It basically turns images into C code, which we include in the main code, which runs each image one by one in a loop.
We connect NODEMCU with the ILI9225 Display with the below pinout-
- VCC of display with Vin of NODEMCU
- GND to GND
- CLK to D5
- SDA to D7
- RS to D2
- RST to D4
- CS to D8
Next, we need to install this library in order to run the sketch.
Once everything is set up, we can upload the sketch to the NODEMCU Board to create a digital manga slide show!
Level 1 was this. In level 2, the ILI9225 display will be driven by a basic ESP12F setup, and battery functionality will be added to make the system portable and useful.
3D Design
In Fusion360, we first create a simple 75x95mm wide PCB model, then we create a rectangular enclosure around it that will support the PCB from the TOP side and contain a Li-ion cell from the bottom.
I exported the STL files for 3D printing the enclosure and its lid with Brown PLA with a 0.6mm nozzle and 0.2mm layer height.
For making the PCB, i used the model's DWG file which was later used in PCB Cad software to make board outline during the editing process.
STEP file of this model is attached if you want to make any edits.
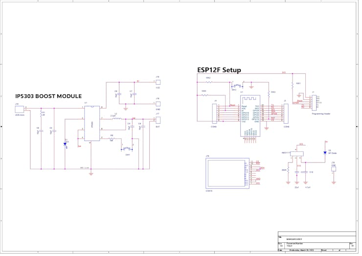
PCB Design


This project's PCB design includes an ESP12F Minimal Setup connected to an ILI9225 Display.
The ESP12F's minimal setup consists of a few resistors pulling down GPIO15 to GND, pulling up the reset pin, EN pin, and GPIO0 to 3V.
An IP5303 IC setup, a power management IC that converts 3.7V of a lithium ion battery to 5V for charging a smartphone or powering any 5V device, is used to power the ESP setup.
The ESP8266 is a 3.3V device, so providing it with 5V will instantly fry the chip. To solve this problem, we added an AMS1117 3.3V Voltage Regulator setup that steps down 5V from the IP5303 to 3.3V to allow the ESP to function as intended.
Following the completion of the schematic, the board was created using the PCB Model DWG file and then sent to PCBWAY for manufacturing.
PCBWAY Service


After the PCB Design was completed, Gerber data was generated and then sent to PCBWAY for samples.
An order was placed for the PCBs with white soldermask and black silkscreen, as its looks pretty cool in general.
The PCBs were received within a week, and they were excellent, as expected.
Really love the quality of PCBs made by PCBWAY. There are other manufacturers available, but their service is always on another level.
check out PCBWay service for getting great PCB service at less cost.
PCB Assembly






- Board Assembly Process begins by first adding solder paste to each component pad one by one.
- Next, using a tweezer, we pick and position each SMD component in its designated location.
- Following that, we carefully lifted the entire circuit board and set it down on the Mini SMT Hotplate, which heats the PCB from below up to the solder paste melting temperature. As soon as the PCB reaches that temperature, the solder paste melts, and all the components are connected to their pads.
- Next, we add the CON11 header pin to its pad and solder it using a regular soldering iron.
- The board assembly process is then finished by soldering the USB Micro port's pads to the PCB.
ILI9225 Display


We are using the 2.0 Inch TFT Display which is powered by the ILI9225 Driver.
The ILI9225 is a driver IC (integrated circuit) used for controlling small to medium-sized TFT LCD (thin-film transistor liquid crystal display) panels. It supports displays with resolutions up to 176x220 pixels and 18-bit (262,144 colors) color depth.
In summary, the ILI9225 is a versatile and widely used driver IC for small to medium-sized TFT LCD displays, and it offers a range of display modes and features for controlling the display.
This display's very low refresh rate makes it unsuitable for running any project involving animation; instead, use the ILI9341 Display or a similar LCD if you want to run gifs or videos without stuttering.
Edit done in PCB

We made some PCB changes prior to flashing, including rewiring the LCD's pins with an ESP12F module.
We disconnected the traces below and added silver copper wire to connect the LCD pins to the ESP8266's I/O pins because some connections were made during the preparation of the schematic in a way that prevented the LCD from functioning.
- We cut the trace that connected CS to GND and connected it to GPIO15.
- We cut the trace from RST's connection to GPIO15 and connected it to GPIO2.
- RS was connected to SDA; we cut that connection, and then connected RS to GPIO4.
- We cut the traces connecting SDA to GPIO4 and added it to GPIO13.
- We cut the trace from CLK's connection to GPIO5 and added it to GPIO14.
The wiring is now correct after the aforementioned modifications, so we can test this board and flash the ESP12F with main code.
Programming the ESP12F with NODEMCU

You might not be aware that any ESP board can be programmed using the NODEMCU Board.
By taking a NODEMCU board and connecting a jumper with its GND Pin and EN Pin, which puts the onboard ESP8266 of the NODEMCU into sleep mode, we may utilize the NODEMCU to program the external ESP12F module.
This enables us to connect an external ESP Board to NODEMCU; so essentially, we are turning off the ESP board on the NODEMCU and connecting a second ESP Board to a few of its pins.
You can read the article below for additional information about this process.
https://www.hackster.io/Arnov_Sharma_makes/program-esp8266-with-nodemcu-7ea1bb
Power Source



We are using a 3.7V 2500mAh Lithium Ion cell as the power source, and we are connecting its positive and negative terminals to the IP5303 setup's battery con2 from the bottom side.
When we press the IP5303 IC's button, the entire setup comes on, and the manga reader starts to function and display a panel of manga.
The project is now finished; all that is left to do is incorporate the circuit into the 3D Enclosure.
Final Assembly




- The battery is first inserted into the enclosure from the top side before the PCB is added.
- Next, we insert two M2 screws to hold the PCB in place.
- The device is then turned, and hot glue is added to the lithium cell to hold it in place.
- Finally, a lid is added to the back of the enclosure and fastened with four M2 screws to complete the assembly process.
RESULT

The Result of this built is a pocket manga reader that continuously loops through panels of manga; yes, the image quality is not the best and it required a tedious process of converting each image into C Code and then combining that code to make a single long code that is flashed into ESP8266 board.
The best thing about this device is its extreme overkillness and how we were able to create a display device that could be used for many XYZ things in addition to just displaying comics. This device is essentially a portable display with a WiFi module that can be used to do all sorts of things, from gathering weather information from the internet to getting the time, it has numerous uses.
Version 2 of this project will have a larger ILI9341 display and a slim form factor because the previous version's use of a li-ion cell, which has an 18mm diameter, made the device's body thicker. By switching to a lipo cell, however, we were able to make the device slightly slimmer.
Do leave a comment if you need any help regarding this project.
This is it for today folks.
Thanks PCBWAY for supporting this project, you guys can check them out if you need great PCB and stencil service for less cost and great quality.
And I'll be back with a new project pretty soon!
#include "SPI.h"
#include "TFT_22_ILI9225.h"
//FOR ESP8266
#define TFT_RST 2
#define TFT_RS 4
#define TFT_CLK 14
#define TFT_SDI 13
#define TFT_CS 15
#define TFT_LED 5
#define TFT_BRIGHTNESS 200
TFT_22_ILI9225 tft = TFT_22_ILI9225(TFT_RST, TFT_RS, TFT_CS, TFT_SDI, TFT_CLK, TFT_LED);
uint16_t x, y;
boolean flag = false;
static const uint8_t PROGMEM image_data_01[] =
{ 0xff, 0xff, 0xff, 0xff, 0xff, 0xff, 0xff, 0xff, 0xff, 0xff, 0xff, 0xff, 0xff, 0xff, 0xff, 0xff, 0xff, 0xff, 0xff, 0xff, 0xff, 0xff, 0xff, 0xff, 0xff, 0xff, 0xff, 0xf0,
0xff, 0xff, 0xff, 0xff, 0xff, 0xff, 0xff, 0xff, 0xff, 0xff, 0xff, 0xff, 0xff, 0xff, 0xff, 0xff, 0xff, 0xff, 0xff, 0xff, 0xff, 0xff, 0xff, 0xff, 0xff, 0xff, 0xff, 0xf0,
0xff, 0xff, 0xff, 0xff, 0xff, 0xff, 0xff, 0xff, 0xff, 0xff, 0xff, 0xff, 0xff, 0xff, 0xff, 0xff, 0xff, 0xff, 0xff, 0xff, 0xff, 0xff, 0xff, 0xff, 0xff, 0xff, 0xff, 0xf0,
0xff, 0xff, 0xff, 0xff, 0xff, 0xff, 0xff, 0xff, 0xff, 0xff, 0xff, 0xff, 0xff, 0xff, 0xff, 0xff, 0xff, 0xff, 0xff, 0xff, 0xff, 0xff, 0xff, 0xff, 0xff, 0xff, 0xff, 0xf0,
0xff, 0xff, 0xff, 0xff, 0xff, 0xff, 0xff, 0xff, 0xff, 0xff, 0xff, 0xff, 0xff, 0xff, 0xff, 0xff, 0xff, 0xff, 0xff, 0xff, 0xff, 0xff, 0xff, 0xff, 0xff, 0xff, 0xff, 0xf0,
0xff, 0xff, 0xff, 0xff, 0xff, 0xff, 0xff, 0xff, 0xff, 0xff, 0xff, 0xff, 0xff, 0xff, 0xff, 0xff, 0xff, 0xff, 0xff, 0xff, 0xff, 0xff, 0xff, 0xff, 0xff, 0xff, 0xff, 0xf0,
0xff, 0xff, 0xff, 0xff, 0xff, 0xff, 0xff, 0xff, 0xff, 0xff, 0xff, 0xff, 0xff, 0xff, 0xff, 0xff, 0xff, 0xff, 0xff, 0xff, 0xff, 0xff, 0xff, 0xff, 0xff, 0xff, 0xff, 0xf0,
0xff, 0xff, 0xff, 0xff, 0xff, 0xff, 0xff, 0xff, 0xff, 0xff, 0xff, 0xff, 0xff, 0xff, 0xff, 0xff, 0xff, 0xff, 0xff, 0xff, 0xff, 0xff, 0xff, 0xff, 0xff, 0xff, 0xff, 0xf0,
0xff, 0xff, 0xff, 0xff, 0xff, 0xff, 0xff, 0xff, 0xff, 0xff, 0xff, 0xff, 0xff, 0xff, 0xff, 0xff, 0xff, 0xff, 0xff, 0xff, 0xff, 0xff, 0xff, 0xff, 0xff, 0xff, 0xff, 0xf0,
0xff, 0xff, 0x00, 0x00, 0x00, 0x00, 0x00, 0x00, 0x00, 0x00, 0x00, 0x00, 0x00, 0x01, 0x80, 0x00, 0x00, 0x00, 0x00, 0x00, 0x00, 0x00, 0x04, 0x01, 0x00, 0x03, 0xff, 0xf0,
0xff, 0xfe, 0x7f, 0xdf, 0xff, 0xff, 0xff, 0xff, 0xe0, 0x07, 0xe9, 0xfe, 0x3f, 0xfd, 0x7f, 0xdf, 0xff, 0xf9, 0xff, 0xff, 0xf3, 0xff, 0xff, 0xdf, 0x80, 0x2b, 0xff, 0xf0,
0xff, 0xfe, 0xff, 0xdf, 0xff, 0xff, 0xff, 0xff, 0xff, 0x7f, 0xff, 0xff, 0xff, 0xfd, 0x7f, 0xff, 0xff, 0xfd, 0xff, 0xff, 0xfb, 0xff, 0xff, 0xff, 0xff, 0xf9, 0xff, 0xf0,
0xff, 0xfe, 0xff, 0xdf, 0xff, 0xff, 0xff, 0xff, 0xff, 0xbf, 0xff, 0xff, 0xff, 0xfd, 0x7f, 0xff, 0xff, 0xfe, 0xff, 0xff, 0xfd, 0xff, 0xff, 0xef, 0xff, 0xbd, 0xff, 0xf0,
0xff, 0xfe, 0xff, 0xdf, 0xff, 0xff, 0xff, 0xff, 0xff, 0xdf, 0xff, 0xff, 0xff, 0xfd, 0x7f, 0xff, 0xff, 0xff, 0x7f, 0xff, 0xff, 0xff, 0xff, 0xf7, 0xff, 0xfd, 0xff, 0xf0,
0xff, 0xfe, 0xff, 0xdf, 0xff, 0xff, 0xff, 0xff, 0xff, 0xe7, 0xff, 0xff, 0xff, 0xfd, 0x7f, 0xff, 0xff, 0xff, 0xff, 0xff, 0xfe, 0xff, 0xff, 0xf7, 0xff, 0xfd, 0xff, 0xf0,
0xff, 0xfe, 0xff, 0xcf, 0xff, 0xff, 0xff, 0xff, 0xff, 0xfb, 0xff, 0xff, 0xff, 0xfd, 0x7f, 0xef, 0xff, 0xff, 0xff, 0xff, 0xff, 0x7f, 0xff, 0xfb, 0xff, 0xfd, 0xff, 0xf0,
0xff, 0xfe, 0xff, 0xdb, 0xff, 0xff, 0xff, 0xff, 0xff, 0xfd, 0xff, 0xff, 0xff, 0xfd, 0x7f, 0xff, 0xff, 0xff, 0xff, 0xff, 0xff, 0xff, 0xff, 0xfb, 0xff, 0xfd, 0xff, 0xf0,
0xff, 0xfe, 0xff, 0xdc, 0xff, 0xff, 0xff, 0xff, 0x00, 0xf6, 0xff, 0xff, 0xfd, 0xfd, 0x7f, 0xfb, 0xff, 0xff, 0xff, 0xff, 0xff, 0xff, 0xff, 0xff, 0xff, 0xfd, 0xff, 0xf0,
0xff, 0xfe, 0xff, 0xdf, 0x7f, 0xff, 0xff, 0xfc, 0x00, 0xff, 0x3f, 0xff, 0xff, 0xfd, 0x7f, 0xed, 0xff, 0xff, 0xff, 0xff, 0xff, 0xdf, 0xff, 0xfd, 0xff, 0xfd, 0xff, 0xf0,
0xff, 0xfe, 0xff, 0xdf, 0xdf, 0xff, 0xff, 0xf8, 0x00, 0x7f, 0x9f, 0xff, 0xf7, 0x7d, 0x7f, 0xf6, 0xff, 0xff, 0xff, 0xff, 0xff, 0xef, 0xff, 0xff, 0xff, 0xf9, 0xff, 0xf0,
0xff, 0xfe, 0xff, 0xdf, 0xf7, 0xff, 0xff, 0xf0, 0x00, 0x3f, 0x5f, 0xff, 0xfb, 0xbd, 0x7f, 0xdb, 0xff, 0xff, 0xff, 0xff, 0xff, 0xff, 0xff, 0xfe, 0xbf, 0xf9, 0xff, 0xf0,
0xff, 0xfe, 0xff, 0xdf, 0xfd, 0xff, 0xff, 0xe0, 0x00, 0x3f, 0x9f, 0xe1, 0xed, 0xfd, 0x7f, 0xde, 0xdf, 0xff, 0xff, 0xff, 0xff, 0xff, 0xff, 0xff, 0x33, 0xfd, 0xff, 0xf0,
0xff, 0xfe, 0xff, 0xdf, 0xff, 0xff, 0xff, 0xe0, 0x00, 0x1f, 0xff, 0xff, 0xf6, 0xed, 0x7f, 0xdf, 0x67, 0xff, 0xff, 0xff, 0xff, 0xff, 0xff, 0xf8, 0xff, 0xfd, 0xff, 0xf0,
0xff, 0xfe, 0xff, 0xc7, 0xff, 0xbf, 0xff, 0xe0, 0x00, 0x3f, 0xdf, 0xff, 0xfb, 0x75, 0x7f, 0xdf, 0xbf, 0xff, 0xff, 0xff, 0xff, 0xff, 0xff, 0xff, 0xff, 0xc1, 0xff, 0xf0,
0xff, 0xfe, 0xff, 0xd1, 0xff, 0xef, 0xff, 0xf0, 0x00, 0x3f, 0xff, 0xff, 0xfd, 0x91, 0x7f, 0xdf, 0xff, 0xff, 0xff, 0xff, 0xff, 0xff, 0xff, 0xf7, 0xf5, 0x79, 0xff, 0xf0,
0xff, 0xfe, 0xff, 0xdc, 0x7f, 0xfb, 0xff, 0xf0, 0x00, 0x3f, 0xff, 0xff, 0xfe, 0xbd, 0x7f, 0xdf, 0xf6, 0xff, 0xff, 0xff, 0xff, 0xff, 0xff, 0xf6, 0x1f, 0xfb, 0xff, 0xf0,
0xff, 0xfe, 0xff, 0xdf, 0x3f, 0xff, 0xff, 0xf2, 0x00, 0x3f, 0xff, 0xff, 0xff, 0x6d, 0x7f, 0xdf, 0xfb, 0x7f, 0xff, 0xff, 0xfe, 0x7f, 0x7f, 0x87, 0xef, 0xa1, 0xff, 0xf0,
0xff, 0xfe, 0xff, 0xd9, 0xcf, 0xff, 0xff, 0xf1, 0x00, 0x7f, 0xff, 0xff, 0xff, 0xf9, 0x7f, 0xdf, 0xff, 0xbf, 0xff, 0xff, 0xfe, 0x7f, 0xbe, 0xfe, 0x3b, 0xf9, 0xff, 0xf0,
0xff, 0xfe, 0xff, 0xd3, 0xf1, 0xff, 0xff, 0xe7, 0x80, 0x7f, 0xff, 0xff, 0xff, 0x65, 0x7f, 0xdf, 0xff, 0xff, 0xff, 0xff, 0xfe, 0x7f, 0xfc, 0x1f, 0xff, 0xf9, 0xff, 0xf0,
0xff, 0xfe, 0xff, 0xd1, 0xfc, 0x7f, 0xff, 0xff, 0x81, 0x3f, 0xff, 0xff, 0xff, 0xfd, 0x7f, 0xdf, 0xff, 0xf7, 0xff, 0xff, 0xfe, 0x7f, 0xde, 0xbf, 0xff, 0xf9, 0xff, 0xf0,
0xff, 0xfe, 0xff, 0xdd, 0xff, 0x1f, 0xff, 0xf3, 0xff, 0xbf, 0xff, 0xff, 0xff, 0xfd, 0x7f, 0xdf, 0xff, 0xf9, 0xff, 0xff, 0xff, 0x7f, 0xef, 0xbf, 0xff, 0xf9, 0xff, 0xf0,
0xff, 0xfe, 0xff, 0xdf, 0xff, 0xc7, 0xff, 0xfd, 0xff, 0x0f, 0x7f, 0xdf, 0xff, 0xfd, 0x7f, 0xdf, 0xff, 0xfd, 0xff, 0xff, 0xff, 0x7f, 0xff, 0xbf, 0xff, 0xf9, 0xff, 0xf0,
0xff, 0xfe, 0xff, 0xdf, 0xff, 0xf1, 0xff, 0xfe, 0xff, 0x07, 0x7f, 0xff, 0xff, 0xfd, 0x7f, 0xdf, 0xff, 0xfe, 0xff, 0xff, 0xdf, 0x1f, 0xfe, 0xbf, 0xff, 0xf9, 0xff, 0xf0,
0xff, 0xfe, 0xff, 0xdd, 0xff, 0xfc, 0x7f, 0xff, 0x7c, 0x03, 0x7f, 0xff, 0xff, 0xfd, 0x7f, 0xdf, 0xff, 0xff, 0xbf, 0xff, 0xef, 0x6f, 0xfb, 0xbf, 0xff, 0xf9, 0xff, 0xf0,
0xff, 0xfe, 0xff, 0xdf, 0xfc, 0xff, 0x3f, 0xff, 0x88, 0x21, 0x7f, 0xff, 0xff, 0xfd, 0x7f, 0xdf, 0xff, 0xff, 0xdf, 0xff, 0xff, 0x7f, 0xff, 0xbf, 0xff, 0xf9, 0xff, 0xf0,
0xff, 0xfe, 0xff, 0xd5, 0xfe, 0xff, 0xcf, 0xff, 0xf1, 0x81, 0x7f, 0xff, 0xff, 0xfd, 0x7f, 0xdf, 0xff, 0xff, 0xef, 0xff, 0xfb, 0x7f, 0xfe, 0xbf, 0xff, 0xf9, 0xff, 0xf0,
0xff, 0xfe, 0xff, 0xdc, 0xbc, 0xff, 0xfb, 0xff, 0xe0, 0x00, 0x7f, 0xff, 0xff, 0xfd, 0x7f, 0xdf, 0xff, 0xff, 0xf3, 0xff, 0xff, 0x3f, 0xfe, 0xbf, 0xff, 0xf9, 0xff, 0xf0,
0xff, 0xfe, 0xff, 0xdd, 0xbc, 0xff, 0xfe, 0xff, 0xc0, 0x00, 0x7f, 0xff, 0xff, 0xfd, 0x7f, 0xdf, 0xff, 0xff, 0xfd, 0xff, 0xff, 0xff, 0xff, 0xbf, 0xff, 0xf9, 0xff, 0xf0,
0xff, 0xfe, 0xff, 0xdd, 0xfc, 0xdf, 0xff, 0xff, 0x80, 0x00, 0x3f, 0xff, 0xff, 0xfd, 0x7f, 0xdf, 0xff, 0xff, 0xfe, 0xff, 0xff, 0xff, 0xff, 0xbf, 0xff, 0xf9, 0xff, 0xf0,
0xff, 0xfe, 0xff, 0xdf, 0xf4, 0x7f, 0xf6, 0xff, 0x80, 0x00, 0x3f, 0xff, 0xff, 0xfd, 0x7f, 0xdf, 0xff, 0xff, 0xff, 0x7f, 0xff, 0xff, 0xff, 0xbf, 0xff, 0xf9, 0xff, 0xf0,
0xff, 0xfe, 0xff, 0xdf, 0xef, 0x7f, 0xdf, 0xff, 0x00, 0x00, 0x1f, 0xff, 0xff, 0xfd, 0x7f, 0xdf, 0xff, 0xff, 0xff, 0x9f, 0xf8, 0x7f, 0xfe, 0xbf, 0xff, 0xf9, 0xff, 0xf0,
0xff, 0xfe, 0xff, 0xdf, 0xfc, 0x6f, 0xc9, 0x7f, 0x00, 0x00, 0x1f, 0xff, 0xff, 0xfd, 0x7f, 0xdf, 0xff, 0xff, 0xff, 0xcf, 0xff, 0xff, 0xfe, 0xbf, 0xff, 0xf9, 0xff, 0xf0,
0xff, 0xfe, 0xff, 0xdf, 0xfe, 0xcf, 0xd7, 0xff, 0x00, 0x00, 0x0f, 0xff, 0xff, 0xfd, 0x7f, 0xdf, 0xff, 0xff, 0xff, 0xf7, 0xff, 0xdf, 0xfe, 0xbf, 0xff, 0xf9, 0xff, 0xf0,
0xff, 0xfe, 0xff, 0xdf, 0xff, 0x79, 0x87, 0xff, 0x00, 0x00, 0x0f, 0xff, 0xff, 0xfd, 0x7f, 0xcf, 0xff, 0xff, 0xff, 0xfb, 0xff, 0x9b, 0xfe, 0xbf, 0xff, 0xf9, 0xff, 0xf0,
0xff, 0xfe, 0xff, 0xc3, 0xff, 0xfe, 0x4e, 0xff, 0x00, 0x00, 0x07, 0xff, 0xff, 0xfd, 0x7f, 0xdf, 0xff, 0xff, 0xff, 0xfd, 0xfc, 0x3d, 0xff, 0xbf, 0xff, 0xf9, 0xff, 0xf0,
0xff, 0xfe, 0xff, 0xdc, 0xff, 0xff, 0xff, 0xfe, 0x00, 0x00, 0x07, 0xff, 0xff, 0xfd, 0x7f, 0xdf, 0xff, 0xff, 0xff, 0xfe, 0xff, 0xf6, 0xff, 0xbf, 0xff, 0xfb, 0xff, 0xf0,
0xff, 0xfe, 0xff, 0xdf, 0xbf, 0xff, 0xff, 0xfe, 0x00, 0x00, 0x03, 0xff, 0xf7, 0xfd, 0x7f, 0xdf, 0x7f, 0xff, 0xff, 0xfe, 0x7f, 0xfb, 0x7e, 0xbf, 0xff, 0xf9, 0xff, 0xf0,
0xff, 0xfe, 0xff, 0xdf, 0xe7, 0xff, 0xcf, 0xfe, 0x00, 0x00, 0x03, 0xff, 0xf5, 0xfd, 0x7f, 0xdf, 0xdf, 0xff, 0xc1, 0xff, 0x7f, 0xfd, 0xbf, 0xbf, 0xff, 0xf9, 0xff, 0xf0,
0xff, 0xfe, 0xff, 0xdf, 0xfd, 0xff, 0xff, 0xfe, 0x00, 0x00, 0x03, 0xfe, 0xff, 0xfd, 0x7f, 0xcf, 0xff, 0xff, 0x80, 0xff, 0x7f, 0xfa, 0xde, 0xbf, 0xff, 0xfb, 0xff, 0xf0,
0xff, 0xfe, 0xff, 0xdf, 0xff, 0xbf, 0xff, 0xfe, 0x00, 0x00, 0x03, 0xff, 0xcf, 0xfd, 0x7f, 0xd3, 0xff, 0xff, 0x00, 0x7f, 0xff, 0xfd, 0x0e, 0xbf, 0xff, 0xf9, 0xff, 0xf0,
0xff, 0xfe, 0xff, 0xcd, 0x7f, 0xef, 0xff, 0xfe, 0x00, 0x00, 0x03, 0xff, 0xff, 0xfd, 0x7f, 0xdc, 0xff, 0xfe, 0x00, 0x7f, 0xff, 0xfe, 0xff, 0xbf, 0xff, 0xf9, 0xff, 0xf0,
0xff, 0xfe, 0xff, 0xd1, 0x3f, 0xff, 0xff, 0xfe, 0x00, 0x00, 0x03, 0xff, 0xff, 0xfd, 0x7f, 0xd7, 0x3f, 0xfe, 0x08, 0x7f, 0xfc, 0xff, 0xec, 0xbf, 0xff, 0xf9, 0xff, 0xf0,
0xff, 0xfe, 0xff, 0xf9, 0xbf, 0xff, 0xff, 0xfc, 0x00, 0x00, 0x03, 0xff, 0xff, 0xfd, 0x7f, 0xd7, 0xcf, 0xff, 0x08, 0x7f, 0xfc, 0xfe, 0x15, 0xbf, 0xff, 0xf9, 0xff, 0xf0,
0xff, 0xfe, 0xff, 0xf6, 0xff, 0xff, 0xff, 0xfc, 0x00, 0x00, 0x03, 0xff, 0xff, 0xfd, 0x7f, 0xdb, 0xf3, 0xff, 0x78, 0x7f, 0xfc, 0x8f, 0xfa, 0xbf, 0xff, 0xf9, 0xff, 0xf0,
0xff, 0xfe, 0xff, 0xfe, 0xff, 0xff, 0xfe, 0x3e, 0x00, 0x00, 0x03, 0x7d, 0xff, 0xfd, 0x7f, 0xdf, 0xfc, 0xff, 0x7f, 0xbe, 0x3c, 0xff, 0xfc, 0xbf, 0xff, 0xf9, 0xff, 0xf0,
0xff, 0xfe, 0xff, 0xfe, 0xff, 0xff, 0xff, 0xfc, 0x00, 0x00, 0x03, 0xff, 0xff, 0xfd, 0x7f, 0xdf, 0xff, 0x3f, 0xbf, 0x8e, 0xfc, 0x3f, 0xfe, 0xbf, 0xff, 0xf9, 0xff, 0xf0,
0xff, 0xfe, 0xff, 0xfe, 0x03, 0xff, 0xff, 0xfc, 0x00, 0x00, 0x03, 0xff, 0xff, 0xfd, 0x7f, 0xdf, 0xff, 0xcf, 0xff, 0x07, 0xfc, 0x9f, 0xff, 0xbf, 0xff, 0xf9, 0xff, 0xf0,
0xff, 0xfe, 0xff, 0xfe, 0xd0, 0xff, 0xff, 0xfc, 0x00, 0x00, 0x03, 0xff, 0xff, 0xfd, 0x7f, 0xd9, 0xff, 0xf7, 0xda, 0x03, 0xfc, 0xff, 0xff, 0xbf, 0xff, 0xf9, 0xff, 0xf0,
0xff, 0xfe, 0xff, 0xcf, 0xcf, 0x7f, 0xfe, 0xfc, 0x00, 0x00, 0x03, 0xff, 0xff, 0xfd, 0x7f, 0xdf, 0xef, 0xff, 0xe2, 0x01, 0xfc, 0xff, 0xff, 0xbf, 0xff, 0xf9, 0xff, 0xf0,
0xff, 0xfe, 0xff, 0xd8, 0xd1, 0xff, 0xff, 0xfc, 0x00, 0x00, 0x03, 0xff, 0xff, 0xfd, 0x7f, 0xdf, 0xef, 0xdf, 0xf8, 0x00, 0xff, 0xff, 0xff, 0xbf, 0xff, 0xf9, 0xff, 0xf0,
0xff, 0xfe, 0xff, 0xc3, 0xff, 0x7f, 0xdf, 0xfc, 0x00, 0x00, 0x03, 0xff, 0xff, 0xfd, 0x7f, 0xdf, 0xff, 0xcf, 0xf0, 0x00, 0xff, 0xff, 0xff, 0xbf, 0xff, 0xf9, 0xff, 0xf0,
0xff, 0xfe, 0xff, 0xdf, 0x7f, 0x7e, 0xdf, 0xfc, 0x00, 0x00, 0x03, 0xff, 0xff, 0xfd, 0x7f, 0xdf, 0xe9, 0xeb, 0xf0, 0x00, 0x7f, 0xff, 0xff, 0xbf, 0xff, 0xf9, 0xff, 0xf0,
0xff, 0xfe, 0xff, 0xdc, 0xc7, 0xf8, 0xfb, 0xb8, 0x00, 0x00, 0x03, 0xff, 0xff, 0xfd, 0x7f, 0xdf, 0xfe, 0x09, 0xf0, 0x00, 0x7f, 0xcf, 0xff, 0xbf, 0xff, 0xfb, 0xff, 0xf0,
0xff, 0xfe, 0xff, 0xdf, 0xfc, 0xf9, 0x8b, 0xf0, 0x00, 0x00, 0x03, 0xff, 0xff, 0xfd, 0x7f, 0xd3, 0xff, 0xcd, 0xe0, 0x00, 0x3f, 0xff, 0xff, 0xbf, 0xff, 0xf9, 0xff, 0xf0,
0xff, 0xfe, 0xff, 0xdd, 0xff, 0x8f, 0xef, 0x20, 0x00, 0x00, 0x07, 0xff, 0xff, 0xfd, 0x7f, 0xde, 0xff, 0xef, 0xe0, 0x00, 0x3f, 0xf9, 0xff, 0xbf, 0xff, 0xf9, 0xff, 0xf0,
0xff, 0xfe, 0xff, 0xdd, 0xff, 0xf8, 0xff, 0xa0, 0x00, 0x00, 0x0f, 0xff, 0xff, 0xfd, 0x7f, 0xdf, 0xff, 0xef, 0xe0, 0x00, 0x3f, 0xf3, 0xff, 0xbf, 0xff, 0xf9, 0xff, 0xf0,
0xff, 0xfe, 0xff, 0xdd, 0xbf, 0xff, 0x1f, 0xc0, 0x00, 0x00, 0x1f, 0xff, 0xff, 0xfd, 0x7f, 0xdf, 0xff, 0xff, 0xe0, 0x00, 0x3f, 0xe7, 0xfe, 0xbf, 0xff, 0xfb, 0xff, 0xf0,
0xff, 0xfe, 0xff, 0xdd, 0xff, 0xff, 0xf9, 0xb0, 0x00, 0x00, 0x1f, 0xff, 0xff, 0xfd, 0x7f, 0xc8, 0xff, 0xff, 0xe0, 0x00, 0x3f, 0xcf, 0xfe, 0xbf, 0xff, 0xf9, 0xff, 0xf0,
0xff, 0xfe, 0xff, 0xdd, 0xff, 0xff, 0xf0, 0x78, 0x18, 0x00, 0x1f, 0xff, 0xff, 0xfd, 0x7f, 0xf0, 0xff, 0xff, 0xc0, 0x00, 0x3f, 0xff, 0xff, 0xbf, 0xff, 0xfd, 0xff, 0xf0,
0xff, 0xfe, 0xff, 0xdb, 0xef, 0xff, 0xea, 0xfc, 0x1f, 0x00, 0x1f, 0xff, 0xff, 0xfd, 0x7f, 0xff, 0xff, 0xff, 0xc0, 0x00, 0x3d, 0xff, 0xff, 0xbf, 0xff, 0xfb, 0xff, 0xf0,
0xff, 0xfe, 0xff, 0xdc, 0x57, 0xff, 0xef, 0xf3, 0x7f, 0xfd, 0xbd, 0xe7, 0xff, 0xfd, 0x7f, 0xdf, 0xff, 0xff, 0xe0, 0x00, 0x34, 0xff, 0xfc, 0xbf, 0xff, 0xfb, 0xff, 0xf0,
0xff, 0xfe, 0xff, 0xcb, 0xdf, 0xff, 0xdf, 0xdf, 0xff, 0xff, 0xdf, 0xff, 0xff, 0xfd, 0x7f, 0xdc, 0x1f, 0xff, 0xe0, 0x00, 0x3c, 0xff, 0xff, 0xbf, 0xff, 0xf9, 0xff, 0xf0,
0xff, 0xfe, 0xff, 0xd5, 0xfa, 0x00, 0x3f, 0x7b, 0xff, 0xe0, 0x9f, 0xff, 0xff, 0xfd, 0x7f, 0xdf, 0x6f, 0xff, 0xc0, 0x00, 0x3e, 0xff, 0xff, 0xbf, 0xff, 0xf9, 0xff, 0xf0,
0xff, 0xfe, 0xff, 0xdd, 0xfb, 0x7f, 0xce, 0xff, 0xfc, 0x00, 0xab, 0xff, 0xff, 0xfd, 0x7f, 0xdb, 0xff, 0xef, 0xc0, 0x00, 0x3e, 0x9f, 0xff, 0xbf, 0xff, 0xf9, 0xff, 0xf0,
0xff, 0xfe, 0xff, 0xd5, 0xfb, 0x7f, 0xf6, 0xff, 0xf8, 0x00, 0xa9, 0xff, 0xff, 0xfd, 0x7f, 0xdf, 0xf7, 0xdf, 0xc0, 0x00, 0x3e, 0xff, 0xff, 0xbf, 0xff, 0xf9, 0xff, 0xf0,
0xff, 0xfe, 0xff, 0xd4, 0x02, 0x3f, 0xf9, 0xff, 0xf8, 0x00, 0x5d, 0xff, 0xff, 0xfd, 0x7f, 0xdf, 0xfe, 0x77, 0x80, 0x00, 0x3e, 0xff, 0xff, 0xbf, 0xff, 0xf9, 0xff, 0xf0,
0xff, 0xfe, 0xff, 0xdf, 0xf8, 0x03, 0xfd, 0xff, 0xf8, 0x00, 0x5f, 0xf7, 0xff, 0xfd, 0x7f, 0xd3, 0xff, 0xce, 0x00, 0x00, 0x7e, 0xff, 0xff, 0xbf, 0xff, 0xf9, 0xff, 0xf0,
0xff, 0xfe, 0xff, 0xff, 0xff, 0xe0, 0x1e, 0x7f, 0xf0, 0x00, 0x57, 0xfc, 0xff, 0xf9, 0x7f, 0xdb, 0xff, 0xfe, 0x00, 0x00, 0x7f, 0xff, 0xff, 0xbf, 0xff, 0xf9, 0xff, 0xf0,
0xff, 0xfe, 0xff, 0xff, 0xff, 0xff, 0x01, 0x97, 0xf0, 0x00, 0x56, 0x59, 0x7f, 0xf9, 0x7f, 0xde, 0xff, 0xfe, 0x00, 0x00, 0x7f, 0xff, 0xff, 0xbf, 0xff, 0xf9, 0xff, 0xf0,
0xff, 0xfe, 0xff, 0xc8, 0x73, 0xff, 0xfc, 0x07, 0xf0, 0x00, 0x55, 0xf3, 0xff, 0xfd, 0x7f, 0xdf, 0xff, 0xf8, 0x00, 0x00, 0x7f, 0xff, 0xff, 0xbf, 0xff, 0xfb, 0xff, 0xf0,
0xff, 0xfe, 0xff, 0xf1, 0xdf, 0xcf, 0xff, 0xf7, 0xe0, 0x00, 0x44, 0x3e, 0xff, 0xfd, 0x7f, 0xdb, 0xff, 0xf7, 0x06, 0x00, 0x67, 0xff, 0xff, 0xbf, 0xff, 0xf9, 0xff, 0xf0,
0xff, 0xfe, 0xff, 0xdf, 0x5f, 0xff, 0xff, 0xf7, 0xe0, 0x00, 0x9f, 0xa2, 0xff, 0xfd, 0x7f, 0xd7, 0xff, 0xee, 0x0f, 0x80, 0xdf, 0xcf, 0xff, 0xbf, 0xff, 0xf9, 0xff, 0xf0,
0xff, 0xfe, 0xff, 0xff, 0x57, 0xe7, 0xff, 0xf7, 0xe0, 0x00, 0x9d, 0xbf, 0xff, 0xfd, 0x7f, 0xdb, 0xe0, 0x1f, 0xff, 0xfe, 0x1f, 0xdf, 0xff, 0xbf, 0xff, 0xf9, 0xff, 0xf0,
0xff, 0xfe, 0xff, 0xff, 0x7f, 0xf3, 0xdf, 0xf7, 0xc0, 0x00, 0x8f, 0xc5, 0xff, 0xfd, 0x7f, 0xdb, 0xf7, 0xff, 0xbf, 0xf9, 0x4f, 0xbf, 0xff, 0xbf, 0xff, 0xf9, 0xff, 0xf0,
0xff, 0xfe, 0xff, 0xff, 0x5f, 0xff, 0xfe, 0x77, 0xc0, 0x00, 0x0f, 0xfd, 0xff, 0xfd, 0x7f, 0xd0, 0x04, 0x36, 0x3f, 0x01, 0x67, 0x7f, 0xff, 0xbf, 0xff, 0xf9, 0xff, 0xf0,
0xff, 0xfe, 0xff, 0xff, 0x5f, 0xff, 0xff, 0xef, 0xc0, 0x00, 0x1b, 0xff, 0xff, 0xfd, 0x7f, 0xff, 0xf8, 0x1c, 0x3e, 0x01, 0x3f, 0xff, 0xc7, 0xbf, 0xff, 0xfb, 0xff, 0xf0,
0xff, 0xfe, 0xff, 0xff, 0x5f, 0xff, 0xff, 0xef, 0x80, 0x00, 0x1f, 0xfb, 0xff, 0xfd, 0x7f, 0xff, 0xff, 0xc0, 0x3e, 0x01, 0x79, 0x7f, 0xd0, 0xbf, 0xff, 0xf9, 0xff, 0xf0,
0xff, 0xfe, 0xff, 0xff, 0x5f, 0xfd, 0x0d, 0xff, 0x80, 0x00, 0x0f, 0xff, 0xff, 0xfd, 0x7f, 0xc3, 0xff, 0xff, 0x3c, 0x00, 0x42, 0xbf, 0xfc, 0xbf, 0xff, 0xf9, 0xff, 0xf0,
0xff, 0xfe, 0xff, 0xff, 0x5f, 0xfd, 0xf7, 0xef, 0x80, 0x00, 0x0f, 0xff, 0xff, 0xfd, 0x7f, 0xfe, 0xef, 0xff, 0xbc, 0x00, 0x8a, 0x7f, 0xff, 0xbf, 0xff, 0xf9, 0xff, 0xf0,
0xff, 0xfe, 0xff, 0xc7, 0x5f, 0xfd, 0xcd, 0x6f, 0x00, 0x00, 0x3f, 0xff, 0xff, 0xfd, 0x7f, 0xff, 0xff, 0x3f, 0xbc, 0x00, 0x30, 0xff, 0xff, 0xbf, 0xff, 0xf9, 0xff, 0xf0,
0xff, 0xfe, 0xff, 0xff, 0xdf, 0xff, 0xff, 0x8f, 0x00, 0x00, 0x3d, 0xff, 0xff, 0xfd, 0x7f, 0xfd, 0xff, 0xfc, 0x78, 0x00, 0x1f, 0x7f, 0xff, 0xbf, 0xff, 0xf9, 0xff, 0xf0,
0xff, 0xfe, 0xff, 0xc1, 0x9f, 0xff, 0xfd, 0xff, 0x00, 0x00, 0x7d, 0xff, 0xd6, 0x7d, 0x7f, 0xff, 0xff, 0xff, 0xf8, 0x00, 0x3f, 0xff, 0xff, 0xbf, 0xff, 0xf9, 0xff, 0xf0,
0xff, 0xfe, 0xff, 0xff, 0xdf, 0xff, 0xff, 0xee, 0x00, 0x00, 0x7d, 0xff, 0xff, 0xfd, 0x7f, 0xfd, 0xff, 0x8f, 0xf8, 0x00, 0x1f, 0xff, 0xff, 0xbf, 0xff, 0xf9, 0xff, 0xf0,
0xff, 0xfe, 0xff, 0x83, 0xff, 0xff, 0xfd, 0xee, 0x00, 0x00, 0x7d, 0xff, 0xef, 0xfd, 0x7f, 0xdd, 0xff, 0x7e, 0x70, 0x00, 0x29, 0xff, 0xff, 0xbf, 0xff, 0xfb, 0xff, 0xf0,
0xff, 0xfe, 0xff, 0xff, 0xdf, 0xff, 0xfd, 0xee, 0x00, 0x00, 0x7d, 0xff, 0xff, 0xfd, 0x7f, 0xde, 0xff, 0xff, 0x70, 0x00, 0x2f, 0xe6, 0xff, 0xbf, 0xff, 0xf9, 0xff, 0xf0,
0xff, 0xfe, 0xff, 0x83, 0x9f, 0xff, 0xff, 0xee, 0x00, 0x00, 0x7d, 0xff, 0xfe, 0xfd, 0x7f, 0xff, 0xff, 0xfb, 0xf0, 0x00, 0xef, 0xef, 0xff, 0x3e, 0x01, 0x01, 0xff, 0xf0,
0xff, 0xfe, 0xff, 0xff, 0xdf, 0xff, 0xfd, 0xec, 0x00, 0x00, 0x7f, 0xff, 0xff, 0xfd, 0x7f, 0xff, 0x7f, 0xff, 0xe0, 0x00, 0xef, 0xe7, 0xf8, 0x00, 0x07, 0xf9, 0xff, 0xf0,
0xff, 0xfe, 0xff, 0xff, 0xdf, 0xff, 0xfd, 0xfc, 0x00, 0x00, 0x3f, 0xff, 0xff, 0xfd, 0x7f, 0xde, 0xff, 0xfb, 0xe0, 0x00, 0xef, 0xff, 0xfb, 0xff, 0xff, 0xf9, 0xff, 0xf0,
0xff, 0xfe, 0xff, 0xbf, 0xdf, 0xff, 0xfd, 0xfc, 0x00, 0x00, 0x3f, 0xff, 0xff, 0xfd, 0x7f, 0xfe, 0xff, 0xfb, 0xe0, 0x00, 0xef, 0xff, 0xf8, 0x00, 0x00, 0x01, 0xff, 0xf0,
0xff, 0xfe, 0xff, 0xff, 0xdf, 0xff, 0xfd, 0xfc, 0x00, 0x00, 0x3d, 0xff, 0xff, 0xfd, 0x7f, 0xfe, 0xff, 0xfb, 0xe0, 0x00, 0xef, 0xff, 0xf8, 0xbf, 0xff, 0xf9, 0xff, 0xf0,
0xff, 0xfe, 0xff, 0xff, 0xdf, 0xff, 0xfd, 0xec, 0x00, 0x00, 0x3d, 0xff, 0xff, 0xfd, 0x3f, 0xfe, 0xff, 0xfb, 0xe0, 0x00, 0xef, 0xff, 0xfc, 0xbf, 0xff, 0xf9, 0xff, 0xf0,
0xff, 0xfe, 0xff, 0xff, 0xdf, 0xff, 0xff, 0xec, 0x00, 0x00, 0x3d, 0xff, 0xff, 0xfd, 0x3f, 0xfe, 0xff, 0xfb, 0xc0, 0x01, 0xef, 0xff, 0xde, 0xbf, 0xff, 0xf9, 0xff, 0xf0,
0xff, 0xfe, 0xff, 0xbf, 0xdf, 0xff, 0xff, 0xec, 0x00, 0x00, 0x3d, 0xff, 0xff, 0xfd, 0x7f, 0xfe, 0xff, 0xfb, 0xc0, 0x01, 0xef, 0xff, 0xde, 0xbf, 0xff, 0xf9, 0xff, 0xf0,
0xff, 0xfe, 0xff, 0xbf, 0xdf, 0xff, 0xff, 0xe8, 0x00, 0x00, 0x3f, 0xff, 0xff, 0xfd, 0x7f, 0xfe, 0xff, 0xff, 0xc0, 0x01, 0xef, 0xff, 0xde, 0xbf, 0xff, 0xf9, 0xff, 0xf0,
0xff, 0xfe, 0xff, 0xbf, 0xdf, 0xff, 0xfd, 0xe8, 0x00, 0x00, 0x3d, 0xff, 0xff, 0xfd, 0x7f, 0xfe, 0xff, 0xff, 0xc0, 0x01, 0xef, 0xff, 0xde, 0xbf, 0xff, 0xf9, 0xff, 0xf0,
0xff, 0xfe, 0xff, 0xbf, 0xdf, 0xff, 0xff, 0xe8, 0x00, 0x00, 0x3f, 0xff, 0xff, 0xfd, 0x3f, 0xfe, 0xff, 0xff, 0xc0, 0x01, 0xff, 0xff, 0xde, 0xbf, 0xff, 0xf9, 0xff, 0xf0,
0xff, 0xfe, 0xff, 0xbf, 0xdf, 0xff, 0xff, 0xe8, 0x00, 0x00, 0x1f, 0xff, 0xff, 0xfd, 0x3f, 0xfe, 0xff, 0xff, 0xc0, 0x01, 0xff, 0xff, 0xde, 0xbf, 0xff, 0xfb, 0xff, 0xf0,
0xff, 0xfe, 0xff, 0xbf, 0xdf, 0xff, 0xff, 0xe8, 0x00, 0x00, 0x1f, 0xff, 0xff, 0xfd, 0x3f, 0xfe, 0xff, 0xff, 0xc0, 0x01, 0xff, 0xff, 0xde, 0xbf, 0xff, 0xf9, 0xff, 0xf0,
0xff, 0xfe, 0xff, 0xbf, 0xdf, 0xff, 0xff, 0xec, 0x00, 0x00, 0x1d, 0xff, 0xff, 0xfd, 0x3f, 0xfe, 0xff, 0xff, 0xc0, 0x01, 0x1f, 0xff, 0xde, 0xbf, 0xff, 0xfb, 0xff, 0xf0,
0xff, 0xfe, 0xff, 0xbf, 0x9f, 0xff, 0xff, 0xec, 0x00, 0x00, 0x1f, 0xff, 0xff, 0xfd, 0x3f, 0xfe, 0xff, 0xff, 0xc0, 0x00, 0xff, 0xff, 0xde, 0xbf, 0xff, 0xf9, 0xff, 0xf0,
0xff, 0xfe, 0xff, 0xbf, 0xdf, 0xff, 0xff, 0xec, 0x00, 0x00, 0x3d, 0xff, 0xff, 0xfd, 0x3f, 0xfe, 0xff, 0xff, 0xa0, 0x00, 0xff, 0xff, 0xde, 0xbf, 0xff, 0xf9, 0xff, 0xf0,
0xff, 0xfe, 0xff, 0xbf, 0xff, 0xff, 0xff, 0xec, 0x00, 0x00, 0x01, 0xff, 0xff, 0xfd, 0x7f, 0xfe, 0xff, 0xff, 0xa0, 0x00, 0xef, 0xff, 0xde, 0xbf, 0xff, 0xf9, 0xff, 0xf0,
0xff, 0xfe, 0xff, 0xbe, 0x3f, 0xff, 0xff, 0xec, 0x00, 0x40, 0x1d, 0xff, 0xff, 0xfd, 0x7f, 0xfe, 0xff, 0xff, 0xa0, 0x00, 0xef, 0xff, 0xde, 0xbf, 0xff, 0xf9, 0xff, 0xf0,
0xff, 0xfe, 0xff, 0xbf, 0xff, 0xff, 0xff, 0xec, 0x00, 0x40, 0x0d, 0xff, 0xff, 0xfd, 0x7f, 0xfe, 0xff, 0xff, 0xa0, 0x00, 0xff, 0xff, 0xde, 0xbf, 0xff, 0xf9, 0xff, 0xf0,
0xff, 0xfe, 0xff, 0xbf, 0xff, 0xff, 0xff, 0xec, 0x00, 0x40, 0x0d, 0xff, 0xff, 0xfd, 0x7f, 0xfe, 0xff, 0xff, 0xa0, 0x00, 0xef, 0xff, 0xde, 0xbf, 0xff, 0xf9, 0xff, 0xf0,
0xff, 0xfe, 0xff, 0xbf, 0xff, 0xff, 0xff, 0xfc, 0x00, 0x40, 0x0d, 0xff, 0xfe, 0xfd, 0x7f, 0xfe, 0xff, 0xff, 0xa0, 0x00, 0x6f, 0xff, 0xdf, 0xbf, 0xff, 0xfb, 0xff, 0xf0,
0xff, 0xfe, 0xff, 0xbf, 0xff, 0xff, 0xff, 0xfc, 0x00, 0x60, 0x0d, 0xff, 0xfe, 0xfd, 0x7f, 0xfe, 0xff, 0xff, 0xa0, 0x00, 0x7f, 0xff, 0xde, 0xbf, 0xff, 0xf9, 0xff, 0xf0,
0xff, 0xfe, 0xff, 0xbf, 0xff, 0xff, 0xff, 0xfc, 0x00, 0x20, 0x05, 0xff, 0xff, 0xfd, 0x7f, 0xfe, 0xff, 0xff, 0xa0, 0x00, 0x7f, 0xff, 0xdf, 0xbf, 0xff, 0xf9, 0xff, 0xf0,
0xff, 0xfe, 0xff, 0xbf, 0xff, 0xff, 0xff, 0xfc, 0x00, 0x20, 0x05, 0xff, 0xff, 0xfd, 0x7f, 0xff, 0xff, 0xff, 0x80, 0x00, 0x6f, 0xff, 0xde, 0xbf, 0xff, 0xf9, 0xff, 0xf0,
0xff, 0xfe, 0xff, 0xbf, 0xff, 0xff, 0xff, 0xf4, 0x00, 0x20, 0x05, 0xff, 0xfe, 0xfd, 0x7f, 0xff, 0xff, 0xff, 0xa0, 0x00, 0x6f, 0xff, 0xdf, 0xbf, 0xff, 0xf9, 0xff, 0xf0,
0xff, 0xfe, 0xff, 0xbf, 0xff, 0xff, 0xff, 0xf6, 0x00, 0x60, 0x05, 0xff, 0xff, 0xfd, 0x7f, 0xff, 0xff, 0xff, 0xe0, 0x00, 0x6f, 0xff, 0xde, 0xbf, 0xff, 0xf9, 0xff, 0xf0,
0xff, 0xfe, 0xff, 0xbf, 0xff, 0xff, 0xff, 0xf4, 0x00, 0x70, 0x01, 0xff, 0xfe, 0xfd, 0x7f, 0xff, 0xff, 0xff, 0xe0, 0x00, 0x6f, 0xfe, 0xc7, 0xbf, 0xff, 0xf9, 0xff, 0xf0,
0xff, 0xfe, 0xff, 0xbf, 0xff, 0xff, 0xff, 0xf2, 0x00, 0x30, 0x03, 0xff, 0xfe, 0xfd, 0x7f, 0xff, 0xff, 0xff, 0xe0, 0x00, 0x6f, 0xee, 0xfe, 0xbf, 0xff, 0xf9, 0xff, 0xf0,
0xff, 0xfe, 0xff, 0xbf, 0xff, 0xff, 0xff, 0xf2, 0x00, 0x30, 0x03, 0xff, 0xfe, 0xfd, 0x7f, 0xff, 0xff, 0xff, 0xe0, 0x00, 0x6f, 0xec, 0x3e, 0xbf, 0xff, 0xf9, 0xff, 0xf0,
0xff, 0xfe, 0xff, 0xbf, 0xff, 0xff, 0xff, 0xfe, 0x00, 0x30, 0x03, 0xff, 0xfe, 0xfd, 0x7f, 0xff, 0xff, 0xff, 0xe0, 0x00, 0x6f, 0xe5, 0xfe, 0xbf, 0xff, 0xf9, 0xff, 0xf0,
0xff, 0xfe, 0xff, 0xbf, 0xff, 0xff, 0xff, 0xfe, 0x00, 0x20, 0x03, 0xff, 0xfe, 0xfd, 0x7f, 0xbf, 0xff, 0xff, 0xe0, 0x00, 0x6f, 0x1f, 0xfe, 0xbf, 0xff, 0xf9, 0xff, 0xf0,
0xff, 0xfe, 0xff, 0xbf, 0xff, 0xff, 0xff, 0xfe, 0x00, 0x20, 0x03, 0xff, 0xfe, 0xfd, 0x7f, 0xbf, 0xff, 0xff, 0xe0, 0x00, 0x6c, 0xef, 0xfe, 0xbf, 0xff, 0xf9, 0xff, 0xf0,
0xff, 0xfe, 0xff, 0xbf, 0xff, 0xff, 0xff, 0xfe, 0x00, 0x30, 0x01, 0xff, 0xfe, 0xfd, 0x7f, 0xbf, 0xff, 0xff, 0xf0, 0x00, 0x42, 0x7f, 0xfe, 0xbf, 0xff, 0xf9, 0xff, 0xf0,
0xff, 0xfe, 0xff, 0xff, 0xff, 0xff, 0xff, 0xff, 0x00, 0x30, 0x01, 0xff, 0xfe, 0xfd, 0x7f, 0xbf, 0xff, 0xff, 0xe0, 0x00, 0x03, 0xff, 0xfe, 0xbf, 0xff, 0xf9, 0xff, 0xf0,
0xff, 0xfe, 0xff, 0xbf, 0xff, 0xff, 0xff, 0xff, 0x00, 0x10, 0x01, 0xff, 0xfe, 0xfd, 0x7f, 0xbf, 0xff, 0xff, 0xe0, 0x00, 0x0f, 0xff, 0xfe, 0xbf, 0xff, 0xf9, 0xff, 0xf0,
0xff, 0xfe, 0xff, 0xbf, 0xff, 0xff, 0xff, 0xff, 0x00, 0x10, 0x01, 0xff, 0xfe, 0x71, 0x7f, 0xbf, 0xff, 0xff, 0xe0, 0x00, 0x7f, 0xff, 0xfe, 0xbf, 0xff, 0xf9, 0xff, 0xf0,
0xff, 0xfe, 0xff, 0xbf, 0xff, 0xff, 0xff, 0xff, 0x00, 0x18, 0x01, 0xff, 0xfe, 0xe5, 0x7f, 0xbf, 0xff, 0xff, 0xe0, 0x00, 0x7f, 0xf0, 0x7e, 0xbf, 0xff, 0xf9, 0xff, 0xf0,
0xff, 0xfe, 0xff, 0xbf, 0xff, 0xff, 0xff, 0xff, 0x00, 0x18, 0x01, 0xff, 0xff, 0xfd, 0x7f, 0xbe, 0xff, 0xff, 0xf0, 0x00, 0x7f, 0xff, 0xee, 0xbf, 0xff, 0xf9, 0xff, 0xf0,
0xff, 0xfe, 0xff, 0xbf, 0xff, 0xff, 0xff, 0xff, 0x00, 0x18, 0x01, 0xff, 0xdc, 0x05, 0x7f, 0xbe, 0xff, 0xfb, 0x80, 0x00, 0x7f, 0xff, 0xfe, 0xbf, 0xff, 0xfb, 0xff, 0xf0,
0xff, 0xfe, 0xff, 0xbf, 0xff, 0xff, 0xff, 0xff, 0x00, 0x18, 0x01, 0xff, 0xc3, 0xfd, 0x7f, 0xbe, 0xff, 0xfa, 0x00, 0x00, 0x7f, 0xff, 0xfe, 0xbf, 0xff, 0xf9, 0xff, 0xf0,
0xff, 0xfe, 0xff, 0xff, 0xff, 0xff, 0xff, 0xff, 0x00, 0x1c, 0x01, 0xff, 0x1f, 0xfd, 0x7f, 0xbe, 0xff, 0xf0, 0x00, 0x00, 0x7f, 0xff, 0xfe, 0xbf, 0xff, 0xf9, 0xff, 0xf0,
0xff, 0xfe, 0xff, 0xbf, 0xff, 0xff, 0xff, 0xff, 0x00, 0x1c, 0x01, 0xfc, 0xf3, 0xfd, 0x7f, 0xbe, 0xff, 0x88, 0xe0, 0x20, 0x7f, 0xff, 0xfe, 0xbf, 0xff, 0xf9, 0xff, 0xf0,
0xff, 0xfe, 0xff, 0xbf, 0xff, 0xff, 0xff, 0xff, 0x00, 0x1c, 0x01, 0xe7, 0x9f, 0xfd, 0x7f, 0xbe, 0xfc, 0x73, 0xe0, 0x00, 0x7f, 0xbf, 0xfe, 0xbf, 0xff, 0xf9, 0xff, 0xf0,
0xff, 0xfe, 0xff, 0xbf, 0xff, 0xff, 0xff, 0xfe, 0x00, 0x1c, 0x01, 0x1e, 0x7f, 0xfd, 0x7f, 0xbe, 0xe3, 0x9f, 0xc0, 0x20, 0x7f, 0x7f, 0xfe, 0xbf, 0xff, 0xf9, 0xff, 0xf0,
0xff, 0xfe, 0xff, 0xbf, 0xff, 0xff, 0xff, 0xfe, 0x00, 0x1c, 0x00, 0xc3, 0xff, 0xfd, 0x7f, 0xbe, 0x1e, 0xff, 0x40, 0x38, 0x7d, 0xff, 0xfe, 0xbf, 0xff, 0xf9, 0xff, 0xf0,
0xff, 0xfe, 0xff, 0xff, 0xff, 0xff, 0xff, 0xfe, 0x00, 0x1c, 0x00, 0x1f, 0xff, 0xfd, 0x7f, 0xbe, 0xf7, 0xf9, 0xc0, 0x1f, 0xf7, 0xff, 0xfe, 0xbf, 0xff, 0xfb, 0xff, 0xf0,
0xff, 0xfe, 0xff, 0xff, 0xff, 0xff, 0xff, 0xfe, 0x00, 0x3c, 0x00, 0xff, 0xff, 0xfd, 0x7f, 0xbd, 0xff, 0xe7, 0xb0, 0x00, 0xdf, 0xff, 0xff, 0x00, 0xff, 0xfb, 0xff, 0xf0,
0xff, 0xfe, 0xff, 0xff, 0xff, 0xff, 0xff, 0xfe, 0x00, 0x30, 0x01, 0xff, 0xff, 0xfd, 0x7f, 0x9c, 0xff, 0xbc, 0xfe, 0x3f, 0x7f, 0xff, 0xff, 0x7c, 0x00, 0x01, 0xff, 0xf0,
0xff, 0xfe, 0xff, 0xff, 0xff, 0xff, 0xff, 0xff, 0x00, 0x00, 0x01, 0xff, 0xff, 0xfd, 0x7f, 0xb3, 0xfe, 0x79, 0xfe, 0x7d, 0xff, 0xff, 0xff, 0x7f, 0xff, 0xe1, 0xff, 0xf0,
0xff, 0xfe, 0xff, 0xff, 0xff, 0xff, 0xff, 0xff, 0x00, 0x00, 0x01, 0x84, 0xff, 0xfd, 0x7f, 0x8f, 0xff, 0xf8, 0x73, 0xf7, 0xff, 0xff, 0xff, 0x01, 0xff, 0xf9, 0xff, 0xf0,
0xff, 0xfe, 0xff, 0xff, 0xbf, 0xff, 0xff, 0xff, 0x00, 0x06, 0x01, 0xff, 0xfc, 0x01, 0x7f, 0xbf, 0xff, 0xff, 0x3c, 0x1f, 0xff, 0xff, 0xff, 0xff, 0xc0, 0x0b, 0xff, 0xf0,
0xff, 0xfe, 0xff, 0xff, 0xbf, 0xff, 0xfd, 0xfe, 0x00, 0x3e, 0x01, 0xff, 0xff, 0xfd, 0x7f, 0xbf, 0xff, 0xff, 0xff, 0xff, 0xff, 0xff, 0xff, 0xff, 0xff, 0xf1, 0xff, 0xf0,
0xff, 0xfe, 0xff, 0xff, 0xbf, 0xff, 0xfd, 0xfc, 0x00, 0x7e, 0x01, 0xff, 0xff, 0xed, 0x7f, 0xbf, 0xff, 0xff, 0xff, 0xff, 0xff, 0xff, 0xff, 0xff, 0xff, 0xfd, 0xff, 0xf0,
0xff, 0xfe, 0xff, 0xff, 0xbf, 0xff, 0xfd, 0xe0, 0x00, 0x7c, 0x01, 0xff, 0xff, 0xbd, 0x7f, 0xbf, 0xff, 0xff, 0xff, 0xff, 0xff, 0xff, 0xff, 0xff, 0xff, 0xfd, 0xff, 0xf0,
0xff, 0xfe, 0xff, 0xff, 0xbf, 0xff, 0xfd, 0x00, 0x00, 0x72, 0x01, 0xff, 0xfe, 0xfd, 0x7f, 0xbf, 0xff, 0xff, 0xff, 0xff, 0xff, 0xff, 0xff, 0xff, 0xff, 0xfd, 0xff, 0xf0,
0xff, 0xfe, 0xff, 0xff, 0xbf, 0xff, 0xf8, 0x00, 0x00, 0x5f, 0x81, 0xff, 0xfb, 0xfd, 0x7f, 0xbf, 0xff, 0xff, 0xff, 0xff, 0xff, 0xff, 0xff, 0xff, 0xff, 0xfd, 0xff, 0xf0,
0xff, 0xfe, 0xff, 0xff, 0xbf, 0xff, 0xc0, 0x04, 0x00, 0x47, 0xe3, 0xff, 0xff, 0xfd, 0x7f, 0xbf, 0xff, 0xff, 0xff, 0xff, 0xff, 0xff, 0xff, 0xff, 0xff, 0xfd, 0xff, 0xf0,
0xff, 0xfe, 0xff, 0xff, 0xbf, 0xfe, 0x00, 0x3c, 0x00, 0x7c, 0xfb, 0xff, 0xff, 0xfd, 0x7f, 0xbf, 0xff, 0xff, 0xff, 0xff, 0xff, 0xff, 0xff, 0xff, 0xff, 0xfd, 0xff, 0xf0,
0xff, 0xfe, 0xff, 0xff, 0xbf, 0xf0, 0x00, 0xfc, 0x00, 0x7f, 0xc7, 0xff, 0xff, 0xfd, 0x7f, 0xbf, 0xff, 0xff, 0xff, 0xff, 0xff, 0xff, 0xff, 0xff, 0xff, 0xfd, 0xff, 0xf0,
0xff, 0xfe, 0xff, 0xff, 0xbf, 0x80, 0x07, 0xfc, 0x00, 0x7f, 0xff, 0xfd, 0xff, 0xfd, 0x7f, 0xbf, 0xff, 0xff, 0xff, 0xff, 0xff, 0xff, 0xff, 0xff, 0xff, 0xf9, 0xff, 0xf0,
0xff, 0xfe, 0xff, 0xff, 0xbc, 0x00, 0x3f, 0xf8, 0x00, 0x7f, 0xff, 0xf3, 0xff, 0xfd, 0x7f, 0xbf, 0xff, 0xff, 0xff, 0xff, 0xff, 0xff, 0xff, 0xff, 0xff, 0xfd, 0xff, 0xf0,
0xff, 0xfe, 0xff, 0xff, 0xa0, 0x00, 0xff, 0xe7, 0x80, 0x7f, 0xff, 0xcf, 0xff, 0xfd, 0x7f, 0xbf, 0xff, 0xff, 0xff, 0xff, 0xff, 0xff, 0xff, 0xff, 0xff, 0xf9, 0xff, 0xf0,
0xff, 0xfe, 0xff, 0xff, 0x80, 0x07, 0xff, 0x1f, 0xf0, 0x7f, 0xff, 0x3f, 0xff, 0xfd, 0x7f, 0xbf, 0xff, 0xff, 0xff, 0xff, 0xff, 0xff, 0xff, 0xff, 0xff, 0xf9, 0xff, 0xf0,
0xff, 0xfe, 0xff, 0xff, 0x80, 0x3f, 0xfc, 0xff, 0xf8, 0xff, 0xfe, 0xff, 0xff, 0xfd, 0x7f, 0xbf, 0xff, 0xff, 0xff, 0xff, 0xff, 0xff, 0xff, 0xff, 0xff, 0xf9, 0xff, 0xf0,
0xff, 0xfe, 0xff, 0xfe, 0x01, 0xff, 0xe4, 0xff, 0xe7, 0xff, 0xf3, 0xff, 0xff, 0xfd, 0x7f, 0xbf, 0xff, 0xff, 0xff, 0xff, 0xff, 0xff, 0xff, 0xff, 0xff, 0xf9, 0xff, 0xf0,
0xff, 0xfe, 0xff, 0xf7, 0x07, 0xff, 0x9e, 0x3f, 0xbf, 0xff, 0xdf, 0xff, 0xff, 0xfd, 0x7f, 0xbf, 0xff, 0xff, 0xff, 0xff, 0xff, 0xff, 0xff, 0xff, 0xff, 0xfd, 0xff, 0xf0,
0xff, 0xfe, 0xff, 0x9f, 0x3f, 0xfe, 0x7f, 0x08, 0x7f, 0xff, 0x3f, 0xff, 0xff, 0xfd, 0x7f, 0xbf, 0xff, 0xff, 0xff, 0xff, 0xff, 0xff, 0xff, 0xff, 0xff, 0xf9, 0xff, 0xf0,
0xff, 0xfe, 0xff, 0xf8, 0xff, 0xf9, 0xff, 0xc7, 0xff, 0xfe, 0xff, 0xff, 0xff, 0xfd, 0x7f, 0xbf, 0xff, 0xff, 0xff, 0xff, 0xff, 0xff, 0xff, 0xff, 0xff, 0xf9, 0xff, 0xf0,
0xff, 0xfe, 0xff, 0xc7, 0xff, 0xf8, 0x03, 0xff, 0xff, 0xfb, 0xff, 0xff, 0xff, 0xfd, 0x7f, 0x9f, 0xff, 0xff, 0xff, 0xff, 0xff, 0xff, 0xff, 0xff, 0xff, 0xf9, 0xff, 0xf0,
0xff, 0xfe, 0xff, 0x9f, 0xff, 0xff, 0xff, 0x00, 0x3f, 0xef, 0xff, 0xff, 0xff, 0xfd, 0x7f, 0x1f, 0xff, 0xff, 0xff, 0xff, 0xff, 0xff, 0xff, 0xff, 0xff, 0xfd, 0xff, 0xf0,
0xff, 0xfe, 0x7f, 0x06, 0x1e, 0xc8, 0xff, 0xbe, 0x00, 0x1f, 0x6f, 0xfe, 0xff, 0xcd, 0x7c, 0x1e, 0xff, 0xef, 0xfd, 0xdd, 0xbf, 0xe3, 0xee, 0xff, 0x6f, 0x79, 0xff, 0xf0,
0xff, 0xff, 0x00, 0x00, 0x00, 0x00, 0x00, 0x00, 0x00, 0x00, 0x00, 0x00, 0x00, 0x01, 0x00, 0x00, 0x00, 0x00, 0x00, 0x00, 0x00, 0x00, 0x00, 0x00, 0x00, 0x03, 0xff, 0xf0,
0xff, 0xff, 0xff, 0xff, 0xff, 0xff, 0xff, 0xff, 0xff, 0xff, 0xff, 0xff, 0xff, 0xff, 0xff, 0xff, 0xff, 0xff, 0xff, 0xff, 0xff, 0xff, 0xff, 0xff, 0xff, 0xff, 0xff, 0xf0,
0xff, 0xff, 0xff, 0xff, 0xff, 0xff, 0xff, 0xff, 0xff, 0xff, 0xff, 0xff, 0xff, 0xff, 0xff, 0xff, 0xff, 0xff, 0xff, 0xff, 0xff, 0xff, 0xff, 0xff, 0xff, 0xff, 0xff, 0xf0,
0xff, 0xff, 0xff, 0xff, 0xff, 0xff, 0xff, 0xff, 0xff, 0xff, 0xff, 0xff, 0xff, 0xff, 0xff, 0xff, 0xff, 0xff, 0xff, 0xff, 0xff, 0xff, 0xff, 0xff, 0xff, 0xff, 0xff, 0xf0,
0xff, 0xff, 0xff, 0xff, 0xff, 0xff, 0xff, 0xff, 0xff, 0xff, 0xff, 0xff, 0xff, 0xff, 0xff, 0xff, 0xff, 0xff, 0xff, 0xff, 0xff, 0xff, 0xff, 0xff, 0xff, 0xff, 0xff, 0xf0,
0xff, 0xff, 0x00, 0x00, 0x00, 0x00, 0x00, 0x00, 0x00, 0x03, 0x00, 0x00, 0x00, 0x00, 0x00, 0x00, 0x00, 0x02, 0x00, 0x00, 0x00, 0x00, 0x00, 0x00, 0x00, 0x03, 0xff, 0xf0,
0xff, 0xfe, 0x00, 0x00, 0x00, 0x00, 0x0a, 0x07, 0x01, 0xfa, 0x7f, 0xff, 0xff, 0xff, 0xff, 0xff, 0xbf, 0xfa, 0xff, 0xff, 0xff, 0xff, 0xff, 0xff, 0xff, 0xf9, 0xff, 0xf0,
0xff, 0xfe, 0x7f, 0xff, 0xff, 0xff, 0xfa, 0x0f, 0x11, 0xfa, 0xff, 0xff, 0xff, 0xff, 0xff, 0xff, 0xbf, 0xfa, 0xff, 0xff, 0xff, 0xff, 0xff, 0xff, 0xff, 0xf9, 0xff, 0xf0,
0xff, 0xfe, 0x7f, 0xff, 0xff, 0xff, 0xf7, 0x0f, 0x11, 0xfa, 0xff, 0xff, 0xff, 0xff, 0xff, 0xff, 0xff, 0xfa, 0xff, 0xff, 0xff, 0xff, 0xff, 0xff, 0xff, 0xf9, 0xff, 0xf0,
0xff, 0xfe, 0x7f, 0xff, 0xff, 0xff, 0xc7, 0x0f, 0x09, 0xfa, 0xff, 0xff, 0xff, 0xff, 0xff, 0xff, 0xff, 0xfa, 0xff, 0xff, 0xff, 0xff, 0xff, 0xff, 0xff, 0xf9, 0xff, 0xf0
};
static const uint8_t PROGMEM image_data_02[] =
{
0xff, 0xff, 0xff, 0xff, 0xff, 0xff, 0xff, 0xff, 0xff, 0xff, 0xff, 0xff, 0xff, 0xff, 0xff, 0xff, 0xff, 0xff, 0xff, 0xff, 0xff, 0xff, 0xff, 0xff, 0xff, 0xff, 0xff, 0xf0,
0xff, 0xff, 0xff, 0xff, 0xff, 0xff, 0xff, 0xff, 0xff, 0xff, 0xff, 0xff, 0xff, 0xff, 0xff, 0xff, 0xff, 0xff, 0xff, 0xff, 0xff, 0xff, 0xff, 0xff, 0xff, 0xff, 0xff, 0xf0,
0xff, 0xff, 0xff, 0xff, 0xff, 0xff, 0xff, 0xff, 0xff, 0xff, 0xff, 0xff, 0xff, 0xff, 0xff, 0xff, 0xff, 0xff, 0xff, 0xff, 0xff, 0xff, 0xff, 0xff, 0xff, 0xff, 0xff, 0xf0,
0xff, 0xff, 0xff, 0xff, 0xff, 0xdf, 0xff, 0xff, 0xff, 0xff, 0xdd, 0xff, 0xff, 0xff, 0xff, 0xfd, 0xdd, 0xff, 0xb7, 0xff, 0xff, 0xff, 0xff, 0xff, 0xdf, 0xff, 0xff, 0xf0,
0xff, 0xff, 0x00, 0x00, 0x00, 0x00, 0x00, 0x00, 0x00, 0x81, 0x00, 0x00, 0x00, 0x00, 0x00, 0x00, 0x00, 0x02, 0x00, 0x00, 0x00, 0x00, 0x00, 0x00, 0x00, 0x07, 0xff, 0xf0,
0xff, 0xff, 0x3f, 0xff, 0xff, 0xff, 0xff, 0x0f, 0x01, 0xf9, 0x7f, 0xff, 0xff, 0xff, 0xff, 0xff, 0xbf, 0xfa, 0xff, 0xff, 0xff, 0xff, 0xff, 0xff, 0xff, 0xf7, 0xff, 0xf0,
0xff, 0xff, 0x3f, 0xff, 0xff, 0xff, 0xf9, 0x0f, 0x88, 0xfd, 0x7f, 0xff, 0xff, 0xff, 0xff, 0xff, 0xbf, 0xfa, 0xff, 0xff, 0xff, 0xff, 0xff, 0xff, 0xff, 0xf7, 0xff, 0xf0,
0xff, 0xff, 0x3f, 0xff, 0xff, 0xff, 0xf3, 0x8f, 0x88, 0xfd, 0x7f, 0xff, 0xff, 0xff, 0xff, 0xff, 0xff, 0xf2, 0xff, 0xff, 0xff, 0xff, 0xff, 0xff, 0xff, 0xf7, 0xff, 0xf0,
0xff, 0xff, 0x3f, 0xff, 0xff, 0xff, 0xcf, 0x8f, 0x8a, 0xfd, 0x7f, 0xff, 0xff, 0xff, 0xff, 0xff, 0xff, 0xfa, 0xff, 0xff, 0xff, 0xff, 0xff, 0xff, 0xff, 0xf7, 0xff, 0xf0,
0xff, 0xff, 0x3f, 0xff, 0xff, 0xf8, 0x07, 0x8f, 0x88, 0xfd, 0x7f, 0xff, 0xff, 0xff, 0xff, 0xff, 0xff, 0xfa, 0xff, 0xff, 0xff, 0xff, 0xff, 0xff, 0xff, 0xf7, 0xff, 0xf0,
0xff, 0xff, 0x3f, 0xff, 0xf8, 0x00, 0x03, 0x87, 0xc8, 0xfd, 0x7f, 0xff, 0xff, 0xff, 0xff, 0xff, 0xff, 0xf2, 0xff, 0xff, 0xff, 0xff, 0xff, 0xff, 0xff, 0xf7, 0xff, 0xf0,
0xff, 0xff, 0xbf, 0xff, 0xf8, 0x0f, 0x83, 0x87, 0xc8, 0xfd, 0x7f, 0xff, 0xff, 0xff, 0xff, 0xff, 0xff, 0xfa, 0xff, 0xff, 0xff, 0xff, 0xff, 0xff, 0xff, 0xf7, 0xff, 0xf0,
0xff, 0xff, 0x3f, 0xff, 0xf8, 0x3f, 0xc3, 0x07, 0xc4, 0x7d, 0x7f, 0xff, 0xff, 0xff, 0xff, 0xff, 0xff, 0xfa, 0xff, 0xff, 0xff, 0xff, 0xff, 0xff, 0xff, 0xf7, 0xff, 0xf0,
0xff, 0xff, 0x3f, 0xff, 0xf8, 0x3f, 0xc0, 0xd7, 0xc4, 0x7d, 0x7f, 0xff, 0xff, 0xff, 0xff, 0xf3, 0xff, 0xfa, 0xff, 0xff, 0xff, 0xff, 0xff, 0xff, 0xff, 0xf7, 0xff, 0xf0,
0xff, 0xff, 0x3f, 0xff, 0xf0, 0x3f, 0xc3, 0xe7, 0xc5, 0x7d, 0x7f, 0xff, 0xff, 0xff, 0xff, 0x87, 0xff, 0xfa, 0xff, 0xff, 0xff, 0xff, 0xff, 0xff, 0xff, 0xf7, 0xff, 0xf0,
0xff, 0xff, 0x3f, 0xff, 0xc0, 0x3f, 0xc0, 0x17, 0xc6, 0x7d, 0x7f, 0xff, 0xff, 0xff, 0xf8, 0x3f, 0xfb, 0xfa, 0xff, 0xff, 0xff, 0xff, 0xff, 0xff, 0xff, 0xf7, 0xff, 0xf0,
0xff, 0xff, 0x3f, 0xff, 0x00, 0x3f, 0xc0, 0x03, 0xc5, 0x7d, 0x7f, 0xff, 0xff, 0xff, 0x80, 0xff, 0xff, 0xfa, 0xff, 0xff, 0xff, 0xff, 0xff, 0xff, 0xff, 0xf7, 0xff, 0xf0,
0xff, 0xff, 0x3f, 0xfe, 0x00, 0x3f, 0xe0, 0x03, 0xd6, 0x7d, 0x7f, 0xff, 0xff, 0xf8, 0x03, 0x87, 0xff, 0xfa, 0xff, 0xff, 0xff, 0xff, 0xff, 0xff, 0xff, 0xf7, 0xff, 0xf0,
0xff, 0xff, 0x3f, 0xf8, 0x00, 0x1f, 0xe0, 0x03, 0xc0, 0x3d, 0x7f, 0xff, 0xff, 0x80, 0x00, 0x3f, 0xff, 0xfa, 0xff, 0xff, 0xff, 0xff, 0xff, 0xff, 0xff, 0xf7, 0xff, 0xf0,
0xff, 0xff, 0x3f, 0xf0, 0x00, 0x1f, 0xe0, 0x0b, 0xe0, 0xbd, 0x7f, 0xff, 0xfe, 0x00, 0x00, 0x7f, 0xff, 0xfa, 0xff, 0xff, 0xff, 0xff, 0xff, 0xff, 0xff, 0xf7, 0xff, 0xf0,
0xff, 0xff, 0x3f, 0xe0, 0x00, 0x1f, 0xe0, 0x03, 0xe0, 0x3d, 0x7f, 0xff, 0xf8, 0x00, 0x00, 0x1f, 0xff, 0xfa, 0xff, 0xff, 0xff, 0xff, 0xff, 0xff, 0xff, 0xf7, 0xff, 0xf0,
0xff, 0xff, 0x3f, 0xc0, 0x00, 0x1f, 0xe0, 0x01, 0xe0, 0x3d, 0x7f, 0xff, 0xe0, 0x00, 0x00, 0x07, 0xff, 0xfa, 0xff, 0xff, 0xff, 0xff, 0xff, 0xff, 0xff, 0xf7, 0xff, 0xf0,
0xff, 0xff, 0x3f, 0x80, 0x00, 0x1f, 0xe0, 0x65, 0xe0, 0x3d, 0x7f, 0xff, 0xc0, 0x00, 0x00, 0x03, 0xff, 0xfa, 0xff, 0xff, 0xff, 0xff, 0xff, 0xff, 0xff, 0xf7, 0xff, 0xf0,
0xff, 0xff, 0x3f, 0x00, 0x00, 0x0f, 0xf0, 0x01, 0xe0, 0x1d, 0x7f, 0xff, 0x00, 0x00, 0x00, 0x01, 0xff, 0xfa, 0x7f, 0xff, 0xff, 0xff, 0xff, 0xff, 0xff, 0xf7, 0xff, 0xf0,
0xff, 0xff, 0x3e, 0x00, 0x00, 0x0f, 0xf0, 0x01, 0xe0, 0x1d, 0x1f, 0xfe, 0x00, 0x02, 0x00, 0x00, 0x7f, 0xfa, 0x9f, 0xff, 0xff, 0xff, 0xff, 0xff, 0xff, 0xf7, 0xff, 0xf0,
0xff, 0xff, 0x3c, 0x00, 0x00, 0x0f, 0xf0, 0x01, 0xe0, 0x01, 0x67, 0xfc, 0x00, 0x00, 0xc2, 0x00, 0x3f, 0xfa, 0xe7, 0xff, 0xff, 0xff, 0xff, 0xff, 0xff, 0xf7, 0xff, 0xf0,
0xff, 0xff, 0x7c, 0x00, 0x00, 0x0f, 0xf0, 0x00, 0x01, 0x01, 0x79, 0xfb, 0xc0, 0x00, 0x39, 0x00, 0x1f, 0xfa, 0xfb, 0xff, 0xff, 0xff, 0xff, 0xff, 0xff, 0xf7, 0xff, 0xf0,
0xff, 0xff, 0x30, 0x00, 0x00, 0x0f, 0xf0, 0x00, 0x00, 0x91, 0x7e, 0x70, 0x08, 0x00, 0x04, 0x80, 0x07, 0xfa, 0x7e, 0xff, 0xff, 0xff, 0xff, 0xff, 0xff, 0xf7, 0xff, 0xf0,
0xff, 0xff, 0x60, 0x00, 0x00, 0x07, 0xf0, 0x00, 0x00, 0x21, 0x53, 0x80, 0x00, 0x00, 0x01, 0xc0, 0x00, 0xfa, 0xd7, 0x3f, 0xff, 0xff, 0xff, 0xff, 0xff, 0xf7, 0xff, 0xf0,
0xff, 0xff, 0x40, 0x00, 0x00, 0x07, 0xf8, 0x00, 0x20, 0x01, 0x77, 0xc0, 0x00, 0x00, 0x00, 0xc0, 0x00, 0x1a, 0xf7, 0xcf, 0xff, 0xff, 0xff, 0xff, 0xff, 0xf7, 0xff, 0xf0,
0xff, 0xff, 0x80, 0x07, 0x00, 0x07, 0xf8, 0x00, 0x08, 0x01, 0x7c, 0x80, 0x00, 0x20, 0x00, 0x20, 0x03, 0xfa, 0xf9, 0xf7, 0xff, 0xff, 0xff, 0xff, 0xff, 0xf7, 0xff, 0xf0,
0xff, 0xff, 0x80, 0x00, 0x60, 0x07, 0xf8, 0x00, 0x04, 0x01, 0x7f, 0x80, 0x10, 0x00, 0x00, 0x10, 0x03, 0xfa, 0xfe, 0xfd, 0xff, 0xff, 0xff, 0xff, 0xff, 0xf7, 0xff, 0xf0,
0xff, 0xff, 0x80, 0x80, 0x18, 0x07, 0xf8, 0x00, 0x02, 0x01, 0x7f, 0x80, 0x03, 0x00, 0x00, 0x90, 0x01, 0xfa, 0xff, 0xbe, 0x7f, 0xff, 0xff, 0xff, 0xff, 0xf7, 0xff, 0xf0,
0xff, 0xff, 0x00, 0x00, 0x02, 0x03, 0xf8, 0x00, 0x00, 0x01, 0x7f, 0x80, 0x00, 0x19, 0xc0, 0x08, 0x00, 0xfa, 0xff, 0xcf, 0x9e, 0xff, 0x7f, 0xff, 0xff, 0xf7, 0xff, 0xf0,
0xff, 0xff, 0x80, 0x00, 0x00, 0x83, 0xf8, 0x00, 0x00, 0x01, 0x7f, 0x80, 0x00, 0x00, 0x00, 0x00, 0x00, 0x7a, 0xff, 0xf3, 0xed, 0xfc, 0xff, 0xff, 0xff, 0xf7, 0xff, 0xf0,
0xff, 0xff, 0x80, 0x00, 0x00, 0x03, 0xfc, 0x00, 0x00, 0x01, 0x7f, 0xc0, 0x00, 0x00, 0x00, 0x04, 0x00, 0x1a, 0xff, 0xfd, 0xf9, 0xf9, 0xff, 0xff, 0xff, 0xf7, 0xff, 0xf0,
0xff, 0xff, 0x80, 0x00, 0x00, 0x03, 0xfc, 0x00, 0x00, 0x01, 0x7f, 0xc4, 0x00, 0x40, 0x00, 0x00, 0x00, 0x02, 0xff, 0xff, 0x79, 0xc0, 0x3f, 0xff, 0xff, 0xf7, 0xff, 0xf0,
0xff, 0xff, 0x80, 0x07, 0xc0, 0x03, 0xfc, 0x00, 0x07, 0x01, 0x7f, 0xc0, 0x00, 0xf0, 0x40, 0x02, 0x00, 0x02, 0xff, 0xff, 0xd2, 0x00, 0x0f, 0xff, 0xff, 0xf7, 0xff, 0xf0,
0xff, 0xff, 0x80, 0x1f, 0xc0, 0x03, 0xfc, 0x00, 0x00, 0x09, 0x7f, 0xd0, 0x01, 0x90, 0x20, 0x00, 0x00, 0x02, 0xff, 0xff, 0xe0, 0x00, 0x03, 0xff, 0xff, 0xf7, 0xff, 0xf0,
0xff, 0xff, 0x80, 0x3f, 0xc0, 0x01, 0xfc, 0x00, 0x00, 0x01, 0x7f, 0xe0, 0x01, 0x48, 0x10, 0x00, 0x00, 0x02, 0xff, 0xff, 0xc0, 0x00, 0x00, 0x7f, 0xff, 0xf7, 0xff, 0xf0,
0xff, 0xff, 0x80, 0xff, 0xc0, 0x01, 0xfc, 0x1f, 0x00, 0x01, 0x7f, 0xb0, 0x00, 0x30, 0x08, 0x00, 0x40, 0x1a, 0x7f, 0xff, 0x80, 0x00, 0x00, 0x3f, 0xff, 0xf7, 0xff, 0xf0,
0xff, 0xff, 0x81, 0xff, 0xe0, 0x01, 0xfe, 0x00, 0x10, 0x01, 0x1f, 0xb0, 0x23, 0x7c, 0x06, 0x00, 0x00, 0x0a, 0x9f, 0xff, 0x00, 0x00, 0x00, 0x0f, 0xff, 0xf7, 0xff, 0xf0,
0xff, 0xff, 0x83, 0xff, 0xe0, 0x01, 0xfe, 0x00, 0x00, 0x01, 0x67, 0xb0, 0x43, 0xac, 0x03, 0x00, 0x20, 0xc2, 0x67, 0xff, 0x00, 0x00, 0x00, 0x07, 0xff, 0xf7, 0xff, 0xf0,
0xff, 0xff, 0x03, 0xff, 0xe0, 0x01, 0xfe, 0x00, 0x00, 0x01, 0x1c, 0xf0, 0x01, 0x7c, 0x00, 0x00, 0x00, 0x7a, 0x99, 0xfe, 0x00, 0x00, 0x00, 0x1f, 0xff, 0xf7, 0xff, 0xf0,
0xff, 0xff, 0x8b, 0xff, 0xf0, 0x00, 0xff, 0xe0, 0x00, 0x01, 0x63, 0x7c, 0x07, 0xfc, 0x00, 0x00, 0x10, 0x3a, 0xe6, 0x7c, 0x00, 0x00, 0x00, 0x0f, 0xff, 0xf7, 0xff, 0xf0,
0xff, 0xff, 0x9b, 0xff, 0xf0, 0x00, 0xff, 0xff, 0xe0, 0x01, 0x7c, 0x73, 0x03, 0x3c, 0x00, 0x00, 0x00, 0x7a, 0xf9, 0x9c, 0x00, 0x00, 0x00, 0x07, 0xff, 0xf7, 0xff, 0xf0,
0xff, 0xff, 0xbb, 0xff, 0xf0, 0x00, 0xff, 0xff, 0xff, 0x81, 0x7f, 0x67, 0x8f, 0xbc, 0x00, 0x00, 0x00, 0x7a, 0xfe, 0x60, 0x00, 0x00, 0x00, 0x07, 0xff, 0xf7, 0xff, 0xf0,
0xff, 0xff, 0x3f, 0xff, 0xfc, 0x00, 0xff, 0xff, 0xff, 0xfd, 0x7f, 0x4f, 0x8f, 0xbe, 0x00, 0x00, 0x00, 0xfa, 0xff, 0x98, 0x00, 0x00, 0x00, 0x07, 0xff, 0xf7, 0xff, 0xf0,
0xff, 0xff, 0x3f, 0xff, 0xfe, 0x00, 0xff, 0xff, 0xff, 0xfd, 0x5f, 0x3f, 0x8f, 0xbc, 0x00, 0x00, 0x00, 0xfa, 0xdf, 0xe0, 0x1c, 0x00, 0x00, 0x07, 0xff, 0xf7, 0xff, 0xf0,
0xff, 0xff, 0xbf, 0xff, 0xff, 0xc0, 0x7f, 0xff, 0xff, 0xfd, 0x7e, 0x5f, 0xcf, 0xf8, 0x00, 0x00, 0x01, 0x7a, 0xf7, 0xf0, 0x12, 0x00, 0x00, 0x09, 0xff, 0xf7, 0xff, 0xf0,
0xff, 0xff, 0x3e, 0xff, 0xff, 0xf0, 0x7f, 0xff, 0xff, 0xfd, 0x78, 0x7f, 0xff, 0xf9, 0x00, 0x00, 0x01, 0x9a, 0xfc, 0xf0, 0x0e, 0x00, 0x00, 0x0e, 0x7f, 0xf7, 0xff, 0xf0,
0xff, 0xff, 0x3d, 0xff, 0xff, 0xf8, 0x7f, 0xff, 0xff, 0xfd, 0x71, 0x3f, 0xff, 0xf7, 0x00, 0x00, 0x01, 0xf2, 0xff, 0x60, 0x27, 0x00, 0x00, 0x0f, 0xbf, 0xf7, 0xff, 0xf0,
0xff, 0xff, 0x3b, 0xff, 0xff, 0xf8, 0x7f, 0xff, 0xff, 0xfd, 0x60, 0xbf, 0xff, 0xef, 0x00, 0x00, 0x03, 0xfa, 0x3f, 0xc0, 0x1f, 0x00, 0x00, 0x1f, 0xef, 0xf7, 0xff, 0xf0,
0xff, 0xff, 0xbf, 0xff, 0xff, 0xf8, 0x7f, 0xff, 0xff, 0xfd, 0x42, 0x1f, 0xff, 0xdf, 0x20, 0x00, 0x03, 0xf2, 0xff, 0xe0, 0x0f, 0x80, 0x00, 0x1f, 0xfb, 0xf7, 0xff, 0xf0,
0xff, 0xff, 0x3f, 0xff, 0xff, 0xf8, 0x3f, 0xff, 0xff, 0xfd, 0x73, 0x1f, 0xff, 0xff, 0x78, 0x00, 0x07, 0xe2, 0xef, 0xf0, 0x1b, 0x40, 0x00, 0x0f, 0xfc, 0xf7, 0xff, 0xf0,
0xff, 0xff, 0x3f, 0xff, 0xff, 0xe0, 0x3f, 0xdf, 0xff, 0xfd, 0x7b, 0x9f, 0xff, 0xfe, 0xfc, 0x00, 0x04, 0x7a, 0xff, 0xf8, 0x3a, 0x50, 0x00, 0x0f, 0xff, 0x37, 0xff, 0xf0,
0xff, 0xff, 0x3f, 0xff, 0xff, 0x04, 0x3f, 0x80, 0x00, 0x01, 0x79, 0xdf, 0xff, 0xff, 0xfc, 0x00, 0x07, 0xf2, 0xf7, 0xfc, 0x3b, 0xda, 0x00, 0x0f, 0xff, 0xd7, 0xff, 0xf0,
0xff, 0xff, 0x3f, 0xff, 0xf8, 0x3c, 0x3f, 0x80, 0x02, 0x11, 0x7d, 0xdf, 0xff, 0xff, 0xfe, 0x80, 0x03, 0xea, 0xf7, 0xfe, 0x3f, 0xff, 0xc6, 0x07, 0xff, 0xf7, 0xff, 0xf0,
0xff, 0xff, 0x3f, 0xff, 0xc1, 0xfc, 0x3f, 0xc1, 0xe8, 0x01, 0x7e, 0xdf, 0xff, 0xff, 0xfe, 0xc0, 0x03, 0xfa, 0xff, 0xff, 0x3f, 0xff, 0xf0, 0x01, 0xf8, 0x77, 0xff, 0xf0,
0xff, 0xff, 0x3f, 0x1e, 0x2f, 0xfc, 0x3f, 0xc7, 0xff, 0x3d, 0x7e, 0x5f, 0xff, 0xff, 0xff, 0xe7, 0x07, 0xfa, 0xff, 0xff, 0xbf, 0xff, 0xc0, 0x00, 0x5f, 0xf7, 0xff, 0xf0,
0xff, 0xff, 0x3e, 0x02, 0x1f, 0xfe, 0x1f, 0xc3, 0xff, 0x3d, 0x7f, 0x3f, 0xff, 0xff, 0xff, 0xff, 0x03, 0xfa, 0xfb, 0xf9, 0xff, 0xff, 0x80, 0x00, 0x7f, 0xf7, 0xff, 0xf0,
0xff, 0xff, 0x3c, 0x05, 0xff, 0xfe, 0x1f, 0xc3, 0xff, 0x3d, 0x7f, 0x1f, 0xff, 0xff, 0xff, 0xff, 0x2f, 0xfa, 0xfb, 0xfb, 0xfe, 0x00, 0x00, 0x00, 0x1e, 0xf7, 0xff, 0xf0,
0xff, 0xff, 0xb8, 0x01, 0xe7, 0xfe, 0x1f, 0xc3, 0xff, 0x3d, 0x7f, 0xaf, 0xff, 0xff, 0xff, 0xff, 0xef, 0xba, 0xff, 0xf9, 0xc0, 0x08, 0x0f, 0xfc, 0x1f, 0xf7, 0xff, 0xf0,
0xff, 0xff, 0x38, 0x09, 0x1f, 0xfe, 0x1f, 0xc3, 0xfe, 0x7d, 0x7d, 0xbf, 0xff, 0xff, 0xff, 0xff, 0xef, 0xfa, 0xef, 0xf0, 0x0f, 0x50, 0x00, 0x12, 0x0f, 0xf7, 0xff, 0xf0,
0xff, 0xff, 0x30, 0x0c, 0x77, 0xfe, 0x1f, 0xe3, 0xfe, 0xdd, 0x6d, 0xbf, 0xff, 0xff, 0xff, 0xff, 0xef, 0x7a, 0xfd, 0xd0, 0xc8, 0x00, 0x01, 0x04, 0x07, 0xb7, 0xff, 0xf0,
0xff, 0xff, 0x30, 0x01, 0xff, 0xff, 0x0f, 0xe3, 0xff, 0xfd, 0x6d, 0xbf, 0xff, 0xff, 0xff, 0xff, 0xf7, 0xfa, 0xff, 0xc4, 0x02, 0x00, 0x00, 0x83, 0x07, 0xb7, 0xff, 0xf0,
0xff, 0xff, 0xa0, 0x06, 0x7f, 0xff, 0x0f, 0xe3, 0xff, 0xfd, 0x7f, 0xf7, 0xff, 0xff, 0xf0, 0x00, 0xf7, 0xfa, 0xb7, 0x90, 0x20, 0x00, 0x00, 0x40, 0x87, 0xf7, 0xff, 0xf0,
0xff, 0xff, 0x00, 0x46, 0x7f, 0xff, 0x0f, 0xe1, 0xfe, 0xfd, 0x56, 0xf7, 0xff, 0xff, 0xcf, 0xff, 0x96, 0xfa, 0xb7, 0x00, 0x80, 0x00, 0x00, 0x20, 0x23, 0xf7, 0xff, 0xf0,
0xff, 0xff, 0x80, 0xe7, 0x3f, 0xff, 0x0f, 0xe1, 0xff, 0xfd, 0x77, 0x7b, 0xff, 0xff, 0xbe, 0x07, 0xe3, 0xfa, 0xff, 0x01, 0x00, 0x00, 0x00, 0x10, 0x01, 0xf7, 0xff, 0xf0,
0xff, 0xff, 0x12, 0xa7, 0x3f, 0xff, 0x0f, 0xe1, 0xff, 0xf9, 0x7b, 0x7d, 0xff, 0xff, 0x40, 0x00, 0x11, 0xfb, 0xda, 0x00, 0x00, 0x00, 0x00, 0x00, 0x00, 0xb7, 0xff, 0xf0,
0xff, 0xff, 0x13, 0xff, 0x1f, 0xff, 0x0f, 0xf1, 0xff, 0xf9, 0x7f, 0xe5, 0xff, 0xfc, 0x00, 0x00, 0x01, 0xfa, 0xfe, 0x00, 0x00, 0x00, 0x00, 0x00, 0x00, 0x77, 0xff, 0xf0,
0xff, 0xff, 0xbb, 0xff, 0x9f, 0xff, 0x87, 0xf1, 0xff, 0xf1, 0x39, 0xfd, 0xff, 0xf8, 0x00, 0x00, 0x00, 0xfa, 0x96, 0x00, 0x00, 0x00, 0x00, 0x00, 0x00, 0x37, 0xff, 0xf0,
0xff, 0xff, 0xb9, 0xff, 0xdf, 0xff, 0x87, 0xf0, 0xff, 0xe1, 0x7e, 0x7c, 0xff, 0xf0, 0x00, 0x00, 0x00, 0x7a, 0xfe, 0x00, 0x00, 0x00, 0x00, 0x00, 0x00, 0x17, 0xff, 0xf0,
0xff, 0xff, 0x19, 0xfc, 0xcf, 0xff, 0x87, 0xf0, 0xff, 0xc1, 0x4f, 0xe7, 0x7f, 0xe0, 0x00, 0x00, 0x00, 0x3a, 0x3c, 0x00, 0x00, 0x00, 0x00, 0x00, 0x00, 0x17, 0xff, 0xf0,
0xff, 0xff, 0x84, 0xff, 0x6f, 0xff, 0x87, 0xc0, 0xff, 0xf1, 0x7c, 0xef, 0x7f, 0x40, 0x00, 0x00, 0x00, 0x1a, 0xfc, 0x00, 0x00, 0x00, 0x00, 0x00, 0x00, 0x07, 0xff, 0xf0,
0xff, 0xff, 0x0a, 0x0f, 0xef, 0xff, 0x80, 0x0f, 0xff, 0xb5, 0x1f, 0xbd, 0x7c, 0x00, 0x00, 0x00, 0x00, 0x1a, 0xbc, 0x00, 0x00, 0x00, 0x00, 0x00, 0x00, 0x07, 0xff, 0xf0,
0xff, 0xff, 0x09, 0x0f, 0xff, 0xff, 0xc3, 0xff, 0xff, 0xb9, 0x43, 0xf7, 0x31, 0x00, 0x00, 0x00, 0x00, 0x0a, 0xec, 0x00, 0x00, 0x00, 0x00, 0x00, 0x00, 0x07, 0xff, 0xf0,
0xff, 0xff, 0x21, 0x87, 0xff, 0xff, 0xff, 0xff, 0xff, 0xfd, 0x7d, 0xf7, 0xc6, 0x00, 0x00, 0x00, 0x00, 0x0a, 0xf8, 0x00, 0x00, 0x00, 0x00, 0x00, 0x00, 0x07, 0xff, 0xf0,
0xff, 0xff, 0xb1, 0xc3, 0xbf, 0xff, 0xff, 0xff, 0xff, 0xfd, 0x7f, 0xbf, 0xfc, 0x03, 0xff, 0xff, 0x80, 0x02, 0xf8, 0x00, 0x00, 0x00, 0x00, 0x00, 0x00, 0x07, 0xff, 0xf0,
0xff, 0xff, 0xb9, 0xe0, 0x3f, 0xff, 0xff, 0xff, 0xff, 0xfd, 0x7f, 0xf7, 0xf8, 0x3f, 0xff, 0xff, 0xf0, 0x02, 0xb0, 0x00, 0x00, 0x00, 0x00, 0x00, 0x00, 0x07, 0xff, 0xf0,
0xff, 0xff, 0xbb, 0xf9, 0xff, 0xff, 0xff, 0xff, 0xff, 0xfd, 0x7b, 0xfe, 0xf1, 0xff, 0xff, 0xff, 0xfe, 0x02, 0xf0, 0x00, 0x00, 0x00, 0x00, 0x00, 0x00, 0x07, 0xff, 0xf0,
0xff, 0xff, 0x3b, 0xff, 0xff, 0xff, 0xff, 0xff, 0xff, 0xfd, 0x7f, 0xff, 0xc7, 0x00, 0x00, 0x05, 0x7f, 0xc2, 0xf0, 0x00, 0x00, 0x00, 0x00, 0x00, 0x00, 0x07, 0xff, 0xf0,
0xff, 0xff, 0x3b, 0xff, 0xff, 0xff, 0xff, 0xff, 0xff, 0xfd, 0x7f, 0xff, 0x80, 0x00, 0x00, 0x00, 0x03, 0xf2, 0xf0, 0x00, 0x00, 0x00, 0x00, 0x00, 0x00, 0x07, 0xff, 0xf0,
0xff, 0xff, 0x3b, 0xff, 0xff, 0xff, 0xff, 0xff, 0xff, 0xfd, 0x7f, 0xff, 0x00, 0x00, 0x00, 0x00, 0x00, 0x02, 0xe0, 0x00, 0x00, 0x00, 0x00, 0x00, 0x00, 0x07, 0xff, 0xf0,
0xff, 0xff, 0x3b, 0xff, 0xff, 0xff, 0xff, 0xff, 0xff, 0xfd, 0x7f, 0xfc, 0x00, 0x00, 0x00, 0x00, 0x00, 0x02, 0xe0, 0x00, 0x00, 0x00, 0x00, 0x00, 0x00, 0x07, 0xff, 0xf0,
0xff, 0xff, 0xbf, 0xff, 0xff, 0xff, 0xff, 0xff, 0xff, 0x7d, 0x7f, 0xf0, 0x00, 0x00, 0x00, 0x00, 0x00, 0x02, 0xe0, 0x00, 0x00, 0x00, 0x00, 0x00, 0x00, 0x07, 0xff, 0xf0,
0xff, 0xff, 0xb7, 0xff, 0xff, 0xff, 0xff, 0xff, 0xff, 0x7d, 0x7f, 0x80, 0x00, 0x00, 0x00, 0x00, 0x00, 0x02, 0xe0, 0x00, 0x00, 0x00, 0x00, 0x00, 0x00, 0x07, 0xff, 0xf0,
0xff, 0xff, 0x5f, 0xff, 0xff, 0xff, 0xff, 0xff, 0xff, 0xfd, 0x7e, 0x00, 0x00, 0x00, 0x00, 0x00, 0x00, 0x02, 0xc0, 0x00, 0x00, 0x00, 0x00, 0x00, 0x00, 0x07, 0xff, 0xf0,
0xff, 0xff, 0x77, 0xf9, 0xff, 0xff, 0xff, 0xff, 0xff, 0xfd, 0x70, 0x00, 0x00, 0x00, 0x00, 0x00, 0x00, 0x02, 0xe0, 0x00, 0x00, 0x00, 0x00, 0x00, 0x00, 0x07, 0xff, 0xf0,
0xff, 0xff, 0xe7, 0xff, 0xff, 0xff, 0xff, 0xff, 0xff, 0xfd, 0x00, 0x00, 0x00, 0x00, 0x00, 0x00, 0x00, 0x02, 0x80, 0x00, 0x00, 0x00, 0x00, 0x00, 0x00, 0x07, 0xff, 0xf0,
0xff, 0xff, 0x73, 0xff, 0xff, 0xff, 0xff, 0xff, 0xff, 0xfd, 0x00, 0x00, 0x00, 0x00, 0x00, 0x00, 0x00, 0x02, 0xe0, 0x00, 0x00, 0x00, 0x00, 0x00, 0x00, 0x07, 0xff, 0xf0,
0xff, 0xff, 0x78, 0xff, 0x7f, 0xff, 0xff, 0xff, 0xff, 0xfd, 0x00, 0x00, 0x00, 0x00, 0x00, 0x00, 0x00, 0x02, 0xc0, 0x00, 0x00, 0x00, 0x00, 0x00, 0x00, 0x07, 0xff, 0xf0,
0xff, 0xff, 0x7f, 0x31, 0xff, 0xff, 0xff, 0xff, 0xff, 0xf9, 0x00, 0x00, 0x00, 0x00, 0x00, 0x00, 0x00, 0x02, 0x80, 0x00, 0x00, 0x00, 0x00, 0x00, 0x00, 0x07, 0xff, 0xf0,
0xff, 0xff, 0x7c, 0x83, 0xff, 0xff, 0xff, 0xff, 0xff, 0xf1, 0x00, 0x00, 0x00, 0x00, 0x00, 0x00, 0x00, 0x02, 0x80, 0x00, 0x00, 0x00, 0x00, 0x00, 0x00, 0x07, 0xff, 0xf0,
0xff, 0xff, 0x7f, 0x33, 0xff, 0xff, 0xff, 0xff, 0xff, 0xd9, 0x00, 0x00, 0x00, 0x00, 0x00, 0x00, 0x00, 0x02, 0x00, 0x00, 0x00, 0x00, 0x00, 0x00, 0x00, 0x07, 0xff, 0xf0,
0xff, 0xff, 0x3f, 0xfb, 0xff, 0xff, 0xff, 0xff, 0xff, 0x71, 0x00, 0x00, 0x00, 0x00, 0x00, 0x00, 0x00, 0x02, 0x00, 0x00, 0x00, 0x00, 0x00, 0x00, 0x00, 0x07, 0xff, 0xf0,
0xff, 0xff, 0xbf, 0xfb, 0xff, 0xff, 0xff, 0xff, 0xfc, 0xc1, 0x00, 0x00, 0x00, 0x00, 0x00, 0x00, 0x00, 0x02, 0x00, 0x00, 0x00, 0x00, 0x00, 0x00, 0x00, 0x07, 0xff, 0xf0,
0xff, 0xff, 0x3f, 0xfb, 0xfe, 0x7f, 0xff, 0xff, 0xfb, 0x81, 0x00, 0x00, 0x00, 0x00, 0x00, 0x00, 0x00, 0x02, 0x00, 0x00, 0x00, 0x00, 0x00, 0x00, 0x00, 0x07, 0xff, 0xf0,
0xff, 0xff, 0x3f, 0xfb, 0xf9, 0xff, 0xff, 0xff, 0xe6, 0x01, 0x00, 0x00, 0x00, 0x00, 0x00, 0x00, 0x00, 0x02, 0x00, 0x00, 0x00, 0x00, 0x00, 0x00, 0x00, 0x07, 0xff, 0xf0,
0xff, 0xff, 0x7f, 0xfb, 0xe7, 0xff, 0xff, 0xff, 0xcc, 0x01, 0x00, 0x00, 0x00, 0x00, 0x00, 0x00, 0x00, 0x02, 0x00, 0x00, 0x00, 0x00, 0x00, 0x00, 0x00, 0x07, 0xff, 0xf0,
0xff, 0xff, 0x7f, 0xfd, 0xdf, 0xff, 0xff, 0xff, 0x98, 0x01, 0x00, 0x00, 0x00, 0x00, 0x00, 0x00, 0x00, 0x02, 0x00, 0x00, 0x00, 0x00, 0x00, 0x00, 0x00, 0x07, 0xff, 0xf0,
0xff, 0xff, 0xff, 0xfc, 0x7f, 0xbf, 0xff, 0xff, 0x60, 0x01, 0x00, 0x00, 0x00, 0x00, 0x00, 0x00, 0x00, 0x02, 0x00, 0x00, 0x00, 0x00, 0x00, 0x00, 0x00, 0x07, 0xff, 0xf0,
0xff, 0xff, 0x3f, 0xff, 0x3f, 0xff, 0xff, 0xfa, 0xc0, 0x01, 0x00, 0x00, 0x00, 0x00, 0x00, 0x00, 0x00, 0x02, 0x00, 0x00, 0x00, 0x00, 0x00, 0x00, 0x00, 0x07, 0xff, 0xf0,
0xff, 0xff, 0xff, 0xff, 0xbf, 0xff, 0xff, 0xfd, 0x80, 0x01, 0x00, 0x00, 0x00, 0x00, 0x00, 0x00, 0x00, 0x02, 0x00, 0x00, 0x00, 0x00, 0x00, 0x00, 0x00, 0x07, 0xff, 0xf0,
0xff, 0xff, 0xbf, 0xff, 0xb6, 0xff, 0xff, 0xfb, 0x00, 0x01, 0x00, 0x00, 0x00, 0x00, 0x00, 0x00, 0x00, 0x02, 0x00, 0x00, 0x00, 0x00, 0x00, 0x00, 0x00, 0x07, 0xff, 0xf0,
0xff, 0xff, 0x3f, 0xff, 0xc7, 0xff, 0xff, 0xf4, 0x00, 0x01, 0x00, 0x00, 0x00, 0x00, 0x00, 0x00, 0x00, 0x02, 0x00, 0x00, 0x00, 0x00, 0x00, 0x00, 0x00, 0x07, 0xff, 0xf0,
0xff, 0xff, 0x3f, 0xff, 0xf7, 0xff, 0xff, 0xc8, 0x00, 0x01, 0x00, 0x00, 0x00, 0x00, 0x00, 0x00, 0x00, 0x02, 0x00, 0x00, 0x00, 0x00, 0x00, 0x00, 0x00, 0x07, 0xff, 0xf0,
0xff, 0xff, 0x7f, 0xff, 0xf7, 0xff, 0xff, 0x90, 0x00, 0x01, 0x00, 0x00, 0x00, 0x00, 0x00, 0x00, 0x00, 0x02, 0x00, 0x00, 0x00, 0x00, 0x00, 0x00, 0x00, 0x07, 0xff, 0xf0,
0xff, 0xff, 0x3f, 0xff, 0xfb, 0xff, 0xff, 0x20, 0x00, 0x01, 0x00, 0x00, 0x00, 0x00, 0x00, 0x00, 0x00, 0x02, 0x00, 0x00, 0x00, 0x00, 0x00, 0x00, 0x00, 0x07, 0xff, 0xf0,
0xff, 0xff, 0x3f, 0xff, 0xfb, 0xff, 0xfe, 0x40, 0x00, 0x01, 0x00, 0x00, 0x00, 0x00, 0x00, 0x00, 0x00, 0x02, 0x00, 0x00, 0x00, 0x00, 0x00, 0x00, 0x00, 0x07, 0xff, 0xf0,
0xff, 0xff, 0x3f, 0xff, 0xfd, 0xff, 0xfc, 0x80, 0x08, 0x79, 0x00, 0x00, 0x00, 0x00, 0x00, 0x00, 0x00, 0x02, 0x00, 0x00, 0x00, 0x00, 0x00, 0x00, 0x00, 0x07, 0xff, 0xf0,
0xff, 0xff, 0x3f, 0xff, 0xfd, 0xff, 0xf8, 0x00, 0x03, 0xfd, 0x00, 0x00, 0x00, 0x00, 0x00, 0x00, 0x00, 0x02, 0x00, 0x00, 0x00, 0x00, 0x00, 0x00, 0x00, 0x07, 0xff, 0xf0,
0xff, 0xff, 0x3f, 0xff, 0xfe, 0xff, 0xe4, 0x0c, 0x3f, 0xfd, 0x00, 0x00, 0x00, 0x00, 0x00, 0x00, 0x00, 0x02, 0x00, 0x00, 0x00, 0x00, 0x00, 0x00, 0x00, 0x07, 0xff, 0xf0,
0xff, 0xff, 0x3f, 0xff, 0xfe, 0xff, 0xcc, 0x05, 0xff, 0xf9, 0x00, 0x00, 0x00, 0x00, 0x00, 0x00, 0x00, 0x02, 0x00, 0x00, 0x00, 0x00, 0x00, 0x00, 0x00, 0x07, 0xff, 0xf0,
0xff, 0xff, 0x3f, 0xff, 0xff, 0x7f, 0x38, 0x07, 0xff, 0xf9, 0x00, 0x00, 0x00, 0x00, 0x00, 0x00, 0x00, 0x02, 0x00, 0x00, 0x00, 0x00, 0x00, 0x00, 0x00, 0x07, 0xff, 0xf0,
0xff, 0xff, 0x3f, 0xff, 0xff, 0x7e, 0x78, 0x3f, 0xff, 0xf9, 0x00, 0x00, 0x00, 0x00, 0x00, 0x00, 0x00, 0x02, 0x00, 0x00, 0x00, 0x00, 0x00, 0x00, 0x00, 0x07, 0xff, 0xf0,
0xff, 0xff, 0x3f, 0xff, 0xff, 0xb9, 0xf0, 0xff, 0xff, 0x01, 0x00, 0x00, 0x00, 0x00, 0x00, 0x00, 0x00, 0x02, 0x00, 0x00, 0x00, 0x00, 0x00, 0x00, 0x00, 0x07, 0xff, 0xf0,
0xff, 0xff, 0x3f, 0xff, 0xff, 0x83, 0xf3, 0xff, 0x80, 0x01, 0x00, 0x00, 0x00, 0x00, 0x00, 0x00, 0x00, 0x02, 0x00, 0x02, 0x00, 0x00, 0x00, 0x00, 0x00, 0x07, 0xff, 0xf0,
0xff, 0xff, 0x3f, 0xff, 0xff, 0xff, 0xef, 0xe0, 0x00, 0x01, 0x00, 0x00, 0x00, 0x00, 0x00, 0x00, 0x00, 0x02, 0x00, 0x02, 0x00, 0x00, 0x00, 0x00, 0x00, 0x07, 0xff, 0xf0,
0xff, 0xff, 0x3f, 0xff, 0xff, 0xff, 0xc0, 0x00, 0x00, 0x01, 0x00, 0x00, 0x00, 0x00, 0x00, 0x00, 0x00, 0x02, 0x00, 0x02, 0x00, 0x00, 0x00, 0x00, 0x00, 0x07, 0xff, 0xf0,
0xff, 0xff, 0x3f, 0xff, 0xff, 0xff, 0x00, 0x00, 0x00, 0x81, 0x00, 0x00, 0x00, 0x00, 0x00, 0x00, 0x00, 0x02, 0x00, 0x06, 0x00, 0x00, 0x00, 0x00, 0x00, 0x07, 0xff, 0xf0,
0xff, 0xff, 0x3f, 0xff, 0xff, 0xfc, 0x00, 0x00, 0x00, 0x01, 0x00, 0x00, 0x00, 0x00, 0x00, 0x00, 0x00, 0x02, 0x00, 0x02, 0x00, 0x00, 0x00, 0x00, 0x00, 0x07, 0xff, 0xf0,
0xff, 0xff, 0x3f, 0xff, 0xff, 0xf0, 0x00, 0x00, 0x00, 0x01, 0x00, 0x00, 0x00, 0x00, 0x00, 0x00, 0x00, 0x02, 0x00, 0x06, 0x00, 0x00, 0x00, 0x00, 0x00, 0x07, 0xff, 0xf0,
0xff, 0xff, 0x3f, 0xff, 0xff, 0xc0, 0x00, 0x00, 0x00, 0x01, 0x00, 0x00, 0x00, 0x00, 0x00, 0x00, 0x00, 0x02, 0x00, 0x06, 0x00, 0x00, 0x00, 0x00, 0x00, 0x07, 0xff, 0xf0,
0xff, 0xff, 0x3f, 0xff, 0xff, 0x00, 0x00, 0x00, 0x00, 0x01, 0x00, 0x00, 0x00, 0x00, 0x00, 0x00, 0x00, 0x02, 0x00, 0x16, 0x00, 0x00, 0x00, 0x00, 0x00, 0x07, 0xff, 0xf0,
0xff, 0xff, 0x3f, 0xff, 0xfc, 0x00, 0x00, 0x00, 0x00, 0x01, 0x00, 0x00, 0x00, 0x00, 0x00, 0x00, 0x00, 0x02, 0x00, 0x17, 0x00, 0x00, 0x00, 0x00, 0x00, 0x07, 0xff, 0xf0,
0xff, 0xff, 0xbf, 0xdd, 0xf0, 0x00, 0x00, 0x00, 0x00, 0x01, 0x00, 0x00, 0x00, 0x00, 0x00, 0x00, 0x00, 0x02, 0x00, 0x17, 0x00, 0x00, 0x00, 0x00, 0x00, 0x07, 0xff, 0xf0,
0xff, 0xff, 0xbf, 0xf7, 0xc0, 0x00, 0x00, 0x00, 0x00, 0x01, 0x00, 0x00, 0x00, 0x00, 0x00, 0x00, 0x00, 0x02, 0x00, 0x13, 0x00, 0x00, 0x00, 0x00, 0x00, 0x07, 0xff, 0xf0,
0xff, 0xff, 0x3f, 0xff, 0x00, 0x00, 0x00, 0x00, 0x00, 0x01, 0x00, 0x00, 0x00, 0x00, 0x00, 0x00, 0x00, 0x02, 0x00, 0x17, 0x00, 0x00, 0x00, 0x00, 0x00, 0x07, 0xff, 0xf0,
0xff, 0xff, 0xbf, 0xfc, 0x00, 0x00, 0x00, 0x00, 0x00, 0x01, 0x00, 0x00, 0x00, 0x00, 0x00, 0x00, 0x00, 0x02, 0x00, 0x07, 0x00, 0x00, 0x00, 0x00, 0x00, 0x07, 0xff, 0xf0,
0xff, 0xff, 0x3f, 0xf0, 0x00, 0x00, 0x00, 0x00, 0x00, 0x01, 0x00, 0x00, 0x00, 0x00, 0x00, 0x00, 0x00, 0x02, 0x00, 0x37, 0x80, 0x00, 0x00, 0x00, 0x00, 0x07, 0xff, 0xf0,
0xff, 0xff, 0x3f, 0xe0, 0x00, 0x00, 0x00, 0x00, 0x00, 0x01, 0x00, 0x00, 0x00, 0x00, 0x00, 0x00, 0x00, 0x02, 0x00, 0x37, 0x80, 0x00, 0x00, 0x00, 0x00, 0x07, 0xff, 0xf0,
0xff, 0xff, 0x3f, 0x80, 0x00, 0x00, 0x00, 0x00, 0x00, 0x01, 0x00, 0x00, 0x00, 0x00, 0x00, 0x00, 0x00, 0x02, 0x00, 0x77, 0x80, 0x00, 0x00, 0x00, 0x00, 0x07, 0xff, 0xf0,
0xff, 0xff, 0x3e, 0x00, 0x00, 0x00, 0x00, 0x00, 0x00, 0x01, 0x00, 0x00, 0x00, 0x00, 0x00, 0x00, 0x00, 0x02, 0x00, 0x7b, 0x80, 0x00, 0x00, 0x00, 0x00, 0x07, 0xff, 0xf0,
0xff, 0xff, 0x3c, 0x00, 0x00, 0x00, 0x00, 0x00, 0x00, 0x01, 0x00, 0x00, 0x00, 0x00, 0x00, 0x00, 0x00, 0x02, 0x00, 0x7b, 0x80, 0x00, 0x00, 0x00, 0x00, 0x07, 0xff, 0xf0,
0xff, 0xff, 0xb0, 0x00, 0x00, 0x00, 0x00, 0x00, 0x00, 0x11, 0x00, 0x00, 0x00, 0x00, 0x00, 0x00, 0x00, 0x02, 0x00, 0x7b, 0xc0, 0x00, 0x00, 0x00, 0x00, 0x07, 0xff, 0xf0,
0xff, 0xff, 0x20, 0x00, 0x00, 0x00, 0x00, 0x00, 0x00, 0x01, 0x00, 0x00, 0x00, 0x00, 0x00, 0x00, 0x00, 0x02, 0x00, 0x7b, 0xc0, 0x00, 0x00, 0x00, 0x00, 0x07, 0xff, 0xf0,
0xff, 0xff, 0x80, 0x00, 0x00, 0x00, 0x00, 0x00, 0x01, 0x01, 0x00, 0x00, 0x00, 0x00, 0x00, 0x00, 0x00, 0x02, 0x00, 0xfb, 0xc0, 0x00, 0x00, 0x00, 0x00, 0x07, 0xff, 0xf0,
0xff, 0xff, 0x80, 0x00, 0x00, 0x00, 0x00, 0x00, 0x00, 0x01, 0x00, 0x00, 0x00, 0x00, 0x00, 0x00, 0x00, 0x02, 0x00, 0xfb, 0xc0, 0x00, 0x00, 0x00, 0x00, 0x07, 0xff, 0xf0,
0xff, 0xff, 0x00, 0x00, 0x00, 0x00, 0x00, 0x00, 0x00, 0x01, 0x00, 0x00, 0x00, 0x00, 0x00, 0x00, 0x00, 0x02, 0x00, 0xfb, 0xe0, 0x00, 0x00, 0x00, 0x00, 0x07, 0xff, 0xf0,
0xff, 0xff, 0x00, 0x00, 0x00, 0x00, 0x00, 0x00, 0x00, 0x01, 0x00, 0x00, 0x00, 0x00, 0x00, 0x00, 0x00, 0x02, 0x00, 0xfb, 0xe0, 0x00, 0x00, 0x00, 0x00, 0x07, 0xff, 0xf0,
0xff, 0xff, 0x80, 0x00, 0x00, 0x00, 0x00, 0x00, 0x00, 0x01, 0x00, 0x00, 0x00, 0x00, 0x00, 0x00, 0x00, 0x02, 0x00, 0xfb, 0xe0, 0x00, 0x00, 0x00, 0x00, 0x07, 0xff, 0xf0,
0xff, 0xff, 0x80, 0x00, 0x00, 0x00, 0x00, 0x00, 0x00, 0x01, 0x00, 0x00, 0x00, 0x00, 0x00, 0x00, 0x00, 0x02, 0x00, 0xfb, 0xe0, 0x00, 0x00, 0x00, 0x00, 0x07, 0xff, 0xf0,
0xff, 0xff, 0x80, 0x00, 0x00, 0x00, 0x00, 0x00, 0x00, 0x01, 0x00, 0x00, 0x00, 0x00, 0x00, 0x00, 0x00, 0x02, 0x00, 0xfb, 0xf0, 0x00, 0x00, 0x00, 0x00, 0x07, 0xff, 0xf0,
0xff, 0xff, 0x80, 0x00, 0x00, 0x00, 0x00, 0x00, 0x00, 0x01, 0x00, 0x00, 0x00, 0x00, 0x00, 0x00, 0x00, 0x02, 0x00, 0xf9, 0xf0, 0x00, 0x00, 0x00, 0x00, 0x07, 0xff, 0xf0,
0xff, 0xff, 0x80, 0x00, 0x00, 0x00, 0x00, 0x00, 0x00, 0x01, 0x00, 0x00, 0x00, 0x00, 0x00, 0x00, 0x00, 0x02, 0x01, 0xfd, 0xf0, 0x00, 0x00, 0x00, 0x00, 0x07, 0xff, 0xf0,
0xff, 0xff, 0x80, 0x00, 0x00, 0x00, 0x00, 0x00, 0x00, 0x01, 0x00, 0x00, 0x00, 0x00, 0x00, 0x00, 0x00, 0x02, 0x03, 0xfd, 0xf8, 0x00, 0x00, 0x00, 0x06, 0x07, 0xff, 0xf0,
0xff, 0xff, 0x80, 0x00, 0x00, 0x00, 0x00, 0x00, 0x00, 0x01, 0x00, 0x00, 0x00, 0x00, 0x00, 0x00, 0x00, 0x02, 0x03, 0xf9, 0xf8, 0x00, 0x00, 0x00, 0x07, 0xc7, 0xff, 0xf0,
0xff, 0xff, 0x80, 0x00, 0x00, 0x00, 0x00, 0x00, 0x00, 0x01, 0x00, 0x00, 0x00, 0x00, 0x00, 0x00, 0x00, 0x02, 0x03, 0xfd, 0xf8, 0x00, 0x00, 0x3f, 0xed, 0xd7, 0xff, 0xf0,
0xff, 0xff, 0x80, 0x00, 0x00, 0x00, 0x00, 0x00, 0x00, 0x01, 0x00, 0x00, 0x00, 0x00, 0x00, 0x00, 0x00, 0x02, 0x03, 0xf9, 0xfc, 0x00, 0x07, 0xff, 0xce, 0xd7, 0xff, 0xf0,
0xff, 0xff, 0x00, 0x01, 0x00, 0x00, 0x00, 0x00, 0x00, 0x01, 0x00, 0x00, 0x00, 0x00, 0x00, 0x00, 0x00, 0x02, 0x07, 0xfd, 0xfc, 0x00, 0x7f, 0xff, 0xee, 0xa7, 0xff, 0xf0,
0xff, 0xff, 0x80, 0x00, 0x00, 0x00, 0x00, 0x00, 0x00, 0x01, 0x00, 0x00, 0x00, 0x00, 0x00, 0x00, 0x00, 0x02, 0x07, 0xfd, 0xfe, 0x03, 0xff, 0xfe, 0x0c, 0xb7, 0xff, 0xf0,
0xff, 0xff, 0x80, 0x00, 0x00, 0x00, 0x00, 0x00, 0x00, 0x01, 0x00, 0x00, 0x00, 0x00, 0x00, 0x00, 0x00, 0x02, 0x07, 0xfc, 0xfe, 0x3f, 0xff, 0xe0, 0x0c, 0x17, 0xff, 0xf0,
0xff, 0xff, 0x80, 0x00, 0x00, 0x00, 0x00, 0x00, 0x00, 0x01, 0x00, 0x00, 0x00, 0x00, 0x00, 0x00, 0x00, 0x02, 0x07, 0xff, 0xfe, 0xff, 0xff, 0x00, 0x1c, 0x17, 0xff, 0xf0,
0xff, 0xff, 0x80, 0x00, 0x00, 0x00, 0x00, 0x00, 0x00, 0x01, 0x00, 0x00, 0x00, 0x00, 0x00, 0x00, 0x00, 0x02, 0x0f, 0xfe, 0xff, 0xff, 0xf8, 0x00, 0x1c, 0x07, 0xff, 0xf0,
0xff, 0xff, 0x80, 0x00, 0x00, 0x00, 0x00, 0x00, 0x00, 0x01, 0x00, 0x00, 0x00, 0x00, 0x00, 0x00, 0x00, 0x02, 0x17, 0xfe, 0xff, 0xff, 0xc0, 0x00, 0x1c, 0x27, 0xff, 0xf0,
0xff, 0xff, 0x00, 0x00, 0x00, 0x00, 0x00, 0x00, 0x00, 0x01, 0x00, 0x00, 0x00, 0x00, 0x00, 0x00, 0x00, 0x02, 0x03, 0xfd, 0xff, 0xff, 0x00, 0x00, 0x1c, 0x17, 0xff, 0xf0,
0xff, 0xff, 0x80, 0x00, 0x00, 0x00, 0x00, 0x00, 0x00, 0x01, 0x00, 0x00, 0x00, 0x00, 0x00, 0x00, 0x00, 0x02, 0xfe, 0x1d, 0xff, 0xf8, 0x00, 0x00, 0x1c, 0x17, 0xff, 0xf0,
0xff, 0xff, 0x00, 0x00, 0x00, 0x00, 0x00, 0x00, 0x00, 0x01, 0x00, 0x00, 0x00, 0x00, 0x00, 0x00, 0x00, 0x02, 0x0f, 0xf1, 0xff, 0xf0, 0x00, 0x00, 0x1c, 0x17, 0xff, 0xf0,
0xff, 0xff, 0x00, 0x00, 0x00, 0x00, 0x00, 0x00, 0x00, 0x01, 0x00, 0x00, 0x00, 0x00, 0x00, 0x00, 0x00, 0x02, 0xf8, 0x7d, 0xfd, 0xc0, 0x00, 0x00, 0x1c, 0x17, 0xff, 0xf0,
0xff, 0xff, 0x80, 0x00, 0x00, 0x00, 0x00, 0x00, 0x00, 0x01, 0x00, 0x00, 0x00, 0x00, 0x00, 0x00, 0x00, 0x02, 0xff, 0xc1, 0xff, 0x80, 0x00, 0x00, 0x1c, 0x17, 0xff, 0xf0,
0xff, 0xff, 0x80, 0x00, 0x00, 0x00, 0x00, 0x00, 0x00, 0x01, 0x00, 0x00, 0x00, 0x00, 0x00, 0x00, 0x00, 0x02, 0xff, 0xfd, 0xff, 0x00, 0x00, 0x00, 0x1c, 0x17, 0xff, 0xf0,
0xff, 0xff, 0x80, 0x00, 0x00, 0x00, 0x00, 0x00, 0x00, 0x01, 0x00, 0x00, 0x00, 0x00, 0x00, 0x00, 0x00, 0x02, 0xff, 0xfd, 0xff, 0x00, 0x00, 0x00, 0x1c, 0x07, 0xff, 0xf0,
0xff, 0xff, 0x80, 0x00, 0x00, 0x00, 0x00, 0x00, 0x00, 0x01, 0x00, 0x00, 0x00, 0x00, 0x00, 0x00, 0x00, 0x02, 0xff, 0xfb, 0xfe, 0x00, 0x00, 0x00, 0x1c, 0x07, 0xff, 0xf0,
0xff, 0xff, 0x00, 0x00, 0x00, 0x00, 0x00, 0x00, 0x00, 0x01, 0x00, 0x00, 0x00, 0x00, 0x00, 0x00, 0x00, 0x03, 0xff, 0xfb, 0xfe, 0x00, 0x00, 0x00, 0x18, 0x07, 0xff, 0xf0,
0xff, 0xff, 0x80, 0x00, 0x00, 0x00, 0x00, 0x00, 0x00, 0x01, 0x00, 0x00, 0x00, 0x00, 0x00, 0x00, 0x00, 0x02, 0xff, 0xf9, 0xfc, 0x00, 0x00, 0x00, 0x18, 0x07, 0xff, 0xf0,
0xff, 0xff, 0x80, 0x00, 0x00, 0x00, 0x00, 0x00, 0x00, 0x01, 0x00, 0x00, 0x00, 0x00, 0x00, 0x00, 0x00, 0x02, 0xef, 0xfb, 0xfc, 0x00, 0x00, 0x00, 0x18, 0x07, 0xff, 0xf0,
0xff, 0xff, 0x00, 0x00, 0x00, 0x00, 0x00, 0x00, 0x00, 0x01, 0x00, 0x00, 0x00, 0x00, 0x00, 0x00, 0x00, 0x02, 0xff, 0xfb, 0xf8, 0x00, 0x00, 0x00, 0x3a, 0x07, 0xff, 0xf0,
0xff, 0xff, 0x80, 0x00, 0x00, 0x00, 0x00, 0x00, 0x00, 0x01, 0x00, 0x00, 0x00, 0x00, 0x00, 0x00, 0x00, 0x02, 0xff, 0xfb, 0xf8, 0x00, 0x00, 0x00, 0x38, 0x07, 0xff, 0xf0,
0xff, 0xff, 0x80, 0x00, 0x00, 0x00, 0x00, 0x00, 0x00, 0x01, 0x00, 0x00, 0x00, 0x00, 0x00, 0x00, 0x00, 0x02, 0xff, 0xfb, 0xf8, 0x00, 0x00, 0x00, 0x3a, 0x07, 0xff, 0xf0,
0xff, 0xff, 0x00, 0x00, 0x00, 0x00, 0x00, 0x00, 0x00, 0x01, 0x00, 0x00, 0x00, 0x00, 0x00, 0x00, 0x00, 0x02, 0x87, 0xfb, 0xf8, 0x00, 0x00, 0x00, 0x38, 0x07, 0xff, 0xf0,
0xff, 0xff, 0x80, 0x00, 0x00, 0x00, 0x00, 0x00, 0x00, 0x01, 0x00, 0x00, 0x00, 0x00, 0x00, 0x00, 0x00, 0x03, 0xfe, 0x17, 0xf0, 0x00, 0x00, 0x00, 0x3a, 0x07, 0xff, 0xf0,
0xff, 0xff, 0x80, 0x00, 0x00, 0x00, 0x00, 0x00, 0x00, 0x01, 0x00, 0x00, 0x00, 0x00, 0x00, 0x00, 0x00, 0x02, 0x3f, 0xf7, 0xf0, 0x00, 0x00, 0x00, 0x3b, 0x07, 0xff, 0xf0,
0xff, 0xff, 0x80, 0x00, 0x00, 0x00, 0x00, 0x00, 0x00, 0x01, 0x00, 0x00, 0x00, 0x00, 0x00, 0x00, 0x00, 0x02, 0xf0, 0x77, 0xf0, 0x00, 0x00, 0x00, 0x3b, 0x07, 0xff, 0xf0,
0xff, 0xff, 0x80, 0x00, 0x00, 0x00, 0x00, 0x00, 0x00, 0x01, 0x00, 0x00, 0x00, 0x00, 0x00, 0x00, 0x00, 0x02, 0xff, 0xe7, 0xe0, 0x00, 0x00, 0x00, 0x1b, 0x07, 0xff, 0xf0,
0xff, 0xff, 0xff, 0xff, 0xff, 0xff, 0xff, 0xff, 0xff, 0xff, 0xff, 0xff, 0xff, 0xff, 0xff, 0xff, 0xff, 0xff, 0xff, 0xff, 0xff, 0xff, 0xff, 0xff, 0xff, 0xff, 0xff, 0xf0
};
static const uint8_t PROGMEM image_data_03[] =
{
0xe6, 0xa0, 0x21, 0x72, 0xce, 0xb9, 0xff, 0xff, 0xff, 0xff, 0xff, 0xfe, 0xff, 0xff, 0xff, 0xff, 0xff, 0xff, 0xff, 0xff, 0xff, 0xff, 0xff, 0xff, 0xff, 0xff, 0x7f, 0xf0,
0xff, 0xff, 0xff, 0xff, 0xff, 0xff, 0xff, 0xff, 0xff, 0xff, 0xff, 0xfe, 0xff, 0xef, 0xff, 0xff, 0xff, 0xff, 0xff, 0xff, 0xff, 0xff, 0xff, 0xff, 0xff, 0xff, 0x7f, 0xf0,
0xff, 0xff, 0xff, 0xff, 0xff, 0xff, 0xff, 0xff, 0xff, 0xff, 0xff, 0xfe, 0xff, 0xff, 0xff, 0xff, 0xff, 0xff, 0xff, 0xff, 0xff, 0xff, 0xff, 0xff, 0xff, 0xff, 0xff, 0xf0,
0xf3, 0xff, 0xf3, 0xf3, 0xff, 0xff, 0xff, 0xff, 0xff, 0xff, 0xff, 0xfe, 0xff, 0xf0, 0x00, 0x0f, 0xff, 0xff, 0xff, 0xff, 0xff, 0xfd, 0xff, 0xff, 0xff, 0xff, 0x7f, 0xf0,
0xec, 0x4a, 0xf7, 0xfa, 0xa8, 0x21, 0xff, 0xff, 0xff, 0xff, 0xff, 0xfe, 0xff, 0xfc, 0x40, 0x00, 0x1f, 0xff, 0xff, 0xff, 0xff, 0xfe, 0xff, 0xff, 0xff, 0xff, 0x7f, 0xf0,
0xff, 0x3e, 0xff, 0xf6, 0xc9, 0xb9, 0xff, 0xff, 0xff, 0xff, 0xff, 0xfe, 0xff, 0xff, 0xb8, 0x6f, 0xff, 0xff, 0xff, 0xff, 0xff, 0xff, 0xff, 0xff, 0xff, 0xfb, 0x7f, 0xf0,
0xf3, 0x0a, 0xfc, 0xf8, 0xd1, 0x11, 0xff, 0xff, 0xff, 0xff, 0xff, 0xfe, 0xff, 0xe8, 0x7f, 0xf5, 0x5f, 0xd5, 0x2b, 0xbd, 0xdd, 0x5d, 0xff, 0xff, 0xff, 0xff, 0x7f, 0xf0,
0xff, 0xff, 0xff, 0xff, 0xff, 0xff, 0xff, 0xff, 0xff, 0xff, 0xff, 0xfe, 0xff, 0xef, 0xbf, 0xe7, 0xff, 0xff, 0xff, 0xff, 0xff, 0xfd, 0xff, 0xff, 0xff, 0xfb, 0x7f, 0xf0,
0xff, 0xff, 0xff, 0xff, 0xff, 0xff, 0xff, 0xff, 0xff, 0xff, 0xff, 0xfe, 0xff, 0xef, 0xc8, 0x5f, 0xff, 0xff, 0xff, 0xff, 0xff, 0xfd, 0xff, 0xff, 0xff, 0xfb, 0x7f, 0xf0,
0xe7, 0xff, 0xef, 0xff, 0xff, 0xff, 0xff, 0xff, 0xff, 0xff, 0xff, 0xfe, 0xff, 0xef, 0xfd, 0xff, 0xff, 0xff, 0xff, 0xff, 0xff, 0xfd, 0xff, 0xff, 0xff, 0xff, 0x7f, 0xf0,
0xe4, 0x25, 0xfe, 0xbf, 0xff, 0xff, 0xff, 0xff, 0xff, 0xff, 0xff, 0xfe, 0xff, 0xef, 0xff, 0xff, 0xff, 0xff, 0xff, 0xff, 0xff, 0xfd, 0xff, 0xff, 0xff, 0xff, 0x7f, 0xf0,
0xfe, 0xfa, 0xe4, 0xff, 0xff, 0xff, 0xff, 0xff, 0xff, 0xff, 0xff, 0xfe, 0xff, 0xef, 0xff, 0xff, 0xff, 0xff, 0xff, 0xff, 0xff, 0xfd, 0xff, 0xff, 0xff, 0xff, 0x7f, 0xf0,
0xe4, 0xbd, 0xff, 0xbf, 0xff, 0xff, 0xff, 0xff, 0xff, 0xff, 0xff, 0xfe, 0xff, 0xff, 0xff, 0xff, 0xff, 0xff, 0xff, 0xff, 0xff, 0xfd, 0xff, 0xff, 0xff, 0xff, 0x7f, 0xf0,
0xff, 0xfd, 0xff, 0xff, 0xff, 0xff, 0xff, 0xff, 0xff, 0xff, 0xff, 0xfe, 0xff, 0xff, 0xff, 0xff, 0xff, 0xff, 0xff, 0xff, 0xff, 0xfd, 0xff, 0xff, 0xff, 0xff, 0x7f, 0xf0,
0xff, 0xff, 0xff, 0xff, 0xff, 0xff, 0xff, 0xff, 0xff, 0xff, 0xff, 0xfe, 0xff, 0xff, 0xff, 0xff, 0xff, 0xff, 0xff, 0xff, 0xff, 0xfd, 0xff, 0xff, 0xff, 0xff, 0x7f, 0xf0,
0xff, 0xff, 0xc0, 0x00, 0x00, 0x00, 0x00, 0x00, 0x00, 0x00, 0x00, 0x02, 0xff, 0xff, 0xff, 0xff, 0xff, 0xff, 0xff, 0xff, 0xff, 0xfd, 0xff, 0xff, 0xff, 0xff, 0x7f, 0xf0,
0xff, 0xff, 0x80, 0x00, 0x00, 0x00, 0x00, 0x00, 0x1f, 0xff, 0xff, 0xfa, 0xff, 0xff, 0xff, 0xff, 0xff, 0xff, 0xff, 0xff, 0xff, 0xfd, 0xff, 0xff, 0xff, 0xff, 0x7f, 0xf0,
0xff, 0xff, 0xc0, 0x00, 0x00, 0x00, 0x00, 0x00, 0x0f, 0xff, 0xff, 0xfa, 0xff, 0xf7, 0xff, 0xff, 0xff, 0xff, 0xff, 0xff, 0xff, 0xfd, 0xff, 0xff, 0xff, 0xff, 0x7f, 0xf0,
0xff, 0xff, 0x80, 0x00, 0x03, 0xf8, 0x00, 0x00, 0x0f, 0xff, 0xff, 0xfa, 0xff, 0xf7, 0xff, 0xff, 0xff, 0xff, 0xff, 0xff, 0xff, 0xfd, 0xff, 0xff, 0xff, 0xf7, 0x7f, 0xf0,
0xff, 0xff, 0xc0, 0x0f, 0xff, 0xff, 0x00, 0x00, 0x07, 0xff, 0xff, 0xfa, 0xff, 0xf7, 0xff, 0xff, 0xff, 0xff, 0xff, 0xff, 0xff, 0xfd, 0xff, 0x83, 0xff, 0xf7, 0x7f, 0xf0,
0xff, 0xff, 0x80, 0x3f, 0xff, 0xff, 0xf8, 0x00, 0x03, 0xff, 0xff, 0xfa, 0xdf, 0xf7, 0xff, 0xff, 0xff, 0xff, 0xff, 0xff, 0xff, 0xf9, 0xfe, 0xfd, 0xff, 0xff, 0x7f, 0xf0,
0xff, 0xff, 0x80, 0xff, 0xff, 0xff, 0xff, 0x00, 0x01, 0xff, 0xff, 0xfa, 0xff, 0xff, 0xff, 0xff, 0xff, 0xff, 0xff, 0xff, 0xff, 0xf9, 0xfd, 0xfe, 0xff, 0xff, 0x7f, 0xf0,
0xff, 0xff, 0x81, 0xff, 0xff, 0xff, 0xff, 0x80, 0x01, 0xff, 0xff, 0xfa, 0xff, 0xff, 0xff, 0xff, 0xff, 0xff, 0xff, 0xff, 0xff, 0xfd, 0xfb, 0xff, 0x7f, 0xff, 0x7f, 0xf0,
0xff, 0xff, 0x83, 0xff, 0xff, 0xff, 0xff, 0xc0, 0x00, 0xff, 0xff, 0xfa, 0xff, 0xff, 0xff, 0xff, 0xff, 0xff, 0xff, 0xff, 0xff, 0xf9, 0xf7, 0xff, 0xbf, 0xff, 0x7f, 0xf0,
0xff, 0xff, 0xc7, 0xff, 0xff, 0xff, 0xff, 0xe0, 0x00, 0x7f, 0xff, 0xfa, 0xff, 0xff, 0xff, 0xff, 0xff, 0xff, 0xff, 0xff, 0xff, 0xfb, 0xef, 0xff, 0xdf, 0xff, 0x7f, 0xf0,
0xff, 0xff, 0x8f, 0xff, 0xff, 0xff, 0xff, 0xf0, 0x00, 0x7f, 0xff, 0xfa, 0xff, 0xff, 0xff, 0xff, 0xff, 0xff, 0xff, 0xff, 0xff, 0xfb, 0xef, 0xff, 0xdf, 0xff, 0x7f, 0xf0,
0xff, 0xff, 0x9f, 0xff, 0xff, 0xff, 0xff, 0xf8, 0x00, 0x3f, 0xff, 0xfa, 0xff, 0xff, 0xff, 0xff, 0xff, 0xff, 0xff, 0xff, 0xff, 0xfd, 0xdf, 0xff, 0xef, 0xff, 0x7f, 0xf0,
0xff, 0xff, 0xbf, 0xff, 0xff, 0xff, 0xff, 0xfc, 0x00, 0x1f, 0xff, 0xfa, 0xff, 0xff, 0xff, 0xff, 0xff, 0xff, 0xff, 0xff, 0xff, 0xfb, 0xff, 0xff, 0xef, 0xef, 0x7f, 0xf0,
0xff, 0xff, 0xbf, 0xff, 0xff, 0xff, 0xff, 0xfe, 0x00, 0x1f, 0xff, 0xfa, 0xff, 0xff, 0xff, 0xff, 0xff, 0xff, 0xff, 0xff, 0xff, 0xff, 0xbf, 0xff, 0xf7, 0xff, 0x7f, 0xf0,
0xff, 0xff, 0xbf, 0xff, 0xff, 0xff, 0xff, 0xff, 0x00, 0x0f, 0xff, 0xfa, 0xff, 0xff, 0xff, 0xff, 0xff, 0xff, 0xff, 0xff, 0xff, 0xfd, 0xff, 0xff, 0xf7, 0xff, 0x7f, 0xf0,
0xff, 0xff, 0x9f, 0xff, 0xff, 0xff, 0xff, 0xff, 0x80, 0x0f, 0xff, 0xfa, 0xff, 0xff, 0xff, 0xff, 0xff, 0xff, 0xff, 0xff, 0xff, 0xff, 0x7f, 0xff, 0xf7, 0xff, 0x7f, 0xf0,
0xff, 0xff, 0xbf, 0xff, 0xff, 0xff, 0xff, 0xff, 0x80, 0x07, 0xff, 0xfa, 0xff, 0xff, 0x7f, 0xff, 0xff, 0xe3, 0xff, 0xff, 0xff, 0xff, 0x7f, 0xff, 0xfb, 0xff, 0x7f, 0xf0,
0xff, 0xff, 0xbf, 0xff, 0xff, 0xff, 0xff, 0xff, 0xc0, 0x07, 0xff, 0xfa, 0xff, 0xff, 0xff, 0xff, 0xff, 0xc0, 0xff, 0xff, 0xff, 0xff, 0xff, 0xff, 0xfb, 0xff, 0x7f, 0xf0,
0xff, 0xff, 0xbf, 0xff, 0xff, 0xff, 0xff, 0xff, 0xc0, 0x07, 0xff, 0xfa, 0xff, 0xff, 0xff, 0xff, 0xff, 0x00, 0x7f, 0xff, 0xff, 0xff, 0xff, 0xff, 0xfb, 0xff, 0x7f, 0xf0,
0xff, 0xff, 0xbf, 0xff, 0xff, 0xff, 0xff, 0xff, 0xe0, 0x03, 0xff, 0xfa, 0xff, 0xff, 0xff, 0xff, 0xff, 0x00, 0x3f, 0xff, 0xff, 0xff, 0xff, 0xff, 0xff, 0xff, 0x7f, 0xf0,
0xff, 0xff, 0xbf, 0xff, 0xff, 0xff, 0xff, 0xff, 0xe0, 0x03, 0xff, 0xfa, 0xff, 0xff, 0xff, 0xff, 0xfe, 0x00, 0x1f, 0xff, 0xff, 0xff, 0xff, 0xff, 0xfd, 0xff, 0x7f, 0xf0,
0xff, 0xff, 0xbf, 0xff, 0xff, 0xff, 0xff, 0xff, 0xf0, 0x01, 0xff, 0xfa, 0xff, 0xff, 0xff, 0xff, 0xfe, 0x00, 0x1f, 0xff, 0xff, 0xff, 0xff, 0xff, 0xfd, 0xff, 0x7f, 0xf0,
0xff, 0xff, 0xbf, 0xff, 0xff, 0xff, 0xff, 0xff, 0xf0, 0x01, 0xff, 0xfa, 0xff, 0xff, 0xff, 0xff, 0xfe, 0x3c, 0x1f, 0xff, 0xff, 0xff, 0xff, 0xff, 0xff, 0xff, 0x7f, 0xf0,
0xff, 0xff, 0xbf, 0xff, 0xff, 0xff, 0xff, 0xff, 0xf8, 0x01, 0xff, 0xfa, 0xff, 0xff, 0xff, 0xff, 0xfe, 0x3e, 0x0f, 0xff, 0xff, 0xfd, 0xff, 0xff, 0xff, 0xdf, 0x7f, 0xf0,
0xff, 0xff, 0xbf, 0xff, 0xff, 0xff, 0xff, 0xff, 0xf8, 0x00, 0xff, 0xfa, 0xff, 0xff, 0xff, 0xff, 0xfc, 0x7e, 0x07, 0xff, 0xff, 0xfd, 0xff, 0xff, 0xfe, 0x7f, 0x7f, 0xf0,
0xff, 0xff, 0xbf, 0xff, 0xff, 0xff, 0xff, 0xff, 0xfc, 0x00, 0xff, 0xfa, 0xff, 0xff, 0xff, 0xff, 0xfc, 0x7d, 0x07, 0xff, 0xff, 0xff, 0xff, 0xff, 0xfe, 0xbf, 0x7f, 0xf0,
0xff, 0xff, 0x9f, 0xff, 0xff, 0xff, 0xff, 0xff, 0xfc, 0x00, 0x7f, 0xfa, 0xff, 0xff, 0xbf, 0xff, 0xfc, 0x5f, 0x07, 0xff, 0xff, 0xff, 0xff, 0xff, 0xff, 0xff, 0x7f, 0xf0,
0xff, 0xff, 0xbf, 0xff, 0xff, 0xff, 0xff, 0xff, 0xfe, 0x00, 0x7f, 0xfa, 0xff, 0xff, 0xff, 0xff, 0xfc, 0x7e, 0x23, 0xff, 0xff, 0xff, 0xff, 0xff, 0xff, 0xbf, 0x7f, 0xf0,
0xff, 0xff, 0xff, 0xff, 0xff, 0xff, 0xff, 0xff, 0xfe, 0x00, 0x7f, 0xfa, 0xff, 0xff, 0xff, 0xff, 0xfc, 0x5e, 0x83, 0xff, 0xff, 0xff, 0xff, 0xff, 0xff, 0xbf, 0x7f, 0xf0,
0xff, 0xff, 0xbe, 0x01, 0xff, 0xff, 0xff, 0xff, 0xfe, 0x00, 0x3f, 0xfa, 0xff, 0xff, 0xff, 0xff, 0xfc, 0xde, 0x83, 0xff, 0xff, 0xfb, 0xff, 0xff, 0xff, 0xff, 0x7f, 0xf0,
0xff, 0xff, 0xb8, 0x00, 0x7f, 0xff, 0xff, 0xff, 0xff, 0x00, 0x3f, 0xfa, 0xff, 0xff, 0xff, 0xff, 0xfc, 0xdf, 0x83, 0xff, 0xff, 0xeb, 0xff, 0xff, 0xff, 0x7f, 0x7f, 0xf0,
0xff, 0xff, 0xc0, 0x00, 0x3f, 0xff, 0xff, 0xff, 0xff, 0x00, 0x3f, 0xfa, 0xff, 0xff, 0xff, 0xff, 0xfc, 0x3f, 0x93, 0xff, 0xf8, 0x0b, 0xff, 0xff, 0xff, 0xff, 0x7f, 0xf0,
0xff, 0xff, 0x90, 0x7c, 0x1f, 0xff, 0xff, 0xff, 0xff, 0x00, 0x1f, 0xfa, 0xff, 0xff, 0xff, 0xff, 0xfc, 0x3f, 0x87, 0xff, 0xf0, 0x0f, 0xff, 0xff, 0xff, 0xff, 0x7f, 0xf0,
0xff, 0xff, 0x9f, 0xff, 0xdf, 0xff, 0xff, 0xff, 0xff, 0x00, 0x1f, 0xfa, 0xff, 0xff, 0xff, 0xff, 0xfc, 0x3d, 0x07, 0xff, 0xf8, 0x0f, 0xff, 0xff, 0xff, 0xff, 0x7f, 0xf0,
0xff, 0xff, 0xbf, 0xff, 0xff, 0xff, 0xff, 0xff, 0xff, 0x80, 0x1f, 0xfa, 0xff, 0xff, 0xff, 0xff, 0xfc, 0x1e, 0x87, 0xff, 0xff, 0xff, 0xff, 0xff, 0xff, 0xff, 0x7f, 0xf0,
0xff, 0xff, 0x9f, 0xff, 0xff, 0xff, 0xff, 0xc7, 0xff, 0x80, 0x0f, 0xfa, 0xff, 0xff, 0xff, 0xff, 0xfc, 0x45, 0x9f, 0xff, 0xff, 0xff, 0xff, 0xff, 0xff, 0xff, 0x7f, 0xf0,
0xff, 0xff, 0xbf, 0xff, 0xff, 0xff, 0xff, 0x80, 0x7f, 0x80, 0x0f, 0xfa, 0xff, 0xff, 0xff, 0xff, 0xfd, 0x01, 0x8f, 0xff, 0xff, 0xff, 0xff, 0xdf, 0xff, 0xff, 0x7f, 0xf0,
0xff, 0xff, 0xbf, 0xff, 0xff, 0xff, 0xff, 0x02, 0xbf, 0x80, 0x0f, 0xfa, 0xff, 0xff, 0xff, 0xff, 0xff, 0x83, 0xc3, 0xff, 0xff, 0xff, 0xff, 0xe3, 0xff, 0x7f, 0x7f, 0xf0,
0xff, 0xff, 0x9f, 0xff, 0xff, 0xff, 0xff, 0xe0, 0x0f, 0x80, 0x0f, 0xfa, 0xff, 0xff, 0xff, 0xff, 0xff, 0xc7, 0xc0, 0xff, 0xff, 0xff, 0xff, 0xe3, 0xff, 0x7f, 0x7f, 0xf0,
0xff, 0xff, 0xbf, 0xff, 0xff, 0xff, 0xff, 0xff, 0xf7, 0xc0, 0x07, 0xfa, 0xff, 0xff, 0xff, 0xff, 0xf7, 0x87, 0xc0, 0x3f, 0xff, 0xff, 0xff, 0xff, 0xff, 0x7f, 0x7f, 0xf0,
0xff, 0xff, 0xbf, 0xff, 0xff, 0xff, 0xff, 0xff, 0xff, 0xc0, 0x07, 0xfa, 0xff, 0xff, 0xff, 0xff, 0xff, 0x07, 0xc0, 0x1f, 0xff, 0xff, 0xff, 0xff, 0xff, 0xff, 0x7f, 0xf0,
0xff, 0xff, 0xbf, 0xff, 0xff, 0xff, 0xff, 0xff, 0xff, 0xc0, 0x07, 0xfa, 0xff, 0xff, 0xff, 0xff, 0xfe, 0x07, 0xe0, 0x1f, 0xff, 0xff, 0xff, 0xff, 0xff, 0xff, 0x7f, 0xf0,
0xff, 0xff, 0xbf, 0xff, 0xff, 0xff, 0xff, 0xff, 0xff, 0xc0, 0x07, 0xfa, 0xff, 0xff, 0xff, 0xff, 0xf8, 0x07, 0x60, 0x1f, 0xff, 0xff, 0xff, 0xff, 0xff, 0xff, 0x7f, 0xf0,
0xff, 0xff, 0xbf, 0xff, 0xff, 0xff, 0xff, 0xff, 0xff, 0xc0, 0x07, 0xfa, 0xff, 0xff, 0xff, 0xff, 0xf8, 0x0f, 0xe0, 0x1f, 0xff, 0xff, 0xff, 0xff, 0xf7, 0xff, 0x7f, 0xf0,
0xff, 0xff, 0x9f, 0xff, 0xff, 0xff, 0xff, 0xff, 0xff, 0xc0, 0x03, 0xfa, 0xff, 0xff, 0xff, 0xff, 0xf8, 0x0f, 0xf0, 0x0f, 0xff, 0xff, 0xbf, 0xff, 0xf7, 0xff, 0x7f, 0xf0,
0xff, 0xff, 0xbf, 0xff, 0xff, 0xff, 0xff, 0xff, 0xff, 0xc0, 0x03, 0xfa, 0xff, 0xff, 0xff, 0xff, 0xf8, 0x0f, 0xf0, 0x1f, 0xff, 0xfb, 0x82, 0x48, 0x9f, 0xff, 0x7f, 0xf0,
0xff, 0xff, 0x9f, 0xff, 0xff, 0xff, 0xff, 0xff, 0xff, 0xe0, 0x03, 0xfa, 0xff, 0xff, 0xff, 0xff, 0xf8, 0x0f, 0xf0, 0x1f, 0xff, 0xfb, 0xbd, 0xb5, 0x3f, 0xff, 0x7f, 0xf0,
0xff, 0xff, 0xc0, 0x7f, 0xff, 0xff, 0xff, 0xff, 0xff, 0xe0, 0x03, 0xfa, 0xff, 0xff, 0xef, 0xff, 0xf8, 0x0f, 0xf0, 0x0f, 0xff, 0xfb, 0xa2, 0x45, 0x5f, 0xff, 0x7f, 0xf0,
0xff, 0xff, 0x80, 0x3f, 0xff, 0xff, 0xff, 0xff, 0xff, 0xe0, 0x01, 0xfa, 0xff, 0xff, 0xef, 0xff, 0xf6, 0x0f, 0xf0, 0x0f, 0xff, 0xfb, 0xff, 0xff, 0xef, 0xff, 0x7f, 0xf0,
0xff, 0xff, 0x9f, 0x03, 0xff, 0xff, 0xff, 0xff, 0xff, 0xe0, 0x01, 0xfa, 0xff, 0xff, 0xef, 0xff, 0xf7, 0x0f, 0xf0, 0x0f, 0xff, 0xfb, 0xff, 0xff, 0xff, 0xff, 0x7f, 0xf0,
0xff, 0xff, 0xbf, 0xe3, 0xff, 0xff, 0xff, 0xff, 0xff, 0xe0, 0x01, 0xfa, 0xff, 0xfb, 0xef, 0xff, 0xff, 0x8f, 0xf0, 0x0f, 0xff, 0xfb, 0xff, 0xff, 0xff, 0xff, 0x7f, 0xf0,
0xff, 0xff, 0xbc, 0x3b, 0xff, 0xff, 0xff, 0xff, 0xff, 0xe0, 0x01, 0xfa, 0xff, 0xff, 0xff, 0xff, 0xff, 0x8f, 0xf0, 0x0f, 0xff, 0xfb, 0xff, 0xff, 0xff, 0xff, 0x7f, 0xf0,
0xff, 0xff, 0xb8, 0x3d, 0xff, 0xff, 0xff, 0xff, 0xff, 0xe0, 0x01, 0xfa, 0xff, 0xff, 0xff, 0xff, 0xf7, 0x8f, 0xf0, 0x0f, 0xff, 0x3b, 0xff, 0xff, 0xff, 0xff, 0x7f, 0xf0,
0xff, 0xff, 0x9b, 0x1e, 0xff, 0xff, 0xff, 0xff, 0xff, 0xe0, 0x01, 0xfa, 0xff, 0xff, 0xff, 0xff, 0xe7, 0x8f, 0xf0, 0x07, 0xfd, 0x7b, 0xff, 0xff, 0xff, 0xff, 0x7f, 0xf0,
0xff, 0xff, 0xbb, 0x9e, 0x3f, 0xff, 0xff, 0xff, 0xf7, 0xe0, 0x00, 0xfa, 0xff, 0xff, 0xff, 0xff, 0xe7, 0x0f, 0xf0, 0x07, 0xfd, 0xfb, 0xff, 0xff, 0xff, 0x7f, 0x7f, 0xf0,
0xff, 0xff, 0xb3, 0x1f, 0x7f, 0xff, 0xff, 0x80, 0x3d, 0xe0, 0x00, 0xfa, 0xff, 0xff, 0xff, 0xff, 0xe6, 0x0f, 0xf0, 0x07, 0xfe, 0x3f, 0xff, 0xff, 0xff, 0x7f, 0x7f, 0xf0,
0xff, 0xff, 0xbb, 0x1f, 0x7f, 0xff, 0xff, 0x00, 0x0f, 0xe0, 0x00, 0xfa, 0xff, 0xff, 0xff, 0xff, 0xee, 0x07, 0xf0, 0x07, 0xff, 0x7d, 0xff, 0xff, 0xff, 0xff, 0x7f, 0xf0,
0xff, 0xff, 0xb9, 0x3f, 0xff, 0xff, 0xfc, 0x2f, 0x87, 0xe0, 0x00, 0xfa, 0xbf, 0xff, 0xff, 0xff, 0xee, 0x07, 0xf0, 0x07, 0xff, 0xfd, 0xff, 0xff, 0xff, 0xff, 0x7f, 0xf0,
0xff, 0xff, 0xb9, 0xff, 0xff, 0xff, 0xf8, 0xc3, 0xf3, 0xc0, 0x00, 0xfa, 0xff, 0xff, 0xff, 0xff, 0xc6, 0x07, 0xf0, 0x03, 0xff, 0xfd, 0xff, 0xff, 0xff, 0xff, 0x7f, 0xf0,
0xff, 0xff, 0xf4, 0xff, 0xff, 0xff, 0xf1, 0x83, 0xf9, 0xc0, 0x00, 0xfa, 0xff, 0xff, 0xf7, 0xff, 0xc0, 0x07, 0xf0, 0x03, 0xff, 0xed, 0xff, 0xff, 0xfe, 0xff, 0x7f, 0xf0,
0xff, 0xff, 0xf7, 0xff, 0xff, 0xff, 0xf7, 0xe3, 0xfc, 0xc0, 0x00, 0xfa, 0xff, 0xff, 0xf7, 0xff, 0xe0, 0x07, 0xf0, 0x00, 0xff, 0xed, 0xff, 0xff, 0xfe, 0xff, 0x7f, 0xf0,
0xff, 0xff, 0xbf, 0xff, 0xff, 0xff, 0xef, 0x63, 0xff, 0xc0, 0x00, 0xfa, 0xdf, 0xff, 0xf7, 0xff, 0xe0, 0x87, 0xf0, 0x00, 0x3f, 0xef, 0xff, 0xff, 0xff, 0xff, 0x7f, 0xf0,
0xff, 0xff, 0xbb, 0xff, 0xff, 0xff, 0xff, 0x67, 0xff, 0xc0, 0x00, 0xfa, 0xff, 0xff, 0xff, 0xff, 0xc0, 0x07, 0xf0, 0x00, 0x0f, 0xee, 0xff, 0xff, 0xfe, 0xff, 0x7f, 0xf0,
0xff, 0xff, 0xbd, 0xff, 0xff, 0xff, 0xff, 0xf7, 0xff, 0xc0, 0x00, 0x7a, 0xdf, 0xff, 0xff, 0xff, 0xc1, 0x07, 0xf0, 0x00, 0x01, 0x2e, 0xff, 0xff, 0xff, 0x7f, 0x7f, 0xf0,
0xff, 0xff, 0xbf, 0xff, 0xff, 0xff, 0xff, 0xdf, 0xff, 0xc0, 0x00, 0x7a, 0xff, 0xff, 0xff, 0xff, 0xcc, 0x0f, 0xf0, 0x00, 0x00, 0x82, 0xff, 0xff, 0xff, 0xff, 0x7f, 0xf0,
0xff, 0xff, 0xbf, 0xff, 0xff, 0xff, 0xff, 0xdf, 0xff, 0x80, 0x00, 0x7a, 0xff, 0xff, 0xff, 0xff, 0xc8, 0x8f, 0xf0, 0x00, 0x01, 0x1c, 0xff, 0xff, 0xff, 0xff, 0x7f, 0xf0,
0xff, 0xff, 0xbf, 0xff, 0xff, 0xff, 0xbf, 0xff, 0xff, 0x80, 0x00, 0x7a, 0xff, 0xff, 0xff, 0xff, 0xca, 0x8f, 0xf0, 0x20, 0x01, 0xfc, 0x7f, 0xff, 0xff, 0xff, 0x7f, 0xf0,
0xff, 0xff, 0xbf, 0xff, 0xff, 0xff, 0xff, 0x7f, 0xff, 0x80, 0x00, 0x7a, 0x7f, 0xff, 0xff, 0xff, 0xc5, 0x0f, 0xe0, 0x3e, 0x01, 0xff, 0x7f, 0xff, 0xff, 0xff, 0x7f, 0xf0,
0xff, 0xff, 0xbf, 0xff, 0xff, 0xff, 0xff, 0xb7, 0xff, 0x80, 0x00, 0x7a, 0xff, 0xff, 0xff, 0xff, 0xc5, 0x07, 0xe0, 0x3f, 0x82, 0x78, 0x7f, 0xff, 0xfb, 0xff, 0x7f, 0xf0,
0xff, 0xff, 0xbf, 0xff, 0xff, 0xff, 0xff, 0xcf, 0xff, 0x80, 0x00, 0x7a, 0xff, 0xff, 0xff, 0xff, 0xe5, 0x00, 0xc0, 0x1f, 0xf7, 0xb1, 0xff, 0xff, 0xfb, 0xff, 0x7f, 0xf0,
0xff, 0xff, 0xbf, 0xff, 0xff, 0xff, 0xff, 0xff, 0xff, 0xa0, 0x00, 0x7a, 0xff, 0xff, 0xff, 0xff, 0xdf, 0x00, 0x00, 0x1f, 0xff, 0x87, 0xff, 0xff, 0xfb, 0xff, 0x7f, 0xf0,
0xff, 0xff, 0xbf, 0xff, 0xff, 0xff, 0xff, 0xff, 0xff, 0x60, 0x00, 0x7a, 0xff, 0xff, 0xff, 0xff, 0xde, 0x00, 0x00, 0x1f, 0xff, 0xe1, 0xff, 0xff, 0xff, 0xff, 0x7f, 0xf0,
0xff, 0xff, 0xff, 0xff, 0xff, 0xff, 0xff, 0xff, 0xff, 0x60, 0x00, 0x7a, 0xaf, 0xff, 0xff, 0xff, 0xde, 0x00, 0x00, 0x1f, 0xff, 0xfc, 0x1f, 0xff, 0xff, 0xff, 0x7f, 0xf0,
0xff, 0xff, 0xbf, 0xff, 0xff, 0xff, 0xff, 0xff, 0xff, 0x60, 0x00, 0x7a, 0xbf, 0xff, 0xff, 0xff, 0xde, 0x00, 0x00, 0x0f, 0xff, 0xef, 0x5f, 0xff, 0xff, 0xff, 0x7f, 0xf0,
0xff, 0xff, 0xbf, 0xff, 0xff, 0xff, 0xff, 0xff, 0xff, 0x60, 0x00, 0x7a, 0xbf, 0xff, 0xff, 0xff, 0xde, 0xa8, 0x10, 0xaf, 0xff, 0xef, 0xef, 0xff, 0xff, 0xff, 0x7f, 0xf0,
0xff, 0xff, 0xbf, 0xff, 0xff, 0xff, 0xff, 0xff, 0xff, 0x60, 0x00, 0x7a, 0xbf, 0xff, 0xff, 0xff, 0xde, 0xa8, 0x07, 0xaf, 0xff, 0xef, 0xaf, 0xff, 0xff, 0xff, 0x7f, 0xf0,
0xff, 0xff, 0x9f, 0xff, 0xff, 0xff, 0xff, 0xff, 0xff, 0x60, 0x00, 0x7a, 0xff, 0xff, 0xff, 0xff, 0xde, 0xef, 0xc5, 0xe7, 0xff, 0xef, 0xb7, 0xff, 0xff, 0xff, 0x7f, 0xf0,
0xff, 0xff, 0xbf, 0xff, 0xff, 0xff, 0xff, 0xff, 0xff, 0xe0, 0x00, 0x7a, 0xff, 0xff, 0xff, 0xff, 0xdc, 0xed, 0xf7, 0xe7, 0xff, 0xff, 0xd3, 0xff, 0xbf, 0xff, 0x7f, 0xf0,
0xff, 0xff, 0xbf, 0xff, 0xff, 0xff, 0xff, 0xff, 0xff, 0xc0, 0x00, 0x7a, 0xff, 0xff, 0xff, 0xff, 0xdc, 0xef, 0xf7, 0xe7, 0xff, 0xff, 0x9b, 0xff, 0x2f, 0xff, 0x7f, 0xf0,
0xff, 0xff, 0xbf, 0xff, 0xff, 0xff, 0xff, 0xff, 0xff, 0xc0, 0x00, 0x7a, 0xff, 0xff, 0xff, 0xff, 0xdc, 0xed, 0xf7, 0xf7, 0xff, 0xdf, 0xad, 0xfe, 0xbf, 0xff, 0x7f, 0xf0,
0xff, 0xff, 0xbf, 0xff, 0xff, 0xff, 0xff, 0xff, 0xfe, 0xc0, 0x00, 0x7a, 0xff, 0xff, 0xff, 0xff, 0xdc, 0xed, 0xf3, 0xf7, 0xff, 0xdf, 0xae, 0x79, 0xc7, 0xff, 0x7f, 0xf0,
0xff, 0xff, 0xbf, 0xff, 0xff, 0xff, 0xff, 0xff, 0xff, 0xc0, 0x00, 0x7a, 0xff, 0xff, 0xff, 0xff, 0xdd, 0xed, 0xfb, 0xf7, 0xff, 0xdc, 0x2f, 0x83, 0xf7, 0xff, 0x7f, 0xf0,
0xff, 0xff, 0xbf, 0xff, 0xff, 0xff, 0xff, 0xff, 0xff, 0xc0, 0x00, 0x3a, 0xff, 0xff, 0xff, 0xff, 0xde, 0xef, 0xfb, 0xf7, 0xff, 0xdb, 0xb7, 0xe8, 0x1f, 0xff, 0x7f, 0xf0,
0xff, 0xff, 0xbf, 0xff, 0xff, 0xff, 0xff, 0xff, 0xff, 0x80, 0x00, 0x3a, 0xff, 0xff, 0xff, 0xff, 0xde, 0x6f, 0xfb, 0xe7, 0xff, 0xdb, 0xff, 0xff, 0xdf, 0xff, 0x7f, 0xf0,
0xff, 0xff, 0x9f, 0xff, 0xff, 0xff, 0xff, 0xff, 0xff, 0x80, 0x04, 0x3a, 0xff, 0xff, 0xff, 0xff, 0xde, 0x2f, 0xf8, 0x07, 0xff, 0xdb, 0xfb, 0xff, 0xff, 0xff, 0x7f, 0xf0,
0xff, 0xff, 0xbf, 0xff, 0xff, 0xff, 0xff, 0xff, 0xff, 0x90, 0x00, 0xba, 0xff, 0xff, 0xff, 0xff, 0xc0, 0x8e, 0xff, 0xf7, 0xff, 0xdb, 0xfb, 0xf8, 0x3f, 0xff, 0x7f, 0xf0,
0xff, 0xff, 0xbf, 0xff, 0xff, 0xff, 0xff, 0xff, 0xff, 0x10, 0x04, 0xba, 0xfb, 0xff, 0xff, 0xff, 0xe2, 0xff, 0xff, 0xf7, 0xff, 0xdb, 0xbd, 0xff, 0xff, 0xff, 0x7f, 0xf0,
0xff, 0xff, 0xbf, 0xff, 0xff, 0xff, 0xff, 0xff, 0xff, 0x10, 0x05, 0xba, 0xfb, 0xff, 0xbf, 0xff, 0xfe, 0xfe, 0xff, 0xf7, 0xff, 0xdb, 0xfd, 0xff, 0xff, 0xff, 0x7f, 0xf0,
0xff, 0xff, 0xbf, 0xff, 0xff, 0xff, 0xff, 0xff, 0xff, 0x10, 0x05, 0xba, 0xff, 0xff, 0xbd, 0xff, 0xfe, 0xff, 0xff, 0xf7, 0xff, 0xdb, 0xdf, 0xff, 0xff, 0xff, 0x7f, 0xf0,
0xff, 0xff, 0xbf, 0xff, 0xff, 0xff, 0xff, 0xff, 0xfe, 0x10, 0x04, 0x9a, 0xff, 0xff, 0xfd, 0xff, 0xfe, 0xff, 0xff, 0xf7, 0xff, 0xdb, 0xde, 0xff, 0xff, 0xff, 0x7f, 0xf0,
0xff, 0xff, 0xbf, 0xff, 0xff, 0xff, 0xff, 0xff, 0xfe, 0x10, 0x84, 0x1a, 0xff, 0xff, 0xff, 0xff, 0xfe, 0xff, 0xff, 0xf7, 0xff, 0xdb, 0x5e, 0xff, 0xef, 0xff, 0x7f, 0xf0,
0xff, 0xff, 0xbf, 0xff, 0xff, 0xff, 0xff, 0xff, 0xfc, 0x00, 0x85, 0x1a, 0xff, 0xff, 0xff, 0xff, 0xfe, 0xff, 0xff, 0xf7, 0xff, 0xdb, 0xdf, 0x7f, 0xff, 0xff, 0x7f, 0xf0,
0xff, 0xff, 0xbf, 0xff, 0xff, 0xff, 0xff, 0xff, 0xfc, 0x00, 0x85, 0x5a, 0xfd, 0xff, 0xff, 0xff, 0xfe, 0xff, 0xff, 0xf7, 0xff, 0xdf, 0x5f, 0x7f, 0xff, 0xff, 0x7f, 0xf0,
0xff, 0xff, 0xff, 0xff, 0xff, 0xff, 0xff, 0xff, 0xfc, 0x00, 0x85, 0x1a, 0xfd, 0xff, 0xfd, 0xff, 0xfe, 0xff, 0xff, 0xf7, 0xff, 0xdf, 0x5f, 0xbf, 0x7f, 0xff, 0x7f, 0xf0,
0xff, 0xff, 0xbf, 0xff, 0xff, 0xff, 0xff, 0xff, 0xfc, 0x02, 0x85, 0x0a, 0xfd, 0xff, 0xfd, 0xff, 0xfe, 0xff, 0xff, 0xf7, 0xff, 0xdf, 0x7f, 0xbe, 0x7f, 0xff, 0x7f, 0xf0,
0xff, 0xff, 0xdf, 0xff, 0xff, 0xff, 0xff, 0xff, 0xf8, 0x02, 0x05, 0x0a, 0xf5, 0xff, 0xfd, 0xff, 0xfe, 0xff, 0xff, 0xf7, 0xff, 0xdf, 0x7f, 0xef, 0x3f, 0xff, 0x7f, 0xf0,
0xff, 0xff, 0xff, 0xff, 0xff, 0xff, 0xff, 0xff, 0xf8, 0x02, 0x05, 0x0a, 0xf7, 0xff, 0xfc, 0xff, 0xfe, 0xff, 0xff, 0xf7, 0xff, 0xdf, 0x7f, 0xdf, 0x9f, 0xff, 0x7f, 0xf0,
0xff, 0xff, 0xff, 0xff, 0xff, 0xff, 0xff, 0xff, 0xf8, 0x22, 0x05, 0x0a, 0xff, 0xff, 0xde, 0xff, 0xff, 0x7f, 0xff, 0xf7, 0xff, 0xdf, 0x7f, 0xf7, 0xff, 0xff, 0x7f, 0xf0,
0xff, 0xff, 0xff, 0xff, 0xff, 0xff, 0xff, 0xff, 0xf8, 0x22, 0x05, 0x0a, 0xff, 0xff, 0xde, 0xff, 0xff, 0x7f, 0xff, 0xf7, 0xff, 0xdf, 0x7f, 0xef, 0xdf, 0xff, 0x7f, 0xf0,
0xff, 0xff, 0xbf, 0xff, 0xfb, 0xff, 0xff, 0xff, 0xf8, 0x21, 0x05, 0x02, 0xff, 0xff, 0xde, 0xff, 0xff, 0xbf, 0xff, 0xf7, 0xff, 0xdf, 0x7d, 0xeb, 0xff, 0xff, 0x7f, 0xf0,
0xff, 0xff, 0xbf, 0xff, 0xcf, 0xfb, 0xff, 0xff, 0xf8, 0x25, 0x05, 0x02, 0xfe, 0xff, 0xfe, 0xff, 0xff, 0xbf, 0xff, 0xf7, 0xff, 0xdb, 0x7d, 0xf3, 0xff, 0xff, 0x7f, 0xf0,
0xff, 0xff, 0xbf, 0xff, 0xbf, 0xfc, 0xff, 0xff, 0xf0, 0x27, 0x05, 0x02, 0xfe, 0xff, 0xfe, 0xff, 0xff, 0xbf, 0xff, 0xf7, 0xff, 0xdb, 0x7d, 0xf5, 0xff, 0xff, 0x7f, 0xf0,
0xff, 0xff, 0xff, 0xff, 0x7e, 0x3f, 0x7f, 0xff, 0xf0, 0x37, 0x25, 0x02, 0xfe, 0xff, 0xfe, 0xff, 0xff, 0x87, 0xff, 0xf7, 0xff, 0xdb, 0xfd, 0xf8, 0x1f, 0xff, 0x7f, 0xf0,
0xff, 0xff, 0xbf, 0xfe, 0xff, 0x80, 0x7f, 0xff, 0xf0, 0x27, 0x25, 0x42, 0xff, 0xff, 0xfe, 0xff, 0xff, 0xd8, 0x7f, 0xef, 0xff, 0xdb, 0xff, 0xfb, 0xff, 0xff, 0x7f, 0xf0,
0xff, 0xff, 0xbf, 0xfe, 0xff, 0xe0, 0x3f, 0xff, 0xf0, 0x2f, 0x35, 0x42, 0xff, 0xff, 0xfe, 0xff, 0xff, 0xdf, 0x3f, 0xef, 0xff, 0xdb, 0x7f, 0xfb, 0xff, 0xff, 0x7f, 0xf0,
0xff, 0xff, 0xbf, 0xfe, 0xff, 0xf8, 0x3f, 0xff, 0xe0, 0x2f, 0x35, 0x42, 0xfb, 0xff, 0xfe, 0xff, 0xff, 0xdf, 0x5f, 0xef, 0xff, 0x9b, 0x7f, 0xfc, 0x3f, 0xff, 0x7f, 0xf0,
0xff, 0xff, 0xbf, 0xff, 0x7f, 0xfd, 0x3f, 0xff, 0xe0, 0x2f, 0x35, 0x42, 0xff, 0xff, 0xfe, 0xff, 0xff, 0xdf, 0x57, 0xef, 0xff, 0x9b, 0xff, 0xff, 0x7f, 0xff, 0x7f, 0xf0,
0xff, 0xff, 0xbf, 0xff, 0xbf, 0xff, 0x7f, 0xff, 0xd0, 0x2f, 0x77, 0x42, 0xff, 0xff, 0xfe, 0x7f, 0xff, 0xff, 0x58, 0x1f, 0xff, 0x9b, 0xff, 0xff, 0x7f, 0xff, 0x7f, 0xf0,
0xff, 0xff, 0xbf, 0xff, 0xef, 0xfc, 0xff, 0xff, 0xd0, 0x1f, 0x7f, 0x42, 0xff, 0xff, 0xfe, 0x7f, 0xff, 0xff, 0xdf, 0xbf, 0xff, 0x9b, 0xff, 0xff, 0xff, 0xff, 0x7f, 0xf0,
0xff, 0xff, 0xbf, 0xff, 0xff, 0xff, 0xff, 0xff, 0x90, 0x1f, 0x7f, 0x02, 0xff, 0xff, 0xfe, 0x7f, 0xff, 0xef, 0xdf, 0xbf, 0xff, 0x9a, 0xbf, 0xff, 0xff, 0xff, 0x7f, 0xf0,
0xff, 0xff, 0x9f, 0xff, 0xff, 0xff, 0xff, 0xff, 0xb0, 0x1f, 0xff, 0x12, 0xff, 0xff, 0xfe, 0x7f, 0xff, 0xef, 0xdf, 0xbf, 0xff, 0x9a, 0xbf, 0xff, 0xff, 0xff, 0x7f, 0xf0,
0xff, 0xff, 0x9f, 0xff, 0xff, 0xff, 0xff, 0xff, 0x50, 0x1f, 0xff, 0x12, 0xfd, 0xff, 0xff, 0x7f, 0xff, 0xef, 0xdf, 0xbf, 0xff, 0x9a, 0xbf, 0xff, 0xbf, 0xff, 0x7f, 0xf0,
0xff, 0xff, 0xbf, 0xff, 0xff, 0xff, 0xff, 0xff, 0x50, 0x3f, 0xff, 0x02, 0xff, 0xff, 0xff, 0x7f, 0xff, 0xef, 0x9f, 0xbf, 0xff, 0xba, 0xbf, 0xff, 0xbf, 0xff, 0x7f, 0xf0,
0xff, 0xff, 0xdf, 0xff, 0xff, 0xff, 0xff, 0xfe, 0x50, 0x3f, 0xff, 0x02, 0xff, 0xff, 0xff, 0x7f, 0xff, 0xef, 0xdf, 0xff, 0xff, 0xba, 0xbb, 0xff, 0xbf, 0xff, 0x7f, 0xf0,
0xff, 0xff, 0xbf, 0xff, 0xff, 0xfb, 0xff, 0xfc, 0x50, 0x3f, 0xfe, 0x2a, 0xff, 0xff, 0xff, 0x7f, 0xff, 0xef, 0x9f, 0x7f, 0xff, 0x9e, 0xff, 0xfd, 0xbf, 0xff, 0x7f, 0xf0,
0xff, 0xff, 0xbf, 0xff, 0xff, 0xff, 0xff, 0xfc, 0x70, 0x7f, 0xde, 0xaa, 0xff, 0xff, 0xff, 0x7f, 0xff, 0xef, 0xdf, 0x7f, 0xff, 0xbe, 0xff, 0xfd, 0xff, 0xff, 0x7f, 0xf0,
0xff, 0xff, 0x9f, 0xff, 0xff, 0xff, 0xff, 0xf8, 0x70, 0xff, 0xfe, 0xa2, 0xff, 0xff, 0xff, 0x7f, 0xff, 0xef, 0xdf, 0x7f, 0xff, 0xbe, 0xff, 0xfd, 0xff, 0xff, 0x7f, 0xf0,
0xff, 0xff, 0xbf, 0xff, 0xff, 0xff, 0xff, 0xf4, 0x70, 0xfb, 0xde, 0xb2, 0xff, 0xfe, 0xfe, 0x7f, 0xff, 0xef, 0xff, 0x7f, 0xff, 0xbe, 0xff, 0xfd, 0xff, 0xff, 0x7f, 0xf0,
0xff, 0xff, 0xbf, 0xff, 0xff, 0xff, 0xff, 0xe6, 0x70, 0xfb, 0xfe, 0xb2, 0xfe, 0xfe, 0xfe, 0x7f, 0xff, 0xef, 0xff, 0x7f, 0xff, 0xbf, 0xff, 0xfd, 0xff, 0xff, 0x7f, 0xf0,
0xff, 0xff, 0x9f, 0xff, 0xff, 0xff, 0xff, 0xee, 0x60, 0xfb, 0xbe, 0xb2, 0xfe, 0xbe, 0xf5, 0x3f, 0xff, 0xef, 0xff, 0x7f, 0xff, 0xbf, 0xff, 0xff, 0x7f, 0xff, 0x7f, 0xf0,
0xff, 0xff, 0xdf, 0xff, 0xff, 0xff, 0xff, 0xcc, 0x69, 0xff, 0xbc, 0xba, 0xfe, 0xbf, 0xfd, 0x3f, 0xff, 0xff, 0xbf, 0x7f, 0xff, 0xbf, 0xff, 0xff, 0x7f, 0xff, 0x7f, 0xf0,
0xff, 0xff, 0xcf, 0xff, 0xff, 0xff, 0xff, 0xcc, 0xa9, 0x77, 0xbd, 0xba, 0xff, 0xbf, 0xff, 0x3f, 0xff, 0xf7, 0xbf, 0xff, 0xff, 0xaf, 0xff, 0xff, 0x7f, 0xff, 0x7f, 0xf0,
0xff, 0xff, 0xc7, 0xff, 0xff, 0xff, 0xff, 0x4c, 0xbb, 0xff, 0xbd, 0xba, 0xfd, 0xbf, 0xfb, 0x7f, 0xff, 0xf7, 0xaf, 0xff, 0xff, 0x8f, 0xff, 0xff, 0x7f, 0xff, 0x7f, 0xf0,
0xff, 0xff, 0xa3, 0xff, 0xff, 0xff, 0xfe, 0x0c, 0x3a, 0xff, 0x7d, 0xba, 0xff, 0xbf, 0xfb, 0x3f, 0xff, 0xf7, 0xaf, 0xbf, 0xff, 0x8f, 0xff, 0xfb, 0x7f, 0xff, 0x7f, 0xf0,
0xff, 0xff, 0xb1, 0xff, 0xff, 0xff, 0xfc, 0x0c, 0xb4, 0xef, 0x79, 0x3a, 0xfb, 0xff, 0x47, 0x3f, 0xff, 0xff, 0xaf, 0xbf, 0xff, 0x9f, 0xff, 0xfb, 0x7f, 0xff, 0x7f, 0xf0,
0xff, 0xff, 0xb8, 0x7f, 0xff, 0xff, 0xf9, 0x1c, 0xf4, 0xfe, 0x7b, 0x3a, 0xff, 0x7f, 0x7f, 0x7f, 0xff, 0xfb, 0xaf, 0x80, 0x00, 0x1f, 0xf7, 0xfb, 0xff, 0xff, 0x7f, 0xf0,
0xff, 0xff, 0xb8, 0x3f, 0xff, 0xff, 0xf0, 0x18, 0xf0, 0xee, 0xfa, 0xba, 0xf7, 0xfe, 0x7f, 0x7f, 0xff, 0xfb, 0xaf, 0xbf, 0xff, 0xd7, 0xff, 0xff, 0xff, 0xff, 0x7f, 0xf0,
0xff, 0xff, 0xbc, 0x1f, 0xff, 0xff, 0xe0, 0x18, 0x68, 0xfe, 0xfa, 0x7a, 0xfe, 0xfe, 0xff, 0x00, 0x1d, 0xfb, 0xaf, 0xbf, 0xff, 0xd7, 0xff, 0xff, 0xff, 0xff, 0x7f, 0xf0,
0xff, 0xff, 0xbe, 0x0f, 0xff, 0xff, 0xc0, 0x39, 0x46, 0xfd, 0xf2, 0x7a, 0xef, 0xff, 0xff, 0x7f, 0xff, 0xfd, 0xaf, 0xbf, 0xe9, 0x65, 0xff, 0xff, 0xff, 0xff, 0x7f, 0xf0,
0xff, 0xff, 0xbe, 0x07, 0xff, 0xff, 0x80, 0x39, 0xd6, 0xfd, 0xf6, 0x7a, 0xed, 0xfd, 0x02, 0xff, 0xff, 0xfd, 0xef, 0xff, 0xff, 0xe5, 0xff, 0xfe, 0xff, 0xff, 0x7f, 0xf0,
0xff, 0xff, 0xbf, 0x01, 0xff, 0xff, 0x02, 0x31, 0xb6, 0xfd, 0xf6, 0x7a, 0xdd, 0xfd, 0x7e, 0xff, 0xff, 0xff, 0xef, 0xff, 0xff, 0xf5, 0x7f, 0xfe, 0xff, 0xff, 0x7f, 0xf0,
0xff, 0xff, 0xbf, 0x80, 0xff, 0xfe, 0x02, 0x33, 0xae, 0xf9, 0xe4, 0x7a, 0xda, 0xff, 0xff, 0xff, 0xff, 0xff, 0xef, 0xff, 0xff, 0xf4, 0x7f, 0xfe, 0xff, 0xff, 0x7f, 0xf0,
0xff, 0xff, 0xbf, 0xc0, 0x3f, 0xfc, 0x06, 0x73, 0x0a, 0xfb, 0xec, 0xfa, 0xbb, 0xfb, 0x81, 0xff, 0xff, 0xff, 0xd7, 0xff, 0xff, 0xe5, 0x7f, 0xfe, 0xff, 0xff, 0x7f, 0xf0,
0xff, 0xff, 0x9f, 0xc0, 0x1f, 0xf8, 0x04, 0x62, 0x12, 0xf3, 0xec, 0xfa, 0xbf, 0xff, 0xff, 0xff, 0xff, 0xff, 0xd7, 0x7f, 0xff, 0xe7, 0xff, 0xfe, 0xff, 0xff, 0x7f, 0xf0,
0xff, 0xff, 0xbf, 0xe0, 0x07, 0xf0, 0x0c, 0x66, 0x93, 0xe7, 0xd8, 0xfa, 0x77, 0xff, 0x7f, 0xff, 0xff, 0xff, 0x77, 0x7f, 0xff, 0xf7, 0xff, 0xf6, 0xff, 0xff, 0x7f, 0xf0,
0xff, 0xff, 0xbf, 0xf0, 0x01, 0x00, 0x0a, 0xe5, 0xa3, 0xef, 0xd9, 0xfa, 0x7f, 0xff, 0xdf, 0xff, 0xff, 0xff, 0x77, 0x7f, 0xff, 0xf6, 0xff, 0xff, 0xff, 0xff, 0x7f, 0xf0,
0xff, 0xff, 0xbf, 0xf8, 0x00, 0x00, 0x18, 0xcd, 0x6b, 0xcf, 0x99, 0xfa, 0xef, 0xff, 0xbf, 0xff, 0xff, 0xff, 0x67, 0x7f, 0xff, 0xf8, 0xff, 0xf7, 0xff, 0xff, 0x7f, 0xf0,
0xff, 0xff, 0xff, 0xf8, 0x00, 0x00, 0x15, 0xc8, 0x6b, 0xdf, 0x91, 0xfa, 0xef, 0xee, 0xff, 0xff, 0xff, 0xff, 0xe7, 0x7f, 0xff, 0xfe, 0xff, 0xf7, 0xff, 0xff, 0x7f, 0xf0,
0xff, 0xff, 0xdf, 0xfc, 0x10, 0x02, 0x31, 0x98, 0xc3, 0xff, 0xf3, 0xfa, 0xdf, 0xff, 0xff, 0xff, 0xff, 0xff, 0xf7, 0x7f, 0xff, 0xfe, 0xef, 0xff, 0xff, 0xff, 0x7f, 0xf0,
0xff, 0xff, 0xbf, 0xff, 0x80, 0x00, 0x6b, 0xb7, 0x97, 0xfe, 0x23, 0xfa, 0xdf, 0xff, 0x0f, 0xff, 0xff, 0xff, 0x77, 0x7f, 0xff, 0xfe, 0xff, 0xfd, 0xff, 0xff, 0x7f, 0xf0,
0xff, 0xff, 0x9f, 0xff, 0x06, 0x0e, 0xe3, 0x27, 0x8f, 0xfc, 0x67, 0xfa, 0xff, 0xdf, 0xff, 0xff, 0xff, 0xff, 0xb7, 0xff, 0xff, 0xfe, 0xef, 0xfd, 0xff, 0xff, 0x7f, 0xf0,
0xff, 0xff, 0xff, 0xff, 0x81, 0x80, 0xd7, 0x4b, 0x8f, 0xe9, 0x47, 0xfa, 0xbf, 0xff, 0xff, 0xff, 0xff, 0xff, 0xb7, 0xff, 0xff, 0xff, 0x6f, 0xfd, 0xff, 0xff, 0x7f, 0xf0,
0xff, 0xff, 0x9f, 0xff, 0xd8, 0x02, 0xae, 0xd7, 0x2f, 0xd7, 0xcf, 0xfa, 0xff, 0xbe, 0xff, 0xff, 0xff, 0xff, 0x87, 0xff, 0xff, 0xff, 0x6f, 0xfd, 0xff, 0xff, 0x7f, 0xf0,
0xff, 0xff, 0xdf, 0xff, 0xee, 0x06, 0x4d, 0xae, 0x5d, 0xc7, 0x8f, 0xfa, 0x7f, 0xbf, 0xff, 0xff, 0xff, 0xff, 0x87, 0xff, 0xff, 0xff, 0x4f, 0xfd, 0xff, 0xff, 0x7f, 0xf0,
0xff, 0xff, 0xbf, 0xff, 0xfe, 0xf2, 0x5f, 0xde, 0x5d, 0x9b, 0x1f, 0xfa, 0xff, 0x7f, 0xff, 0xff, 0xff, 0xff, 0xc7, 0xff, 0xff, 0xff, 0x6f, 0xfd, 0xff, 0xff, 0x7f, 0xf0,
0xff, 0xff, 0xbf, 0xff, 0xf3, 0x36, 0xbf, 0xfc, 0xb8, 0x52, 0x3f, 0xfa, 0xff, 0x7f, 0xff, 0xff, 0xff, 0xff, 0xc7, 0xff, 0xff, 0xff, 0xef, 0xed, 0xff, 0xff, 0x7f, 0xf0,
0xff, 0xff, 0x9f, 0xff, 0xff, 0xf8, 0x7f, 0xf9, 0x21, 0x34, 0x7f, 0xfa, 0xff, 0x7c, 0xff, 0xff, 0xff, 0xff, 0xe7, 0xff, 0xff, 0xff, 0xff, 0xef, 0xff, 0xff, 0x7f, 0xf0,
0xff, 0xff, 0x9f, 0xff, 0xfd, 0xff, 0x7f, 0xd5, 0x18, 0x78, 0xff, 0xfa, 0xfe, 0xff, 0xff, 0xff, 0xff, 0xff, 0xf7, 0xff, 0xff, 0xff, 0x7f, 0xef, 0xff, 0xff, 0x7f, 0xf0,
0xff, 0xff, 0x9f, 0xff, 0xff, 0xfb, 0x7b, 0xce, 0x00, 0xe1, 0xff, 0xfa, 0xfe, 0xff, 0xff, 0xff, 0xff, 0xff, 0xf6, 0xff, 0xff, 0xff, 0xbf, 0xfb, 0xff, 0xff, 0x7f, 0xf0,
0xff, 0xff, 0x9f, 0xff, 0xff, 0xff, 0x06, 0xd0, 0x00, 0x07, 0xff, 0xfa, 0xfd, 0xff, 0xff, 0xff, 0xff, 0xff, 0xf6, 0xff, 0xff, 0xff, 0xaf, 0xfb, 0xff, 0xff, 0x7f, 0xf0,
0xff, 0xff, 0x8f, 0xff, 0xff, 0xff, 0xc9, 0xbc, 0x04, 0x7f, 0xff, 0xfa, 0xfd, 0xff, 0xff, 0xff, 0xff, 0xff, 0xf6, 0xff, 0xff, 0xff, 0xaf, 0xeb, 0xff, 0xff, 0x7f, 0xf0,
0xff, 0xff, 0x8f, 0xff, 0xff, 0xff, 0xe2, 0x6b, 0xff, 0xff, 0xff, 0xfa, 0xfd, 0xff, 0xff, 0xff, 0xff, 0xff, 0xf6, 0xff, 0xff, 0xff, 0xff, 0xfb, 0xff, 0xff, 0x7f, 0xf0,
0xff, 0xff, 0x97, 0xff, 0xff, 0xf7, 0xf0, 0xd7, 0xff, 0xff, 0xff, 0xfa, 0xfb, 0xff, 0xff, 0xff, 0xff, 0xff, 0xf7, 0xff, 0xff, 0xff, 0xff, 0xfb, 0xff, 0xff, 0x7f, 0xf0,
0xff, 0xff, 0xdb, 0xff, 0xff, 0xff, 0xc3, 0x8f, 0xff, 0xff, 0xff, 0xfa, 0xfb, 0xf4, 0x3f, 0xff, 0xff, 0xff, 0xf7, 0xff, 0xff, 0xff, 0xdf, 0xfb, 0xff, 0xff, 0x7f, 0xf0,
0xff, 0xff, 0xcf, 0xff, 0xff, 0xff, 0x87, 0x1f, 0xff, 0xff, 0xff, 0xfa, 0xff, 0xff, 0xff, 0xff, 0xff, 0xff, 0xf7, 0x7f, 0xff, 0xff, 0xdf, 0xfb, 0xff, 0xff, 0x7f, 0xf0,
0xff, 0xff, 0xe7, 0xff, 0xff, 0xff, 0x80, 0x3f, 0xff, 0xff, 0xff, 0xfa, 0xf7, 0xff, 0xff, 0xff, 0xff, 0xff, 0xf6, 0x7f, 0xff, 0xff, 0xdf, 0xfb, 0xff, 0xff, 0x7f, 0xf0,
0xff, 0xff, 0x93, 0xff, 0xff, 0xff, 0xc0, 0xff, 0xff, 0xff, 0xff, 0xfa, 0xf7, 0xff, 0xff, 0xbf, 0xff, 0xff, 0xf0, 0x7f, 0xff, 0xff, 0xf7, 0xdf, 0xff, 0xff, 0x7f, 0xf0,
0xff, 0xff, 0x8b, 0xff, 0xff, 0xff, 0xc0, 0xff, 0xff, 0xff, 0xff, 0xfa, 0xef, 0xc6, 0xb9, 0x1f, 0xff, 0xff, 0xf0, 0x7f, 0xff, 0xff, 0xff, 0xdf, 0xff, 0xff, 0x7f, 0xf0,
0xff, 0xff, 0xb1, 0xff, 0xff, 0xff, 0xc0, 0x7f, 0xff, 0xff, 0xff, 0xfa, 0xef, 0xf9, 0xf4, 0x5f, 0xff, 0xff, 0xf0, 0x7f, 0xff, 0xff, 0xff, 0xd7, 0xff, 0xff, 0x7f, 0xf0,
0xff, 0xff, 0xbe, 0xff, 0xff, 0xff, 0xe0, 0x1f, 0xff, 0xff, 0xff, 0xfa, 0xfb, 0xb9, 0xd0, 0x4f, 0xff, 0xff, 0xf0, 0x7f, 0xff, 0x8f, 0xeb, 0xd7, 0xff, 0xff, 0x7f, 0xf0,
0xff, 0xff, 0xbf, 0xff, 0xff, 0xff, 0xe0, 0x0f, 0xff, 0xff, 0xff, 0xfa, 0xdf, 0xbb, 0xd0, 0x0f, 0xff, 0xff, 0xf8, 0xff, 0xff, 0x36, 0x6b, 0xd7, 0xff, 0xff, 0x7f, 0xf0
};
static const uint8_t PROGMEM image_data_04[] =
{
0xff, 0xfd, 0xbf, 0xfc, 0xe8, 0xbf, 0xff, 0xff, 0xbf, 0xff, 0xf7, 0xff, 0xff, 0xff, 0xff, 0xff, 0xdf, 0xff, 0xff, 0xff, 0xff, 0xff, 0xfd, 0xef, 0xff, 0xc7, 0xfb, 0xf0,
0xff, 0xfd, 0xbf, 0xfe, 0xf6, 0xef, 0xff, 0xff, 0xef, 0xff, 0xff, 0xff, 0xff, 0xff, 0xff, 0xdf, 0xdf, 0xff, 0xff, 0xff, 0xff, 0xff, 0xfd, 0xe7, 0xff, 0xa3, 0xfb, 0xf0,
0xff, 0xfd, 0xbf, 0xfe, 0x93, 0xf7, 0xff, 0xff, 0xf7, 0xff, 0xf5, 0xf7, 0xff, 0xff, 0xff, 0xff, 0xdf, 0xff, 0xff, 0xff, 0xff, 0xff, 0xfe, 0xdb, 0xff, 0x40, 0xfb, 0xf0,
0xff, 0xfd, 0xbf, 0xfe, 0xaf, 0xfb, 0xff, 0xff, 0xf9, 0xff, 0xe5, 0xb7, 0xff, 0xff, 0xff, 0xff, 0xff, 0xff, 0xff, 0xff, 0xff, 0xff, 0xff, 0x7d, 0xff, 0x41, 0xfb, 0xf0,
0xff, 0xfd, 0xff, 0xff, 0x6f, 0xf6, 0xff, 0xff, 0xfe, 0xff, 0xd4, 0xff, 0xff, 0xff, 0xff, 0xff, 0xff, 0xff, 0xff, 0xff, 0xff, 0xff, 0xff, 0xbd, 0xfa, 0x81, 0xfb, 0xf0,
0xff, 0xfd, 0xff, 0xff, 0x2b, 0xef, 0x7f, 0xff, 0xff, 0x3f, 0xc5, 0xff, 0xff, 0xff, 0xff, 0xff, 0xff, 0xff, 0xff, 0xff, 0xff, 0xff, 0xff, 0xda, 0xf0, 0x85, 0xf3, 0xf0,
0xff, 0xfd, 0xff, 0xff, 0x97, 0xff, 0xbf, 0xff, 0xff, 0xdf, 0xb5, 0xff, 0xff, 0xff, 0xff, 0xff, 0xff, 0xff, 0xff, 0xff, 0xff, 0xff, 0xdf, 0xcf, 0x77, 0x85, 0xdb, 0xf0,
0xff, 0xfd, 0xff, 0xff, 0xdf, 0xdf, 0xdf, 0xff, 0xff, 0xe7, 0x75, 0xef, 0xff, 0xff, 0xff, 0xff, 0xff, 0xff, 0xff, 0xff, 0xff, 0xff, 0xff, 0xe7, 0xa9, 0x03, 0xfb, 0xf0,
0xff, 0xfd, 0xe1, 0xff, 0xef, 0xff, 0xaf, 0xff, 0xfd, 0xfa, 0xe5, 0xef, 0xff, 0xff, 0xff, 0xff, 0xff, 0xff, 0xff, 0xff, 0xff, 0xff, 0xff, 0xf3, 0xa3, 0x0b, 0xf3, 0xf0,
0xff, 0xfd, 0xde, 0x3f, 0xf7, 0xba, 0x77, 0xff, 0xff, 0x7d, 0xd5, 0xef, 0xff, 0xff, 0xff, 0xff, 0xff, 0xff, 0xff, 0xff, 0xff, 0xff, 0xff, 0xfd, 0x96, 0x0b, 0xf7, 0xf0,
0xff, 0xfd, 0xbf, 0xe7, 0xfb, 0xff, 0x1f, 0xff, 0xff, 0xff, 0xd4, 0xef, 0xff, 0xff, 0xff, 0xff, 0xff, 0xff, 0xff, 0xff, 0xff, 0xff, 0xff, 0xfc, 0x8e, 0x07, 0xf3, 0xf0,
0xff, 0xfd, 0x7f, 0xfb, 0xfd, 0x7b, 0x87, 0xff, 0xff, 0xff, 0xf4, 0xff, 0xff, 0xff, 0xff, 0xff, 0xff, 0xff, 0xff, 0xff, 0xff, 0xff, 0xff, 0xfe, 0x0e, 0x17, 0xfb, 0xf0,
0xff, 0xfc, 0xff, 0xff, 0xfe, 0xf9, 0xc3, 0xff, 0xff, 0xff, 0xf6, 0xff, 0xff, 0xff, 0xff, 0xff, 0xff, 0xff, 0xff, 0xff, 0xff, 0xff, 0xff, 0xff, 0x0d, 0x0f, 0xfb, 0xf0,
0xff, 0xfd, 0xff, 0xff, 0xff, 0x7c, 0xf1, 0xff, 0xff, 0xff, 0xf6, 0xdf, 0xff, 0xff, 0xff, 0xff, 0xff, 0xff, 0xff, 0xff, 0xff, 0xff, 0xff, 0xff, 0x3c, 0x2f, 0xf3, 0xf0,
0xff, 0xfd, 0xff, 0xff, 0xff, 0xbe, 0x78, 0xff, 0xff, 0xfc, 0x74, 0xdf, 0xff, 0xff, 0xff, 0xff, 0xff, 0xff, 0xff, 0xff, 0xff, 0xff, 0xff, 0xff, 0x8a, 0x2f, 0xf3, 0xf0,
0xff, 0xff, 0xff, 0xff, 0xff, 0xff, 0xff, 0xff, 0xff, 0xff, 0xff, 0xff, 0xff, 0xff, 0xff, 0xff, 0xff, 0xff, 0xff, 0xff, 0xff, 0xff, 0xff, 0xff, 0xff, 0xff, 0xff, 0xf0,
0x7d, 0x3f, 0xde, 0xee, 0xff, 0x5f, 0xfb, 0xf7, 0xd3, 0xb7, 0xee, 0xff, 0xdf, 0xff, 0xff, 0xff, 0xff, 0xff, 0xff, 0xf7, 0xff, 0xff, 0xfe, 0xff, 0xff, 0xff, 0xfd, 0xf0,
0x7d, 0x3d, 0xdf, 0x76, 0xff, 0x5f, 0xdb, 0xf5, 0xda, 0x93, 0xee, 0x7f, 0xcf, 0xff, 0xff, 0xfb, 0xff, 0xff, 0xff, 0xf7, 0xff, 0xff, 0xfe, 0xff, 0xff, 0xfd, 0xfd, 0xf0,
0x7f, 0x3d, 0xdf, 0x76, 0xff, 0x5f, 0xcb, 0xf5, 0xca, 0x63, 0xef, 0x7f, 0xef, 0xff, 0xff, 0xfd, 0xff, 0xff, 0xff, 0xf7, 0xff, 0xff, 0xfe, 0xff, 0x7f, 0xf9, 0xfd, 0xf0,
0x7f, 0x7f, 0xdf, 0xba, 0xff, 0x5f, 0xcd, 0xf5, 0xcc, 0x5b, 0xef, 0x7f, 0xef, 0xff, 0xff, 0xfd, 0xff, 0xff, 0xff, 0xf7, 0xff, 0xff, 0xfe, 0xff, 0x3f, 0xf9, 0xfd, 0xf0,
0x7f, 0x7f, 0xdf, 0xde, 0xff, 0xdf, 0xdb, 0xf5, 0xc6, 0x63, 0xef, 0xbf, 0xf7, 0xff, 0xff, 0xfd, 0xff, 0xff, 0xff, 0xf7, 0xff, 0xff, 0xfe, 0xff, 0x3f, 0xfd, 0xfd, 0xf0,
0x7f, 0x7f, 0xdf, 0xee, 0xff, 0x5f, 0xda, 0xf5, 0xd6, 0x36, 0xef, 0xbf, 0xf5, 0xff, 0xff, 0xfe, 0xff, 0xff, 0xff, 0xfb, 0xff, 0xff, 0xfe, 0xff, 0x3f, 0xfd, 0xfd, 0xf0,
0x7f, 0x7f, 0xdf, 0xee, 0xff, 0xdf, 0xdb, 0xf5, 0xe2, 0xc3, 0xef, 0xdf, 0xf5, 0xff, 0xff, 0xfe, 0xff, 0xff, 0xff, 0xfb, 0xff, 0xff, 0xfe, 0xff, 0x3f, 0xfd, 0xfd, 0xf0,
0x77, 0x7f, 0xdf, 0xf7, 0x7f, 0xdf, 0xda, 0x75, 0xc1, 0x77, 0xef, 0xdf, 0xfb, 0xff, 0xff, 0xfe, 0xff, 0xff, 0xff, 0xfb, 0xff, 0xff, 0xfe, 0xff, 0x3f, 0xff, 0xfd, 0xf0,
0x77, 0x7e, 0xdf, 0xfa, 0xbf, 0xdf, 0xdb, 0xb5, 0xc1, 0x07, 0xef, 0xcb, 0xfa, 0xff, 0xff, 0xff, 0xff, 0xff, 0xff, 0xfb, 0xff, 0xff, 0xfe, 0xff, 0x3f, 0xff, 0xfd, 0xf0,
0x7a, 0x7a, 0xdf, 0xfa, 0xbf, 0xdf, 0xdb, 0xf5, 0xf2, 0x27, 0xef, 0xe7, 0xfc, 0xff, 0xff, 0xff, 0x7f, 0xff, 0xff, 0xfb, 0xff, 0xff, 0xfe, 0xff, 0x3f, 0xfe, 0xfd, 0xf0,
0x7a, 0x7f, 0xdf, 0xf6, 0x5f, 0xdf, 0x0b, 0xd5, 0xea, 0x17, 0xef, 0xf5, 0xfd, 0x7f, 0xff, 0xff, 0x7f, 0xff, 0xff, 0xfb, 0xff, 0xff, 0x00, 0xff, 0x3f, 0xfe, 0xfd, 0xf0,
0x7a, 0x7b, 0xdf, 0xf6, 0xef, 0x58, 0x0b, 0x75, 0xca, 0xc6, 0xef, 0xf3, 0xfd, 0x7f, 0xff, 0xff, 0x7f, 0xff, 0xff, 0xfb, 0xff, 0xc0, 0x3f, 0xff, 0x1f, 0xfe, 0xfd, 0xf0,
0x7a, 0x7b, 0xdf, 0xf6, 0x6f, 0x82, 0x03, 0xe5, 0xd3, 0x57, 0xef, 0xf2, 0xfe, 0xff, 0xff, 0xff, 0xff, 0xff, 0xff, 0xff, 0xf0, 0x1f, 0xff, 0x7f, 0x1f, 0xff, 0xfd, 0xf0,
0xfa, 0x7b, 0xff, 0xf6, 0x77, 0x0c, 0x03, 0xf5, 0xcb, 0x26, 0xef, 0xf8, 0xfe, 0xbf, 0xff, 0xff, 0xbf, 0xff, 0xff, 0xf8, 0x0f, 0xff, 0x01, 0x7f, 0x1f, 0xfe, 0xfd, 0xf0,
0xfa, 0x7b, 0xbf, 0xf6, 0xba, 0x04, 0x03, 0xd9, 0xc3, 0x27, 0x6f, 0xf9, 0x7f, 0x3f, 0xff, 0xff, 0xbf, 0xff, 0xfe, 0x05, 0xff, 0xc0, 0x0d, 0x7f, 0x9f, 0xf7, 0xff, 0xf0,
0xfa, 0x7b, 0xbf, 0xf6, 0xd8, 0x40, 0x03, 0xfd, 0xd3, 0x97, 0x6f, 0xfd, 0x7f, 0x5f, 0xff, 0xff, 0xff, 0xff, 0x87, 0xff, 0xc0, 0x03, 0xfd, 0x7f, 0x1f, 0xff, 0x7d, 0xf0,
0xfa, 0x7b, 0xbf, 0xf6, 0xe8, 0xf0, 0x03, 0xed, 0xc3, 0x13, 0x6f, 0xfc, 0xbf, 0x1f, 0xff, 0xff, 0xff, 0xe3, 0xff, 0xf8, 0x03, 0xff, 0xfd, 0x7f, 0x1f, 0xf7, 0x7d, 0xf0,
0xfa, 0x7b, 0xbf, 0xf6, 0xe1, 0x93, 0xe7, 0xfd, 0xcb, 0x0b, 0x6f, 0xfe, 0xbf, 0xbf, 0xff, 0xff, 0xd1, 0xff, 0xfa, 0x00, 0xff, 0xfc, 0xfd, 0x7f, 0x2f, 0xf7, 0x7d, 0xf0,
0xfe, 0x7b, 0xbf, 0xf6, 0xe2, 0x47, 0xfb, 0xfe, 0xeb, 0x2b, 0x6f, 0xfe, 0x3f, 0xaf, 0xff, 0xf0, 0x5f, 0xff, 0x01, 0xff, 0xff, 0xfa, 0xfe, 0x7f, 0x2f, 0xf7, 0x7d, 0xf0,
0xfe, 0xfb, 0xbf, 0xf6, 0xe5, 0x8f, 0xfd, 0xff, 0xf2, 0x26, 0x6f, 0xff, 0x5f, 0xcf, 0xfc, 0x0f, 0xff, 0xc0, 0x7f, 0xff, 0xff, 0xf7, 0x7e, 0xff, 0x0f, 0xf7, 0x7d, 0xf0,
0xbe, 0xfb, 0xbf, 0xf5, 0xc1, 0x1f, 0xfe, 0xff, 0xd3, 0x47, 0x6f, 0xff, 0x5f, 0xd0, 0x03, 0xff, 0x00, 0x7f, 0xff, 0xff, 0xff, 0xcf, 0xbe, 0xbf, 0x0f, 0xff, 0x7d, 0xf0,
0xfe, 0xff, 0xbf, 0xf5, 0x82, 0x3f, 0xff, 0x7f, 0xf3, 0x56, 0x6f, 0xff, 0xef, 0xc1, 0xff, 0xe0, 0x3f, 0xff, 0xff, 0xff, 0xff, 0xbf, 0xbe, 0xbf, 0x0f, 0xf7, 0xbd, 0xf0,
0xfe, 0xff, 0xbf, 0xf5, 0x04, 0x3f, 0xff, 0x3f, 0xeb, 0x66, 0xef, 0xff, 0xaf, 0xef, 0xf0, 0x1f, 0xff, 0xff, 0xff, 0xff, 0xff, 0x7f, 0xde, 0xbf, 0x2f, 0xf7, 0xbd, 0xf0,
0xfe, 0xff, 0xbf, 0xf4, 0x01, 0x3f, 0xf0, 0x07, 0xf3, 0x26, 0x6f, 0xff, 0xb7, 0xe4, 0x1f, 0xff, 0xff, 0xff, 0xff, 0xff, 0xfc, 0xff, 0xee, 0xbf, 0x2f, 0xff, 0xbc, 0xf0,
0xfe, 0xfb, 0xbf, 0xf4, 0x00, 0x3f, 0x80, 0x3b, 0xfb, 0x97, 0xef, 0xff, 0xd7, 0xf5, 0xff, 0xff, 0xff, 0xff, 0xff, 0xff, 0xd9, 0xff, 0xee, 0xbf, 0x2f, 0xf7, 0xbd, 0xf0,
0xfc, 0xfb, 0xbf, 0xf4, 0x02, 0x3f, 0x3c, 0x3d, 0xfb, 0x37, 0xef, 0xff, 0xdf, 0xf5, 0xff, 0xff, 0xff, 0xff, 0xff, 0xff, 0xc7, 0xff, 0xf6, 0xbf, 0x27, 0xf7, 0xbd, 0xf0,
0xf6, 0xfb, 0xbf, 0xf0, 0x06, 0x1e, 0x3e, 0xbf, 0xfb, 0x96, 0xef, 0xff, 0xcb, 0xf5, 0xff, 0xff, 0xff, 0xff, 0xff, 0xff, 0x9f, 0xff, 0xf2, 0x9f, 0x37, 0xf7, 0xbd, 0xf0,
0xf4, 0xfb, 0xbf, 0xe0, 0x0c, 0x0d, 0x7e, 0xdf, 0xfb, 0x66, 0xef, 0xff, 0xeb, 0xf5, 0xff, 0xff, 0xff, 0xff, 0xff, 0xff, 0xbf, 0xff, 0xfb, 0x5f, 0x37, 0xff, 0xbd, 0xf0,
0xf4, 0xf3, 0xbf, 0x90, 0x09, 0x0e, 0x3e, 0xf7, 0xfb, 0x37, 0xef, 0xff, 0xe5, 0xf5, 0xff, 0xff, 0xff, 0xff, 0xff, 0xff, 0xbf, 0xff, 0xfd, 0x5f, 0x37, 0xff, 0xbd, 0xf0,
0xf4, 0xf7, 0xbf, 0xf0, 0x1b, 0x09, 0x3e, 0xff, 0xff, 0x96, 0xef, 0xff, 0xf5, 0xf5, 0xff, 0xff, 0xff, 0xff, 0xff, 0xff, 0xbf, 0xff, 0xfc, 0x5f, 0x37, 0xff, 0xdd, 0xf0,
0xf4, 0xf7, 0xbf, 0xe0, 0x32, 0x03, 0x9e, 0xfb, 0xfd, 0x76, 0xef, 0xff, 0xf2, 0xf5, 0xff, 0xff, 0xff, 0xff, 0xff, 0xff, 0xbf, 0xff, 0xfe, 0x5f, 0x37, 0xff, 0xdd, 0xf0,
0xf4, 0xf7, 0xbf, 0xe0, 0x26, 0x07, 0xed, 0xfc, 0xff, 0x26, 0xef, 0xff, 0xfa, 0xf5, 0xff, 0xff, 0xff, 0xff, 0xff, 0xff, 0x3f, 0xff, 0xff, 0x5f, 0x37, 0xff, 0xdd, 0xf0,
0xf4, 0xf7, 0xbf, 0xc0, 0x46, 0x0f, 0xf1, 0xfd, 0xfe, 0xa6, 0xef, 0xff, 0xfb, 0xf5, 0xff, 0xff, 0xff, 0xff, 0xff, 0xff, 0x7f, 0xff, 0xff, 0x1f, 0x37, 0xff, 0xdd, 0xf0,
0xf4, 0xf7, 0xbf, 0xc0, 0x8c, 0x0f, 0xff, 0xf9, 0xf9, 0x57, 0xef, 0xff, 0xfd, 0x75, 0xff, 0xff, 0xff, 0xff, 0xff, 0xff, 0x7f, 0xff, 0xff, 0x9f, 0x13, 0xff, 0xdd, 0xf0,
0xfc, 0xf7, 0xff, 0x80, 0x0c, 0x2f, 0xff, 0xfa, 0xfd, 0x16, 0xef, 0xff, 0xfd, 0xf5, 0xff, 0xff, 0xff, 0xff, 0xff, 0xff, 0x7f, 0xff, 0xff, 0xdf, 0x1b, 0xff, 0xdd, 0xf0,
0xfc, 0xf7, 0xbf, 0x20, 0x1c, 0x5f, 0xff, 0xc2, 0xff, 0x26, 0xef, 0xff, 0xfc, 0xb5, 0xff, 0xff, 0xff, 0xff, 0xff, 0xff, 0x7f, 0xff, 0xff, 0xcf, 0x1b, 0xff, 0xfd, 0xf0,
0xfd, 0xf7, 0x3e, 0xc0, 0x38, 0x1f, 0xff, 0xcb, 0x7b, 0x46, 0xef, 0xff, 0xfe, 0xb5, 0xff, 0xff, 0xff, 0xff, 0xff, 0xff, 0x7f, 0xff, 0xff, 0xef, 0x1b, 0xff, 0xfd, 0xf0,
0xfd, 0xf7, 0x5f, 0xc0, 0x38, 0x1f, 0xff, 0xe3, 0x7f, 0x56, 0xff, 0xff, 0xfe, 0x51, 0xff, 0xff, 0xff, 0xff, 0xff, 0xfa, 0xff, 0xff, 0xff, 0xf7, 0x3b, 0xff, 0xfd, 0xf0,
0xfd, 0xff, 0x2f, 0xc0, 0x70, 0x1f, 0xff, 0xf9, 0xff, 0x26, 0xff, 0xff, 0xff, 0xd1, 0xff, 0xff, 0xff, 0xff, 0xfe, 0x0e, 0xff, 0xff, 0xff, 0xf3, 0x3b, 0xff, 0xed, 0xf0,
0xfd, 0xff, 0x57, 0xc0, 0x60, 0x1f, 0xff, 0xf6, 0xff, 0xa6, 0xff, 0xff, 0xff, 0x73, 0xff, 0xff, 0xff, 0xff, 0x0f, 0xfe, 0xff, 0xff, 0xff, 0xfb, 0x3b, 0xff, 0xed, 0xf0,
0x7d, 0xf7, 0x6b, 0xc0, 0xc0, 0x0f, 0x7f, 0xff, 0xff, 0x96, 0xff, 0xff, 0xff, 0xab, 0xff, 0xff, 0xff, 0x0f, 0xff, 0xfe, 0xff, 0xff, 0xff, 0xfd, 0x3b, 0xff, 0xed, 0xf0,
0xfd, 0xf7, 0x3d, 0xc1, 0x00, 0x0f, 0xff, 0xeb, 0xff, 0x5a, 0xf7, 0xff, 0xff, 0xa3, 0xff, 0xff, 0x83, 0xff, 0xff, 0xff, 0xff, 0xff, 0xff, 0xfc, 0x3f, 0xff, 0xed, 0xf0,
0xed, 0xff, 0x5e, 0xc0, 0x00, 0x0f, 0xff, 0xee, 0xff, 0x2a, 0xf7, 0xff, 0xff, 0xd3, 0xff, 0xc1, 0xff, 0xff, 0xff, 0xfd, 0xff, 0xff, 0xff, 0xfe, 0x3d, 0xff, 0xfd, 0xf0,
0xed, 0xff, 0x6f, 0x40, 0x00, 0x0f, 0xff, 0xfc, 0xdf, 0xae, 0xf7, 0xff, 0xff, 0xd2, 0x80, 0xff, 0xff, 0xff, 0xf7, 0xc5, 0xff, 0xff, 0xff, 0xff, 0x3d, 0xff, 0xfd, 0xf0,
0xe9, 0xff, 0x75, 0x80, 0x08, 0xbf, 0xff, 0xfb, 0xdf, 0x76, 0xf7, 0xff, 0xff, 0xc8, 0x3f, 0xff, 0xff, 0xff, 0xf3, 0xfd, 0xff, 0xff, 0xff, 0xff, 0x3d, 0xef, 0xfd, 0xf0,
0xe9, 0xff, 0x7a, 0x80, 0x10, 0xff, 0xff, 0xff, 0xdf, 0x37, 0xf7, 0xff, 0xff, 0xef, 0xff, 0xff, 0xff, 0xff, 0xff, 0xfd, 0xff, 0xff, 0xff, 0xff, 0xbd, 0xff, 0xf5, 0xf0,
0xe9, 0xef, 0x7d, 0x08, 0x11, 0xff, 0xff, 0xff, 0xdf, 0x37, 0xf7, 0xff, 0xff, 0xe7, 0xff, 0xff, 0xbf, 0xff, 0xff, 0xbd, 0xff, 0xff, 0xff, 0xff, 0xdd, 0xff, 0xf5, 0xf0,
0xe9, 0xef, 0x7e, 0x80, 0x06, 0xff, 0xff, 0xff, 0xdf, 0xf6, 0xf7, 0xff, 0xff, 0xf7, 0xfe, 0x00, 0x7f, 0xfc, 0xff, 0xfd, 0xff, 0xff, 0xff, 0xff, 0xdf, 0xff, 0xf5, 0xf0,
0xf9, 0xef, 0x7f, 0x00, 0x06, 0xff, 0xff, 0xff, 0xdf, 0x6f, 0xf7, 0xff, 0xff, 0xf2, 0x00, 0x1f, 0xff, 0xf0, 0x3f, 0xfd, 0xff, 0xff, 0xff, 0xff, 0xee, 0xff, 0xfd, 0xf0,
0xf9, 0xef, 0x7f, 0x08, 0x0a, 0x7f, 0xff, 0xff, 0xbf, 0xb7, 0xf7, 0xff, 0xff, 0xf8, 0x0f, 0xff, 0xff, 0xe0, 0x1f, 0xf4, 0xff, 0xff, 0xff, 0xff, 0xde, 0xff, 0xfd, 0xf0,
0xf9, 0xef, 0x7f, 0xa0, 0x0f, 0xbf, 0xff, 0xfe, 0x3f, 0xf6, 0xf7, 0xff, 0xff, 0xfa, 0x1f, 0xff, 0xff, 0xc0, 0x0f, 0xd0, 0xff, 0xff, 0xff, 0xff, 0xde, 0xff, 0xfd, 0xf0,
0xf9, 0xef, 0x7f, 0x46, 0x07, 0x77, 0xff, 0xfe, 0x7f, 0x67, 0xf7, 0xff, 0xff, 0xfa, 0xc7, 0xff, 0xff, 0x8c, 0x06, 0x16, 0xff, 0xff, 0xff, 0xff, 0xde, 0xff, 0xfd, 0xf0,
0xf9, 0xef, 0xff, 0xe8, 0x03, 0xe3, 0xff, 0xfe, 0x7f, 0x2e, 0xf7, 0xff, 0xff, 0xfa, 0xb0, 0xcf, 0xff, 0x3f, 0x03, 0xf6, 0xff, 0xff, 0xff, 0xff, 0xde, 0xff, 0xfd, 0xf0,
0xfb, 0xef, 0xff, 0xe8, 0x21, 0x81, 0xff, 0x7e, 0xff, 0xf7, 0xf7, 0xff, 0xff, 0xfa, 0xbc, 0x7f, 0xfe, 0x7f, 0x83, 0xf6, 0xff, 0xff, 0xff, 0xff, 0xde, 0xff, 0xf9, 0xf0,
0xfb, 0xff, 0xff, 0xea, 0x0c, 0x08, 0x81, 0xfe, 0xff, 0x37, 0xf7, 0xff, 0xff, 0xfa, 0xbf, 0x90, 0x3c, 0x7f, 0x81, 0xfa, 0xff, 0xff, 0xff, 0xff, 0xde, 0xff, 0xf9, 0xf0,
0xfb, 0xff, 0xff, 0xe9, 0x0c, 0x07, 0x5f, 0xfe, 0xff, 0x7f, 0xf7, 0xff, 0xff, 0xfa, 0xbf, 0xe3, 0xfc, 0x3f, 0xc1, 0xfa, 0xff, 0xff, 0xff, 0xff, 0xde, 0xff, 0xfd, 0xf0,
0xfb, 0xfe, 0xff, 0xea, 0x8e, 0x1f, 0xfb, 0xfe, 0xfb, 0x77, 0xf7, 0xff, 0xff, 0xfa, 0xbf, 0xf9, 0xf8, 0xff, 0xc0, 0xfa, 0xff, 0xff, 0xff, 0xff, 0xde, 0xff, 0xfd, 0xf0,
0xdb, 0xfe, 0xff, 0xeb, 0x46, 0x1f, 0xff, 0xfe, 0xfb, 0x3f, 0xf7, 0xff, 0xff, 0xfa, 0xbf, 0xff, 0xf8, 0xff, 0xc0, 0xfa, 0xff, 0xff, 0xff, 0xff, 0xdf, 0x7f, 0xfd, 0xf0,
0xdb, 0xfe, 0xff, 0xeb, 0x2a, 0x0f, 0xff, 0xfe, 0xfb, 0x7f, 0xf7, 0xff, 0xff, 0xfa, 0xbf, 0xff, 0xf1, 0x38, 0x40, 0x7a, 0xff, 0xff, 0xff, 0xff, 0xdf, 0x7f, 0xfd, 0xf0,
0xdb, 0xfe, 0xff, 0xcb, 0xd4, 0xbf, 0xff, 0xfe, 0xfb, 0x7f, 0xf7, 0xff, 0xff, 0xfa, 0xbf, 0xff, 0xf1, 0xfe, 0xe0, 0x7e, 0xff, 0xff, 0xff, 0xf7, 0xff, 0x7f, 0xfd, 0xf0,
0xdb, 0xfe, 0xff, 0xcb, 0xca, 0xbf, 0xff, 0xfe, 0xff, 0x3f, 0xf7, 0xff, 0xff, 0xfa, 0xbf, 0xff, 0xe1, 0xbe, 0xe0, 0xbe, 0x7f, 0x1f, 0xff, 0xe7, 0xbf, 0x7f, 0xfd, 0xf0,
0xd3, 0xfe, 0xff, 0xcb, 0xed, 0xbf, 0xff, 0xfe, 0xfd, 0x7f, 0xf7, 0xff, 0xff, 0xfb, 0xbf, 0xff, 0xe1, 0xbf, 0xe0, 0xbc, 0x7c, 0x3e, 0xef, 0xef, 0xbf, 0x5f, 0xfd, 0xf0,
0xd3, 0xfe, 0xff, 0xdb, 0xf7, 0xbf, 0xff, 0xfe, 0xe7, 0x7f, 0xf7, 0xff, 0xff, 0xfb, 0xbe, 0x7f, 0xe1, 0xff, 0xe0, 0xbc, 0x7c, 0x62, 0x01, 0x2f, 0x9f, 0x7f, 0xfd, 0xf0,
0xd3, 0xfe, 0xff, 0xdb, 0xfb, 0xbf, 0xff, 0xfe, 0xff, 0x7f, 0xf7, 0xff, 0xff, 0xf9, 0xbe, 0x1f, 0xf1, 0xff, 0xe0, 0x5c, 0x7e, 0xea, 0x45, 0x6f, 0x9f, 0x7f, 0xfd, 0xf0,
0xf3, 0xfe, 0xff, 0xdb, 0xfd, 0xbf, 0xff, 0xfe, 0xfb, 0x7f, 0xf7, 0xff, 0xff, 0xfd, 0xbe, 0xc7, 0xd1, 0xff, 0xe6, 0x5f, 0x7e, 0xe3, 0xdc, 0x5f, 0x9f, 0xff, 0xfd, 0xf0,
0xf3, 0xfe, 0xff, 0xdb, 0xfc, 0x8f, 0xff, 0xfe, 0xe9, 0xbf, 0xf7, 0xff, 0xff, 0xfd, 0xbe, 0x3f, 0xc1, 0xff, 0xf2, 0x5e, 0x7e, 0xd3, 0x56, 0xdf, 0x9f, 0xbf, 0xfd, 0xf0,
0xf3, 0xfe, 0xff, 0xdb, 0xfc, 0x11, 0xff, 0xfe, 0xfb, 0x5f, 0xf7, 0xff, 0xff, 0xfd, 0xbe, 0xcf, 0xc1, 0xe3, 0xb0, 0x7e, 0x7e, 0xd2, 0x46, 0xff, 0x9f, 0xbf, 0xfd, 0xf0,
0xf3, 0xfe, 0xff, 0xdb, 0xe1, 0xf8, 0xff, 0xfe, 0xfb, 0x4b, 0xf7, 0xff, 0xff, 0xfd, 0xbe, 0xfb, 0x80, 0xdf, 0xf8, 0x6e, 0x7e, 0xc2, 0x4d, 0x9f, 0x9f, 0xbf, 0xfd, 0xf0,
0xf3, 0xde, 0xff, 0xdb, 0xce, 0xfd, 0x9f, 0xfe, 0xeb, 0x6f, 0xf7, 0xff, 0xff, 0xfd, 0x7e, 0xff, 0x80, 0xfb, 0xea, 0x6f, 0x7f, 0xfe, 0xf9, 0x9f, 0x9f, 0xbf, 0xfd, 0xf0,
0xf7, 0xfe, 0xff, 0xdb, 0xdb, 0x57, 0x8f, 0xfe, 0xfb, 0x33, 0xf7, 0xff, 0xff, 0xfd, 0x7e, 0xff, 0x50, 0x7f, 0x6a, 0x6f, 0x7f, 0xff, 0xfb, 0xff, 0x9f, 0xbf, 0xfd, 0xf0,
0xf7, 0xfe, 0xff, 0xdb, 0xbd, 0xff, 0x8f, 0xfe, 0xfb, 0x77, 0xf7, 0xff, 0xff, 0xfd, 0x7e, 0xfe, 0xcc, 0x3e, 0x43, 0xcf, 0x7f, 0xff, 0xff, 0xff, 0x9f, 0xbf, 0xfd, 0xf0,
0xf7, 0xfe, 0xff, 0xdb, 0x76, 0xbb, 0x0f, 0xfe, 0xdb, 0x5b, 0xf7, 0xff, 0xff, 0xfd, 0x7e, 0xff, 0xdc, 0x18, 0xc3, 0xd1, 0x7f, 0xff, 0xff, 0xff, 0xaf, 0xbf, 0xfd, 0xf0,
0xf7, 0xfe, 0xff, 0xda, 0x3f, 0x9f, 0x0f, 0xfe, 0xcb, 0x6f, 0xf7, 0xff, 0xff, 0xfd, 0x7e, 0xff, 0xdc, 0x01, 0xc2, 0x9c, 0x7f, 0xff, 0xff, 0xff, 0xaf, 0xdf, 0xfd, 0xf0,
0xf7, 0xfe, 0xff, 0xda, 0xdf, 0xfd, 0x09, 0xfe, 0xfb, 0x67, 0xf7, 0xff, 0xff, 0xfd, 0x5e, 0xff, 0xd6, 0x01, 0xc4, 0x9f, 0x3f, 0xff, 0xff, 0xff, 0xaf, 0xdf, 0xfd, 0xf0,
0xb7, 0xff, 0xff, 0xd9, 0x05, 0x77, 0x3a, 0xff, 0x5b, 0x7f, 0xf7, 0xff, 0xff, 0xfd, 0x5e, 0xff, 0xd7, 0x03, 0x98, 0x7f, 0x3f, 0xff, 0xff, 0xff, 0xaf, 0xdf, 0xfd, 0xf0,
0xf7, 0xfd, 0xff, 0xd8, 0x1f, 0xff, 0xf0, 0x7f, 0x4b, 0x7b, 0xf7, 0xff, 0xff, 0xfd, 0x5e, 0xff, 0xd7, 0x07, 0xc2, 0xff, 0x3f, 0xff, 0xff, 0xff, 0x2f, 0xdf, 0xfd, 0xf0,
0xb7, 0xfd, 0xff, 0xd8, 0x39, 0xeb, 0xe0, 0x3f, 0x7b, 0x7b, 0xf7, 0xff, 0xff, 0xfd, 0x7b, 0xff, 0xdb, 0xa7, 0x83, 0xff, 0x3f, 0xff, 0xff, 0xff, 0x6f, 0xdf, 0xfd, 0xf0,
0xb7, 0xfd, 0xff, 0xd8, 0xe6, 0xbf, 0x92, 0x3f, 0x7b, 0x7b, 0xf7, 0xff, 0xff, 0xfd, 0x5f, 0xff, 0xfc, 0x8f, 0xe1, 0xff, 0x3f, 0xff, 0xff, 0xff, 0x6f, 0x9f, 0xfd, 0xf0,
0xb7, 0xfd, 0xff, 0xd3, 0xdf, 0xd5, 0x5f, 0xf7, 0x8b, 0x7b, 0xf7, 0xff, 0xff, 0xfd, 0x5f, 0xff, 0xfe, 0x0f, 0xc0, 0xef, 0xbf, 0xff, 0xff, 0xff, 0x6f, 0xdf, 0xfd, 0xf0,
0xf7, 0xfd, 0xc7, 0xd7, 0xf1, 0xff, 0xfe, 0xfb, 0xab, 0x7b, 0xf7, 0xff, 0xff, 0xfd, 0x5f, 0xff, 0xff, 0xef, 0x80, 0x17, 0xbf, 0xff, 0xff, 0xff, 0x71, 0xff, 0xfd, 0xf0,
0xb7, 0xfd, 0x81, 0xd7, 0xf0, 0xeb, 0xfe, 0x8b, 0xd3, 0x7b, 0xf7, 0xff, 0xff, 0xfd, 0x5f, 0x7f, 0xff, 0xff, 0x00, 0x03, 0xbf, 0xff, 0xff, 0xff, 0x74, 0xff, 0xfd, 0xf0,
0xe7, 0xfc, 0x36, 0x07, 0xf8, 0xdf, 0xff, 0xc1, 0xcb, 0x7b, 0xf7, 0xff, 0xff, 0xfd, 0x5f, 0x7f, 0xff, 0xde, 0x00, 0x01, 0xbf, 0xff, 0xff, 0xff, 0x64, 0xff, 0xfd, 0xf0,
0xe7, 0xbc, 0x76, 0x8f, 0xf3, 0xf7, 0xff, 0xd1, 0xeb, 0x7b, 0xf7, 0xff, 0xff, 0xfd, 0x5f, 0x7f, 0xff, 0xb8, 0x00, 0x01, 0xbf, 0xff, 0xff, 0xff, 0x64, 0xaf, 0xfd, 0xf0,
0xe7, 0xfd, 0x36, 0x8f, 0x67, 0xff, 0xff, 0xe9, 0xe3, 0x7b, 0xf7, 0xff, 0xff, 0xfd, 0x5f, 0x7f, 0xff, 0x70, 0x00, 0x01, 0xbf, 0xff, 0xff, 0xff, 0x6d, 0xef, 0xfd, 0xf0,
0xe7, 0xbc, 0x5e, 0x8f, 0xe7, 0xd9, 0xfd, 0xef, 0xb3, 0x3b, 0xf7, 0xff, 0xff, 0xfd, 0xdf, 0x7f, 0xfe, 0x60, 0x00, 0x01, 0xbf, 0xff, 0xff, 0xff, 0x6c, 0xaf, 0xfd, 0xf0,
0xe7, 0xbc, 0x27, 0xaf, 0x27, 0xff, 0xfc, 0xff, 0xd3, 0x7b, 0xf7, 0xff, 0xff, 0xfd, 0xdf, 0x7f, 0xfc, 0x80, 0x00, 0x01, 0xbf, 0xff, 0xff, 0xff, 0x6d, 0xaf, 0xfd, 0xf0,
0xef, 0xfd, 0x13, 0xa3, 0x8f, 0xf6, 0xfe, 0xfc, 0xd9, 0x7b, 0x77, 0xff, 0xff, 0xfd, 0xdf, 0x7f, 0xf9, 0x00, 0x00, 0x01, 0x9f, 0xff, 0xff, 0xff, 0x2d, 0xaf, 0xfd, 0xf0,
0xef, 0xfd, 0xa9, 0xa3, 0x2f, 0xaf, 0xfe, 0xfd, 0x19, 0x7b, 0xf7, 0xff, 0xff, 0xfd, 0xff, 0x7f, 0xf0, 0xc0, 0x00, 0x00, 0x9f, 0xff, 0xff, 0xff, 0x2d, 0xaf, 0xfd, 0xf0,
0xef, 0xfd, 0xd6, 0xa3, 0xf7, 0xfd, 0xbe, 0xd1, 0x9e, 0x7b, 0x77, 0xff, 0xff, 0xff, 0xdf, 0x7f, 0xe7, 0x80, 0x00, 0x00, 0x9f, 0xff, 0xff, 0xfe, 0x2d, 0x7f, 0xfd, 0xf0,
0xef, 0xfd, 0xe3, 0x2f, 0x97, 0x7f, 0xfe, 0xf0, 0x9d, 0x7b, 0x77, 0xff, 0xff, 0xfe, 0xff, 0x7f, 0xcf, 0x80, 0x00, 0x00, 0x9f, 0xff, 0xff, 0xfe, 0xac, 0x77, 0xfd, 0xf0,
0xef, 0xfd, 0xf2, 0x85, 0xa3, 0x76, 0xfe, 0xf0, 0x9f, 0x3b, 0x77, 0xff, 0xff, 0xfe, 0xff, 0x7f, 0x9f, 0x00, 0x00, 0x00, 0x9f, 0xff, 0xff, 0xfe, 0xac, 0x77, 0xfd, 0xf0,
0xef, 0xfd, 0xf9, 0x42, 0x40, 0xfb, 0xef, 0xf0, 0xbf, 0xbb, 0xf7, 0xff, 0xff, 0xfe, 0xff, 0x7f, 0x1f, 0x00, 0x00, 0x00, 0x9f, 0xff, 0xff, 0xfe, 0xac, 0xf7, 0xfd, 0xf0,
0xef, 0xfd, 0xfe, 0x81, 0x44, 0xff, 0x7c, 0xfd, 0xe7, 0xdb, 0x7f, 0xff, 0xff, 0xfe, 0xbf, 0x7e, 0x3e, 0x00, 0x00, 0x00, 0x9f, 0xff, 0xff, 0xfe, 0xac, 0x77, 0xfd, 0xf0,
0x6f, 0xf9, 0xff, 0x48, 0x74, 0xff, 0x7d, 0xff, 0xaf, 0xcf, 0x77, 0xff, 0xff, 0xfe, 0xbf, 0x7e, 0x7e, 0x00, 0x00, 0x00, 0xdf, 0xff, 0xff, 0xfe, 0xad, 0xf7, 0xfd, 0xf0,
0xef, 0xf9, 0xff, 0x89, 0x76, 0xbb, 0xf5, 0x73, 0xbf, 0xe7, 0x7f, 0xff, 0xff, 0xfe, 0xbf, 0x7c, 0x7e, 0x00, 0x00, 0x00, 0xdf, 0xff, 0xff, 0xfe, 0xec, 0xff, 0xfd, 0xf0,
0xef, 0xf9, 0xff, 0x80, 0x7c, 0x3e, 0xf1, 0xfc, 0x3f, 0xe1, 0x7f, 0xff, 0xff, 0xfe, 0xbf, 0xfc, 0xfe, 0x00, 0x00, 0x00, 0x5f, 0xff, 0xff, 0xfe, 0xcc, 0x7f, 0xfd, 0xf0,
0xef, 0xdb, 0xff, 0x90, 0xfd, 0x1f, 0xfd, 0xfe, 0x3b, 0xf5, 0xff, 0xff, 0xff, 0xfe, 0xbf, 0x7d, 0xfe, 0x00, 0x00, 0x00, 0x5f, 0xff, 0xff, 0xfe, 0xcc, 0x7b, 0xfd, 0xf0,
0xef, 0xdb, 0xff, 0x94, 0x0c, 0x01, 0xa4, 0xff, 0xf3, 0xf0, 0xff, 0xff, 0xff, 0xfe, 0xbf, 0xf9, 0xfe, 0x00, 0x00, 0x00, 0x5f, 0xff, 0xff, 0xfe, 0xcc, 0xdb, 0xfd, 0xf0,
0xcf, 0xdb, 0xff, 0x98, 0x2f, 0x69, 0x26, 0xff, 0xf3, 0xfa, 0x7f, 0xff, 0xff, 0xfe, 0xbf, 0xf9, 0xfe, 0x00, 0x00, 0x00, 0x5f, 0xff, 0xff, 0xfe, 0xcc, 0x5b, 0xfd, 0xf0,
0xcf, 0xdb, 0xff, 0x98, 0x1f, 0x88, 0xae, 0xff, 0xdf, 0xf9, 0x3f, 0xff, 0xff, 0xfe, 0xbf, 0xf9, 0xfe, 0x00, 0x00, 0x00, 0x4f, 0xff, 0xff, 0xfe, 0xec, 0xdb, 0xfd, 0xf0,
0xcf, 0xfb, 0xff, 0x98, 0x8f, 0xe0, 0xbc, 0xff, 0xdf, 0xff, 0xbf, 0xff, 0xff, 0xfe, 0xbf, 0x8b, 0xfe, 0x00, 0x00, 0x00, 0x4f, 0xff, 0xff, 0xfc, 0xcc, 0xdb, 0xfd, 0xf0,
0xcf, 0x7b, 0xff, 0x90, 0x67, 0xf0, 0x38, 0x7d, 0xff, 0xfe, 0x9f, 0xff, 0xff, 0xfe, 0xbf, 0xe3, 0xfe, 0x00, 0x00, 0x00, 0x4f, 0xff, 0xff, 0xfc, 0xcc, 0x7b, 0xfd, 0xf0,
0xcf, 0x5b, 0xff, 0x98, 0x1d, 0xfe, 0x3e, 0x7e, 0xd7, 0xfe, 0xdf, 0xff, 0xff, 0xfe, 0xbf, 0xfb, 0xfe, 0x00, 0x00, 0x00, 0x4f, 0xff, 0xff, 0xf8, 0xed, 0x5f, 0xfd, 0xf0,
0xdf, 0x7b, 0xff, 0x8e, 0x0b, 0xff, 0x3f, 0x7f, 0xb7, 0xff, 0xdb, 0xff, 0xff, 0xfe, 0xbf, 0x9b, 0xfe, 0x00, 0x00, 0x00, 0x1f, 0xff, 0xff, 0xfa, 0xec, 0xd7, 0xff, 0xf0,
0xdf, 0x7b, 0xff, 0x9c, 0x7d, 0xbf, 0xbe, 0x7f, 0xfb, 0xff, 0xdb, 0xff, 0xff, 0xfe, 0xbe, 0x5b, 0xfe, 0x00, 0x00, 0x00, 0x4f, 0xff, 0xff, 0xf2, 0xed, 0x75, 0xfd, 0xf0,
0xdf, 0x7b, 0xff, 0x9a, 0x0e, 0x5f, 0x1f, 0x7f, 0xfb, 0xff, 0xdb, 0xff, 0xff, 0xfe, 0xbd, 0x43, 0xfe, 0x00, 0x00, 0x00, 0x63, 0xff, 0xff, 0x87, 0xed, 0x75, 0xfd, 0xf0,
0xdf, 0xfb, 0xff, 0x9d, 0x03, 0xff, 0x9f, 0x7f, 0xff, 0xef, 0xdb, 0xff, 0xff, 0xfe, 0xfd, 0x4b, 0xfe, 0x00, 0x08, 0x00, 0x68, 0xff, 0xfc, 0x3f, 0xec, 0x7d, 0xfd, 0xf0,
0xdf, 0x7b, 0xff, 0x1e, 0x0b, 0x7f, 0x5f, 0x6f, 0xe7, 0xef, 0xdb, 0xff, 0xff, 0xfe, 0xfa, 0x81, 0xfe, 0x00, 0x00, 0x00, 0x6c, 0x7f, 0xc1, 0xff, 0xec, 0x75, 0xfd, 0xf0,
0xdf, 0x7b, 0xff, 0x1c, 0x87, 0x73, 0x9f, 0x3f, 0xf7, 0xef, 0x9b, 0xff, 0xff, 0xfe, 0xf2, 0x7d, 0xfe, 0x00, 0x01, 0x40, 0x6f, 0x1e, 0x1f, 0xff, 0xec, 0xb5, 0xfd, 0xf0,
0xdf, 0x7b, 0xff, 0x1e, 0x93, 0x7c, 0xdf, 0x2f, 0xd7, 0xff, 0x9b, 0xff, 0xff, 0xfe, 0xf5, 0x7d, 0xfe, 0x00, 0x01, 0x44, 0x2f, 0xc0, 0xff, 0xff, 0x64, 0x3d, 0xfd, 0xf0,
0xdf, 0x7b, 0xff, 0x4f, 0x01, 0x9e, 0xcf, 0x08, 0xdf, 0xff, 0x9b, 0xff, 0xff, 0xfe, 0xf6, 0x7d, 0xfe, 0x00, 0x00, 0x41, 0x27, 0xe7, 0xff, 0xff, 0x64, 0x7f, 0xfd, 0xf0,
0xdf, 0xfb, 0xff, 0x4f, 0x10, 0xff, 0xcc, 0xae, 0x5f, 0xfd, 0xdb, 0xff, 0xff, 0xff, 0xf2, 0x7c, 0xfe, 0x00, 0x0b, 0x40, 0x37, 0xff, 0xff, 0xff, 0x6d, 0x7f, 0xfd, 0xf0,
0xdf, 0xfb, 0xff, 0x4f, 0x4b, 0xff, 0x8e, 0x9f, 0x4f, 0xff, 0xdb, 0xff, 0xff, 0xff, 0xf0, 0x0c, 0xfe, 0x08, 0x1b, 0x4d, 0x37, 0xff, 0xff, 0xff, 0x6d, 0x6e, 0xfd, 0xf0,
0xdf, 0xb3, 0xff, 0x4f, 0x89, 0xff, 0x5e, 0x9f, 0xaf, 0xff, 0xdb, 0xff, 0xff, 0xff, 0xf0, 0xf0, 0xff, 0x61, 0xdb, 0x31, 0x37, 0xff, 0xff, 0xff, 0xed, 0x7e, 0xfd, 0xf0,
0xdf, 0xf3, 0xff, 0x4f, 0xc9, 0x17, 0xbc, 0xbf, 0xff, 0xf7, 0xdb, 0xff, 0xff, 0xff, 0xf1, 0xf8, 0xff, 0x5c, 0x28, 0x37, 0x77, 0xff, 0xff, 0xff, 0xed, 0xfc, 0xfd, 0xf0,
0x9f, 0xf3, 0xff, 0x6c, 0x84, 0x6b, 0xdc, 0x9f, 0xff, 0xf7, 0xdb, 0xff, 0xff, 0xff, 0xf9, 0xf8, 0x7f, 0x71, 0x9c, 0x2f, 0x77, 0xff, 0xff, 0xff, 0xed, 0x6e, 0xfd, 0xf0,
0x9f, 0xf7, 0xff, 0x6f, 0xc7, 0x3b, 0xdc, 0x9f, 0xff, 0xff, 0xdb, 0xff, 0xff, 0xff, 0xf8, 0xf8, 0x7f, 0x5e, 0xdc, 0x33, 0x37, 0xff, 0xff, 0xff, 0xad, 0x7a, 0xfd, 0xf0,
0x9f, 0xb7, 0xff, 0x6d, 0xd4, 0x7f, 0xb9, 0x9f, 0xff, 0xff, 0xdb, 0xff, 0xff, 0xff, 0x5a, 0xf8, 0x7c, 0x3e, 0xfe, 0x3f, 0xb7, 0xff, 0xff, 0xff, 0xad, 0x7e, 0xfd, 0xf0,
0x9f, 0xf7, 0xff, 0x66, 0xd4, 0xe7, 0xf9, 0xdf, 0xff, 0xff, 0xdb, 0xff, 0xff, 0xff, 0x5a, 0xfc, 0x79, 0x3f, 0xef, 0x3f, 0x97, 0xff, 0xff, 0xff, 0xad, 0xfb, 0xfd, 0xf0,
0xbf, 0xf7, 0xff, 0x63, 0xf3, 0xff, 0xfc, 0x9f, 0xff, 0xfb, 0xdb, 0xff, 0xff, 0xff, 0x5a, 0xfc, 0x67, 0x3f, 0xff, 0x3f, 0x97, 0xff, 0xff, 0xff, 0xad, 0xfb, 0x7d, 0xf0,
0xbe, 0xf7, 0xff, 0x60, 0xd3, 0xff, 0xfd, 0xdf, 0xf7, 0xfb, 0xdb, 0xff, 0xff, 0xff, 0x5a, 0xfe, 0x2f, 0x3f, 0xff, 0xbf, 0x97, 0xff, 0xff, 0xff, 0xac, 0xfb, 0x7d, 0xf0,
0xbe, 0xf7, 0xff, 0x60, 0x5b, 0x9f, 0xff, 0xdf, 0xf9, 0xfb, 0xdb, 0xff, 0xff, 0xff, 0x5a, 0xfe, 0x9f, 0xbf, 0xff, 0xff, 0xdb, 0xff, 0xff, 0xff, 0xac, 0xdf, 0x7d, 0xf0,
0xbe, 0xf7, 0xff, 0x63, 0xd9, 0x6f, 0xbf, 0xdf, 0xef, 0xfb, 0xdb, 0xff, 0xff, 0xff, 0x5a, 0xfe, 0xbc, 0x1f, 0xff, 0x9f, 0xcb, 0xff, 0xff, 0xff, 0xac, 0xff, 0x7d, 0xf0,
0xbe, 0xf7, 0xff, 0x63, 0x7d, 0xd3, 0xde, 0xdf, 0xdf, 0xff, 0xdb, 0xff, 0xff, 0xff, 0x5a, 0xfe, 0xb8, 0x9f, 0xff, 0xdf, 0xcb, 0xff, 0xff, 0xff, 0xec, 0xff, 0x7d, 0xf0,
0xbe, 0xf7, 0xff, 0x6b, 0x7d, 0x9f, 0x7f, 0xdf, 0xff, 0xff, 0xcb, 0xff, 0xff, 0xff, 0x5a, 0xfe, 0x27, 0x9f, 0xff, 0xdf, 0x6b, 0xff, 0xff, 0xff, 0xec, 0xff, 0xfd, 0xf0,
0xbe, 0xf7, 0xff, 0x69, 0xfd, 0xef, 0xf7, 0xcf, 0xff, 0xff, 0x8b, 0xff, 0xff, 0xff, 0x5a, 0xfe, 0x0f, 0x9f, 0xff, 0xdf, 0xe3, 0xff, 0xff, 0xff, 0xec, 0xf7, 0xfd, 0xf0,
0xbe, 0xf7, 0xff, 0x69, 0x6c, 0xf3, 0xfe, 0xdf, 0xff, 0xff, 0x8b, 0xff, 0xff, 0xff, 0x5a, 0xfe, 0x1f, 0xdf, 0xff, 0xcf, 0xe3, 0xff, 0xff, 0xff, 0xcc, 0xff, 0xfc, 0xf0,
0xbe, 0xf7, 0xff, 0xe9, 0xfc, 0x97, 0xfe, 0xdf, 0xff, 0xfc, 0x83, 0xff, 0xff, 0xff, 0xda, 0xfe, 0x7f, 0xdf, 0xff, 0xef, 0xf3, 0xff, 0xff, 0xff, 0xcc, 0xff, 0xfd, 0xf0,
0xbe, 0xf7, 0xff, 0xc9, 0x5e, 0x1e, 0x7f, 0x5f, 0xff, 0xff, 0xb3, 0xff, 0xff, 0xff, 0xda, 0xfe, 0x7f, 0xcf, 0xff, 0xef, 0xf3, 0xff, 0xff, 0xdf, 0xcc, 0xf7, 0xfd, 0xf0,
0xbe, 0xf7, 0xff, 0xed, 0x6e, 0x1e, 0x3f, 0x5f, 0xff, 0xbe, 0x3b, 0xff, 0xff, 0xff, 0xfa, 0xfe, 0x7f, 0xcf, 0xff, 0xe7, 0xf3, 0xff, 0xff, 0xdf, 0xcc, 0xff, 0xfd, 0xf0,
0xbe, 0xf7, 0xff, 0xdc, 0xee, 0x44, 0x7f, 0x5f, 0xff, 0xff, 0x7b, 0xff, 0xff, 0xff, 0xfa, 0xfc, 0x6f, 0xcf, 0xff, 0xf7, 0xfb, 0xff, 0xff, 0xdf, 0xcc, 0xff, 0xfd, 0xf0,
0xbe, 0xf7, 0xff, 0xde, 0x2f, 0x7d, 0x7f, 0x9f, 0xff, 0xff, 0x5b, 0xff, 0xff, 0xff, 0xfa, 0xfc, 0xef, 0xef, 0xff, 0xf7, 0xf9, 0xff, 0xff, 0xdf, 0xcd, 0xff, 0xfd, 0xf0,
0xbe, 0xf7, 0xff, 0xde, 0xe3, 0x4c, 0x7f, 0xdf, 0xff, 0xff, 0x7b, 0xff, 0xff, 0xff, 0xfa, 0xfc, 0xef, 0xef, 0xff, 0xf3, 0xf9, 0xff, 0xff, 0xdf, 0xed, 0xff, 0xfd, 0xf0,
0xbe, 0xf7, 0xff, 0xde, 0x77, 0x2c, 0x7f, 0x5f, 0xff, 0xff, 0x7d, 0xff, 0xff, 0xff, 0xfa, 0xfc, 0xe7, 0xe7, 0xff, 0xf3, 0xfd, 0xff, 0xff, 0xdf, 0xed, 0xdf, 0xfd, 0xf0,
0x3e, 0xf7, 0xff, 0xde, 0x56, 0xbc, 0x7f, 0x5f, 0xff, 0xbe, 0xfd, 0xff, 0xff, 0xff, 0xfa, 0xfc, 0xf7, 0xe7, 0xff, 0xfb, 0xfc, 0xff, 0xff, 0xdf, 0xed, 0xff, 0xfd, 0xf0,
0x3e, 0xf7, 0xff, 0xdf, 0x76, 0x8c, 0x7f, 0xdf, 0xff, 0xbe, 0x7d, 0xff, 0xff, 0xff, 0xfa, 0xfc, 0xeb, 0xe7, 0xff, 0xfb, 0xfe, 0xff, 0xff, 0xdf, 0xed, 0xff, 0xfd, 0xf0,
0x7f, 0xef, 0xff, 0xdf, 0x0d, 0x8d, 0x7f, 0xe9, 0xff, 0xfe, 0x7e, 0xff, 0xff, 0xff, 0xfa, 0xfc, 0xeb, 0xf7, 0xff, 0xf9, 0xfe, 0xff, 0xff, 0xdf, 0xed, 0xff, 0xff, 0xf0,
0x7f, 0xef, 0xff, 0xdf, 0x25, 0x8c, 0xff, 0xeb, 0xff, 0xfe, 0x5e, 0xff, 0xff, 0xff, 0xfb, 0xfc, 0xeb, 0xf7, 0xff, 0xfd, 0xfe, 0x7f, 0xff, 0xdf, 0xed, 0xef, 0xfd, 0xf0,
0x7d, 0xef, 0xfe, 0xdf, 0x35, 0xd8, 0xfd, 0xeb, 0xff, 0xfe, 0x7e, 0xff, 0xff, 0xff, 0xfa, 0x8d, 0xfb, 0xf7, 0xff, 0xfd, 0xf0, 0x7f, 0xff, 0xdf, 0xed, 0xef, 0xfd, 0xf0,
0x7d, 0xef, 0xfe, 0xdf, 0x3b, 0x50, 0xfd, 0xf7, 0xff, 0xfd, 0x7e, 0xff, 0xff, 0xff, 0xf8, 0xf9, 0xfd, 0xf3, 0xff, 0xfe, 0xc0, 0x7f, 0xff, 0xdf, 0xec, 0x6f, 0xfd, 0xf0,
0x7d, 0xef, 0xfe, 0xdf, 0xbb, 0xcc, 0xb9, 0xf7, 0xff, 0xff, 0x7f, 0x7f, 0xff, 0xff, 0xf9, 0xf9, 0xfd, 0xf3, 0xff, 0xfe, 0x9c, 0xff, 0xff, 0xdf, 0xe8, 0x2f, 0xfd, 0xf0,
0x7d, 0xef, 0xfe, 0xdf, 0xbb, 0xeb, 0xfb, 0xfb, 0xff, 0xff, 0x7f, 0x7f, 0xff, 0xff, 0xf9, 0xf9, 0xfd, 0xf3, 0xff, 0xfe, 0x3c, 0xff, 0xff, 0xdf, 0xe1, 0x33, 0xfd, 0xf0,
0x7d, 0xef, 0xfe, 0xdf, 0xb9, 0xed, 0xff, 0xfd, 0xff, 0xff, 0x7f, 0x7f, 0xff, 0xff, 0xfc, 0x01, 0xfe, 0xf3, 0xff, 0xff, 0x1f, 0xff, 0xff, 0xdf, 0xe0, 0x5b, 0xfd, 0xf0,
0x7d, 0xe7, 0xfe, 0xdf, 0xb0, 0xe7, 0xf1, 0xfe, 0xff, 0xff, 0x7f, 0x7f, 0xff, 0xff, 0xee, 0x01, 0xfe, 0xfb, 0xff, 0xff, 0x1f, 0xff, 0xff, 0xdf, 0xc7, 0xed, 0xfd, 0xf0,
0x7d, 0xe9, 0xfe, 0xdf, 0xb5, 0xf7, 0xf5, 0xf6, 0x7f, 0xff, 0x7f, 0x3f, 0xff, 0xff, 0xaf, 0xe9, 0xfe, 0xf9, 0x80, 0x07, 0x5f, 0xff, 0xff, 0xff, 0xcf, 0xf5, 0xfd, 0xf0,
0x7d, 0xee, 0x7e, 0xdf, 0xb5, 0xf7, 0xed, 0xfd, 0x3f, 0xff, 0x7f, 0xbf, 0xff, 0xff, 0xef, 0xe3, 0xfe, 0xf8, 0x00, 0x00, 0x1f, 0xff, 0xff, 0xff, 0x1f, 0xfe, 0xfd, 0xf0,
0x7d, 0xef, 0x9e, 0xdf, 0x9f, 0xf7, 0xe9, 0xfd, 0xbf, 0xff, 0x7f, 0xbf, 0xff, 0xff, 0xef, 0xfb, 0xff, 0x7c, 0xff, 0x40, 0x5e, 0xff, 0xff, 0xff, 0x7f, 0xfa, 0xfd, 0xf0,
0x7d, 0xef, 0xe6, 0xdf, 0xdb, 0xf3, 0xff, 0xdd, 0xdf, 0xff, 0x7f, 0xbf, 0xff, 0xff, 0xef, 0xeb, 0xff, 0x7e, 0xf0, 0xe8, 0x5e, 0xff, 0xff, 0xfe, 0xff, 0xef, 0xfd, 0xf0,
0x7d, 0xe9, 0xf8, 0xdf, 0xd3, 0xfb, 0xf6, 0xf4, 0x0f, 0xef, 0x7f, 0xdf, 0xff, 0xff, 0xef, 0xe3, 0xff, 0x7e, 0x0f, 0xe0, 0x1f, 0x7f, 0xff, 0xee, 0xff, 0xfd, 0x7d, 0xf0,
0x7d, 0xee, 0x7e, 0x5f, 0xdf, 0xfb, 0xe6, 0xfc, 0x67, 0xfb, 0x7f, 0xdf, 0xff, 0xff, 0xef, 0xfb, 0xff, 0xff, 0xff, 0x63, 0x1f, 0x7f, 0xff, 0xed, 0xff, 0x7d, 0xfd, 0xf0,
0x7d, 0xef, 0xd7, 0xdf, 0xdf, 0xfb, 0xdb, 0xfc, 0x77, 0xfe, 0x7f, 0xdf, 0xff, 0xff, 0xef, 0xeb, 0xff, 0xbf, 0xff, 0xe7, 0x5f, 0x7f, 0xff, 0xfb, 0xff, 0xff, 0xbd, 0xf0,
0x7d, 0xef, 0xf3, 0xe7, 0xd7, 0xfb, 0xd3, 0xff, 0xf3, 0xfe, 0x3f, 0xdf, 0xff, 0xff, 0xef, 0xf3, 0xff, 0xbf, 0xff, 0xf7, 0x9f, 0xbf, 0xff, 0xeb, 0xff, 0xfd, 0xbd, 0xf0,
0x7d, 0xef, 0xfc, 0x79, 0xdf, 0xeb, 0xd2, 0xbf, 0xf1, 0xfe, 0xff, 0xcf, 0xff, 0xff, 0xff, 0xf3, 0xff, 0xff, 0xff, 0xf2, 0xbf, 0x9f, 0x03, 0xf7, 0xff, 0xfe, 0xdd, 0xf0,
0xfd, 0xef, 0xfe, 0x4e, 0x5f, 0x9d, 0xd7, 0xbb, 0xed, 0xfe, 0x9f, 0xef, 0xff, 0xff, 0xff, 0xf3, 0xff, 0xff, 0xff, 0xf3, 0xb7, 0xdf, 0xff, 0xf7, 0xff, 0xf9, 0xdd, 0xf0,
0xfd, 0xef, 0xfe, 0xcb, 0x9e, 0x7d, 0xf5, 0xbc, 0x3c, 0xfe, 0xdf, 0xef, 0xff, 0xff, 0xff, 0xf3, 0xff, 0xdf, 0xff, 0xf0, 0xb3, 0xdf, 0xff, 0xff, 0xff, 0x7f, 0xdd, 0xf0,
0xfb, 0xef, 0xfe, 0xf1, 0xd9, 0xfc, 0xff, 0xe8, 0x00, 0x7c, 0x1f, 0xef, 0xff, 0xff, 0xff, 0xf7, 0xff, 0xdf, 0xff, 0xfb, 0xb3, 0xdf, 0xff, 0xef, 0xff, 0xff, 0xcd, 0xf0,
0xfb, 0xcf, 0xfe, 0xfc, 0xd7, 0xfe, 0x7f, 0xb8, 0x00, 0x7c, 0x33, 0xff, 0xff, 0xff, 0xff, 0xf7, 0xff, 0xff, 0xff, 0xfb, 0xf7, 0x9f, 0xff, 0xf7, 0xff, 0xff, 0x6d, 0xf0,
0xfb, 0xff, 0xee, 0xff, 0x0f, 0xfe, 0x2b, 0x78, 0x01, 0xbc, 0xf7, 0xf7, 0xff, 0xff, 0xff, 0xf7, 0xff, 0xff, 0xff, 0xf9, 0xd7, 0x9f, 0xff, 0xe7, 0xff, 0xff, 0x6d, 0xf0,
0xfb, 0xdf, 0xee, 0xff, 0xdf, 0xfb, 0x0f, 0xd6, 0xdf, 0xb8, 0x9f, 0xf7, 0xff, 0xff, 0xff, 0xf7, 0xff, 0xff, 0xff, 0xf9, 0xd7, 0x9f, 0xff, 0xf7, 0xff, 0xff, 0x6d, 0xf0,
0xfb, 0xdf, 0xee, 0xbf, 0xdf, 0xff, 0x16, 0xff, 0xff, 0x9c, 0x1d, 0xf7, 0xff, 0xff, 0xff, 0xf7, 0xff, 0xff, 0xff, 0xfd, 0xdf, 0x9f, 0xff, 0xc1, 0xff, 0xff, 0x6d, 0xf0
};
static const uint8_t PROGMEM image_data_05[] =
{
0xff, 0xff, 0xff, 0xbf, 0xfb, 0xff, 0xff, 0x77, 0xff, 0xff, 0x67, 0xff, 0xfd, 0xff, 0xff, 0xfb, 0xfb, 0xdf, 0xff, 0xff, 0xff, 0xff, 0xff, 0xff, 0xff, 0xf7, 0xff, 0xf0,
0xff, 0xff, 0xff, 0xbf, 0xfb, 0xff, 0xff, 0xf9, 0xff, 0xfe, 0xe1, 0xdf, 0xdf, 0xf9, 0xff, 0xf7, 0xf6, 0xdf, 0xff, 0xff, 0xff, 0xff, 0xff, 0xff, 0xff, 0xff, 0xff, 0xf0,
0xff, 0xff, 0xff, 0xbf, 0xfb, 0xff, 0xff, 0xbc, 0xff, 0xff, 0xf5, 0xdf, 0xdf, 0xf7, 0xf7, 0xf7, 0xeb, 0x1f, 0xff, 0xff, 0xff, 0xff, 0xff, 0xff, 0xff, 0xf7, 0xff, 0xf0,
0x9f, 0xee, 0xdf, 0xbf, 0xfb, 0xfe, 0xbf, 0x9e, 0x1e, 0xa0, 0x00, 0xef, 0xfe, 0x30, 0x28, 0x37, 0xc6, 0x5f, 0xff, 0xff, 0xff, 0xff, 0xff, 0xfe, 0xef, 0xf7, 0xff, 0xf0,
0x00, 0x00, 0x00, 0x00, 0x00, 0x00, 0x00, 0x00, 0x00, 0x00, 0x00, 0x00, 0x00, 0x00, 0x00, 0x00, 0x00, 0x00, 0x00, 0x00, 0x00, 0x00, 0x00, 0x00, 0x00, 0x07, 0xff, 0xf0,
0xff, 0xff, 0xff, 0xff, 0xff, 0xff, 0xff, 0xff, 0xff, 0xff, 0xff, 0xff, 0xff, 0xff, 0xff, 0xff, 0xff, 0xff, 0xff, 0xff, 0xff, 0xff, 0xff, 0xff, 0xff, 0xff, 0xff, 0xf0,
0xff, 0xff, 0xff, 0xff, 0xff, 0xff, 0xff, 0xff, 0xff, 0xff, 0xff, 0xff, 0xff, 0xff, 0xff, 0xff, 0xff, 0xff, 0xff, 0xff, 0xff, 0xff, 0xff, 0xff, 0xff, 0xff, 0xff, 0xf0,
0xff, 0xff, 0xff, 0xff, 0xff, 0xff, 0xff, 0xff, 0xff, 0xff, 0xff, 0xff, 0xff, 0xff, 0xff, 0xff, 0xff, 0xff, 0xff, 0xff, 0xff, 0xff, 0xff, 0xff, 0xff, 0xff, 0xff, 0xf0,
0xff, 0xff, 0xff, 0xff, 0xff, 0xff, 0xff, 0xff, 0xff, 0xff, 0xff, 0xff, 0xff, 0xff, 0xff, 0xff, 0xff, 0xff, 0xff, 0xff, 0xff, 0xff, 0xff, 0xff, 0xff, 0xff, 0xff, 0xf0,
0xff, 0xff, 0xff, 0xff, 0xff, 0xff, 0xff, 0xff, 0xff, 0xff, 0xff, 0xff, 0xff, 0xff, 0xff, 0xff, 0xff, 0xff, 0xff, 0xff, 0xff, 0xff, 0xff, 0xff, 0xff, 0xff, 0xff, 0xf0,
0x00, 0x00, 0x00, 0x00, 0x00, 0x00, 0x00, 0x00, 0x00, 0x00, 0x00, 0x00, 0x00, 0x00, 0x00, 0x01, 0x00, 0x00, 0x00, 0x00, 0x00, 0x00, 0x00, 0x00, 0x00, 0x07, 0xff, 0xf0,
0x00, 0x01, 0x7f, 0xf7, 0xff, 0xfa, 0xbc, 0x00, 0x00, 0x03, 0xff, 0xff, 0xd1, 0xff, 0xff, 0xfd, 0x7f, 0xff, 0xff, 0xf0, 0x00, 0x00, 0x00, 0x00, 0x00, 0x07, 0xff, 0xf0,
0x00, 0x01, 0x7f, 0xf3, 0xff, 0xfa, 0xb8, 0x00, 0x1e, 0x00, 0x7f, 0xff, 0xdd, 0xff, 0xff, 0xfd, 0x70, 0x00, 0x00, 0x60, 0x00, 0x00, 0x00, 0x00, 0x00, 0x07, 0xff, 0xf0,
0x00, 0x01, 0x7f, 0xfb, 0xff, 0xfa, 0x80, 0x01, 0x83, 0xf0, 0x5f, 0xff, 0xdd, 0xff, 0xff, 0xfd, 0x5f, 0xff, 0xff, 0xc4, 0x00, 0x00, 0x00, 0x00, 0x00, 0x07, 0xff, 0xf0,
0x00, 0x01, 0xff, 0xf3, 0xff, 0x00, 0x80, 0x00, 0x00, 0xf8, 0x0f, 0xff, 0xdc, 0x9f, 0xff, 0xfd, 0x7f, 0x80, 0x01, 0x8c, 0x03, 0xff, 0x80, 0x00, 0x00, 0x07, 0xff, 0xf0,
0x00, 0x01, 0xdf, 0xf3, 0xff, 0xfe, 0x00, 0x00, 0x00, 0x3c, 0x07, 0xff, 0xd0, 0x07, 0xff, 0xfd, 0x01, 0xff, 0xff, 0x18, 0x0f, 0xff, 0xe0, 0x00, 0x00, 0x07, 0xff, 0xf0,
0x00, 0x01, 0xff, 0xff, 0xff, 0xfe, 0x00, 0x00, 0x00, 0x0e, 0x03, 0xff, 0x94, 0x07, 0xff, 0xcd, 0x7f, 0x00, 0x06, 0x30, 0x1f, 0xff, 0xf8, 0x00, 0x00, 0x07, 0xff, 0xf0,
0x00, 0x01, 0xff, 0xf9, 0xff, 0xfa, 0x01, 0x80, 0x00, 0x83, 0x05, 0xfc, 0x14, 0x81, 0xfe, 0x7d, 0x03, 0xff, 0xfc, 0x70, 0x3f, 0xff, 0xfc, 0x00, 0x00, 0x07, 0xff, 0xf0,
0x00, 0x01, 0xdf, 0xff, 0xff, 0xfe, 0x87, 0xe0, 0x00, 0x61, 0x82, 0xf8, 0x14, 0x01, 0xe3, 0xfd, 0x7f, 0xff, 0xfc, 0xe0, 0x3f, 0xff, 0xfe, 0x00, 0x00, 0x07, 0xff, 0xf0,
0x00, 0x01, 0xdf, 0xff, 0xff, 0xfe, 0x9f, 0xf8, 0x06, 0x10, 0x41, 0x60, 0x14, 0x21, 0x9f, 0xf9, 0x7f, 0xc0, 0x01, 0xc0, 0x3f, 0xff, 0xff, 0x00, 0x00, 0x07, 0xff, 0xf0,
0x00, 0x01, 0xdf, 0xff, 0xff, 0xfe, 0x7f, 0xfe, 0x00, 0x88, 0x21, 0x80, 0x14, 0x00, 0xff, 0xc1, 0x00, 0x7f, 0xf3, 0xc0, 0x7f, 0xff, 0xff, 0x00, 0x00, 0x07, 0xff, 0xf0,
0x00, 0x01, 0xff, 0xff, 0xff, 0xff, 0xff, 0xff, 0xe0, 0x24, 0x10, 0x80, 0x14, 0x87, 0xfe, 0x3d, 0x7f, 0xf8, 0x03, 0x80, 0x7f, 0xff, 0xff, 0x80, 0x00, 0x07, 0xff, 0xf0,
0x10, 0x01, 0xdf, 0xff, 0xff, 0xfb, 0xff, 0xff, 0xfc, 0x12, 0x08, 0x29, 0x1c, 0x1f, 0xf1, 0xfd, 0x00, 0x0f, 0xe7, 0x80, 0x7f, 0xff, 0xff, 0x80, 0x00, 0x07, 0xff, 0xf0,
0x40, 0x01, 0xdf, 0xff, 0xff, 0xf7, 0xff, 0xff, 0xe6, 0x01, 0x08, 0x02, 0x11, 0xfe, 0x0f, 0xe1, 0x7f, 0xff, 0xcf, 0x80, 0x7f, 0xff, 0xff, 0xc0, 0x00, 0x07, 0xff, 0xf0,
0x00, 0x01, 0xdf, 0xff, 0xff, 0xcf, 0xff, 0xff, 0xe7, 0x01, 0x84, 0x08, 0x1f, 0xf0, 0x7e, 0x1d, 0x7f, 0xff, 0x8f, 0x00, 0xff, 0xff, 0xff, 0xc0, 0x00, 0x07, 0xff, 0xf0,
0x00, 0x01, 0xff, 0xff, 0xff, 0x9f, 0xff, 0xff, 0xfe, 0x60, 0x80, 0x00, 0x7f, 0x87, 0xf0, 0xfd, 0x7f, 0xff, 0x9f, 0x00, 0xff, 0xff, 0xff, 0xe0, 0x00, 0x07, 0xff, 0xf0,
0x40, 0x01, 0xdf, 0xff, 0xff, 0x3e, 0xff, 0xf8, 0xfe, 0xf0, 0x40, 0x03, 0xf8, 0x3e, 0x0f, 0xfd, 0x7f, 0xff, 0x3e, 0x00, 0xff, 0xff, 0xff, 0xe0, 0x00, 0x07, 0xff, 0xf0,
0x20, 0x21, 0xff, 0xff, 0xfe, 0x7c, 0xff, 0x87, 0xec, 0xf8, 0x64, 0x01, 0xf9, 0xe0, 0x4f, 0xfd, 0x7f, 0xff, 0x3e, 0x00, 0xff, 0xff, 0xff, 0xe0, 0x00, 0x07, 0xff, 0xf0,
0x02, 0x01, 0xdf, 0xff, 0xfc, 0xfd, 0xef, 0xff, 0xf9, 0xf8, 0x20, 0x00, 0x17, 0x00, 0x2f, 0xfd, 0x7f, 0xfe, 0x7e, 0x00, 0xff, 0xff, 0xff, 0xf0, 0x00, 0x07, 0xff, 0xf0,
0x41, 0x05, 0xff, 0xff, 0x01, 0xfb, 0xff, 0x7f, 0xfb, 0xf8, 0x32, 0x00, 0x14, 0x00, 0x17, 0xfd, 0x7f, 0xfe, 0x7c, 0x00, 0xff, 0xff, 0xff, 0xf0, 0x00, 0x07, 0xff, 0xf0,
0x43, 0x41, 0xdf, 0xfc, 0x00, 0xfb, 0xfd, 0xff, 0xfb, 0xf9, 0x10, 0x00, 0x14, 0x81, 0x03, 0xfd, 0x7f, 0xfc, 0x80, 0x01, 0xff, 0xff, 0xff, 0xf8, 0x00, 0x07, 0xff, 0xf0,
0x52, 0xa1, 0xff, 0xf8, 0xe0, 0x03, 0xbb, 0xff, 0xff, 0xf1, 0x98, 0x00, 0x04, 0x80, 0x03, 0xfd, 0x7f, 0x00, 0xfc, 0x01, 0xff, 0xff, 0xf7, 0xf8, 0x04, 0x27, 0xff, 0xf0,
0x6d, 0xe1, 0xff, 0xf0, 0xa7, 0x03, 0xb7, 0xff, 0xef, 0xf1, 0xc9, 0x00, 0x10, 0x21, 0x03, 0xfd, 0x00, 0xfd, 0xfd, 0x21, 0xff, 0xfc, 0x02, 0xf8, 0x04, 0x07, 0xff, 0xf0,
0x57, 0xa5, 0xff, 0xfb, 0xec, 0x01, 0xf1, 0xff, 0xfe, 0xf1, 0xc4, 0x00, 0x00, 0x24, 0x29, 0xfd, 0x7f, 0xf9, 0xf9, 0x21, 0xff, 0xfe, 0x3f, 0xf9, 0x00, 0x17, 0xff, 0xf0,
0x7f, 0xe5, 0xff, 0xe7, 0xec, 0x02, 0x38, 0xff, 0xdc, 0xe0, 0xd4, 0x00, 0x10, 0x00, 0x01, 0xfd, 0x7f, 0xfb, 0xf9, 0x21, 0x9f, 0xff, 0xff, 0xfd, 0x00, 0x17, 0xff, 0xf0,
0x7f, 0xe5, 0xff, 0xeb, 0xd8, 0x03, 0x88, 0x7f, 0xbf, 0xe1, 0xf6, 0x40, 0x04, 0x0c, 0x58, 0xfd, 0x7f, 0xf3, 0xf9, 0x21, 0x3f, 0xff, 0xff, 0xfc, 0x02, 0x07, 0xff, 0xf0,
0x7f, 0xe5, 0xff, 0xe7, 0xd0, 0x03, 0xc0, 0x3f, 0xff, 0xd9, 0xe3, 0x20, 0x04, 0x81, 0x80, 0xfd, 0x7f, 0xf3, 0xfa, 0x61, 0xff, 0xff, 0xff, 0xfc, 0xa2, 0x07, 0xff, 0xf0,
0x77, 0xed, 0xff, 0xf3, 0xf0, 0x83, 0xe4, 0x1f, 0x7f, 0xe8, 0x7a, 0x00, 0x00, 0x80, 0x80, 0xfd, 0x7f, 0xf2, 0xfa, 0x61, 0xff, 0xff, 0xff, 0xfc, 0xa2, 0x07, 0xff, 0xf0,
0x7f, 0xed, 0xff, 0xd9, 0xa1, 0x83, 0xc1, 0x0e, 0xff, 0xf0, 0xf9, 0x00, 0x00, 0x38, 0x08, 0x7d, 0x7e, 0x07, 0xfa, 0x41, 0xff, 0xff, 0xff, 0xfe, 0x01, 0x07, 0xff, 0xf0,
0x7f, 0xed, 0xff, 0xdc, 0xa0, 0x01, 0x80, 0x06, 0xff, 0xe4, 0x79, 0x08, 0x00, 0xe1, 0x09, 0x7d, 0x03, 0xe7, 0xf2, 0x41, 0xff, 0xff, 0xff, 0xfe, 0x55, 0x07, 0xff, 0xf0,
0x7f, 0xed, 0xff, 0xdc, 0xf1, 0xc7, 0x00, 0x22, 0xff, 0xe7, 0xf8, 0x84, 0x00, 0x14, 0x40, 0xfd, 0x7f, 0xe7, 0xf2, 0xc1, 0xff, 0xff, 0xff, 0x1e, 0x55, 0x07, 0xff, 0xf0,
0x7f, 0xed, 0xff, 0xbe, 0x6f, 0x86, 0x00, 0x01, 0xff, 0xef, 0xfc, 0x80, 0x00, 0x1a, 0x0a, 0x7d, 0x7e, 0x07, 0xf0, 0xc1, 0xff, 0xff, 0xe8, 0x06, 0x57, 0x07, 0xff, 0xf0,
0x7f, 0xef, 0xff, 0xbf, 0x7f, 0x0e, 0x00, 0x00, 0xff, 0xef, 0xfc, 0x84, 0x00, 0x41, 0x60, 0xfd, 0x03, 0xef, 0xf4, 0xc5, 0xff, 0xff, 0xe3, 0xf2, 0x2b, 0x87, 0xff, 0xf0,
0x7f, 0xed, 0xff, 0xbe, 0xff, 0x3c, 0x00, 0x00, 0xff, 0xef, 0xf4, 0xc4, 0x00, 0x8c, 0x2c, 0x7d, 0x7e, 0x0f, 0xf5, 0xc4, 0xff, 0xff, 0x8f, 0xfe, 0x2b, 0x87, 0xff, 0xf0,
0x7f, 0xfd, 0xff, 0xbf, 0xc8, 0x7c, 0x00, 0x00, 0x7f, 0xef, 0xf8, 0x80, 0x00, 0x23, 0x0b, 0xfd, 0x03, 0xcf, 0x85, 0xc4, 0xcb, 0xff, 0xd9, 0xfe, 0x3b, 0x8f, 0xff, 0xf0,
0x7f, 0xff, 0xff, 0xbd, 0x81, 0xfc, 0x00, 0x00, 0x1f, 0xef, 0xf8, 0x40, 0x00, 0x0c, 0x40, 0x7d, 0x7f, 0xc0, 0xf5, 0xc0, 0xf9, 0xff, 0xf0, 0xfe, 0xbb, 0x87, 0xff, 0xf0,
0x7f, 0xef, 0xff, 0x9b, 0x83, 0xfc, 0x00, 0x00, 0x1f, 0xcf, 0xf0, 0x20, 0x00, 0x0d, 0x8c, 0x7d, 0x7c, 0x0f, 0xf5, 0xe0, 0x79, 0xff, 0xf4, 0xfe, 0x3f, 0x87, 0xff, 0xf0,
0x7f, 0xff, 0xff, 0xdb, 0x9f, 0xfc, 0x00, 0x00, 0x0f, 0xcf, 0xf0, 0x20, 0x00, 0x20, 0x30, 0xfd, 0x03, 0xde, 0x05, 0xe0, 0x78, 0xff, 0xf4, 0x7f, 0x5f, 0x87, 0xff, 0xf0,
0x7f, 0xff, 0xff, 0xc7, 0x9f, 0xfc, 0x00, 0x00, 0x0f, 0xde, 0xe0, 0x20, 0x00, 0x0c, 0x62, 0xfd, 0x7f, 0x83, 0xe5, 0xe0, 0x78, 0xff, 0xf6, 0x7f, 0x5f, 0x87, 0xff, 0xf0,
0x7f, 0xff, 0xff, 0xe0, 0x3f, 0xfd, 0x00, 0x3c, 0x07, 0x9f, 0xc0, 0x10, 0x00, 0x11, 0x09, 0xfd, 0x70, 0x1f, 0xe5, 0xe0, 0x3c, 0xff, 0xf4, 0x7f, 0x5f, 0xc7, 0xff, 0xf0,
0x7f, 0xff, 0xff, 0xf8, 0xbf, 0xfc, 0x00, 0xfe, 0x17, 0x9f, 0x80, 0x10, 0x00, 0x03, 0x39, 0x7d, 0x07, 0xdf, 0xc5, 0xf8, 0x3c, 0xff, 0xf4, 0xff, 0x5f, 0xc7, 0xff, 0xf0,
0x7f, 0xff, 0xff, 0xff, 0xbf, 0xfc, 0x51, 0xfd, 0x3b, 0x9f, 0x00, 0x00, 0x80, 0x08, 0xda, 0xfd, 0x7f, 0xdf, 0xcd, 0xf8, 0x38, 0xff, 0xf7, 0xff, 0x77, 0x87, 0xff, 0xf0,
0x7f, 0xff, 0xff, 0xff, 0xbf, 0xfc, 0x40, 0xfb, 0x5b, 0x9e, 0x00, 0x00, 0x00, 0x06, 0xc8, 0xfd, 0x7f, 0xdf, 0x8f, 0xf8, 0x1c, 0xff, 0xf7, 0xff, 0x7f, 0x87, 0xff, 0xf0,
0x7f, 0xff, 0xff, 0xdf, 0xff, 0xfc, 0x60, 0x7f, 0x6f, 0x9e, 0x00, 0x08, 0x00, 0x12, 0xc1, 0xfd, 0x7f, 0x8f, 0x8f, 0xf8, 0x1f, 0xff, 0xff, 0xff, 0x6f, 0x87, 0xff, 0xf0,
0x7f, 0xff, 0xff, 0xff, 0xbf, 0xfe, 0x70, 0x3f, 0x27, 0xbc, 0x00, 0x40, 0x00, 0x11, 0x36, 0xfd, 0x70, 0xdf, 0x0f, 0xf8, 0x1f, 0xff, 0xfe, 0xff, 0x6d, 0x87, 0xff, 0xf0,
0x7f, 0xff, 0xff, 0xbf, 0xdf, 0xfe, 0x78, 0x0e, 0x53, 0xfc, 0x00, 0x40, 0x00, 0x18, 0xbb, 0xfd, 0x0f, 0xc7, 0x2f, 0xd8, 0x1d, 0xff, 0xff, 0xff, 0x6d, 0xa7, 0xff, 0xf0,
0x7f, 0xff, 0xff, 0xbf, 0xdf, 0xfe, 0x7c, 0x02, 0xeb, 0xfe, 0x00, 0x00, 0x00, 0x00, 0x0f, 0xfd, 0x7c, 0x5f, 0x2f, 0xd8, 0x1f, 0xff, 0xff, 0xff, 0x6d, 0xa7, 0xff, 0xf0,
0x7f, 0xff, 0xff, 0xff, 0xfd, 0xfe, 0x3d, 0x20, 0xe5, 0x7c, 0x00, 0x00, 0x00, 0x06, 0x4b, 0xfd, 0x47, 0xd2, 0x6d, 0xd8, 0x0f, 0xff, 0xff, 0xff, 0x6d, 0xa7, 0xff, 0xf0,
0x7f, 0xff, 0xff, 0xff, 0xfe, 0xff, 0x3d, 0x01, 0xf4, 0xfc, 0x00, 0x40, 0x00, 0x0f, 0x2e, 0xfd, 0x7e, 0x1e, 0xed, 0xd8, 0x0f, 0xff, 0xff, 0xff, 0x6d, 0xa7, 0xff, 0xf0,
0x7f, 0xff, 0xff, 0x7f, 0xfe, 0xff, 0x1f, 0x29, 0xfa, 0xfe, 0x00, 0x40, 0x00, 0x09, 0x91, 0xfd, 0x41, 0xfc, 0xed, 0xdc, 0x0f, 0xff, 0xff, 0xff, 0x6c, 0xa7, 0xff, 0xf0,
0x7f, 0xff, 0xff, 0xff, 0xfe, 0xff, 0x9f, 0x33, 0xfd, 0x7e, 0x00, 0x00, 0x00, 0x05, 0xcb, 0xfd, 0x1f, 0x89, 0xeb, 0xdc, 0x4f, 0xff, 0xff, 0xff, 0x6c, 0xa7, 0xff, 0xf0,
0x7f, 0xff, 0xff, 0xff, 0xff, 0xff, 0x8f, 0x67, 0xfe, 0xbc, 0x00, 0x40, 0x00, 0x05, 0x13, 0xfd, 0x78, 0x7b, 0xeb, 0xdc, 0x4f, 0xff, 0xff, 0xff, 0x6c, 0xb7, 0xff, 0xf0,
0x7f, 0xff, 0xff, 0xff, 0xff, 0xff, 0xc6, 0xe7, 0xff, 0x5e, 0x00, 0x40, 0x00, 0x0b, 0x6a, 0xfd, 0x07, 0xf7, 0xeb, 0xdc, 0x4f, 0xff, 0xff, 0xff, 0x6c, 0xb7, 0xff, 0xf0,
0x7f, 0xff, 0xfe, 0xff, 0xff, 0xff, 0xe2, 0x8f, 0xff, 0x1e, 0x00, 0x00, 0x00, 0x09, 0x73, 0xfd, 0x7f, 0xef, 0xeb, 0xdd, 0x4f, 0xff, 0xff, 0xff, 0x6c, 0x97, 0xff, 0xf0,
0x7f, 0xff, 0xff, 0xff, 0xff, 0xff, 0xf0, 0x1f, 0xff, 0xae, 0x00, 0x00, 0x00, 0x07, 0xf3, 0xfd, 0x7f, 0xff, 0xe9, 0xdc, 0x47, 0xff, 0xff, 0xff, 0x78, 0x97, 0xff, 0xf0,
0x7f, 0xff, 0xff, 0xff, 0xff, 0xff, 0xf8, 0x7f, 0xff, 0xd6, 0x00, 0x00, 0x00, 0x07, 0xcd, 0xfd, 0x7f, 0xff, 0xcb, 0xcc, 0xa7, 0xff, 0xff, 0xff, 0x7a, 0x97, 0xff, 0xf0,
0x7f, 0xff, 0xff, 0xff, 0xff, 0xff, 0xff, 0xff, 0xff, 0xea, 0x00, 0x00, 0x00, 0x09, 0x6a, 0xfd, 0x7f, 0xbc, 0x6f, 0xa8, 0xa7, 0xff, 0xff, 0xff, 0xfa, 0x87, 0xff, 0xf0,
0x7f, 0xff, 0xff, 0xf8, 0xff, 0xff, 0xff, 0xff, 0xff, 0xf2, 0x00, 0x00, 0x00, 0x0d, 0x7b, 0xfd, 0x7f, 0x47, 0xef, 0xaa, 0x67, 0xff, 0xff, 0xff, 0xfa, 0xc7, 0xff, 0xf0,
0x7f, 0xff, 0xfd, 0xf3, 0x3f, 0xff, 0xfb, 0xff, 0xff, 0xf8, 0x00, 0x00, 0x00, 0x11, 0xeb, 0xfd, 0x7e, 0x3f, 0xeb, 0xae, 0x43, 0xff, 0xff, 0xff, 0xfa, 0x87, 0xff, 0xf0,
0x7f, 0xff, 0xff, 0xe1, 0xdf, 0xff, 0xff, 0xff, 0xff, 0xf8, 0x00, 0x00, 0x00, 0x0a, 0xdd, 0xfd, 0x61, 0xff, 0x0e, 0x84, 0x61, 0xff, 0xff, 0xff, 0xfb, 0x87, 0xff, 0xf0,
0x7f, 0xff, 0xff, 0xe0, 0xef, 0xff, 0xf7, 0xff, 0xff, 0xfc, 0x00, 0x00, 0x00, 0x1f, 0x6f, 0xfd, 0x0b, 0xf8, 0xee, 0x85, 0x31, 0xfc, 0x4f, 0xff, 0xf9, 0x07, 0xff, 0xf0,
0x7f, 0xff, 0xfb, 0xe8, 0x37, 0xff, 0xf7, 0xff, 0xff, 0xfe, 0x80, 0x00, 0x00, 0x1d, 0x6d, 0xfd, 0x77, 0x87, 0xee, 0xc7, 0x30, 0xfc, 0xfb, 0xfe, 0xf9, 0x17, 0xff, 0xf0,
0x7f, 0xff, 0xfb, 0xf0, 0x13, 0xff, 0xff, 0xff, 0xff, 0xfc, 0x00, 0x00, 0x00, 0x06, 0xb3, 0xfd, 0x7c, 0x7f, 0xeb, 0xc2, 0x10, 0x7f, 0x07, 0xff, 0xd9, 0x17, 0xff, 0xf0,
0x07, 0xff, 0xff, 0xfb, 0xe9, 0xff, 0xff, 0xff, 0xff, 0xfc, 0x00, 0x00, 0x00, 0x1b, 0x4f, 0xfd, 0x43, 0xff, 0xeb, 0x42, 0x98, 0x3f, 0xff, 0xff, 0xd9, 0x37, 0xff, 0xf0,
0x77, 0xff, 0xff, 0xfd, 0xf5, 0xff, 0xff, 0xfc, 0xff, 0xfc, 0x00, 0x00, 0x00, 0x0f, 0x2f, 0xfd, 0x1f, 0xff, 0xeb, 0x41, 0x88, 0x1f, 0xff, 0xff, 0x95, 0x37, 0xff, 0xf0,
0x53, 0xff, 0xf7, 0xfe, 0x7a, 0xff, 0xff, 0xfd, 0xff, 0xf8, 0x00, 0x00, 0x00, 0x8c, 0xbb, 0xfd, 0x7f, 0xff, 0xeb, 0xe9, 0x48, 0x1f, 0xff, 0xff, 0x16, 0x37, 0xff, 0xf0,
0x01, 0xff, 0xff, 0xdf, 0xbc, 0x7f, 0xff, 0xff, 0xff, 0xf0, 0x00, 0x00, 0x00, 0x2b, 0xfb, 0xfd, 0x7f, 0xff, 0xe3, 0xe0, 0x4a, 0x0f, 0xff, 0xfe, 0x1e, 0x77, 0xff, 0xf0,
0x7e, 0xff, 0xf7, 0xdf, 0xcf, 0x7f, 0xff, 0xff, 0xff, 0xf0, 0x00, 0x00, 0x05, 0xa7, 0x7b, 0xfd, 0x7f, 0xff, 0xf1, 0xa0, 0xac, 0x07, 0xff, 0xfc, 0x2a, 0x67, 0xff, 0xf0,
0x00, 0xff, 0xff, 0xdb, 0xe7, 0xbf, 0xff, 0xff, 0xff, 0xe0, 0x00, 0x00, 0x00, 0x93, 0x77, 0xfd, 0x7f, 0xff, 0xe3, 0xf0, 0x2d, 0x03, 0xff, 0xf0, 0x1a, 0xc7, 0xff, 0xf0,
0x7f, 0x7f, 0xef, 0xfd, 0xf9, 0xbf, 0xff, 0xf7, 0xff, 0xe0, 0x00, 0x01, 0xe0, 0x19, 0xfb, 0xfd, 0x7f, 0xff, 0x35, 0xd0, 0x56, 0x91, 0xff, 0xe0, 0x3a, 0xc7, 0xff, 0xf0,
0x7f, 0x7f, 0xef, 0xef, 0xfc, 0x3f, 0xff, 0xff, 0xff, 0xc0, 0x22, 0x03, 0xfe, 0x0f, 0xeb, 0xfd, 0x7f, 0xf9, 0xf1, 0xf8, 0x07, 0xc8, 0xff, 0x80, 0x7d, 0xc7, 0xff, 0xf0,
0x7f, 0xff, 0xef, 0xff, 0xff, 0x7f, 0xff, 0xff, 0xff, 0xc0, 0x22, 0x1f, 0xff, 0x07, 0xff, 0xfd, 0x7f, 0xcf, 0xf9, 0xe8, 0x09, 0x62, 0xfe, 0x00, 0x75, 0x97, 0xff, 0xf0,
0x7f, 0xbf, 0xdf, 0xff, 0xff, 0xff, 0xff, 0xff, 0xff, 0xc0, 0x30, 0x3f, 0xff, 0x8b, 0x5b, 0xfd, 0x7e, 0x3f, 0xfa, 0xfd, 0x06, 0xb8, 0x1c, 0x00, 0xf3, 0x97, 0xff, 0xf0,
0x7f, 0xbf, 0xdf, 0xff, 0xff, 0xff, 0xff, 0xff, 0xff, 0xc2, 0x20, 0xff, 0xff, 0x8f, 0xbb, 0xfd, 0x71, 0xff, 0xfd, 0xfe, 0xba, 0x7f, 0xc2, 0x0d, 0xf7, 0x97, 0xff, 0xf0,
0x7f, 0xff, 0xdf, 0xfb, 0xff, 0xff, 0xff, 0xff, 0xff, 0xc2, 0x81, 0xff, 0xff, 0xcd, 0x9f, 0xfd, 0x0f, 0xff, 0xfe, 0x72, 0xcd, 0x1f, 0xfe, 0x7f, 0xe7, 0x37, 0xff, 0xf0,
0x7f, 0xff, 0xbd, 0xff, 0xff, 0xff, 0xff, 0xff, 0xff, 0xc6, 0x87, 0xff, 0xff, 0xee, 0x5b, 0xfd, 0x7f, 0xff, 0xff, 0x1d, 0x3e, 0x8f, 0xfe, 0xbb, 0xcf, 0x27, 0xff, 0xf0,
0x7f, 0xdf, 0xbf, 0xff, 0xff, 0xff, 0xff, 0xff, 0xff, 0xce, 0x0f, 0xff, 0xff, 0xef, 0x6f, 0xfd, 0x7f, 0xff, 0xfc, 0x76, 0xc3, 0xc3, 0xe8, 0xff, 0x9e, 0x47, 0xff, 0xf0,
0x7f, 0xef, 0xdb, 0xff, 0xff, 0xff, 0xff, 0xff, 0xff, 0xfe, 0x3f, 0xff, 0xff, 0xe7, 0xb7, 0xfd, 0x7f, 0xff, 0xf3, 0x9f, 0x71, 0xf0, 0x00, 0xff, 0xfc, 0x17, 0xff, 0xf0,
0x7f, 0xef, 0xce, 0xff, 0xff, 0xff, 0xff, 0xff, 0xff, 0xfc, 0x7f, 0xff, 0xff, 0xf7, 0xd7, 0xfd, 0x7f, 0xff, 0x8c, 0x7c, 0x82, 0x01, 0x81, 0xdf, 0xfc, 0x3f, 0xff, 0xf0,
0x7f, 0xef, 0xef, 0xff, 0xff, 0xff, 0xff, 0xff, 0xff, 0xf8, 0xff, 0xff, 0xff, 0xf5, 0xff, 0xfd, 0x7f, 0xfe, 0x73, 0xf3, 0xbf, 0xfc, 0x01, 0xff, 0xfb, 0xf7, 0xff, 0xf0,
0x7f, 0xef, 0xf7, 0xff, 0xff, 0xff, 0xff, 0xfb, 0xff, 0xf9, 0xff, 0xff, 0xff, 0xf3, 0xef, 0xfd, 0x7f, 0xe1, 0x8f, 0xdc, 0xff, 0xfe, 0x01, 0xff, 0xff, 0xf7, 0xff, 0xf0,
0x7f, 0xf7, 0xfb, 0xff, 0xff, 0xff, 0xff, 0xff, 0xff, 0xe3, 0xff, 0xff, 0xff, 0xfb, 0xff, 0xfd, 0x7f, 0x8f, 0x3e, 0x73, 0xfc, 0x08, 0x01, 0xff, 0xff, 0xf7, 0xff, 0xf0,
0x7f, 0xf7, 0xfc, 0xff, 0xff, 0xff, 0xff, 0xff, 0xff, 0xc3, 0xff, 0xff, 0xff, 0xfb, 0xff, 0xfd, 0x7e, 0x1f, 0xe1, 0xc0, 0x03, 0x20, 0x03, 0xff, 0xff, 0xff, 0xff, 0xf0,
0x7f, 0xf7, 0xde, 0x7f, 0xff, 0xff, 0xff, 0xff, 0xff, 0xc3, 0xff, 0xff, 0xff, 0xfb, 0xff, 0xfd, 0x70, 0x3f, 0xfa, 0x00, 0x04, 0x00, 0x03, 0xff, 0xff, 0xf7, 0xff, 0xf0,
0x7f, 0xff, 0xff, 0xbf, 0xff, 0xff, 0xff, 0xff, 0xdf, 0x47, 0xff, 0xff, 0xff, 0xfd, 0xff, 0xfd, 0x44, 0xff, 0xfc, 0x00, 0x08, 0x00, 0x07, 0xff, 0xff, 0xf7, 0xff, 0xf0,
0x7f, 0xf9, 0xff, 0xcf, 0xff, 0xff, 0xff, 0xff, 0xdf, 0xc7, 0xff, 0xff, 0xff, 0xfd, 0xff, 0xfd, 0x31, 0xff, 0xfe, 0x00, 0x30, 0x00, 0x07, 0xff, 0xff, 0xf7, 0xff, 0xf0,
0x40, 0x07, 0xff, 0xd7, 0xff, 0xff, 0xfd, 0xff, 0x9f, 0xc7, 0xff, 0xff, 0xff, 0xfd, 0xff, 0xfd, 0x47, 0xff, 0xfe, 0x00, 0x70, 0x00, 0x0f, 0xff, 0xff, 0xf7, 0xff, 0xf0,
0x7f, 0xff, 0xff, 0xd9, 0xff, 0xef, 0xff, 0xff, 0xb3, 0xc7, 0xff, 0xff, 0xff, 0xfd, 0xff, 0xfd, 0x0f, 0xff, 0xff, 0x00, 0xf0, 0x00, 0x1f, 0xf7, 0xff, 0xf7, 0xff, 0xf0,
0x7f, 0xe1, 0xbf, 0xec, 0x7f, 0xff, 0xff, 0xff, 0xe0, 0xc7, 0xff, 0xff, 0xff, 0xfe, 0xff, 0xfd, 0x5f, 0xff, 0xff, 0x81, 0xd8, 0x00, 0x1f, 0xf7, 0xff, 0xf7, 0xff, 0xf0,
0x00, 0x03, 0xbf, 0xee, 0x1f, 0xff, 0xff, 0xff, 0x40, 0x07, 0xff, 0xff, 0xff, 0xfe, 0xff, 0xfd, 0x5f, 0xff, 0xff, 0xc1, 0xb8, 0x00, 0x3f, 0xeb, 0xff, 0xf7, 0xff, 0xf0,
0x5b, 0xff, 0x9f, 0xef, 0x81, 0xff, 0xff, 0xff, 0x00, 0x07, 0xff, 0xff, 0xff, 0xfe, 0xff, 0xfd, 0x1f, 0xff, 0xff, 0xc3, 0x70, 0x00, 0x7f, 0xef, 0xff, 0xf7, 0xff, 0xf0,
0x7f, 0xff, 0xef, 0xef, 0xc0, 0x3f, 0xff, 0xff, 0x00, 0x0f, 0xff, 0xff, 0xff, 0xfe, 0x7f, 0xfd, 0x1f, 0xff, 0xff, 0xe6, 0xe0, 0x00, 0xff, 0xed, 0xff, 0xf7, 0xff, 0xf0,
0x7f, 0xff, 0xff, 0xef, 0xe0, 0x01, 0xff, 0xfc, 0x00, 0x0f, 0xff, 0xff, 0xff, 0xff, 0x7f, 0xfd, 0x3f, 0xff, 0xff, 0xf7, 0xc0, 0x00, 0xff, 0xee, 0xff, 0xf7, 0xff, 0xf0,
0x7f, 0xff, 0xff, 0xef, 0xf0, 0x00, 0x00, 0x70, 0x00, 0x0f, 0xff, 0xff, 0xff, 0xff, 0x7f, 0xfd, 0x3f, 0xff, 0xff, 0xfb, 0x00, 0x01, 0xff, 0xee, 0x1f, 0xf7, 0xff, 0xf0,
0x7f, 0xff, 0xbf, 0xe7, 0xfc, 0x00, 0x40, 0x00, 0x00, 0x0f, 0xff, 0xff, 0xff, 0xff, 0x7f, 0xfd, 0x3f, 0xff, 0xff, 0xfc, 0x00, 0x03, 0xff, 0xdf, 0xf7, 0xf7, 0xff, 0xf0,
0x7f, 0xff, 0xbf, 0xf7, 0xfe, 0x00, 0x00, 0x00, 0x0c, 0x0f, 0xff, 0xff, 0xff, 0xff, 0x7f, 0xfd, 0x3f, 0xff, 0xff, 0xfc, 0x00, 0x07, 0xff, 0x7f, 0xfd, 0xf7, 0xff, 0xf0,
0x7f, 0xff, 0xbf, 0xf7, 0xff, 0x80, 0x00, 0x00, 0x27, 0xcf, 0xff, 0xff, 0xff, 0xff, 0x5f, 0xfd, 0x3f, 0xff, 0xff, 0xfc, 0x00, 0x0b, 0xfe, 0xff, 0xfe, 0xf7, 0xff, 0xf0,
0x7f, 0xff, 0xbf, 0xf7, 0xff, 0xc0, 0x00, 0x00, 0x71, 0xff, 0xff, 0xff, 0xff, 0xff, 0xbf, 0xfd, 0x3f, 0xff, 0xff, 0xfc, 0x00, 0x0b, 0xfd, 0xff, 0xff, 0x67, 0xff, 0xf0,
0x7f, 0xff, 0xff, 0xf7, 0xff, 0xf0, 0x00, 0x00, 0xf0, 0xff, 0xff, 0xff, 0xff, 0xff, 0xbf, 0xfd, 0x3f, 0xff, 0xff, 0xfc, 0x00, 0x1b, 0xfb, 0xff, 0xff, 0xa7, 0xff, 0xf0,
0x7f, 0xff, 0xbf, 0xf7, 0xff, 0xfc, 0x00, 0x03, 0xf0, 0x7f, 0xff, 0xff, 0xff, 0xff, 0x9f, 0xfd, 0x7f, 0xff, 0xff, 0xfc, 0x00, 0x3d, 0xf7, 0xff, 0xff, 0xc7, 0xff, 0xf0,
0x7f, 0xff, 0xbf, 0xf7, 0xff, 0xff, 0x00, 0x07, 0xe3, 0x3f, 0xff, 0xdf, 0xff, 0xff, 0x9f, 0xfd, 0x7f, 0xff, 0xff, 0xfc, 0x00, 0x7d, 0xff, 0xff, 0xff, 0xc7, 0xff, 0xf0,
0x7f, 0xff, 0xbf, 0xff, 0xff, 0xff, 0x00, 0x0f, 0xe3, 0x9f, 0xfe, 0x1f, 0xff, 0xff, 0x9f, 0xfd, 0x7f, 0xff, 0xff, 0xfc, 0x00, 0xfe, 0xef, 0xff, 0xff, 0xe7, 0xff, 0xf0,
0x7f, 0xff, 0xbf, 0xff, 0xff, 0xff, 0x80, 0x1f, 0xdb, 0x9f, 0xff, 0x44, 0x89, 0xff, 0xdf, 0xfd, 0x7f, 0xff, 0xff, 0xfc, 0x00, 0xff, 0x5f, 0xff, 0xff, 0xe7, 0xff, 0xf0,
0x7f, 0xff, 0xbf, 0xff, 0xff, 0xff, 0x82, 0x1f, 0xc7, 0x9f, 0xff, 0x43, 0x35, 0xff, 0xdf, 0xfd, 0x7f, 0xff, 0xff, 0xfc, 0x01, 0xff, 0x1f, 0xff, 0xff, 0xf7, 0xff, 0xf0,
0x7f, 0xff, 0xbf, 0xff, 0xff, 0xff, 0xa3, 0x3f, 0xb7, 0x9f, 0xff, 0x52, 0x23, 0xff, 0xdf, 0xfd, 0x7f, 0xff, 0xff, 0xfc, 0x03, 0xff, 0xbf, 0xff, 0xff, 0xf7, 0xff, 0xf0,
0x7f, 0xff, 0xbf, 0xff, 0xff, 0xff, 0xe3, 0x7f, 0xb7, 0x9f, 0xff, 0x54, 0x91, 0xff, 0xdf, 0xfd, 0x7f, 0xff, 0xff, 0xfc, 0x07, 0xff, 0xbf, 0xff, 0xff, 0xf7, 0xff, 0xf0,
0x7f, 0xff, 0xbf, 0xff, 0xff, 0xff, 0x88, 0x7f, 0xff, 0x9f, 0xff, 0xff, 0xff, 0xff, 0xdf, 0xfd, 0x7f, 0xff, 0xff, 0xfc, 0x0f, 0xff, 0xff, 0xff, 0xff, 0xf7, 0xff, 0xf0,
0x7f, 0xff, 0xbf, 0xff, 0xff, 0xff, 0x8e, 0x7f, 0xff, 0x9f, 0xff, 0xff, 0xff, 0xff, 0xcf, 0xfd, 0x7f, 0xff, 0xff, 0xfc, 0x1f, 0xff, 0xff, 0xff, 0xff, 0xf7, 0xff, 0xf0,
0x7f, 0xff, 0xbf, 0xff, 0xff, 0xff, 0x9f, 0xff, 0xff, 0x9f, 0x9f, 0xbf, 0xff, 0xdf, 0xef, 0xfd, 0x7f, 0xcf, 0xef, 0xfc, 0x3f, 0xff, 0x7f, 0xff, 0xff, 0xf7, 0xff, 0xf0,
0x7f, 0xff, 0xbf, 0xff, 0xff, 0xff, 0xff, 0xff, 0xff, 0x9f, 0x7f, 0xaf, 0xaf, 0xfb, 0xef, 0xfd, 0x7f, 0xb7, 0xe9, 0xfe, 0x3f, 0xff, 0xff, 0xff, 0xff, 0xf7, 0xff, 0xf0,
0xff, 0xff, 0xbf, 0xff, 0xff, 0xff, 0xff, 0xff, 0xff, 0x9f, 0x14, 0x10, 0x17, 0xc3, 0xef, 0xfd, 0x7f, 0xf1, 0x13, 0xfe, 0x7f, 0xff, 0xff, 0xff, 0xff, 0xf7, 0xff, 0xf0,
0x7f, 0xff, 0xbf, 0xff, 0xff, 0xff, 0xff, 0xff, 0xff, 0x9f, 0x53, 0x90, 0xcf, 0xeb, 0xef, 0xfd, 0x7f, 0x66, 0x77, 0xfe, 0xff, 0xff, 0xff, 0xff, 0xff, 0xf7, 0xff, 0xf0,
0x7f, 0xff, 0xbf, 0xff, 0xff, 0xff, 0xff, 0xff, 0xff, 0x9f, 0x42, 0x16, 0xf3, 0xab, 0xe7, 0xfd, 0x7f, 0x19, 0xb3, 0xff, 0xff, 0xff, 0xff, 0xff, 0xff, 0xf7, 0xff, 0xf0,
0x7f, 0xff, 0xbf, 0xff, 0xff, 0xff, 0xff, 0xff, 0xff, 0xdf, 0x44, 0x60, 0xcb, 0xbb, 0xe7, 0xfd, 0x7f, 0xff, 0xff, 0xff, 0xff, 0xff, 0xff, 0xff, 0xff, 0xf7, 0xff, 0xf0,
0x7f, 0xff, 0xbf, 0xf7, 0xff, 0xff, 0xff, 0xff, 0xff, 0xdf, 0xff, 0xff, 0xff, 0xff, 0xe7, 0xfd, 0x7f, 0xff, 0xff, 0xfe, 0xff, 0xff, 0xff, 0xbf, 0xdf, 0xf7, 0xff, 0xf0,
0xff, 0xff, 0xbf, 0xf7, 0xff, 0xff, 0xff, 0xff, 0xff, 0xdf, 0xff, 0xff, 0xff, 0xff, 0xf7, 0xfd, 0x7f, 0xff, 0xff, 0xfe, 0xff, 0xff, 0xfc, 0xa8, 0x27, 0xf7, 0xff, 0xf0,
0xff, 0xff, 0xbf, 0xf7, 0xff, 0xff, 0xff, 0xff, 0xff, 0xdf, 0xf3, 0xf7, 0xff, 0xff, 0xf7, 0xfd, 0x7b, 0x7e, 0xf3, 0x6e, 0xff, 0xff, 0xf9, 0x49, 0xec, 0xf7, 0xff, 0xf0,
0xff, 0xff, 0xbf, 0xf7, 0xff, 0xff, 0xff, 0xff, 0xff, 0x9f, 0x93, 0x94, 0xd5, 0xff, 0xf7, 0xfd, 0x70, 0x00, 0x60, 0x3e, 0xff, 0xff, 0xfb, 0x75, 0x7b, 0xf7, 0xff, 0xf0,
0xff, 0xff, 0xbf, 0xf7, 0xff, 0xff, 0xff, 0xef, 0xff, 0xdf, 0x9b, 0x84, 0xa3, 0xff, 0xf3, 0xfd, 0x6f, 0x98, 0xe5, 0xde, 0xff, 0xff, 0xfb, 0xf9, 0x67, 0xf7, 0xff, 0xf0,
0xff, 0xff, 0xbf, 0xff, 0xfe, 0xff, 0xff, 0xff, 0xff, 0xdf, 0x1b, 0x60, 0x73, 0xff, 0xf3, 0xfd, 0x72, 0x68, 0xe3, 0xfe, 0xff, 0xff, 0xff, 0xff, 0xff, 0xf7, 0xff, 0xf0,
0xff, 0xff, 0xbf, 0xfb, 0xff, 0xff, 0xff, 0xff, 0xfc, 0xdf, 0x07, 0x10, 0x05, 0x57, 0xf3, 0xfd, 0x7f, 0xff, 0xff, 0xbe, 0xff, 0xfe, 0xff, 0xff, 0xff, 0xf7, 0xff, 0xf0,
0xff, 0xff, 0xbf, 0xfb, 0xff, 0xff, 0xff, 0xff, 0xf8, 0xdf, 0x4f, 0x38, 0x97, 0xff, 0xf3, 0xfd, 0x7f, 0xff, 0xff, 0xbe, 0xff, 0xfe, 0xff, 0xff, 0xff, 0xf7, 0xff, 0xf0,
0xff, 0xff, 0xbf, 0xfb, 0xff, 0xff, 0xff, 0xff, 0xe0, 0xdf, 0xff, 0xff, 0xff, 0xff, 0xf3, 0xfd, 0x7f, 0xbf, 0xfd, 0xbf, 0xff, 0xfe, 0xff, 0xff, 0xff, 0xff, 0xff, 0xf0,
0xff, 0xff, 0xbf, 0xfb, 0xff, 0xff, 0xff, 0xff, 0xc1, 0xdf, 0xff, 0xff, 0xff, 0xff, 0xf3, 0xfd, 0x7c, 0xad, 0xa5, 0xff, 0xff, 0xfe, 0xff, 0xff, 0xff, 0xf7, 0xff, 0xf0,
0xff, 0xff, 0xbf, 0xfd, 0xff, 0xff, 0xff, 0xff, 0x81, 0xdf, 0xff, 0xff, 0xff, 0xff, 0xfb, 0xfd, 0x7c, 0x53, 0x45, 0x7f, 0x7f, 0xff, 0xff, 0xff, 0xff, 0xf7, 0xff, 0xf0,
0xff, 0xff, 0xbf, 0xf9, 0xff, 0xff, 0xff, 0xff, 0x03, 0xdf, 0xff, 0xff, 0xff, 0xff, 0xfb, 0xfd, 0x7b, 0xb0, 0x2f, 0x7f, 0x7f, 0xff, 0xff, 0xff, 0xff, 0xf7, 0xff, 0xf0,
0xff, 0xff, 0xbf, 0xf1, 0xff, 0xff, 0xff, 0xff, 0x03, 0xdf, 0xff, 0xff, 0xff, 0xff, 0xfb, 0xfd, 0x78, 0x49, 0x0f, 0xff, 0x7f, 0xff, 0x7f, 0xff, 0xff, 0xf7, 0xff, 0xf0,
0xff, 0xff, 0xbf, 0xe7, 0xff, 0xff, 0xff, 0xfe, 0x0f, 0xdf, 0xff, 0xff, 0xff, 0xff, 0xf9, 0xfd, 0x7f, 0xff, 0xfa, 0xff, 0x7f, 0xff, 0x7f, 0xff, 0xff, 0xf7, 0xff, 0xf0,
0xff, 0xff, 0xbf, 0xc7, 0xff, 0xff, 0xff, 0xe6, 0x3f, 0xdf, 0xff, 0xff, 0xff, 0xff, 0xf9, 0xfd, 0x7f, 0xff, 0xff, 0xff, 0x7f, 0xff, 0xff, 0xff, 0xff, 0xf7, 0xff, 0xf0,
0xff, 0xff, 0xbf, 0x8d, 0xff, 0xff, 0xff, 0xce, 0x77, 0xdf, 0xff, 0xff, 0xff, 0xff, 0xf9, 0xfd, 0x7f, 0xff, 0xff, 0xff, 0x7f, 0xff, 0xbf, 0xff, 0xff, 0xf7, 0xff, 0xf0,
0xff, 0xff, 0xaf, 0x1b, 0xff, 0xff, 0xff, 0x8c, 0x07, 0xdf, 0xff, 0xff, 0xff, 0xff, 0xf9, 0xfd, 0x7f, 0xff, 0xff, 0xff, 0x7f, 0xff, 0xff, 0xff, 0xff, 0xf7, 0xff, 0xf0,
0xff, 0xff, 0xaf, 0x33, 0xff, 0xff, 0xff, 0x1c, 0x03, 0xdf, 0xff, 0xff, 0xff, 0xff, 0xf9, 0xfd, 0x7f, 0xff, 0xff, 0xff, 0x7f, 0xff, 0xdf, 0xff, 0xff, 0xf7, 0xff, 0xf0,
0xff, 0xff, 0xae, 0x73, 0xff, 0xff, 0xfe, 0x1c, 0x01, 0x5f, 0xff, 0xff, 0xff, 0xff, 0xfd, 0xfd, 0x7f, 0xff, 0xff, 0xff, 0x7f, 0xff, 0xef, 0xff, 0xff, 0xf7, 0xff, 0xf0,
0xff, 0xff, 0xac, 0xe7, 0xff, 0xff, 0xfc, 0x3c, 0x00, 0xdf, 0xff, 0xff, 0xff, 0xff, 0xf9, 0xfd, 0x7f, 0xff, 0xff, 0xff, 0x7f, 0xff, 0xff, 0xff, 0xff, 0xe7, 0xff, 0xf0,
0xff, 0xff, 0xa3, 0xc7, 0xff, 0xff, 0xfc, 0x3c, 0x05, 0xcf, 0xff, 0xff, 0xff, 0xff, 0xf9, 0xfd, 0x7f, 0xff, 0xff, 0xff, 0xff, 0xff, 0xf7, 0xff, 0xff, 0xc7, 0xff, 0xf0,
0xff, 0xff, 0x1f, 0x8f, 0xff, 0xff, 0xf8, 0x7c, 0x06, 0x8f, 0xff, 0xff, 0xff, 0xff, 0xf9, 0xfd, 0x7f, 0xff, 0xff, 0xff, 0xff, 0xff, 0xf9, 0xff, 0xff, 0x97, 0xff, 0xf0,
0xff, 0xf8, 0x3f, 0x1f, 0xff, 0xff, 0xf8, 0x3e, 0x0f, 0xcf, 0xff, 0xff, 0xff, 0xff, 0xf3, 0xfd, 0x7f, 0xff, 0xff, 0xff, 0xbf, 0xff, 0xfe, 0xff, 0xff, 0x37, 0xff, 0xf0,
0xff, 0xe1, 0xfe, 0x1f, 0xff, 0xff, 0xf8, 0x1f, 0x86, 0xc7, 0xff, 0xff, 0xff, 0xff, 0xe7, 0xfd, 0x7f, 0xff, 0xff, 0xff, 0xbf, 0xff, 0xff, 0x3f, 0xfe, 0x77, 0xff, 0xf0,
0xff, 0x09, 0xf8, 0x3f, 0xff, 0xff, 0x90, 0x1a, 0xe2, 0x43, 0xff, 0xff, 0xff, 0xff, 0xe7, 0xfd, 0x7f, 0xff, 0xff, 0xff, 0xbf, 0xff, 0xff, 0xcf, 0xf1, 0xf7, 0xff, 0xf0,
0xfe, 0x33, 0xf0, 0x5f, 0xff, 0xff, 0x10, 0x0f, 0x42, 0x83, 0xff, 0xff, 0xff, 0xff, 0xcf, 0xfd, 0x7f, 0xff, 0xff, 0xff, 0xbf, 0xff, 0xff, 0xe0, 0x07, 0xf7, 0xff, 0xf0,
0xfd, 0x77, 0x01, 0xbf, 0xff, 0xfc, 0x30, 0x00, 0x23, 0xf1, 0xff, 0xff, 0xff, 0xff, 0xdf, 0xfd, 0x7f, 0xff, 0xff, 0xff, 0xbf, 0xff, 0xff, 0xee, 0xbf, 0xf7, 0xff, 0xf0,
0xf9, 0xfe, 0x01, 0x7f, 0xff, 0xf8, 0x30, 0x00, 0x71, 0x00, 0xff, 0xff, 0xff, 0xff, 0x9f, 0xfd, 0x7f, 0xff, 0xff, 0xff, 0xbf, 0xff, 0xff, 0xcf, 0xbf, 0xf7, 0xff, 0xf0,
0xf3, 0xfc, 0x82, 0x7f, 0xff, 0xf0, 0x70, 0x04, 0x30, 0x80, 0xff, 0xff, 0xff, 0xff, 0x1f, 0xfd, 0x7f, 0xff, 0xff, 0xff, 0xbf, 0xff, 0xff, 0xdf, 0x7f, 0xf7, 0xff, 0xf0,
0xf3, 0xb9, 0x84, 0x5f, 0xff, 0xe1, 0x38, 0x0c, 0x21, 0x06, 0x7f, 0xff, 0xff, 0xff, 0x5f, 0xfd, 0x7f, 0xff, 0xff, 0xff, 0x7f, 0xff, 0xff, 0xdf, 0x7f, 0xf7, 0xff, 0xf0,
0xf7, 0xfb, 0x8c, 0xff, 0xff, 0xe0, 0x7c, 0x1c, 0x02, 0xae, 0x7f, 0xff, 0xff, 0xfe, 0xc7, 0xfd, 0x7f, 0xff, 0xff, 0xff, 0x7f, 0xff, 0xff, 0xde, 0xff, 0xf7, 0xff, 0xf0,
0xe3, 0xf3, 0xcc, 0xbf, 0xff, 0xc0, 0x7e, 0x20, 0x15, 0x5e, 0x3f, 0xff, 0xff, 0xff, 0x97, 0xfd, 0x7f, 0xff, 0xff, 0xfe, 0xff, 0xff, 0xff, 0x9e, 0xff, 0xf7, 0xff, 0xf0,
0xef, 0xe3, 0x11, 0x3f, 0xff, 0xc0, 0x3f, 0xc2, 0x31, 0x7d, 0x3f, 0xff, 0xff, 0xfd, 0x53, 0xfd, 0x7f, 0xff, 0xff, 0xfe, 0xff, 0xff, 0xff, 0xbd, 0xff, 0xf7, 0xff, 0xf0,
0xef, 0x84, 0x73, 0x5f, 0xff, 0xc2, 0x3f, 0x80, 0x38, 0x71, 0x5f, 0xff, 0xff, 0xfa, 0x55, 0xfd, 0x7f, 0xff, 0xff, 0xfd, 0xff, 0xff, 0xff, 0xbd, 0xff, 0xf7, 0xff, 0xf0,
0xcf, 0x04, 0xe7, 0x7f, 0xff, 0xcf, 0x3d, 0x81, 0x11, 0xf0, 0xdf, 0xff, 0xff, 0xf2, 0x36, 0xfd, 0x7f, 0xff, 0xff, 0xfd, 0xff, 0xff, 0xff, 0xbb, 0xff, 0xf7, 0xff, 0xf0,
0xcf, 0x0c, 0x8f, 0xff, 0xff, 0xfb, 0x03, 0x83, 0x23, 0xd2, 0xef, 0xff, 0xff, 0xe7, 0x35, 0x7d, 0x7f, 0xff, 0xff, 0xf9, 0xff, 0xff, 0xff, 0x3b, 0xff, 0xf7, 0xff, 0xf0,
0xde, 0x0f, 0x5f, 0xff, 0xfd, 0xee, 0x0d, 0x89, 0x47, 0xa3, 0xe7, 0xff, 0xff, 0xc1, 0x5b, 0x3d, 0x7f, 0xff, 0xff, 0xfb, 0xff, 0xff, 0xff, 0x77, 0xff, 0xf7, 0xff, 0xf0,
0x9c, 0x1f, 0xb7, 0xff, 0xf9, 0xc4, 0x79, 0x82, 0xbe, 0x6b, 0xf3, 0xff, 0xff, 0x98, 0xdd, 0x3d, 0x7f, 0xff, 0xff, 0xf3, 0xff, 0xff, 0xff, 0x77, 0xff, 0xf7, 0xff, 0xf0,
0xbc, 0x3e, 0xa7, 0xff, 0xf1, 0xdc, 0xfd, 0xf1, 0x3c, 0xfb, 0xc9, 0xff, 0xfe, 0x2e, 0x75, 0x4d, 0x7f, 0xff, 0xff, 0xe7, 0xff, 0x7f, 0xff, 0x77, 0xff, 0xf7, 0xff, 0xf0,
0xb8, 0x37, 0x6f, 0xff, 0xe1, 0x9a, 0xf8, 0x63, 0xfd, 0x33, 0xe9, 0xff, 0xe0, 0x77, 0x3e, 0xed, 0x7f, 0xff, 0xff, 0x9f, 0xbf, 0xff, 0xff, 0x6f, 0xff, 0xf7, 0xff, 0xf0,
0xb8, 0x6f, 0x4f, 0xff, 0xc3, 0x9b, 0xf0, 0x07, 0xce, 0x13, 0x78, 0xfe, 0x00, 0x7f, 0xcd, 0x45, 0x7f, 0xff, 0xfe, 0x7f, 0xbf, 0xff, 0xff, 0x6f, 0xff, 0xf7, 0xff, 0xf0,
0xb8, 0xef, 0x9f, 0xff, 0xc3, 0x01, 0xf1, 0x9f, 0x8c, 0x42, 0x64, 0x70, 0x11, 0x3f, 0xe5, 0xa9, 0x1f, 0xff, 0xf9, 0x7f, 0xff, 0xff, 0xff, 0x6f, 0xff, 0xf7, 0xff, 0xf0,
0x3d, 0xdf, 0x9f, 0xff, 0xc3, 0x8f, 0xc8, 0xfe, 0x2e, 0xc2, 0xe4, 0x00, 0xd9, 0xcf, 0xfb, 0xa9, 0x43, 0xff, 0xe7, 0xff, 0xff, 0xff, 0xfe, 0xdf, 0xff, 0xf7, 0xff, 0xf0,
0x6f, 0x9e, 0x3f, 0xff, 0xc3, 0xff, 0xb1, 0xaa, 0x6d, 0x43, 0xce, 0x18, 0x19, 0xa7, 0xfc, 0x61, 0x00, 0x00, 0x00, 0x00, 0x00, 0x00, 0x00, 0x00, 0x00, 0x07, 0xff, 0xf0,
0x6f, 0x3c, 0x3f, 0xff, 0x67, 0xe5, 0xd0, 0x7a, 0xeb, 0x71, 0x95, 0x18, 0x3d, 0xfb, 0xff, 0x61, 0xff, 0xff, 0xff, 0xff, 0xff, 0xff, 0xff, 0xff, 0xff, 0xff, 0xff, 0xf0,
0x6c, 0x3c, 0x7f, 0xbe, 0x47, 0xfb, 0x67, 0xd3, 0xe7, 0x35, 0xac, 0x1c, 0xfc, 0xfc, 0xff, 0x89, 0xff, 0xff, 0xff, 0xff, 0xff, 0xff, 0xff, 0xff, 0xff, 0xff, 0xff, 0xf0,
0x40, 0x38, 0x7f, 0x7c, 0x98, 0x9b, 0xc1, 0x20, 0x2f, 0x76, 0xa5, 0x1c, 0xfe, 0xfe, 0x7f, 0xc5, 0xff, 0xff, 0xff, 0xff, 0xff, 0xff, 0xff, 0xff, 0xff, 0xff, 0xff, 0xf0,
0xc0, 0x78, 0x7f, 0xf8, 0x3f, 0xf2, 0xb7, 0x1f, 0x2f, 0x94, 0xa7, 0x3e, 0xfe, 0x7f, 0x3f, 0xf1, 0xff, 0xff, 0xff, 0xff, 0xff, 0xff, 0xff, 0xff, 0xff, 0xff, 0xff, 0xf0,
0xb0, 0xf7, 0xff, 0xf0, 0xff, 0x47, 0xec, 0x01, 0x83, 0xd8, 0xae, 0x38, 0xfe, 0x7b, 0xcf, 0xf9, 0xff, 0xff, 0xff, 0xff, 0xff, 0xff, 0xff, 0xff, 0xff, 0xff, 0xff, 0xf0,
0xd1, 0xb7, 0xff, 0xe1, 0xff, 0xec, 0x98, 0xee, 0x51, 0xd4, 0xfc, 0x38, 0xff, 0x5f, 0xa7, 0xfd, 0xff, 0xff, 0xff, 0xff, 0xff, 0xff, 0xff, 0xff, 0xff, 0xff, 0xff, 0xf0,
0xfb, 0x6b, 0xff, 0xe7, 0xff, 0xd9, 0xeb, 0xdf, 0x53, 0xdc, 0x74, 0x78, 0xff, 0x3f, 0xf3, 0xfd, 0xff, 0xff, 0xff, 0xff, 0xff, 0xff, 0xff, 0xff, 0xff, 0xff, 0xff, 0xf0,
0xff, 0x7b, 0xff, 0xcf, 0xff, 0xdf, 0xaf, 0xf9, 0xf5, 0xd8, 0x68, 0x79, 0x7f, 0x3e, 0xec, 0xfd, 0xff, 0xff, 0xff, 0xff, 0xff, 0xff, 0xff, 0xff, 0xff, 0xff, 0xff, 0xf0
};
static const uint8_t PROGMEM image_data_06[] =
{
0xf9, 0xfe, 0xff, 0x75, 0xff, 0x6f, 0xf7, 0x6f, 0xff, 0xff, 0xff, 0xbc, 0xff, 0xff, 0xc3, 0xff, 0xff, 0xff, 0xfa, 0xff, 0xbf, 0xe8, 0x00, 0x00, 0x00, 0x1e, 0x67, 0xf0,
0xfb, 0xfe, 0xff, 0x7d, 0xff, 0xbf, 0xfe, 0xff, 0xff, 0xff, 0xf7, 0xbb, 0xff, 0xff, 0x87, 0xff, 0xff, 0xfe, 0xf7, 0x7f, 0x3f, 0xe0, 0x00, 0x00, 0x00, 0x07, 0x8c, 0xf0,
0xfb, 0xfe, 0xff, 0xff, 0xff, 0xbf, 0xff, 0xdf, 0xff, 0xff, 0xf7, 0xf9, 0xff, 0xfe, 0x0f, 0xff, 0xff, 0xff, 0x77, 0xbf, 0xff, 0x40, 0x00, 0x00, 0x00, 0x00, 0xe3, 0x10,
0xfb, 0xff, 0x7f, 0xff, 0xff, 0xbf, 0xfd, 0xff, 0xff, 0xff, 0xf7, 0xfd, 0xff, 0xf8, 0x3f, 0xff, 0x7f, 0xff, 0x6f, 0xc7, 0xff, 0x80, 0x00, 0x00, 0x00, 0x03, 0x9c, 0x60,
0xfb, 0xff, 0x7f, 0xbf, 0xff, 0xbf, 0xfb, 0xbf, 0xff, 0xff, 0xf7, 0xf5, 0xff, 0xf0, 0x7f, 0xff, 0xff, 0xff, 0xdf, 0xff, 0xff, 0x00, 0x00, 0x00, 0x00, 0x01, 0xe7, 0x80,
0xfb, 0xff, 0x7f, 0xba, 0xff, 0xbf, 0xfb, 0xff, 0xff, 0xff, 0xef, 0xf7, 0xff, 0xc3, 0x7f, 0xff, 0xbf, 0xff, 0xbf, 0xfd, 0xff, 0x00, 0x00, 0x00, 0x00, 0x00, 0xfc, 0xe0,
0xfb, 0xff, 0x7f, 0xba, 0xff, 0xbf, 0xfb, 0xbf, 0xff, 0xff, 0xef, 0xf7, 0xff, 0x8f, 0xff, 0xff, 0xff, 0xff, 0x3f, 0xfe, 0xf6, 0x00, 0x00, 0x00, 0x00, 0x00, 0x7f, 0x30,
0xfb, 0xff, 0x7f, 0xba, 0xff, 0xbf, 0xfb, 0xbf, 0xff, 0xff, 0xef, 0xeb, 0xfe, 0x1f, 0xff, 0xff, 0xdf, 0xfe, 0x7f, 0xff, 0xfe, 0x00, 0x00, 0x00, 0x00, 0x00, 0x7f, 0xe0,
0xfb, 0xff, 0x7f, 0xbe, 0xff, 0xbf, 0xfd, 0xff, 0xff, 0xff, 0xef, 0xab, 0xf8, 0x7f, 0xff, 0xff, 0xff, 0xfd, 0xff, 0xff, 0x7c, 0x00, 0x0f, 0xfc, 0x00, 0x00, 0x3f, 0xf0,
0xfb, 0xff, 0xff, 0xff, 0xff, 0xff, 0xfd, 0x3f, 0xff, 0xff, 0xff, 0xeb, 0xf0, 0xff, 0xfb, 0xff, 0x2f, 0xfb, 0xff, 0xff, 0xac, 0x00, 0x3f, 0xff, 0x80, 0x00, 0x1f, 0xf0,
0xfb, 0xff, 0xbf, 0xff, 0xff, 0xdf, 0xfe, 0xbf, 0xff, 0xff, 0x9f, 0xeb, 0xc3, 0xff, 0xfd, 0xfe, 0xf7, 0xff, 0xff, 0xff, 0x98, 0x00, 0x7f, 0xff, 0xc0, 0x00, 0x1f, 0xf0,
0xfb, 0xff, 0xbf, 0xdd, 0xff, 0xdf, 0xfd, 0x3f, 0xff, 0xff, 0xff, 0xe7, 0x87, 0xff, 0xff, 0x7d, 0xff, 0xff, 0xff, 0xc7, 0xd8, 0x01, 0xff, 0xff, 0xe0, 0x00, 0x0f, 0xf0,
0xfb, 0xff, 0xbf, 0xdd, 0xff, 0xdf, 0xfd, 0xff, 0xff, 0xff, 0xff, 0xc6, 0x1f, 0xff, 0xff, 0xb9, 0xfb, 0xf3, 0xff, 0xff, 0xc8, 0x03, 0xff, 0xff, 0xf0, 0x00, 0x07, 0xf0,
0xfb, 0xff, 0xbf, 0xdd, 0xff, 0xdf, 0xfd, 0x7f, 0xff, 0xff, 0xff, 0xc4, 0x7f, 0xff, 0xff, 0xdb, 0xff, 0x8f, 0xfe, 0x2b, 0xe8, 0x07, 0xff, 0xff, 0xf8, 0x00, 0x07, 0xf0,
0xfb, 0xff, 0xbf, 0xdf, 0xff, 0xdf, 0xfd, 0xff, 0xff, 0xff, 0xff, 0xc0, 0xff, 0xff, 0xff, 0xff, 0xfc, 0x7f, 0xff, 0x9d, 0xf0, 0x0f, 0xff, 0xff, 0xfc, 0x00, 0x03, 0xf0,
0xfb, 0xff, 0xdf, 0xdf, 0xff, 0xdf, 0xfd, 0xff, 0xff, 0xff, 0xbf, 0xeb, 0xff, 0xff, 0xff, 0xff, 0xff, 0xff, 0xfe, 0xd6, 0xf0, 0x1f, 0xff, 0xff, 0xfc, 0x00, 0x03, 0xf0,
0xfb, 0xff, 0xdf, 0xff, 0xff, 0xff, 0xff, 0xdf, 0xff, 0xff, 0xff, 0xaf, 0xff, 0xff, 0xff, 0xff, 0xff, 0xff, 0xfe, 0xeb, 0x80, 0x3f, 0xff, 0xff, 0xfe, 0x00, 0x01, 0xf0,
0xfb, 0xff, 0xdf, 0xff, 0xff, 0xef, 0xff, 0xdf, 0xff, 0xff, 0xff, 0xdf, 0xff, 0xff, 0xff, 0xff, 0xff, 0xff, 0xff, 0x7d, 0xf0, 0x3f, 0xff, 0xff, 0xff, 0x00, 0x05, 0xf0,
0xfb, 0xff, 0xdf, 0xee, 0xff, 0xef, 0xfe, 0x3f, 0xff, 0xff, 0xff, 0xdf, 0xff, 0xff, 0xff, 0xff, 0xff, 0xff, 0xfd, 0x76, 0x20, 0x7f, 0xff, 0xff, 0xff, 0x00, 0x01, 0xf0,
0xfb, 0xff, 0xdf, 0xee, 0xff, 0xef, 0xfe, 0x8f, 0xff, 0xff, 0xff, 0x9f, 0xff, 0xff, 0xff, 0xff, 0xff, 0xff, 0xfa, 0xbb, 0xc0, 0xff, 0xff, 0xff, 0xff, 0x80, 0x02, 0xf0,
0xfb, 0xff, 0xdf, 0xee, 0xff, 0xef, 0xfe, 0x3f, 0xff, 0xff, 0xff, 0x9f, 0xff, 0xff, 0xff, 0xff, 0xff, 0xff, 0xf5, 0xdf, 0xe0, 0xff, 0xff, 0xff, 0xff, 0x80, 0x00, 0xf0,
0xfb, 0xff, 0xdf, 0xee, 0xff, 0xef, 0xfe, 0xcf, 0xff, 0xff, 0xff, 0xbf, 0xff, 0xff, 0xff, 0xff, 0xff, 0xfe, 0xcf, 0xdd, 0xc1, 0xff, 0xff, 0xff, 0xff, 0x80, 0x01, 0x70,
0xfb, 0xff, 0xef, 0xff, 0xff, 0xef, 0xfe, 0xf7, 0x7f, 0xff, 0xff, 0x3f, 0xff, 0xff, 0xff, 0xff, 0xff, 0xfe, 0x9f, 0xfe, 0x61, 0xff, 0xff, 0xff, 0xff, 0xc0, 0x00, 0x30,
0xfb, 0xff, 0xef, 0xff, 0xff, 0xff, 0xfe, 0xf8, 0xc7, 0xff, 0xff, 0xbf, 0xff, 0xff, 0xff, 0xff, 0xff, 0xfe, 0x5f, 0xef, 0x03, 0xff, 0xff, 0xff, 0xff, 0xc0, 0x00, 0xb0,
0xfb, 0xff, 0xef, 0xf7, 0xff, 0xf7, 0xff, 0xff, 0x30, 0x77, 0xff, 0xff, 0xff, 0xff, 0xff, 0xff, 0xff, 0xff, 0xff, 0xff, 0xe3, 0xff, 0xff, 0xff, 0xff, 0xc1, 0x00, 0x50,
0xfb, 0xff, 0xef, 0xf7, 0x7f, 0xf7, 0xff, 0xfd, 0xff, 0xf8, 0x7f, 0x7f, 0xff, 0xff, 0xff, 0xff, 0xff, 0xff, 0xff, 0xf7, 0xc7, 0xff, 0xff, 0xff, 0xff, 0xc0, 0x80, 0x40,
0xfb, 0xff, 0xef, 0xf7, 0xff, 0xf7, 0xff, 0xff, 0x7f, 0x8b, 0x87, 0x7f, 0xff, 0xf7, 0xff, 0xff, 0xff, 0xff, 0xff, 0xff, 0xc7, 0xff, 0xff, 0xff, 0xff, 0xe5, 0x80, 0x20,
0xfb, 0xff, 0xff, 0xff, 0xdf, 0xf7, 0xff, 0xff, 0xff, 0x7e, 0x3d, 0x1f, 0xff, 0xe3, 0xff, 0xff, 0xff, 0xff, 0xff, 0xfb, 0xc7, 0xff, 0xff, 0xff, 0xff, 0xe0, 0x42, 0x30,
0xfb, 0xff, 0xf7, 0xff, 0xff, 0xf7, 0xff, 0x7f, 0xfc, 0xff, 0xe3, 0x67, 0xff, 0xe3, 0xff, 0xff, 0xff, 0xff, 0xff, 0xcb, 0xef, 0xff, 0xff, 0xff, 0xff, 0xe0, 0xe4, 0x10,
0xfb, 0xff, 0xf7, 0xff, 0xff, 0xf7, 0xff, 0x7f, 0xff, 0xff, 0xfe, 0x7b, 0xff, 0xf1, 0xff, 0xff, 0xff, 0xff, 0xff, 0xbd, 0xcf, 0xff, 0xff, 0xff, 0xff, 0xe0, 0xe0, 0x10,
0xf9, 0xff, 0xf7, 0xff, 0xff, 0xf7, 0xff, 0x7f, 0xff, 0xff, 0xfe, 0x1e, 0xff, 0xf1, 0xff, 0xff, 0xff, 0xff, 0xff, 0x7d, 0xcf, 0xff, 0xff, 0xff, 0xff, 0xf1, 0xf2, 0x00,
0xf9, 0xff, 0xf7, 0xff, 0xff, 0xff, 0xff, 0xff, 0xff, 0xff, 0xfe, 0x6f, 0x3f, 0xf9, 0xff, 0xff, 0xff, 0xff, 0xff, 0xfe, 0xdf, 0xff, 0xff, 0xff, 0xff, 0xf0, 0x78, 0x10,
0xf9, 0xff, 0xf7, 0xff, 0xbf, 0xfb, 0xff, 0xff, 0xff, 0xff, 0xff, 0x9b, 0xcf, 0xff, 0xff, 0xff, 0xff, 0xff, 0xfd, 0xfe, 0xdf, 0xff, 0xff, 0xff, 0xff, 0xf0, 0xb9, 0x10,
0xf9, 0xff, 0xf7, 0xff, 0xaf, 0xfb, 0xff, 0xff, 0xff, 0xff, 0xff, 0xe6, 0xff, 0xff, 0xff, 0xff, 0xff, 0xff, 0xfd, 0xfe, 0x5f, 0xff, 0xff, 0xff, 0xff, 0xf0, 0x7d, 0x00,
0xfb, 0xff, 0xfb, 0xff, 0xaf, 0xfb, 0xff, 0xff, 0xff, 0xff, 0xff, 0xfb, 0xbf, 0xff, 0xff, 0xff, 0xff, 0xff, 0xfb, 0xff, 0x5f, 0xff, 0xff, 0xff, 0xff, 0xf0, 0x5f, 0x00,
0xfb, 0xff, 0xfb, 0xff, 0xef, 0xfb, 0xff, 0xbf, 0xff, 0xff, 0xff, 0xff, 0xcf, 0xff, 0xff, 0xff, 0xff, 0xff, 0xfb, 0xff, 0x3f, 0xff, 0xff, 0xff, 0xff, 0xf0, 0x3c, 0xa0,
0xfb, 0xff, 0xfb, 0xff, 0xff, 0xfb, 0xff, 0xbf, 0xff, 0xff, 0xff, 0xff, 0xbf, 0xff, 0xff, 0xff, 0xff, 0xff, 0xfb, 0xff, 0x3f, 0xf3, 0x7f, 0xff, 0x7f, 0xf8, 0x3e, 0x80,
0xfb, 0xff, 0xfb, 0xfd, 0xff, 0xfb, 0xff, 0x9f, 0xff, 0xff, 0xff, 0xff, 0xed, 0xff, 0xff, 0xff, 0xff, 0xff, 0xfd, 0xde, 0xbf, 0xcb, 0xff, 0xff, 0x5f, 0xf8, 0x1f, 0x80,
0xf9, 0xff, 0xfb, 0xfd, 0xff, 0xff, 0xff, 0xaf, 0xff, 0xff, 0xff, 0xff, 0xfb, 0xbf, 0xff, 0xff, 0xff, 0xff, 0xfe, 0xfd, 0xff, 0xec, 0x4e, 0x36, 0x8f, 0xf8, 0x1f, 0xd0,
0xfb, 0xff, 0xff, 0xff, 0xdf, 0xfd, 0xff, 0xbb, 0xff, 0xff, 0xff, 0xff, 0xff, 0xff, 0xff, 0xff, 0xff, 0xff, 0xfd, 0x03, 0xff, 0xeb, 0xbf, 0xb9, 0xbf, 0xf8, 0x0f, 0x40,
0xf9, 0xff, 0xff, 0xff, 0xd7, 0xfd, 0xff, 0xbf, 0xff, 0xff, 0xff, 0xff, 0xff, 0xff, 0xdf, 0xff, 0xff, 0xff, 0xfd, 0xff, 0xff, 0xeb, 0x57, 0xb5, 0xef, 0xf9, 0x4f, 0xc0,
0xfb, 0xff, 0xfd, 0xff, 0xd7, 0xfd, 0xff, 0xff, 0x9f, 0xff, 0xff, 0xff, 0xff, 0xec, 0xdf, 0xff, 0xff, 0xff, 0xff, 0xff, 0xff, 0xea, 0x4e, 0x05, 0xcf, 0xf8, 0x07, 0xe0,
0xfb, 0xff, 0xfd, 0xff, 0xf7, 0xfd, 0xff, 0xfc, 0x79, 0xff, 0xff, 0xff, 0xff, 0xfb, 0x31, 0xff, 0xff, 0xff, 0xff, 0xff, 0xff, 0xff, 0xfe, 0xbb, 0xff, 0xfe, 0x07, 0xe0,
0xfb, 0xff, 0xfd, 0xff, 0xff, 0xfd, 0xff, 0xf1, 0xf9, 0x3f, 0xdf, 0xff, 0xff, 0xfd, 0xce, 0x7f, 0xff, 0xff, 0xfe, 0xff, 0x7f, 0xff, 0xfe, 0x7f, 0xff, 0xfb, 0x13, 0xe0,
0xfb, 0xff, 0xfd, 0xff, 0xff, 0xfd, 0xff, 0xc7, 0xc7, 0xf3, 0xff, 0xff, 0xff, 0xff, 0x77, 0x9f, 0xff, 0xff, 0xff, 0x7c, 0xff, 0xff, 0xff, 0xff, 0xff, 0xfb, 0x03, 0xe0,
0xfb, 0xff, 0xff, 0xfe, 0xff, 0xfd, 0xff, 0xdf, 0x1f, 0xfe, 0x7f, 0xff, 0xff, 0xff, 0xd9, 0xe7, 0xff, 0xff, 0xff, 0x83, 0xff, 0xff, 0xff, 0xbf, 0xff, 0xfb, 0x81, 0xf0,
0xf9, 0xff, 0xff, 0xff, 0xef, 0xff, 0xff, 0xdc, 0x7f, 0xff, 0xff, 0xff, 0xff, 0xff, 0xf2, 0x65, 0xff, 0xff, 0xff, 0xff, 0xff, 0xef, 0x76, 0xf7, 0xff, 0xff, 0xc1, 0xf0,
0xf9, 0xff, 0xfe, 0xff, 0xeb, 0xff, 0xff, 0xd1, 0xff, 0xff, 0xff, 0xff, 0xff, 0xff, 0xfc, 0x18, 0x7f, 0xff, 0xff, 0xfe, 0xff, 0xd7, 0x20, 0x84, 0x8f, 0xfb, 0xe1, 0xf0,
0xf9, 0xff, 0xfe, 0xff, 0xfb, 0xfe, 0xff, 0xe7, 0xff, 0xff, 0xff, 0xff, 0xff, 0xff, 0xff, 0x67, 0x1f, 0xff, 0xff, 0xfc, 0xff, 0xc7, 0xec, 0xdc, 0xef, 0xfb, 0xd1, 0xf0,
0xf9, 0xff, 0xfe, 0xff, 0xfb, 0xfe, 0xff, 0xff, 0xff, 0xff, 0xff, 0xff, 0xff, 0xff, 0xff, 0xd1, 0xd7, 0xff, 0xff, 0xca, 0xff, 0xd7, 0xba, 0xbd, 0xef, 0xfb, 0xf9, 0xf0,
0xf9, 0xff, 0xfe, 0xff, 0xff, 0xfe, 0xff, 0xff, 0xff, 0xff, 0xff, 0xff, 0xff, 0xff, 0xff, 0xf0, 0x61, 0xff, 0xff, 0xb6, 0xff, 0xc7, 0x28, 0x9c, 0x0f, 0xfb, 0xb7, 0xf0,
0xf9, 0xff, 0xff, 0xff, 0xff, 0xfe, 0xff, 0xff, 0xff, 0xff, 0xff, 0xff, 0xff, 0xff, 0xff, 0xfc, 0x1c, 0x7f, 0xff, 0x6e, 0xff, 0xff, 0xff, 0xff, 0xff, 0xfb, 0xdf, 0xf0,
0xfa, 0xff, 0xff, 0xff, 0xf7, 0xfe, 0xff, 0xef, 0xff, 0xff, 0xff, 0xff, 0xff, 0xff, 0xff, 0xfe, 0x07, 0x1f, 0xff, 0xd4, 0xff, 0xff, 0xff, 0xff, 0xff, 0xfb, 0xf7, 0xf0,
0xfa, 0xff, 0xff, 0x7f, 0xf7, 0xff, 0xff, 0xff, 0xff, 0xff, 0xff, 0xff, 0xff, 0xff, 0xff, 0xff, 0x91, 0x8f, 0xfe, 0x9a, 0xff, 0xff, 0xff, 0xff, 0xff, 0xfb, 0x7b, 0xf0,
0xfa, 0xff, 0xff, 0x7f, 0xf5, 0xff, 0xff, 0xef, 0xff, 0xff, 0xff, 0xff, 0xff, 0xff, 0xff, 0xff, 0xf0, 0x63, 0xf9, 0xb4, 0xff, 0x8f, 0xff, 0xfe, 0xff, 0xf9, 0xbc, 0xf0,
0xfa, 0xff, 0xff, 0x7f, 0xf5, 0xff, 0xff, 0xef, 0xff, 0xff, 0xff, 0xff, 0xff, 0xff, 0xff, 0xff, 0xfe, 0x10, 0xfd, 0x7a, 0xff, 0xbf, 0xa6, 0xdf, 0xa7, 0xfa, 0x6f, 0x10,
0xfb, 0xff, 0xff, 0x7f, 0xff, 0xff, 0x7f, 0xef, 0xff, 0xff, 0xff, 0xff, 0xff, 0xff, 0xff, 0xff, 0xfe, 0x4c, 0x36, 0xea, 0xff, 0xa9, 0x0c, 0xbe, 0x27, 0xfb, 0x1f, 0xf0,
0xfb, 0x7f, 0xff, 0xff, 0xff, 0xff, 0x7f, 0xff, 0xff, 0xff, 0xff, 0xff, 0xff, 0xff, 0xff, 0xff, 0xff, 0x83, 0x05, 0xdc, 0xff, 0xee, 0x78, 0xbe, 0xc7, 0xfb, 0xc3, 0xf0,
0xfb, 0x7f, 0xff, 0xff, 0xfb, 0xff, 0x7f, 0xff, 0xff, 0x03, 0xff, 0xff, 0xff, 0xff, 0xff, 0xff, 0xff, 0xe0, 0xc1, 0xbc, 0xff, 0xa0, 0xf3, 0xee, 0xdf, 0xfb, 0xf0, 0x00,
0xfb, 0x7f, 0xff, 0xff, 0xfb, 0xff, 0x7f, 0xfe, 0x00, 0xfd, 0xff, 0xff, 0xff, 0xff, 0xff, 0xff, 0xff, 0xf8, 0x32, 0xbc, 0xff, 0xaa, 0xe4, 0xee, 0xe7, 0xf8, 0x7f, 0xb0,
0xfb, 0x7f, 0xff, 0xbf, 0xfb, 0xff, 0xff, 0xf3, 0xff, 0xff, 0xff, 0xff, 0xff, 0xff, 0xff, 0xff, 0xff, 0xfe, 0x00, 0x78, 0xff, 0xf1, 0xff, 0xff, 0xff, 0xfa, 0x1f, 0xe0,
0xfb, 0xff, 0xff, 0xbf, 0xfa, 0xff, 0xff, 0xf7, 0xff, 0xff, 0xff, 0xff, 0xff, 0xff, 0xff, 0xff, 0xff, 0xff, 0x70, 0xb8, 0xff, 0xff, 0xff, 0xff, 0xff, 0xf9, 0xc0, 0x40,
0xfb, 0x9f, 0xff, 0xbf, 0xfa, 0xff, 0xff, 0xf7, 0xff, 0xff, 0xff, 0xff, 0xff, 0xff, 0xff, 0xff, 0xff, 0xfe, 0xc4, 0x3a, 0xff, 0xff, 0xff, 0xff, 0xff, 0xf8, 0x7e, 0x00,
0xfb, 0xaf, 0xff, 0xff, 0xff, 0xff, 0xbf, 0xf7, 0xff, 0xff, 0xff, 0xff, 0xff, 0xff, 0xff, 0xff, 0xff, 0xfd, 0x89, 0x3a, 0xff, 0xff, 0xfd, 0xff, 0xff, 0xfb, 0x01, 0x00,
0xfb, 0x73, 0xff, 0xff, 0xff, 0xff, 0xbf, 0xf7, 0xff, 0xff, 0xff, 0xff, 0xff, 0xff, 0xff, 0xff, 0xff, 0xfd, 0x50, 0x36, 0xff, 0xd6, 0x75, 0x3c, 0x9f, 0xfb, 0xf1, 0x00,
0xf8, 0xfd, 0xff, 0xff, 0xfd, 0xff, 0xbf, 0xff, 0xff, 0xfd, 0xff, 0xff, 0xff, 0xff, 0xff, 0xff, 0xff, 0xfd, 0x25, 0xb6, 0xff, 0xd6, 0x87, 0xfa, 0xaf, 0xfb, 0x8a, 0x00,
0xf9, 0xfe, 0xff, 0xff, 0xfd, 0xff, 0xbf, 0xff, 0xff, 0xfe, 0xff, 0xff, 0xff, 0xff, 0xff, 0xff, 0xff, 0xfe, 0x6a, 0x30, 0xff, 0xe3, 0xbf, 0xfe, 0xef, 0xf8, 0x32, 0x00,
0xfb, 0xfe, 0xff, 0xdf, 0xfd, 0xff, 0xbf, 0xff, 0xff, 0xff, 0x7f, 0xff, 0xff, 0xff, 0xff, 0xff, 0xff, 0xfd, 0x50, 0x37, 0xff, 0xea, 0xb7, 0x38, 0x9f, 0xf6, 0x44, 0x00,
0xfb, 0xff, 0x7f, 0xff, 0xfd, 0x7f, 0xff, 0xfb, 0xff, 0xff, 0xbf, 0xff, 0xff, 0xff, 0xff, 0xff, 0xff, 0xfa, 0xe8, 0xa6, 0x7f, 0xfb, 0x7f, 0x7e, 0xdf, 0xf3, 0xcc, 0x00,
0xfb, 0xff, 0x7f, 0xdf, 0xfd, 0xff, 0xff, 0xfb, 0xff, 0xff, 0xdf, 0xff, 0xff, 0xff, 0xff, 0xff, 0xff, 0xf6, 0xd9, 0xed, 0x7f, 0xff, 0xff, 0xf9, 0xff, 0xf4, 0xd8, 0x00,
0xfb, 0xbf, 0x7f, 0xff, 0xff, 0xff, 0xdf, 0xfb, 0xff, 0xff, 0xef, 0xff, 0xff, 0xff, 0xff, 0xff, 0xff, 0xef, 0x1c, 0xcd, 0x7f, 0xff, 0xff, 0xff, 0xff, 0xf7, 0xb8, 0x00,
0xf9, 0xff, 0x7f, 0xff, 0xff, 0xff, 0xdf, 0xfb, 0xff, 0xff, 0xff, 0xff, 0xff, 0xff, 0xff, 0xff, 0xff, 0xde, 0x7e, 0x5b, 0x7f, 0xff, 0xff, 0xfd, 0xff, 0xf6, 0x38, 0x00,
0xf9, 0xff, 0xff, 0xff, 0xfe, 0xff, 0xdf, 0xfb, 0xff, 0xff, 0xf7, 0xff, 0xff, 0xff, 0xff, 0xff, 0xff, 0x9d, 0xfd, 0xdb, 0x7f, 0xff, 0xbf, 0xfd, 0xff, 0xf0, 0x70, 0x00,
0xfb, 0xfc, 0xff, 0xff, 0xfe, 0xff, 0xdf, 0xfb, 0xff, 0xff, 0xfb, 0xff, 0xff, 0xff, 0xff, 0xff, 0xff, 0x7f, 0xbd, 0xf7, 0x7f, 0xfe, 0x26, 0xa5, 0xff, 0xf0, 0xf0, 0x00,
...
This file has been truncated, please download it to see its full contents.
Manga Reader ESP8266
*PCBWay community is a sharing platform. We are not responsible for any design issues and parameter issues (board thickness, surface finish, etc.) you choose.
Raspberry Pi 5 7 Inch Touch Screen IPS 1024x600 HD LCD HDMI-compatible Display for RPI 4B 3B+ OPI 5 AIDA64 PC Secondary Screen(Without Speaker)
BUY NOW- Comments(0)
- Likes(1)
-
Engineer
Dec 19,2025
- 0 USER VOTES
- YOUR VOTE 0.00 0.00
- 1
- 2
- 3
- 4
- 5
- 6
- 7
- 8
- 9
- 10
- 1
- 2
- 3
- 4
- 5
- 6
- 7
- 8
- 9
- 10
- 1
- 2
- 3
- 4
- 5
- 6
- 7
- 8
- 9
- 10
- 1
- 2
- 3
- 4
- 5
- 6
- 7
- 8
- 9
- 10
More by Arnov Arnov sharma
-
Pocket SNES
Greetings everyone, and welcome back! Today, I’ve got something fun and tiny to share—the Pocket SNE...
-
Batocera Arcade Box
Greetings everyone and welcome back, Here's something. Fun and nostalgic. Right now, we are using ou...
-
64x32 Matrix Panel Setup with PICO 2
Greetings everyone and welcome back.So here's something fun and useful: a Raspberry Pi Pico 2-powere...
-
Portable Air Quality Meter
Hello everyone, and welcome back! Today, I have something incredibly useful for you—a Portable Air Q...
-
WALKPi PCB Version
Greetings everyone and welcome back, This is the WalkPi, a homebrew audio player that plays music fr...
-
Delete Button XL
Greetings everyone and welcome back, and here's something fun and useful.In essence, the Delete Butt...
-
Arduino Retro Game Controller
Greetings everyone and welcome back. Here's something fun.The Arduino Retro Game Controller was buil...
-
Super Power Buck Converter
Greetings everyone and welcome back!Here's something powerful, The SUPER POWER BUCK CONVERTER BOARD ...
-
Pocket Temp Meter
Greetings and welcome back.So here's something portable and useful: the Pocket TEMP Meter project.As...
-
Pico Powered DC Fan Driver
Hello everyone and welcome back.So here's something cool: a 5V to 12V DC motor driver based around a...
-
Mini Solar Light Project with a Twist
Greetings.This is the Cube Light, a Small and compact cube-shaped emergency solar light that boasts ...
-
PALPi V5 Handheld Retro Game Console
Hey, Guys what's up?So this is PALPi which is a Raspberry Pi Zero W Based Handheld Retro Game Consol...
-
DIY Thermometer with TTGO T Display and DS18B20
Greetings.So this is the DIY Thermometer made entirely from scratch using a TTGO T display board and...
-
Motion Trigger Circuit with and without Microcontroller
GreetingsHere's a tutorial on how to use an HC-SR505 PIR Module with and without a microcontroller t...
-
Motor Driver Board Atmega328PU and HC01
Hey, what's up folks here's something super cool and useful if you're making a basic Robot Setup, A ...
-
Power Block
Hey Everyone what's up!So this is Power block, a DIY UPS that can be used to power a bunch of 5V Ope...
-
Goku PCB Badge V2
Hey everyone what's up!So here's something SUPER cool, A PCB Board themed after Goku from Dragon Bal...
-
RGB Mixinator V2
Hey Everyone how you doin!So here's a fun little project that utilizes an Arduino Nano, THE MIXINATO...
-
-
ARPS-2 – Arduino-Compatible Robot Project Shield for Arduino UNO
899 0 2 -
-
A Compact Charging Breakout Board For Waveshare ESP32-C3
1461 3 6 -
AI-driven LoRa & LLM-enabled Kiosk & Food Delivery System
1417 2 0 -
-
-
-
ESP32-C3 BLE Keyboard - Battery Powered with USB-C Charging
1599 0 1 -
-
mammoth-3D SLM Voron Toolhead – Manual Drill & Tap Edition
1213 0 1







