|
Autodesk Fusion 360Autodesk
|
Makeshift Portable Light 20W
Hey everyone what's up?
So here's something useful, an Outdoor Portable Light Setup that can be used while camping or during blackouts.


This Setup is completely made from scratch, even the LED Boards and its battery pack both are reused projects that I made in past.
This Article is about its built process so let's get started.
Material Required
Following are the materials used in this built-
- Studio Light LED Board x 2
- Megapack Battery Pack x 1
- Metal Sheet
- M2 PCB Mount 15mm Long x 4
- M2 PCB Mount 60mm Long x 8
- M2 Bolts
- M2 Nuts
- Mosfet Board Custom PCB
- A04406A Mosfet IC
- JST Connector
- 3D Printed Parts
- Rocker Switch
Concept


Almost a year ago, I made a Studio Light Project that was an LED Board containing a few LEDs that were driven by an Onboard LED Driver IC Setup, been using this for lighting up my desk for a small photoshoot.
A few weeks ago, I prepared a battery pack setup that was made from PCBs and was capable enough to drive big loads.
By combining them both, we can make a portable Lighting setup that can be used outside during camping or it can be used during a blackout which is pretty common here in India.
The whole idea revolves around using existing projects to make a new one by reusing stuff.
BLOCK DIAGRAM

This Setup is pretty simple, there are two LED Boards connected in parallel with Megapack which is the portable power source.
Switches are being used to toggle each LED Board, however, these switches are not manual ones. Mosfet Switches are being used to control both LED boards.
There's a Mosfet Board that toggles the LED Board by using two rocker switches.
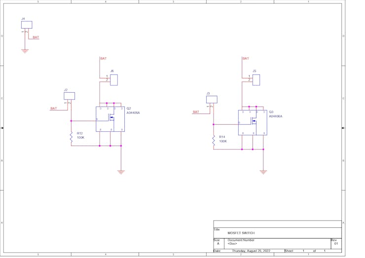
Mosfet Board


This is the Mosfet Board and it consists of two AO4406A which is an N channel Mosfet that comes in SOIC 8 package.
It's a switching mosfet that can operate up to 30V with a max current of 13A.
Datasheet- http://www.aosmd.com/res/data_sheets/AO4406A.pdf
Mosfet as Switch setup is being used here to drive the LED Board, there's a CON2 Port for adding a switch with this setup.
The switch connects the Gate of the mosfet to the positive terminal of the battery and this triggers the mosfet.
You might be thinking, why not use the Rocker switch alone instead of using a MOSFET switch?
Using Rocker Switch directly with LED Board will work for a while but after a few days of usage, the rocker switch's internal connection points will deteriorate because of DC Voltage and this will cause blinking in the LED Board operation. These Rocker Switches are made for AC Operation so it's not recommended to use them in DC Applications, DC Rocker switches are available but they are much more costly so it's wise to use a Mosfet switch instead.
I first prepare the schematic and then converted it into a board file.
Later I finalized the board and gave it to PCBWAY for samples.
PCBWAY


After Finalizing the PCB, I sent the Gerber data to PCBWAY for samples.
I choose RED Soldermask for this project with a White silkscreen.
The quality of the PCBs was awesome as always.
Been using their service for a while and I have to say, it's pretty decent for getting started.
Checkout PCBWAY from here- https://www.pcbway.com/
PCB Assembly



- We start the PCB Assembly process by first adding the solder paste to both pads of IC. A Solderpaste Dispensing Needle with a Wide syringe is being used here to apply the solder paste. The solder paste that is being used is a regular solder paste consisting of 63% Tin and 37% Lead.
- Next, we place the SMD IC on the PCB by using an ESD Tweezer.
- We then lift the board and put it on a Reflow Hotplate for melting the solderpaste.
- PCB is now completed for the final assembly
3D Printed parts




As for the 3D Parts, I made a total of 4 parts that were the switch holder, Back Rest, Holding Bracket, and wall mount.
The switch holder was made for holding two rocker switches and mounting them with the metal sheet.
The backrest supports the whole light from the back side so it can be placed in an upfront position.
The holding bracket was made for carrying it around and the wall mount lets us place the light on any wall through a nail or screw.
PLA was used to print all parts with a 1mm Nozzle at 0.32 Layer height with a 40% Infill.
Main Assembly









The main assembly contains the following steps-
- We first make 8 mounting holes in the metal sheet for the two LED Boards and the battery pack. 2 holes each for LED Board and 4 holes for the battery pack.
- Then we add four PCB Mounts for adding the battery pack.
- Next, we add four more PCB Mounts for the LED Board.
- After adding PCB mounts on both sides of the metal sheet, we first add both LED boards on one side by using 2 M2 Bolts for each LED Board.
- Next, we place the battery pack on the PCB mounts on the Bottom side and use four more PCB Mounts to hold the pack in its place.
Adding the Mosfet Circuit





- Now we first connect the First Light and battery pack along with a rocker switch to the mosfet board in order to check the operation.
- After making sure that the first light works, we add the second light's positive and negative terminal to the mosfet board and add another rocker switch for the second light.
- Then we place the mosfet board in its mounting position and use two M2 Screws to permanently hold the circuit with the metal sheet.
Switch Holder





- We now desolder the rocker switch from the mosfet board and add them into the switch holder.
- After this, we reconnect the rocker switch wires with the mosfet board.
- Next, we use an M2 Screw to mount the Switch holder to the metal sheet.
Holding Bracket



- Next, we place the holding bracket in its place by adding two M2 Screws to the metal sheet.
BackRest Part



- Now we add the backrest to the setup by first undoing the screws from the back of the PCB.
- We then add the backrest to the PCB and secure everything with M2 Screws.
Wallmount



- At last, we add the wall mount to the setup by undoing the screws from the back side of the PCB and then adding the wall mount onto the board.
RESULT




- Here's the result of this build, Each LED side runs at a power of 10W and there are two of them.
- Both LED side contains a separate LED Driver (SIC9301A) that is set to drive 30 LEDs each driving 0.5W of power.
- LEDs are arranged in 3 Series 10 Parallel configuration.
- 30 x 0.5W = 15W, but the driver is also tuned so it's set at lower power output. (It contains Current Limiting Resistors to reduce the current and limit the power of led)
- The battery pack that I made also contains an ON board buck converter that is based around MPS2314 IC which bucks down 12V to 5V 2A for powering XYZ stuff through USB.
- By using the Wall mount, we can hang its setup on the wall and use it for illuminating the front side, this can even be used as a video or studio light.
Testing


As for actual Testing, I added a Multimeter in series between the battery source and LED Driver Input and set the multimeter in Ammeter mode, and then measured voltage across the driver input.
Below are the readings I got-
- Each LED Board draws at least 0.9A, Both of them together draw 1.8A.
- LED Driver takes 10.56V, This voltage varies based on the battery charge state.
- Power of both LED Setup is 10.56V x 1.8A = 19W
If the battery Voltage increase, the current that LED Driver draws reduces.
Practical Use of this setup
We can carry this setup outside and use it to illuminate any dark area for example, here's me outside.

Also, we can use it during a blackout or as a camping light.
It even has a 5V USB output so we can power anything with it like a smartphone for example.
Overview

After using this light setup for a week now, here is my review.
It works but it doesnt have a diffusion layer so it hurts if we look directly into the leds.
In theory, the backup should be 3.4 Hours.
19W is what this light consumes per hour, Battery Pack is a 12.6V 5.2Ah Pack, and the total power that we can get from this pack will be 12.6V x 5.2Ah = 65.5Wh.
The backup of this light will be 65.5/19 = 3.4 Hours.
The actual backup that I'm getting is between 2 Hours 30 Mins and 3 Hours, It's lower than the theoretical backup as each cell has its own Internal Resistance and that might be the reason why cells are getting discharged in OFF State.
Well, this is it for today folks.
Thanks PCBWAY for supporting this project, do check them out if you need great PCB Service at an affordable price.
Thanks again and peace out.
Makeshift Portable Light 20W
*PCBWay community is a sharing platform. We are not responsible for any design issues and parameter issues (board thickness, surface finish, etc.) you choose.
Raspberry Pi 5 7 Inch Touch Screen IPS 1024x600 HD LCD HDMI-compatible Display for RPI 4B 3B+ OPI 5 AIDA64 PC Secondary Screen(Without Speaker)
BUY NOW- Comments(1)
- Likes(0)
- 1 USER VOTES
- YOUR VOTE 0.00 0.00
- 1
- 2
- 3
- 4
- 5
- 6
- 7
- 8
- 9
- 10
- 1
- 2
- 3
- 4
- 5
- 6
- 7
- 8
- 9
- 10
- 1
- 2
- 3
- 4
- 5
- 6
- 7
- 8
- 9
- 10
- 1
- 2
- 3
- 4
- 5
- 6
- 7
- 8
- 9
- 10
-
7design
-
7usability
-
7creativity
-
7content
More by Arnov Arnov sharma
-
Pocket SNES
Greetings everyone, and welcome back! Today, I’ve got something fun and tiny to share—the Pocket SNE...
-
Batocera Arcade Box
Greetings everyone and welcome back, Here's something. Fun and nostalgic. Right now, we are using ou...
-
64x32 Matrix Panel Setup with PICO 2
Greetings everyone and welcome back.So here's something fun and useful: a Raspberry Pi Pico 2-powere...
-
Portable Air Quality Meter
Hello everyone, and welcome back! Today, I have something incredibly useful for you—a Portable Air Q...
-
WALKPi PCB Version
Greetings everyone and welcome back, This is the WalkPi, a homebrew audio player that plays music fr...
-
Delete Button XL
Greetings everyone and welcome back, and here's something fun and useful.In essence, the Delete Butt...
-
Arduino Retro Game Controller
Greetings everyone and welcome back. Here's something fun.The Arduino Retro Game Controller was buil...
-
Super Power Buck Converter
Greetings everyone and welcome back!Here's something powerful, The SUPER POWER BUCK CONVERTER BOARD ...
-
Pocket Temp Meter
Greetings and welcome back.So here's something portable and useful: the Pocket TEMP Meter project.As...
-
Pico Powered DC Fan Driver
Hello everyone and welcome back.So here's something cool: a 5V to 12V DC motor driver based around a...
-
Mini Solar Light Project with a Twist
Greetings.This is the Cube Light, a Small and compact cube-shaped emergency solar light that boasts ...
-
PALPi V5 Handheld Retro Game Console
Hey, Guys what's up?So this is PALPi which is a Raspberry Pi Zero W Based Handheld Retro Game Consol...
-
DIY Thermometer with TTGO T Display and DS18B20
Greetings.So this is the DIY Thermometer made entirely from scratch using a TTGO T display board and...
-
Motion Trigger Circuit with and without Microcontroller
GreetingsHere's a tutorial on how to use an HC-SR505 PIR Module with and without a microcontroller t...
-
Motor Driver Board Atmega328PU and HC01
Hey, what's up folks here's something super cool and useful if you're making a basic Robot Setup, A ...
-
Power Block
Hey Everyone what's up!So this is Power block, a DIY UPS that can be used to power a bunch of 5V Ope...
-
Goku PCB Badge V2
Hey everyone what's up!So here's something SUPER cool, A PCB Board themed after Goku from Dragon Bal...
-
RGB Mixinator V2
Hey Everyone how you doin!So here's a fun little project that utilizes an Arduino Nano, THE MIXINATO...
-
ARPS-2 – Arduino-Compatible Robot Project Shield for Arduino UNO
375 0 0 -
A Compact Charging Breakout Board For Waveshare ESP32-C3
722 3 6 -
AI-driven LoRa & LLM-enabled Kiosk & Food Delivery System
701 2 0 -
-
-
-
ESP32-C3 BLE Keyboard - Battery Powered with USB-C Charging
919 0 1 -
-
mammoth-3D SLM Voron Toolhead – Manual Drill & Tap Edition
781 0 1 -
-
AEL-2011 Power Supply Module
1532 0 2







