|
arduino IDEArduino
|
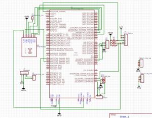
Arduino mega rfid based door lock system shield
This is a great board to make a good security lock, after this project no one can come into our room without permit. An RFID based door lock can be too messy as there are many wires but using this simple shield you can get this project in a compact form factor and better reliability
So what are you waiting for order 10 pcs of quality pcbs just for $5 from PcbWay.
LIKE, SHARE, VOTE, FOLLOW, AND KEEP ON ORDERING YOUR OWN PRINTED CIRCUIT BOARDS.
code is given so check that out to complete the project even faster
THANK YOU
Arduino mega rfid based door lock system shield
*PCBWay community is a sharing platform. We are not responsible for any design issues and parameter issues (board thickness, surface finish, etc.) you choose.
Raspberry Pi 5 7 Inch Touch Screen IPS 1024x600 HD LCD HDMI-compatible Display for RPI 4B 3B+ OPI 5 AIDA64 PC Secondary Screen(Without Speaker)
BUY NOW- Comments(0)
- Likes(0)
- 0 USER VOTES
- YOUR VOTE 0.00 0.00
- 1
- 2
- 3
- 4
- 5
- 6
- 7
- 8
- 9
- 10
- 1
- 2
- 3
- 4
- 5
- 6
- 7
- 8
- 9
- 10
- 1
- 2
- 3
- 4
- 5
- 6
- 7
- 8
- 9
- 10
- 1
- 2
- 3
- 4
- 5
- 6
- 7
- 8
- 9
- 10
More by Robo Bug
-
variable buck power supply module
This is a variable power supply board using LM317 voltage regulator. The voltage can be easily adjus...
-
Magic Wand
All the 5 leds will glow when you press that button. It is a great project for school and colleges. ...
-
Arduino mega rfid based door lock system shield
This is a great board to make a good security lock, after this project no one can come into our room...
-
Arduino uno shield with ultrasonic sensor and LCD display
A portable device that can measure distance, Very simple code and one of the best projects. And afte...
-
a general pcb for most projects also the best if you want to learn to solder smd and tht components
this pcb does not have any connections so you can use it in multiple projects it just gives you boar...
-
5v ac to dc power supply pcb
A simple DIY 5v project which not only improves your working skills but you can also use this as a g...
-
your own arduino project
this project is the best for beginners to advanced making your own arduino is a dream which everyone...
-
transisterized timer pcb
transistorized timer project using capacitor resistor transistor led etc
-
-
ARPS-2 – Arduino-Compatible Robot Project Shield for Arduino UNO
899 0 2 -
-
A Compact Charging Breakout Board For Waveshare ESP32-C3
1460 3 6 -
AI-driven LoRa & LLM-enabled Kiosk & Food Delivery System
1416 2 0 -
-
-
-
ESP32-C3 BLE Keyboard - Battery Powered with USB-C Charging
1598 0 1 -
-
mammoth-3D SLM Voron Toolhead – Manual Drill & Tap Edition
1212 0 1







