JF Sebastian
SERBIA, REPUBLIC OF • + Follow
Edit Project
Description
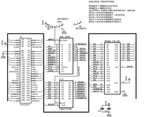
128k RAM expansion
BOM list:
1 x HM628128
1 x GAL20V8
1 x 74HCT273
2 x 100nF ceramic capacitor (C2, C3)
1 x 330R resistor (R1)
1 x 1k resistor (R2)
2 x LED diode (D1, D2)
1 x switch (SW1)
A single wire mod to your ZX Spectrum 48k is required to disable the 32k upper RAM
For Issue 2/3/4 connect pin 5 on IC23 (74LS32) to pin 14 (+5V)
For Issue 6 connect pin 35 on IC27 (ZX8401) to pin 40 (+5V)
Designed by Jiří Veleba
Code
Mar 26,2026
231 views
128k RAM expansion
Upgrade ZX Spectrum 48k with 128kB of RAM
https://github.com/goloskokovic/zx16to128upgrade
231
1
0
Published: Mar 26,2026
Standard PCB
Download Gerber file 7
Purchase
Donation Received ($)
PCBWay Donate 10% cost To Author
Only PCB
*PCBWay community is a sharing platform. We are not responsible for any design issues and parameter issues (board thickness, surface finish, etc.) you choose.
Copy this HTML into your page to embed a link to order this shared project
Copy
Under the
CERN-OHL-P-2.0
License.
Raspberry Pi 5 7 Inch Touch Screen IPS 1024x600 HD LCD HDMI-compatible Display for RPI 4B 3B+ OPI 5 AIDA64 PC Secondary Screen(Without Speaker)
BUY NOW
Topic
- Comments(0)
- Likes(1)
Upload photo
You can only upload 5 files in total. Each file cannot exceed 2MB. Supports JPG, JPEG, GIF, PNG, BMP
0 / 10000
It looks like you have not written anything. Please add a comment and try again.
You can upload up to 5 images!
Image size should not exceed 2MB!
File format not supported!
View More
-
(DIY) C64iSTANBUL
Mar 27,2026
View More
VOTING
0 votes
- 0 USER VOTES
0.00
- YOUR VOTE 0.00 0.00
- 1
- 2
- 3
- 4
- 5
- 6
- 7
- 8
- 9
- 10
Design
1/4
- 1
- 2
- 3
- 4
- 5
- 6
- 7
- 8
- 9
- 10
Usability
2/4
- 1
- 2
- 3
- 4
- 5
- 6
- 7
- 8
- 9
- 10
Creativity
3/4
- 1
- 2
- 3
- 4
- 5
- 6
- 7
- 8
- 9
- 10
Content
4/4
More by JF Sebastian
You may also like
-
-
ARPS-2 – Arduino-Compatible Robot Project Shield for Arduino UNO
2194 0 5 -
-
A Compact Charging Breakout Board For Waveshare ESP32-C3
2699 3 7 -
AI-driven LoRa & LLM-enabled Kiosk & Food Delivery System
2890 2 0 -
-
-
-
ESP32-C3 BLE Keyboard - Battery Powered with USB-C Charging
2909 0 2 -
-







