3D Printer Extruder Interface Board
Interface board to neatly organize your connection between your Extruder and the 3D printer control board.
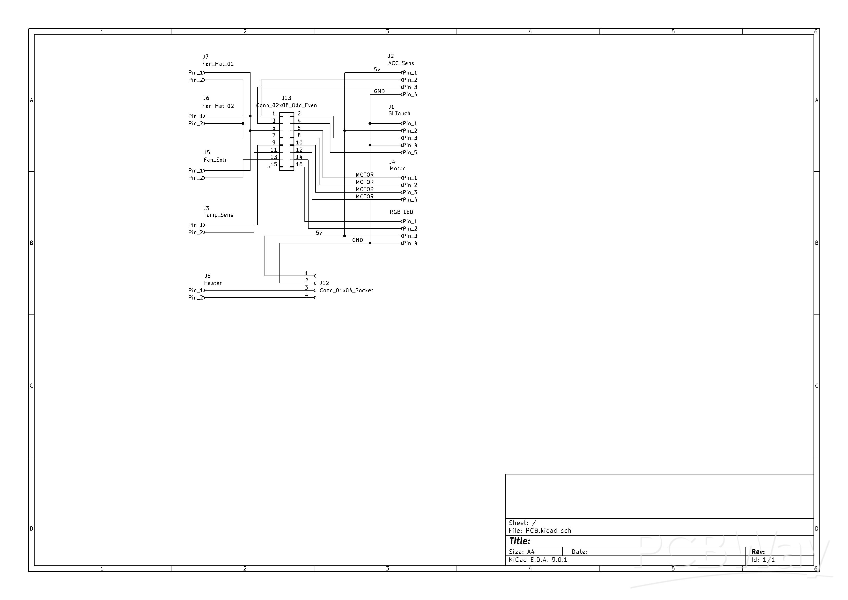
It contains connectors for
2x / dual side material fan (JST-XH)
1x Extruder fan (JST-XH)
1x Heater connector (DIN connector)
1x Temp Sensor (JST-XH - 2p)
1x STepper Motor connector (JST-XH, 4p)
1x BLTouch (JST-XH, 5p)
1x Acceleration Sensor (JST-XH, 4p / USB)
1x RGB LED header 4p (5v, GND, RGB_In, RGB_Out)
1x Main connector (2x8 Pin Header, 2,54mm) for 15 core cables (so you can use that old VGA cable you have lying around)
4x Solder pads for Power (24v/GND & 5V/GND)
3D Printer Extruder Interface Board
*PCBWay community is a sharing platform. We are not responsible for any design issues and parameter issues (board thickness, surface finish, etc.) you choose.
Raspberry Pi 5 7 Inch Touch Screen IPS 1024x600 HD LCD HDMI-compatible Display for RPI 4B 3B+ OPI 5 AIDA64 PC Secondary Screen(Without Speaker)
BUY NOW- Comments(1)
- Likes(0)
- 0 USER VOTES
- YOUR VOTE 0.00 0.00
- 1
- 2
- 3
- 4
- 5
- 6
- 7
- 8
- 9
- 10
- 1
- 2
- 3
- 4
- 5
- 6
- 7
- 8
- 9
- 10
- 1
- 2
- 3
- 4
- 5
- 6
- 7
- 8
- 9
- 10
- 1
- 2
- 3
- 4
- 5
- 6
- 7
- 8
- 9
- 10
More by Engineer
-
A Compact Charging Breakout Board For Waveshare ESP32-C3
524 3 4 -
AI-driven LoRa & LLM-enabled Kiosk & Food Delivery System
511 2 0 -
-
-
-
ESP32-C3 BLE Keyboard - Battery Powered with USB-C Charging
718 0 1 -
-
mammoth-3D SLM Voron Toolhead – Manual Drill & Tap Edition
688 0 1 -
-
AEL-2011 Power Supply Module
1370 0 2 -
AEL-2011 50W Power Amplifier
1246 0 2







