Patrick W.
UNITED STATES OF AMERICA • + Follow
Edit Project
Tools, APP Software Used etc.
|
fusion360 |
|
|
Home Assistant OS |
|
|
Esp Home Home Assistant AddonEsp Home
|
Description
MaxxFan Controller for Home Assistant
MaxxFan Controller for Home Assistant
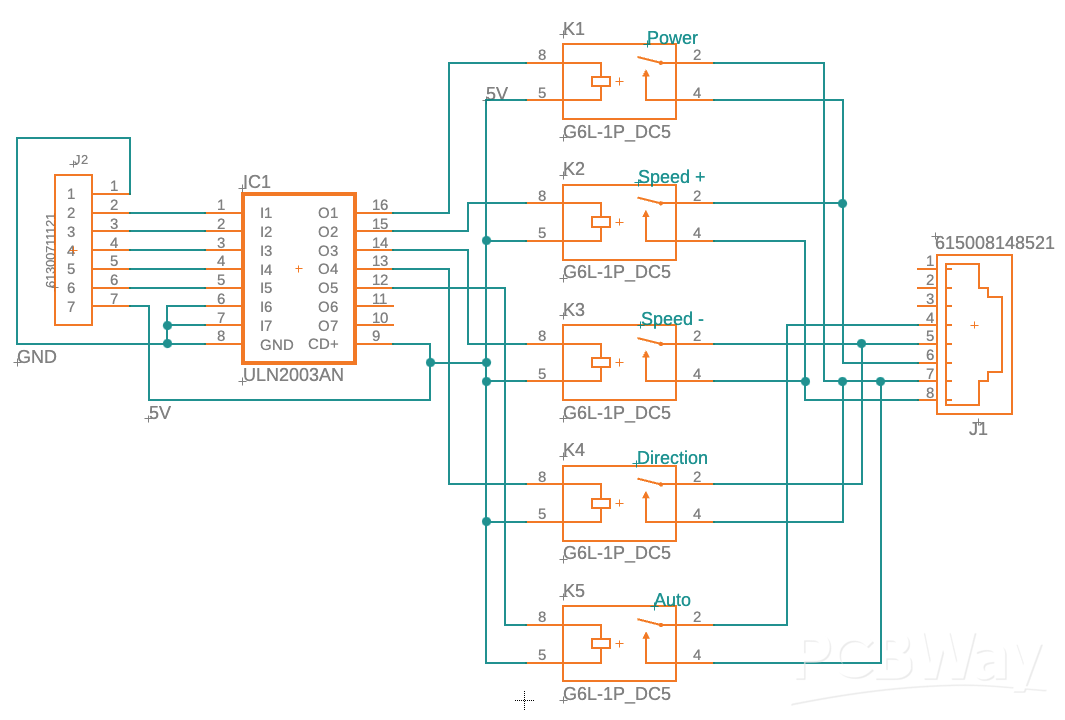
The MaxxFan is a great ventilation solution for RVs, but it lacks smart home capabilities. This controller bridges that gap by emulating the wall-mount remote control interface through an RJ-45 connection, bringing smart automation to your RV ventilation system.
Features:
- Full control over MaxxFan operations:
- Power on/off
- Hood open/close
- Air direction (intake/exhaust)
- Fan speed control (10-100%)
- Seamless Home Assistant integration
- Simple RJ-45 connection to existing MaxxFan system
The ESPhome YAML, code, and Fusion360 Files are in the linked GitHub Repo.
Schematic and Layout
Feb 15,2025
1,225 views
MaxxFan Controller for Home Assistant
2 Layers PCB 29.3 x 61.8 mm FR-4, 1.6 mm, 1, HASL with lead, Black Solder Mask, White silkscreen
ESP32-based Home Assistant controller for MaxxFan - automate your RV ventilation with smart home integration
1225
1
0
Published: Feb 15,2025
Standard PCB
Download Gerber file 13
BOM(Bill of materials)
Purchase
Donation Received ($)
PCBWay Donate 10% cost To Author
File Last Updated: 2025/02/15 (GMT+8)
File update record
2025-02-1507:48:54
Parts List (BOM) is updated.
Only PCB
PCB+Assembly
*PCBWay community is a sharing platform. We are not responsible for any design issues and parameter issues (board thickness, surface finish, etc.) you choose.
Copy this HTML into your page to embed a link to order this shared project
Copy
Under the
Attribution-MIT
License.
Raspberry Pi 5 7 Inch Touch Screen IPS 1024x600 HD LCD HDMI-compatible Display for RPI 4B 3B+ OPI 5 AIDA64 PC Secondary Screen(Without Speaker)
BUY NOW- Comments(0)
- Likes(1)
Upload photo
You can only upload 5 files in total. Each file cannot exceed 2MB. Supports JPG, JPEG, GIF, PNG, BMP
0 / 10000
It looks like you have not written anything. Please add a comment and try again.
You can upload up to 5 images!
Image size should not exceed 2MB!
File format not supported!
View More
-
Engineer
Aug 30,2025
View More
VOTING
0 votes
- 0 USER VOTES
0.00
- YOUR VOTE 0.00 0.00
- 1
- 2
- 3
- 4
- 5
- 6
- 7
- 8
- 9
- 10
Design
1/4
- 1
- 2
- 3
- 4
- 5
- 6
- 7
- 8
- 9
- 10
Usability
2/4
- 1
- 2
- 3
- 4
- 5
- 6
- 7
- 8
- 9
- 10
Creativity
3/4
- 1
- 2
- 3
- 4
- 5
- 6
- 7
- 8
- 9
- 10
Content
4/4
More by Patrick W.
You may also like
-
ARPS-2 – Arduino-Compatible Robot Project Shield for Arduino UNO
376 0 0 -
A Compact Charging Breakout Board For Waveshare ESP32-C3
723 3 6 -
AI-driven LoRa & LLM-enabled Kiosk & Food Delivery System
701 2 0 -
-
-
-
ESP32-C3 BLE Keyboard - Battery Powered with USB-C Charging
919 0 1 -
-
mammoth-3D SLM Voron Toolhead – Manual Drill & Tap Edition
781 0 1 -
-
AEL-2011 Power Supply Module
1533 0 2







