Daniel Aeschbach
SWITZERLAND • + Follow
Edit Project
Description
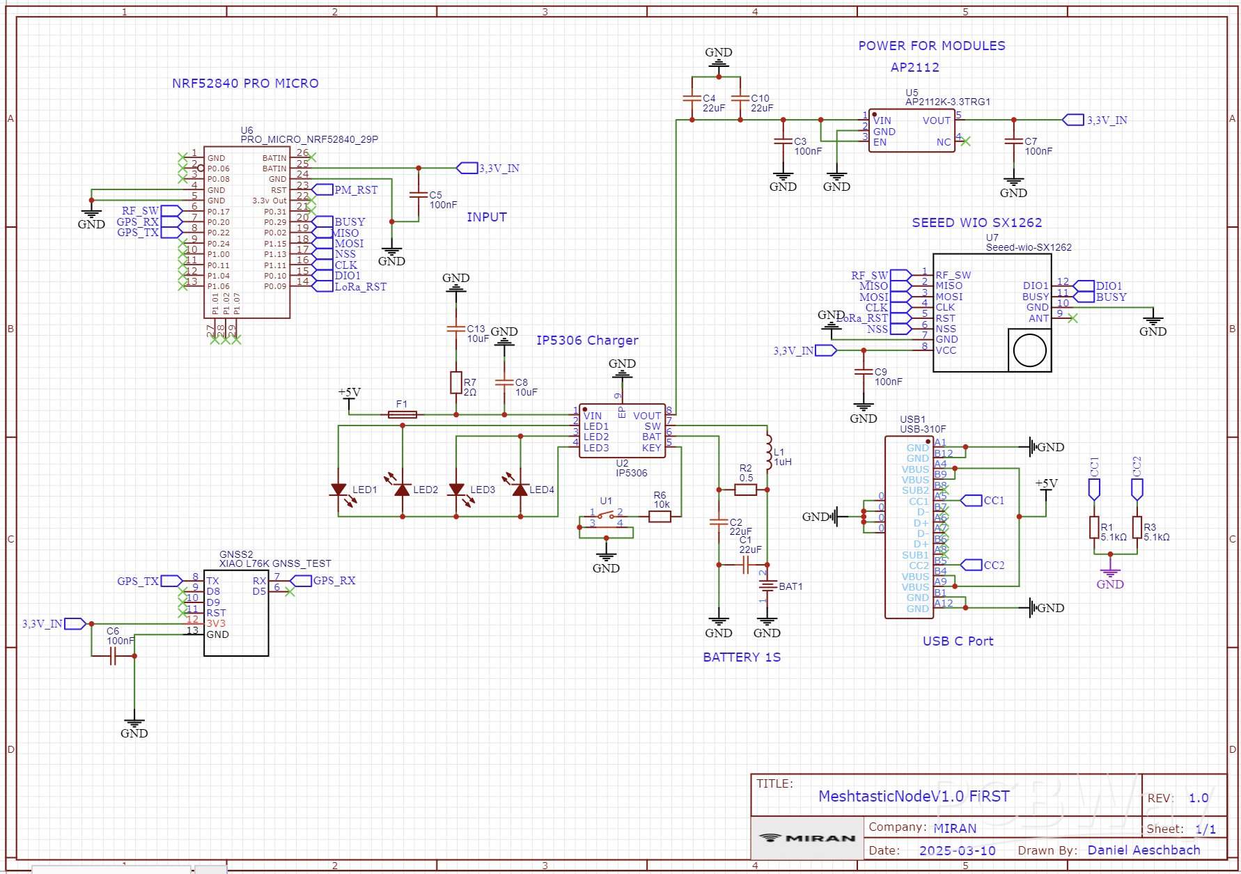
Meshtastic Compatible Node
This is a NRF52 Pro!Micro based Meshtastic Compatible Node. It has a IP5306 charging chip with 4 status Leds. Features of the Board are GPS and an SX1262 Seeedstudio LoRa Transceiver.
Have fun and be careful when handling with LiIOn Battery Cells.
IMPORTANT!!!
Please flash the Pro Micro before Soldering to the Board, do not connect the USB of the Pro!Micro while it is soldered on this can result in permanent damage.
Schematic and Layout
May 23,2025
1,539 views
Meshtastic Compatible Node
It is a Meshtastic Compatible NRF52840 powered Node with GPS and a SX1262 Transceiver for LoRa, fully functional and tested.
1539
2
0
Published: May 23,2025
Standard PCB
Download Gerber file 30
BOM(Bill of materials)
Centroid file
Purchase
Donation Received ($)
PCBWay Donate 10% cost To Author
File Last Updated: 2025/07/24 (GMT+8)
File update record
2025-07-2410:19:39
Centroid file is updated.
Only PCB
PCB+Assembly
*PCBWay community is a sharing platform. We are not responsible for any design issues and parameter issues (board thickness, surface finish, etc.) you choose.
Copy this HTML into your page to embed a link to order this shared project
Copy
Under the
Attribution-NonCommercial (CC BY-NC)
License.
Raspberry Pi 5 7 Inch Touch Screen IPS 1024x600 HD LCD HDMI-compatible Display for RPI 4B 3B+ OPI 5 AIDA64 PC Secondary Screen(Without Speaker)
BUY NOW- Comments(0)
- Likes(2)
Upload photo
You can only upload 5 files in total. Each file cannot exceed 2MB. Supports JPG, JPEG, GIF, PNG, BMP
0 / 10000
It looks like you have not written anything. Please add a comment and try again.
You can upload up to 5 images!
Image size should not exceed 2MB!
File format not supported!
View More
-
techstuff22
May 23,2025
-
PCBWay Support Team
May 23,2025
View More
VOTING
0 votes
- 0 USER VOTES
0.00
- YOUR VOTE 0.00 0.00
- 1
- 2
- 3
- 4
- 5
- 6
- 7
- 8
- 9
- 10
Design
1/4
- 1
- 2
- 3
- 4
- 5
- 6
- 7
- 8
- 9
- 10
Usability
2/4
- 1
- 2
- 3
- 4
- 5
- 6
- 7
- 8
- 9
- 10
Creativity
3/4
- 1
- 2
- 3
- 4
- 5
- 6
- 7
- 8
- 9
- 10
Content
4/4
More by Daniel Aeschbach
You may also like
-
-
ARPS-2 – Arduino-Compatible Robot Project Shield for Arduino UNO
877 0 2 -
-
A Compact Charging Breakout Board For Waveshare ESP32-C3
1439 3 6 -
AI-driven LoRa & LLM-enabled Kiosk & Food Delivery System
1384 2 0 -
-
-
-
ESP32-C3 BLE Keyboard - Battery Powered with USB-C Charging
1574 0 1 -
-
mammoth-3D SLM Voron Toolhead – Manual Drill & Tap Edition
1203 0 1







