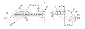
Lightfoot V3 LEFT Dropout adapter
YOU ALSO NEED TO BUY A RIGHT!
When purchasing;
- Select your quantity.
- material
- aluminium
- 6061
- Check the box, the part has threads!
- There is a .pdf attached to the design that gives the thread specs for the CNC guy.
- You just need to check the box
2x, M10x1.5, 18~20mm long bolts needed - here
or search online.
Lightfoot V3 650b rear dropout adapter to convert 700c to 650b rear end.
20mm drop maintains the BB height and frame geometry. 20mm forward tucks the rear wheel right under you for better stability.
https://poloverse.net/t/custom-dropouts-for-converting-700-rear-to-650/1169
wanna try a 650b front wheel??
https://www.pcbway.com/project/shareproject/650b_Crown_race_adaptor_efe08329.html
Get some kneecups!
Lightfoot V3 LEFT Dropout adapter
*PCBWay community is a sharing platform. We are not responsible for any design issues and parameter issues (board thickness, surface finish, etc.) you choose.
Raspberry Pi 5 7 Inch Touch Screen IPS 1024x600 HD LCD HDMI-compatible Display for RPI 4B 3B+ OPI 5 AIDA64 PC Secondary Screen(Without Speaker)
BUY NOW- Comments(0)
- Likes(0)
- 0 USER VOTES
- YOUR VOTE 0.00 0.00
- 1
- 2
- 3
- 4
- 5
- 6
- 7
- 8
- 9
- 10
- 1
- 2
- 3
- 4
- 5
- 6
- 7
- 8
- 9
- 10
- 1
- 2
- 3
- 4
- 5
- 6
- 7
- 8
- 9
- 10
- 1
- 2
- 3
- 4
- 5
- 6
- 7
- 8
- 9
- 10
More by Lachy T
-
USB C Pico powered 12 button Macropad
USB-C capable Raspberry Pi Pico. With female headers on board for expansion.daisychain USB /UART ove...
-
Lightfoot V3 LEFT Dropout adapter
YOU ALSO NEED TO BUY A RIGHT!When purchasing; Select your quantity. materialaluminium 6061Check the ...
-
Lightfoot V3 RIGHT Dropout adapter
YOU ALSO NEED TO BUY A LEFT!see images for manufacturing checkout. YOU MUST CHECK THE BOX THAT SAYS ...
-
650b Crown race adaptor
designed to fit the Lightfoot v3. This headset spacer is 20mm to suit the diameter difference in 700...
-
Tech-LED - pico/c powered
In a world of technology, grab yourself a classroom edition of the TECH-LED!Go and pickup a copy of ...
-
-
ARPS-2 – Arduino-Compatible Robot Project Shield for Arduino UNO
921 0 2 -
-
A Compact Charging Breakout Board For Waveshare ESP32-C3
1484 3 6 -
AI-driven LoRa & LLM-enabled Kiosk & Food Delivery System
1438 2 0 -
-
-
-
ESP32-C3 BLE Keyboard - Battery Powered with USB-C Charging
1625 0 1 -
-
mammoth-3D SLM Voron Toolhead – Manual Drill & Tap Edition
1224 0 1







