Tomi Mandala Putra
INDONESIA • + Follow
Edit Project
Description
IoT on website thinkspeak.com/Blynk
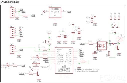
Schematic LINK https://duinoelektronik.blogspot.com/2019/04/reading-dht-11-sensor-data-on-blynk-app.html
Monitoring using ESP8266 and DHT11
Internet of DHT11 using ESP8266 on website thingspeak.com/Blynk
Reading DHT11 sensor data on Blynk App remotely
Mar 17,2019
827 views
IoT on website thinkspeak.com/Blynk
2 Layers PCB 42 x 80.3 mm FR-4, 1 mm, 1, HASL with lead, Black Solder Mask, White silkscreen
827
3
0
Published: Mar 17,2019
Standard PCB
Download Gerber file 16
Purchase
Donation Received ($)
PCBWay Donate 10% cost To Author
Only PCB
*PCBWay community is a sharing platform. We are not responsible for any design issues and parameter issues (board thickness, surface finish, etc.) you choose.
Copy this HTML into your page to embed a link to order this shared project
Copy
Under the
Attribution-ShareAlike (CC BY-SA)
License.
Raspberry Pi 5 7 Inch Touch Screen IPS 1024x600 HD LCD HDMI-compatible Display for RPI 4B 3B+ OPI 5 AIDA64 PC Secondary Screen(Without Speaker)
BUY NOW- Comments(0)
- Likes(3)
Upload photo
You can only upload 5 files in total. Each file cannot exceed 2MB. Supports JPG, JPEG, GIF, PNG, BMP
0 / 10000
It looks like you have not written anything. Please add a comment and try again.
You can upload up to 5 images!
Image size should not exceed 2MB!
File format not supported!
View More
-
DSsoporte
Oct 12,2019
-
Serkan GURSOY
Apr 18,2019
-
Krupko Valery Sabitovich
Mar 19,2019
View More
VOTING
0 votes
- 0 USER VOTES
0.00
- YOUR VOTE 0.00 0.00
- 1
- 2
- 3
- 4
- 5
- 6
- 7
- 8
- 9
- 10
Design
1/4
- 1
- 2
- 3
- 4
- 5
- 6
- 7
- 8
- 9
- 10
Usability
2/4
- 1
- 2
- 3
- 4
- 5
- 6
- 7
- 8
- 9
- 10
Creativity
3/4
- 1
- 2
- 3
- 4
- 5
- 6
- 7
- 8
- 9
- 10
Content
4/4
More by Tomi Mandala Putra
-
Minimum System 328p + Progremmer (USB Downloader/USBasp)
### DESCRIPTIONThis is board minimum system 328P, using progremmer USB Downloader (USBasp)Suport OS ...
-
Home Energy Monitoring System
This project can be applied for IoT-based home energy monitoring. The ease of this system can be don...
-
IoT Project ESP8266-12E
Temperature and humidity monitoring using DHT11 or DS18B20. Can be applied to the IoT (Internet of T...
-
Datalogger pH and Temperature
Project the pH and temperature measurement system with a data logger technique based on Arduino pro ...
-
IoT on website thinkspeak.com/Blynk
Schematic LINK https://duinoelektronik.blogspot.com/2019/04/reading-dht-11-sensor-data-on-blynk-app....
-
4 Digit seven segment (MAX7219)
### DESCRIPTIONDisplay 7-segment 4 digit using MAX 7219 DIP### TECHNICAL DETAILS / COMPONENTS### LEA...
-
USB Downloader USBasp
USB Downloader (USBasp)Componens:ATmega 8Male ISP 2x5Male 2x1 2 pcsResistor 1/2 watt 2k2Resistor 1/2...
-
DUE UNO Minimum System 328P
### DESCRIPTIONDUE UNO is the minimum system board that uses the ATmega 328 P chip. It is equipped w...
You may also like
-
ARPS-2 – Arduino-Compatible Robot Project Shield for Arduino UNO
381 0 0 -
A Compact Charging Breakout Board For Waveshare ESP32-C3
727 3 6 -
AI-driven LoRa & LLM-enabled Kiosk & Food Delivery System
704 2 0 -
-
-
-
ESP32-C3 BLE Keyboard - Battery Powered with USB-C Charging
923 0 1 -
-
mammoth-3D SLM Voron Toolhead – Manual Drill & Tap Edition
783 0 1 -
-
AEL-2011 Power Supply Module
1540 0 2
Bottom%20Soldermask
Top%20Soldermask
Bottom%20Copper
Bottom%20Silkscreen
Top%20Silkscreen
NC%20Drill
Top%20Copper
Bottom
Top







