Headphone amplifier LOTOS | Усилитель для наушников LOTOS
Автор проекта и статьи | Алексей Рослик (Alex Ground)
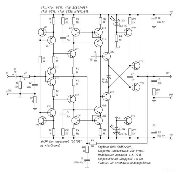
Схема

*компоненты Rx, Cx не требуют установки и заложены на печатной плате для возможности изменения коррекции.
Схема. предложенная автором. построена по известной и хорошо зарекомендовавшей себя топологии усилителей с ТОС. Главным достоинством этого решения является высокая скорость нарастания, что в свою очередь является одним из ключевых факторов влияющих на величину динамических искажений вносимых усилителем.
Ведь как известно, причиной возникновения динамических искажений в УМЗЧ является ограничение скорости нарастания выходного напряжения усилителя охваченного глубокой ООС. Токовая ОС, благодаря которой была получена высокая скорость нарастания, совместно с двухполюсной коррекцией позволяет минимизировать искажения вносимые усилителем в воспроизводимый сигнал.
Входной каскад представляет собой буфер на транзисторах VT4, VT5, VT7, VT8, и является типовым решением для усилителей с ТОС. Где высокоимпедансным входом являются базы транзисторов VT4, VT5, а низкоимпедансным ("токовым") точка соединения эмиттерных резисторов R12, R13 (транзисторов VT7, VT8). Входные повторители нагружены на источники тока на VT3 и VT6, которые задают режим по постоянному току как входному каскаду (ток покоя VT7, VT8 задан падением напряжения на б-э переходах транзисторов VT4, VT5 и примерно равен их току покоя), так и каскаду усиления напряжения.
Каскад усиления напряжения представляет собой токовые зеркала Вильсона с коэф.отражения 1 к 10 на транзисторах VT9...VT14, входным током для которых служит ток коллекторов транзисторов VT7, VT8 входного каскада.
Коррекция усилителя выполнена на элементах С3, С4, C6, R9, R10.
Выходной каскад представляет собой хорошо зарекомендовавший себя, особенно в работе с относительно высокоомной нагрузкой, параллельный усилитель. Его исключительная термостабильность позволяет использовать усилитель вовсе без радиатора, либо с небольшой пластинкой. Естественно для термостабилизации необходим хороший термоконтакт VT15 с VT19 и VT16 с VT20.
Ток покоя выходного каскада задан источниками тока на транзисторах VT17, VT18, на которые нагружены повторители VT16, VT15 соответственно. Несмотря на то, что по постоянному току каскады на транзисторах VT15 и VT16 являются однотактными, для переменного тока они представляют собой двухтактный повторитель (благодаря C7, VD1). Падение на б-э переходах этих транзисторов является источником смещения для выходных транзисторов VT19, VT20, потому ток покоя выходного каскада примерно равен току через VT15, VT16.
Технические характеристики
За неимением качественного измерительного оборудования, некоторые характеристики будут указаны на основании компьютерного моделирования схемы, они будут отмечены звёздочкой *.
Напряжение питания: +-6В...15В;
Полоса пропускания -3db: 3Гц - 850кГц*;
Выходная мощность: 1Вт;
Скорость нарастания выходного сигнала: 200В/мкС;
Глубина обратной связи: 68дБ/1кГц, 58дБ/20кГц*;
Диапазон допустимой нагрузки усилителя: 16 - 600 Ом.
Коэффициент нелинейных искажений (1 Вт 32 Ом):
На частоте 1кГц: 0.001%*;
На частоте 20кГц: 0.002%*.
Частотные характеристики
ЛАЧХ и ЛФЧХ в петле обратной связи:

Тут можно увидеть указанные выше глубину ООС на частоте 20кГц (58дБ), частоту единичного усиления Fед=4МГц, а также запас устойчивости 58°, что свидетельствует о высокой линейности системы во всём звуковом диапазоне, и полной устойчивости.
Осциллограммы
Была снята реакция на меандр 20кГц, синусоида на номинальной мощности и ограничение синусоиды в клипе.
Меандр, частота 20кГц:

Синусоида, номинальная мощность, частота 1кГц:

Синусоида, ограничение, частота 1кГц:

Синусоида, ограничение, частота 20кГц:

Транзисторы выходного каскада, которые требуют теплового контакта для обеспечения термостабилизации, расположены друг напротив друга и должны быть стянуты винтами через изолирующие прокладки. При необходимости улучшенного теплоотвода можно поместить между транзисторами алюминиевую или медную пластинку. Допустимо все транзисторы устанавливать на общий теплоотвод.
Рекомендации по сборке
В этом разделе статьи хочется дать общие рекомендации по сборке УМЗЧ, при выполнении которых усилитель запускается и работает сразу.
Используйте только проверенные радиокомпоненты, каждую деталь перед пайкой в плату следует проверить на работоспособность и соответствие номиналу, в независимости от того применяются новые детали или б/у. Отдельное внимание хочется обратить на конденсаторы коррекции, так как на своем корпусе они не имеют маркировки;
Устанавливайте компоненты номиналом согласно схемы, самопроизвольная замена номиналов элементов недопустима;
Рабочие напряжения конденсаторов могут быть выше указанных на схеме;
Допускается применение только тех типов транзисторов, что указаны на схеме или возможные замены указанные в перечне элементов;
Перед установкой транзисторов необходимо убедиться в их работоспособности и соответствии их параметров документации;
Транзисторы выходного каскада должны попарно иметь термосвязь друг с другом через изолирующие прокладки, а именно транзисторы VT15 с VT20, и транзисторы VT16 с VT19, так же допустима установка всех выходных транзисторов на один теплоотвод, после закрепления их на радиатор следует убедиться в отсутствии контакта между радиатором и коллектором каждого из этих транзисторов.
Подключение усилителя
Блок питания для усилителя необходим двухполярный, достаточно 2-3Вт мощности. Подключение "+" выхода БП производится на клемму "+Vcc", подключение "-" выхода БП производится на клемму "-Vcc", общий провод подключается на клемму "GND". Входной сигнал подключается на входы "s_GND" и "IN" соответственно. Выход усилителя подключен к клемме "OUT". Для использования с наушниками предполагающими 3х проводное подключение, общий провод наушников будет оптимально подключить на выход GND блока питания. Для использования с наушниками, поддерживающими диф.подключение, общий провод каждого из наушников необходимо подключать к свободным клеммам "GND" на каждом канале усилителя.
Первый запуск и настройка усилителя
После запайки всех компонентов на печатную плату необходимо смыть остатки флюса и внимательно осмотреть печатную плату, проверив отсутствие замыкания случайно оставшейся каплей припоя. Проверить все ли компоненты установлены верно (направления диодов, полярность конденсаторов, тип транзисторов (пнп/нпн)) и их ориентация в пространстве, особенно обратить внимание на правильность установки транзисторов КТ814/КТ815, они подписаны в lay файле, также можно ориентироваться на подключение коллекторов, коллекторы КТ814 подключены к отрицательной шине питания, а КТ815 соответственно к положительной.
Если все в порядке, можно подключать блок питания, первый запуск следует проводить контролируя потребляемый усилителем ток, либо использовать для тестирования две кроны включенных последовательно для получения питания +-9В, либо же включив маломощную лампу накаливания последовательно первичной обмотке трансформатора при стационарном исполнении. При включении лампа должна кратковременно загореться и потухнуть.
Далее следует замерить постоянное напряжение на выходе усилителя, оно должно быть не более +-50мВ. В собранном мной усилителе постоянная составляющая на выходе составила 20мВ. В случае наличия на выходе высокого постоянного напряжения (несколько вольт и более) следует проверить отсутствие ошибок монтажа, в особенности наличие резистора R3 на печатной плате.
Далее можно подключить наушники и подать сигнал на вход усилителя, если все предыдущие пункты не вызвали проблем усилитель будет работать, теперь можно убрать лампу из первичной обмотки трансформатора и наслаждаться прослушиванием. Усилитель настоятельно рекомендую использовать совместно с релейной защитой АС, для защиты наушников в случае выхода усилителя из строя.
Headphone amplifier LOTOS | Усилитель для наушников LOTOS
*PCBWay community is a sharing platform. We are not responsible for any design issues and parameter issues (board thickness, surface finish, etc.) you choose.
Raspberry Pi 5 7 Inch Touch Screen IPS 1024x600 HD LCD HDMI-compatible Display for RPI 4B 3B+ OPI 5 AIDA64 PC Secondary Screen(Without Speaker)
BUY NOW- Comments(0)
- Likes(0)
- 0 USER VOTES
- YOUR VOTE 0.00 0.00
- 1
- 2
- 3
- 4
- 5
- 6
- 7
- 8
- 9
- 10
- 1
- 2
- 3
- 4
- 5
- 6
- 7
- 8
- 9
- 10
- 1
- 2
- 3
- 4
- 5
- 6
- 7
- 8
- 9
- 10
- 1
- 2
- 3
- 4
- 5
- 6
- 7
- 8
- 9
- 10
More by Johann Urb
-
Speaker protection DEF 2021 | Защита АС DEF 2021
Все файлы для проектаУстройство предназначено для защиты акустической системы (предотвращения повреж...
-
Metal Detector Stalker-IB rev. 3.3 | Металлоискатель Stalker-IB rev. 3.3
Metal Detector Stalker-IB rev. 3.1 | Металлоискатель Stalker-IB rev. 3.1 - предыдущая версияMetal De...
-
Гибридный усилитель ROSA-HB1 | Hybrid amplifier ROSA-HB1
Автор проекта и статьи | Алексей Рослик (Alex Ground)Особенности схемы позволившие избавиться от тип...
-
Speaker protection VM 2010 | Защита АС VM 2010
Speaker protection DEF 2022 | Защита АС DEF 2022Автор проекта - Вадим Могильный (WASO)
-
Switching power supply PS500 Ver_2.0 ~ 500W | Импульсный блок питания на IR2161 ~ 500W
Автор проекта - GruVital
-
Metal Detector KROT 2 - XM V7-05 | Металлоискатель КРОТ 2 - ХМ V7-05
Автор схемы прибора - Остапчук АндрейАвтор разводки платы - ТСВМонета диаметром 25мм (грунт) до ...
-
Amplifier Only Music 2.7 | Усилитель мощности - Only Music 2.7 (ex "Оплеуха Микрухам")
Автор проекта и статьи: Илья Стельмах | Его группа ВКонтактеАвтор разводки платы: Илья СудаковАвторс...
-
Metal Detector Stalker-IB rev. 3.1 | Металлоискатель Stalker-IB rev. 3.1
Metal Detector Stalker-IB rev.3.3 | Металлоискатель Stalker-IB 3.3 - новая ревизияMetal Detector Sta...
-
Amplifier UMZCH KT-21 | Сверхлинейный УМЗЧ КТ-21 | Import BD911_912
Автор проекта и статьи | Алексей Рослик (Alex Ground)Принципиальная схемаВходной каскад представляет...
-
Amplifier UMZCH KT-21 | Сверхлинейный УМЗЧ КТ-21 | Import КТ818_819Г
Автор проекта и статьи | Алексей Рослик (Alex Ground)Принципиальная схемаВходной каскад представляет...
-
Metal Detector FORTUNE-S ver.1 rev.2 | Металлоискатель Фортуна-S
Автор платы КТ815....Для сборки металлоискателя необходимо приобрести микроконтроллер с установленны...
-
Metal Detector Stalker-IB rev.2 | Металлоискатель Stalker-IB
Metal Detector Stalker-IB rev. 3.3 | Металлоискатель Stalker-IB rev. 3.3 - новая ревизияАвтор проект...
-
Amplifier Only Music 3 | Усилитель мощности - Only Music 3 (ex "Оплеуха Микрухам")
Автор проекта и статьи: Илья Стельмах | Его группа ВКонтактеСхема усилителя. Отличается возросшей сл...
-
Amplifier Only Music 2.7 | Усилитель мощности - Only Music 2.7 (ex "Оплеуха Микрухам")
Автор проекта и статьи: Илья Стельмах | Его группа ВКонтактеДругой вариант проектаДанный усилитель, ...
-
Amplifier class D - SOPHIA miniAmp | Усилитель мощности класса D - SOPHIA miniAmp
Автор проекта и статьи | Алексей Рослик (Alex Ground)СхемаВыходной каскадПроектирование данного усил...
-
Metal Detector Quasar F3 ver.1 rev.1 | КВАЗАР F3 металлоискатель
Для сборки металлоискателя необходимо приобрести микроконтроллер с установленным загрузчиком у автор...
-
Nixie clock IN-12 v2 | Часы ИН-12 + 3D case
Автор проекта и статьи | AlexGyverПлата:Габариты платы меньше 100х100мм.Плата односторонняя, её без...
-
Metal Detector Quasar AVR board by DesAlex | Металлоискатель Квазар АВР
Автор платы DesAlex Установка fuse битов в программе PonyProgПоисковая катушка для металлоискателя К...
-
ARPS-2 – Arduino-Compatible Robot Project Shield for Arduino UNO
389 0 0 -
A Compact Charging Breakout Board For Waveshare ESP32-C3
738 3 6 -
AI-driven LoRa & LLM-enabled Kiosk & Food Delivery System
715 2 0 -
-
-
-
ESP32-C3 BLE Keyboard - Battery Powered with USB-C Charging
934 0 1 -
-
mammoth-3D SLM Voron Toolhead – Manual Drill & Tap Edition
790 0 1 -
-
AEL-2011 Power Supply Module
1552 0 2







