|
KiCad 9.0 |
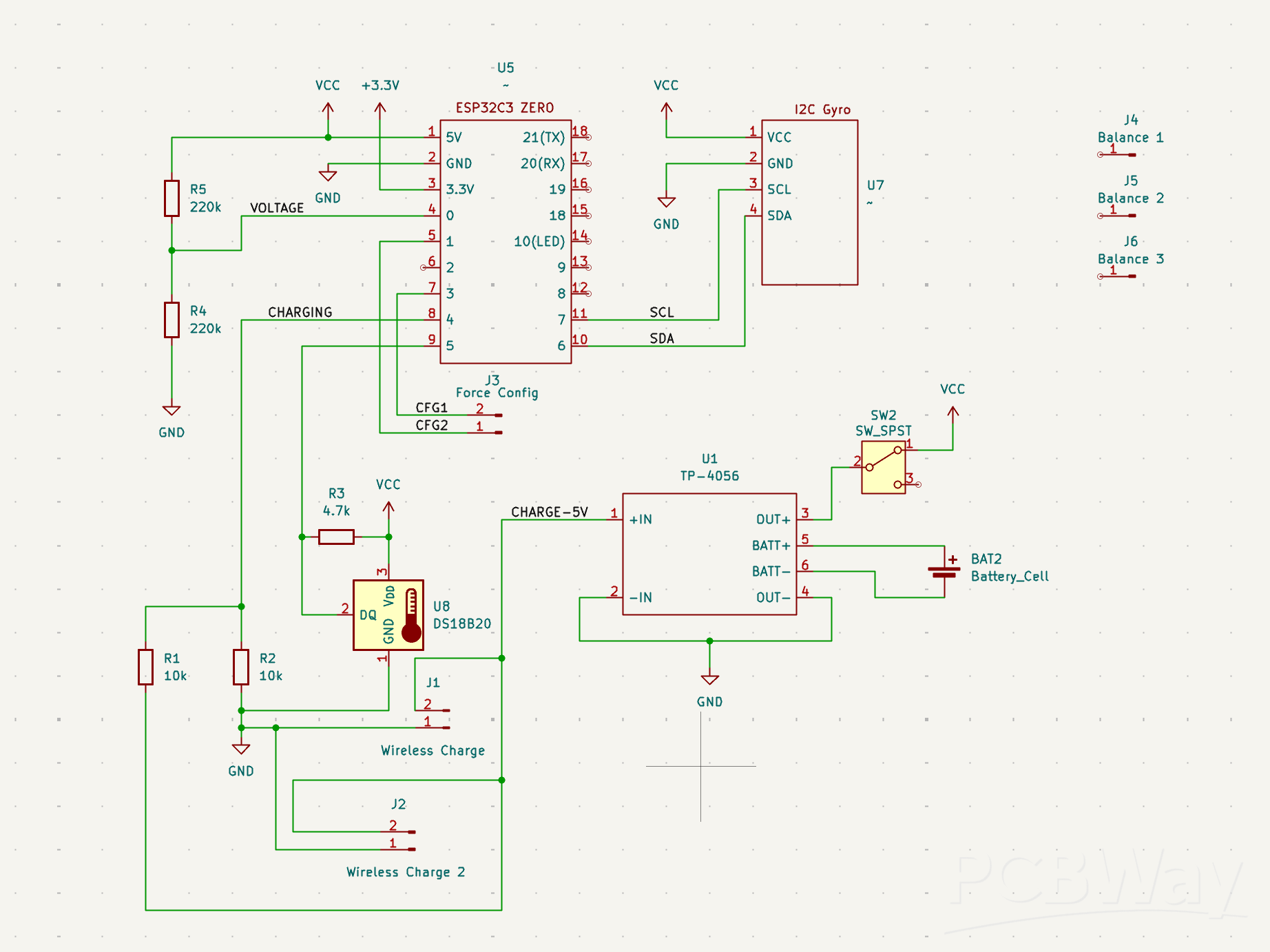
Gravitymon PCB for ESP32c3 Zero PET v1.2
Gravitymon is a electronic hydrometer software that can be used to measure gravity and temperature during fermentation of beer and report the progress to a number of external services. Is uses a gyro to measure the gravity since there is a correlation between gravity an the density of the fluid. Based on the density the hydrometer will float at a different angle. The graph below is an example on how the fermentation process can be tracked.
In v1.2 the project is converted to full 3.3V and not a mix as the original iSpindel project and the previous version. This will work with both gyros supported.
Build instructions;
https://mp-se.github.io/gravitymon/hardware_build.html
Gravitymon PCB for ESP32c3 Zero PET v1.2
*PCBWay community is a sharing platform. We are not responsible for any design issues and parameter issues (board thickness, surface finish, etc.) you choose.
Raspberry Pi 5 7 Inch Touch Screen IPS 1024x600 HD LCD HDMI-compatible Display for RPI 4B 3B+ OPI 5 AIDA64 PC Secondary Screen(Without Speaker)
BUY NOW- Comments(4)
- Likes(1)
-
Engineer
Mar 03,2026
- 0 USER VOTES
- YOUR VOTE 0.00 0.00
- 1
- 2
- 3
- 4
- 5
- 6
- 7
- 8
- 9
- 10
- 1
- 2
- 3
- 4
- 5
- 6
- 7
- 8
- 9
- 10
- 1
- 2
- 3
- 4
- 5
- 6
- 7
- 8
- 9
- 10
- 1
- 2
- 3
- 4
- 5
- 6
- 7
- 8
- 9
- 10
More by Engineer
-
-
ARPS-2 – Arduino-Compatible Robot Project Shield for Arduino UNO
893 0 2 -
-
A Compact Charging Breakout Board For Waveshare ESP32-C3
1456 3 6 -
AI-driven LoRa & LLM-enabled Kiosk & Food Delivery System
1409 2 0 -
-
-
-
ESP32-C3 BLE Keyboard - Battery Powered with USB-C Charging
1592 0 1 -
-
mammoth-3D SLM Voron Toolhead – Manual Drill & Tap Edition
1208 0 1







