Description
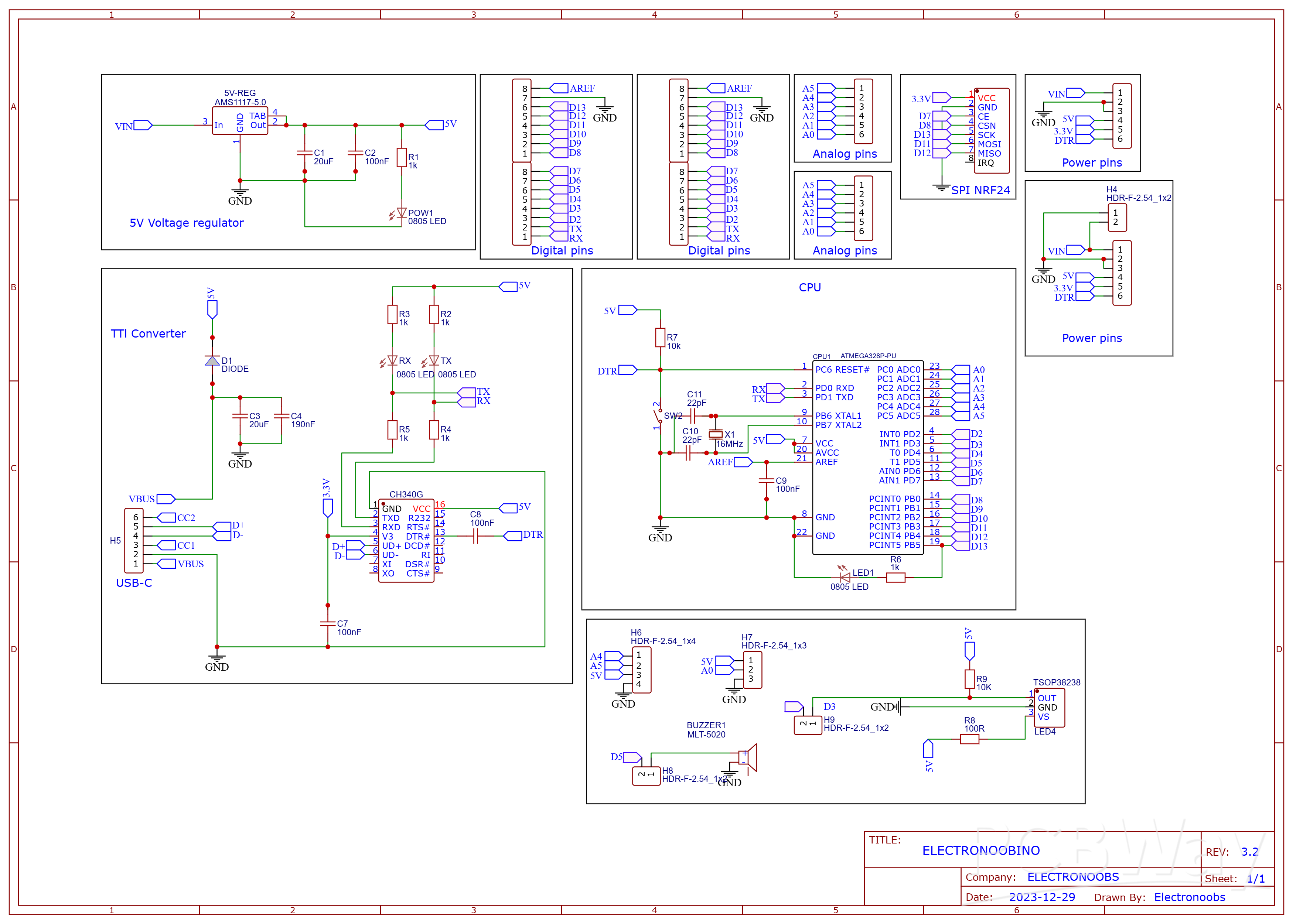
Electronoobino Dev Board
Video here: https://youtu.be/uQLlKyBr0uI
Schematic and Layout
Apr 28,2025
558 views
Electronoobino Dev Board
I've made my own Arduino board called Electronoobino with some extra stuff!
558
0
0
Published: Apr 28,2025
Standard PCB
Download Gerber file 9
Purchase
Donation Received ($)
PCBWay Donate 10% cost To Author
Only PCB
*PCBWay community is a sharing platform. We are not responsible for any design issues and parameter issues (board thickness, surface finish, etc.) you choose.
Copy this HTML into your page to embed a link to order this shared project
Copy
Under the
Attribution-ShareAlike (CC BY-SA)
License.
Raspberry Pi 5 7 Inch Touch Screen IPS 1024x600 HD LCD HDMI-compatible Display for RPI 4B 3B+ OPI 5 AIDA64 PC Secondary Screen(Without Speaker)
BUY NOW- Comments(0)
- Likes(0)
Upload photo
You can only upload 5 files in total. Each file cannot exceed 2MB. Supports JPG, JPEG, GIF, PNG, BMP
0 / 10000
It looks like you have not written anything. Please add a comment and try again.
You can upload up to 5 images!
Image size should not exceed 2MB!
File format not supported!
View More
View More
VOTING
0 votes
- 0 USER VOTES
0.00
- YOUR VOTE 0.00 0.00
- 1
- 2
- 3
- 4
- 5
- 6
- 7
- 8
- 9
- 10
Design
1/4
- 1
- 2
- 3
- 4
- 5
- 6
- 7
- 8
- 9
- 10
Usability
2/4
- 1
- 2
- 3
- 4
- 5
- 6
- 7
- 8
- 9
- 10
Creativity
3/4
- 1
- 2
- 3
- 4
- 5
- 6
- 7
- 8
- 9
- 10
Content
4/4
More by ELECTRONOOBS ELECTRONOOBS
-
DIY Microphone
Full project here: https://electronoobs.com/eng_tutoriales_circuitos.php
-
DIY Laser Power Meter with Arduino
Full Tutorial Here: https://electronoobs.com/eng_arduino_tut200.php
-
USB Type C Li-Ion Charger with 10A BMS output
You can check the tutorial video below:
-
FOC controller with Arduino
Watch Full TutorialToday we will take a look over what is FOC control, create an awesome PCB and con...
-
Two Hand Multimeter With Arduino
Full tutorial video: https://youtu.be/r83YSbyju8A This project is awesome, and I bet that you want o...
-
Arduino based portable soldering iron board
ELECTRONOOBS is on fire. Here we have the PCB he just ordered for his new project. After reviewing t...
-
ESP32 Walkie Talkie
I've made some ESP32 walkie talkies with ESP-Now protocol communication, i2s microphone, i2s DAC spe...
-
Triple Phase Rectifier
Tutorial: https://electronoobs.com/eng_circuitos_tut93.php
-
Electronoobino Dev Board
Video here: https://youtu.be/uQLlKyBr0uI
-
Homemade MSLA Printer
Note from PCBWay: This page only contains the single PCB shown in the second and third images in the...
-
Fully Portable Battery Soldering Iron
Tutorial here: https://electronoobs.com/eng_arduino_tut199.phpPart list: https://electronoobs.com/en...
-
Printed Headphones Planar PCB
Full tutorial here: https://electronoobs.com/eng_tutoriales_circuitos.php
-
ARDUINO FOC V2
Full tutorial here: https://electronoobs.com/eng_arduino_tut198.php
-
Laser Optical Power Meter
With this PCB I want to make my own OPTICAL POWER meter for lasers. You see, a laser power meter is ...
-
Smallest ESC with Arduino
This is my design of probably the smallest ESC for triple phase brushless motors you can find out th...
-
HANDHELD MULTIMETER V4
This device can measure anything, anything. Even the flatness of the earth. Naah guys, just kidding....
-
Music Tesla Coil
This below is a Tesla Coil and it plays music with plasma. And I bet that you wonder, if it is a Tes...
-
RLC Arduino Tester
Code HereThis is a component tester made with Arduino. Is not the same as my multimeter. I mean, It ...
You may also like
-
ARPS-2 – Arduino-Compatible Robot Project Shield for Arduino UNO
323 0 0 -
A Compact Charging Breakout Board For Waveshare ESP32-C3
671 3 6 -
AI-driven LoRa & LLM-enabled Kiosk & Food Delivery System
654 2 0 -
-
-
-
ESP32-C3 BLE Keyboard - Battery Powered with USB-C Charging
861 0 1 -
-
mammoth-3D SLM Voron Toolhead – Manual Drill & Tap Edition
758 0 1 -
-
AEL-2011 Power Supply Module
1486 0 2







