John Sparrow
UKRAINE • + Follow
Edit Project
Description
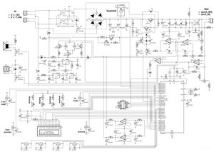
Digitally Controlled DC Power Supply 0..30V/0..5A
The output voltage is adjustable in the range of 0...30V.
Current limiter adjustable in the range of 100mA...5A.
Regulation with two pairs of potentiometers.
Split transformer winding for power loss reduction.
Control by means of an AVR microcontroller.
Dec 20,2020
2,530 views
Digitally Controlled DC Power Supply 0..30V/0..5A
2530
4
0
6.58 (3)
Published: Dec 20,2020
Standard PCB
BOM(Bill of materials)
Purchase
Donation Received ($)
PCBWay Donate 10% cost To Author
Only PCB
PCB+Assembly
*PCBWay community is a sharing platform. We are not responsible for any design issues and parameter issues (board thickness, surface finish, etc.) you choose.
Copy this HTML into your page to embed a link to order this shared project
Copy
Under the
Attribution-ShareAlike (CC BY-SA)
License.
Raspberry Pi 5 7 Inch Touch Screen IPS 1024x600 HD LCD HDMI-compatible Display for RPI 4B 3B+ OPI 5 AIDA64 PC Secondary Screen(Without Speaker)
BUY NOW
Topic
- Comments(0)
- Likes(4)
Upload photo
You can only upload 5 files in total. Each file cannot exceed 2MB. Supports JPG, JPEG, GIF, PNG, BMP
0 / 10000
It looks like you have not written anything. Please add a comment and try again.
You can upload up to 5 images!
Image size should not exceed 2MB!
File format not supported!
View More
-
Prasanna K
Mar 30,2025
-
dravaja
Feb 23,2023
-
Leandro Albuquerque
Apr 28,2021
-
Engineer
Feb 15,2021
View More
VOTING
3 votes
- 3 USER VOTES
6.58
- YOUR VOTE 0.00 0.00
- 1
- 2
- 3
- 4
- 5
- 6
- 7
- 8
- 9
- 10
Design
1/4
- 1
- 2
- 3
- 4
- 5
- 6
- 7
- 8
- 9
- 10
Usability
2/4
- 1
- 2
- 3
- 4
- 5
- 6
- 7
- 8
- 9
- 10
Creativity
3/4
- 1
- 2
- 3
- 4
- 5
- 6
- 7
- 8
- 9
- 10
Content
4/4
-
9design
-
9usability
-
9creativity
-
8content
8.75
-
2design
-
6usability
-
7creativity
-
10content
6.25
-
3design
-
4usability
-
5creativity
-
7content
4.75
More by John Sparrow
-
Nixie bargraph thermometer with Arduino
Besides the well known numerical nixie tubes, other types of neon filled tubes were also used in the...
-
Сirklotron with germanium transistors Darlington output.
Сirklotron with germanium transistors Darlington output.Forum:https://www.diyaudio.com/forums/solid-...
-
Speaker Turn-On Delay and DC Protector
Speaker protection with galvanic isolation from the amplifier.
-
YES-4M-SAB amplifier
Forum thread:https://forum.vegalab.ru/showthread.php?t=81794
-
Christmas tree
Circular Christmas tree 2023(C) Elektor
-
Delay Power On
Device for delaying the supply of anode voltage in tube power amplifiers. The delay time is adjustab...
-
MM RIAA preamp 6Ж38П - 6Н6П
RIAA preamp 6Ж38П - 6Н6ПAlmost universal printed circuit board on which you can collect RIAA preamp.
-
MM RIAA preamp EF86 - ECC88
RIAA preamp EF86 - ECC88Almost universal printed circuit board on which you can collect RIAA preamp.
-
"The End Millennium" clone amplifier
Amplifier Millennium v4
-
JFET Circlotrons without NFB KP-3
JFET Circlotrons without NFB KP-3Power supply: https://www.pcbway.com/project/shareproject/Power_sup...
-
Power supply for JFET Circlotrons without NFB KP-3
Stabelized power supply for JFET Circlotrons without NFB KP-3
-
Amplifier "Yes-6"
Audio amplifier "Yes-6".https://forum.vegalab.ru/showthread.php?t=90816
-
RIAA MM/MC preamplifier Parasound Zphono
RIAA preamplifier Parasound Zphono
-
Loudspeaker Testing Jiq
Features and Specifications- Measures loudspeaker driver frequency and phase responses- Measures lou...
-
Salas folded simplistic phono
Salas folded simplistic phonohttps://www.diyaudio.com/community/threads/simplistic-njfet-riaa.129126...
-
Amplifier "Yes-7"
Amplifier "Yes-7"Audio amplifier "Yes-7".Published with the permission of the author.Link to the for...
-
Amplifier "Yes-7"
Audio amplifier "Yes-7".Published with the permission of the author.Link to the forum (russian) with...
-
Salas UltraBiB shunt regulator with LT4320 diode bridge
My version of tracing printed circuit boards Salas UltraBiB shunt regulator.PCB are not for commerci...
You may also like
-
ARPS-2 – Arduino-Compatible Robot Project Shield for Arduino UNO
401 0 0 -
A Compact Charging Breakout Board For Waveshare ESP32-C3
749 3 6 -
AI-driven LoRa & LLM-enabled Kiosk & Food Delivery System
729 2 0 -
-
-
-
ESP32-C3 BLE Keyboard - Battery Powered with USB-C Charging
948 0 1 -
-
mammoth-3D SLM Voron Toolhead – Manual Drill & Tap Edition
797 0 1 -
-
AEL-2011 Power Supply Module
1562 0 2







