DIY Bench Variable Power Supply - ZK-4KX




Hello to all boys and girls, today we will see together how I made a very compact DIY benchtop variable power supply that offers the possibility of adjusting the voltage, the current and has different types of inputs and outputs to be able to use it in the most versatile way possible.
That said, let's start by seeing what it takes to make it.
Supplies
- A 220V - 12V 5A transformer
- A ZK-4KX Buck Boost converter module
- 2X XT60 female connectors
- 1X XT60 Male connector
- 1X THT screw terminals
- 3X red Banana connectors
- 1X Black Banana Connector
- 1X Panel mount fuse holder
- 1X 5A Fuse
- 1X Jack DC Female
- 1X Electric bipolar switch
- 1X Female IEC C14 with bipolar switch
- 1X Integrated diode bridge
- 2X Capacitors 2200μF
- 1X Junction Box 110mm * 150mm * 70mm
- 1x Cooling fan 80mm x 80mm
Step 1: Design and 3D Design
I don't know if it is strictly necessary but I really like to always draw CAD projects on Fusion 360 first and then start with the physical construction. In fact, I also advise you to have this approach with new projects so that after preparation, you can be much more sure of what you are going to create and you will eliminate all the time of unnecessary second thoughts.
Step 2: Preparation of the Junction Box














The first thing to do, immediately after drawing the design in CAD, is to start torturing the junction box with holes and notches.
First of all, it is necessary to blow off the internal pins of the junction box which are a sort of rails that are used to fix the various components with screws. However, since I wanted to make a compact instrument, I wanted to choose the smallest box ever that could contain all the components (especially the transformer).
To do this, you just need a wire cutter and with a little patience you will be able to detach the tracks from the base. Once this is done, go over the surface with a cutter (or a sharp screwdriver) and you will have an (almost) smooth surface.
The second step is to create a notch for the buck boost converter module. I cut it with the use of a drill (Dremel) which allowed me to cut the part but rather than cut it practically melted it due to the high speed of the disc.
In the back instead you will have to make the cut to accommodate the female of the IEC C14 connector with its bipolar switch included. Same method as the buck boost converter.
The third step is to make the holes to fit the female and male XT60 connectors as well as the Banana connectors and the clamp
Finally, for the fan on the lid, print the template that I leave you in the files below, glue it and start making the holes with a 5mm bit.
Last but not least are the feet (which I also leave you in the files) that raise the power supply to an angle at which it is easy to use it.
Attachments
Fori alimentatore.pdf Download
Piedino alimentatore.stl Download
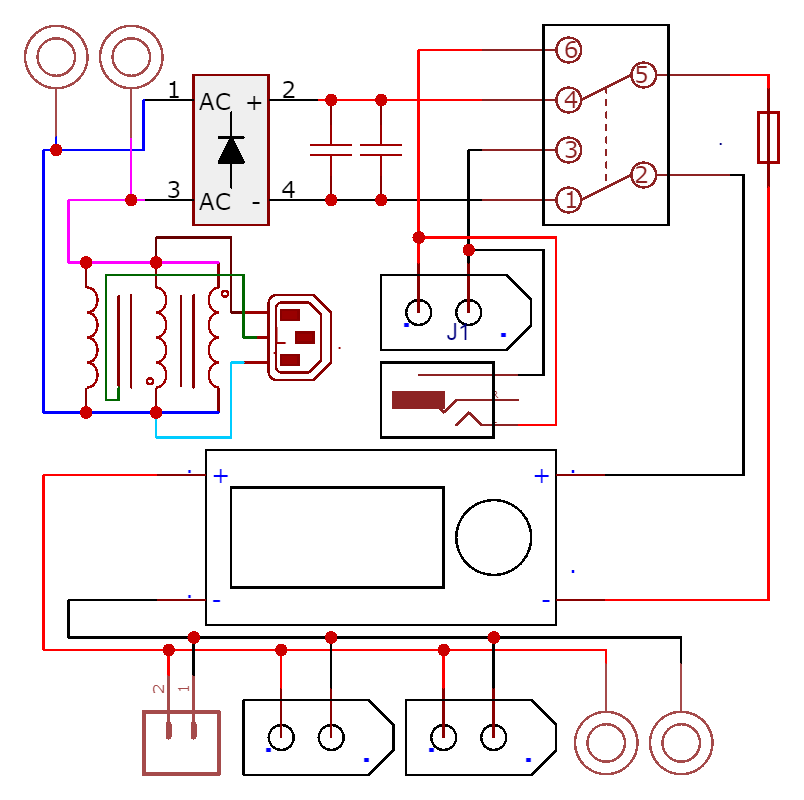
Step 3: Electrical Connections

Having prepared the space in which all the components of the power supply will be housed, it is necessary to carry out the electrical connections as in the diagram. But let's go in order ...
The alternating current of the house enters the IEC C14 plug and arrives at the primary central windings of the transformer (which in my case has two three windings).
The two windings that drive out the 12V alternating, I connected them in parallel so that the transformer can deliver double the current (which in my case is 2.4 * 2 = about 5A).
The two wires of the alternating 12V are connected to two banana connectors that supply the alternating 12V (which at the moment I don't know how to exploit but which could be used in the future ... why not have it!).
The 12V alternating current then enters a prefabricated diode bridge which rectifies the "negative" half waves of the alternating current in order to have a current that is not direct but not alternating.
To rectify the "non-direct current" it is necessary to add a capacitor (or more). For this I have added in parallel to the output of the diode bridge (by Graetz) two parallel capacitors of 2200 micro Farads.
The current of the transformer, which has now become continuous, is connected to the outputs of a bipolar switch which switches the direct current input of the power supply.
In fact, a female XT60 and a DC jack input are connected to the other two pins of the bipolar switch in order to decide, with the switch, the DC input that the buck boost converter module must receive.
Immediately before entering, with the central wires of the switch, in the buck boost converter module, it is not necessary but it is strictly advisable to add a fuse holder with a 5 amp fuse inside in order to protect the buck boost converter module like all loads. that he controls.
At the output of the cubk boost converter module then several outputs are connected in parallel such as a two screw terminal, two XT60, one female and one male and two banana connectors for positive and negative.
Step 4: Make the Electrical Connections









After understanding what the components of our power supply are used for, you need to build the power supply and to do this you just need a soldering iron and shrinking sheaths.
I made the connections after the buck boost converter module with a single wire that starts its connection path to the XT60, then to the other XT60X, then to the terminal, then to the banana and finally to the buck boost converter module. In this way I have not created a bundle of red and black wires and then splice them together in a single cable.
Subsequently I connected the transformer in parallel in such a way as to be able to have a 12V alternating but that it could supply double the current of a secondary winding only (therefore 5A in total)
Then I connected the commutator paying close attention to the colors and adding a heat shrink tubing to each weld because being full of holes, I would never want something metallic to come in and make a mess. I also added the sheaths also because everything is very tight inside and very often one component rests on the other and it is better that everything is electrically "untouchable".
I then continued to add the capacitors in parallel to the diode bridge output, the fuse, the DC inputs (i.e. the XT60 and the DC jack) and finally I connected the fan to the negative that enters the buck boost module and to the positive before the fuse (so that the fan does not add to the currents through the fuse).
Step 5: Finished!



















And this was how I created an extremely versatile variable power supply that will be useful to you in a myriad of situations as it supports DC input with two different and widely used connectors, is physically protected with the fuse but also digitally with a lot of various sensor protections on the buck boost converter module and offering a wide range of output connectors.
DIY Bench Variable Power Supply - ZK-4KX
Raspberry Pi 5 7 Inch Touch Screen IPS 1024x600 HD LCD HDMI-compatible Display for RPI 4B 3B+ OPI 5 AIDA64 PC Secondary Screen(Without Speaker)
BUY NOW- Comments(0)
- Likes(2)
- 0 USER VOTES
- YOUR VOTE 0.00 0.00
- 1
- 2
- 3
- 4
- 5
- 6
- 7
- 8
- 9
- 10
- 1
- 2
- 3
- 4
- 5
- 6
- 7
- 8
- 9
- 10
- 1
- 2
- 3
- 4
- 5
- 6
- 7
- 8
- 9
- 10
- 1
- 2
- 3
- 4
- 5
- 6
- 7
- 8
- 9
- 10
More by Maurizio Miscio
-
DIY UPS (Emergency Battery) for Routers So It Won't Turn Off When the Breakers Are Off
Hi, today we are building a UPS or backup battery for the router / modem so that it does not turn of...
-
How to Make a Fiido D4S Battery (kind of) Removable
Do you guys have a Fiido D4S but not a place to charge it?You know, your house is too small to park ...
-
How to (Re)build an Ebike Charger and Add a Fan to Keep It Cool
Hi guys. In the last article we saw how to make a Fiido D4S Battery removable, but now to charge it ...
-
Automatically Turn Off the Power Strip of the Computer (monitor, Speakers, Etc.) When You Shut Down the Computer.
If you have a desktop computer at home, you will know better than me how boring it is to turn off th...
-
How to Disable the Throttle of an Electric Bike With an Invisible Switch
Hi folks, in this tutorial we will see how to disable the throttle of an electric bike (in my case a...
-
Adding a Female Aux Jack to Your Old Headphone - the Best Upgrade You Can Do!
Have you ever broken a headphone jack? Probably the answer is yes! Or simply have you ever had issue...
-
Easiest Way to Discharge a Ebike Battery
Hi guys, welcome to this new tutorial. Today I will show you the easiest way to discharge a Ebike Ba...
-
Arduino School Bell - Simple DIY
Hi guys, in this article we are going to see how to make a circuit with Arduino and some other compo...
-
Arduino Large and Productive Solar Tracker - Do It Yourself
Hi everyone! In this article we are going to see how to build a solar tracker that knows how to do t...
-
Arduino Robotic Arm Controlled by Touch Interface
Hello. Today I'm here to see with you how I built a robotic arm with Arduino and a graphic touch int...
-
DIY Bench Variable Power Supply - ZK-4KX
Hello to all boys and girls, today we will see together how I made a very compact DIY benchtop varia...
-
How to Balance a Battery Pack With USB or the Traditional Method - TP4056
Hi guys, today let's see together how to balance a battery pack through a very common micro-USB conn...
-
Single 18560 Battery Charger With TP4056
Hi guys, in this article we will see how to make a very convenient single charger for 18650 cells so...
-
The Best Mini OLED Display I've Ever Tried! - DF Robot 5.5 'HDMI OLED-Display With Touchscreen
IntroHi guys, today let's unpack together the best mini display I've ever seen that I was extremely ...
-
Let's Add an Active Balancer to the Electric Bike Battery
Intro:Hi guys, today we add an active balancer to the battery of our ebike so as not to risk some ce...
-
ARPS-2 – Arduino-Compatible Robot Project Shield for Arduino UNO
320 0 0 -
A Compact Charging Breakout Board For Waveshare ESP32-C3
671 3 6 -
AI-driven LoRa & LLM-enabled Kiosk & Food Delivery System
653 2 0 -
-
-
-
ESP32-C3 BLE Keyboard - Battery Powered with USB-C Charging
857 0 1 -
-
mammoth-3D SLM Voron Toolhead – Manual Drill & Tap Edition
757 0 1 -
-
AEL-2011 Power Supply Module
1485 0 2







