2025 PCB for GachaSP - ALPS switch - UNDER TESTING
- UNDER TESTING -
This version is not ready yet.
After a long time testing and changing things around were finally ready for the first version of the GachaSP.
This is probably the smallest version of the Gameboy Advance SP that you will ever see.
This is a project that has been in development for almost one year and Joseph has done a spectacular work on the 3D modelling for this console.
New version with tactile buttons requested by our friend Marisa!
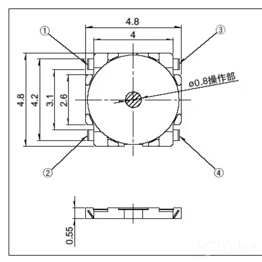
These are available on Aliexpress, please order buttons that have the following dimensions

VERY IMPORTANT!!!
order the board with thickness 1
The necessary file for you to make your own custom button PCB, which is necessary to finalise the project.
-> additional components you need to order: surface mounted tactile buttons
-> custom 3D printed shell
For the custom 3D parts check this project by the extremely talented Joseph: https://www.pcbway.com/project/shareproject/GachaSP_Miniature_Gameboy_Advance_SP_de96ba26.html
Additional components you may use:
-> 8x 0603 SMD resistors
-> 8x 0603 SMD leds
If you need help wiring the PCB here's the diagram:

LED are located near the tactile buttons and the 8x resistors are isolate in the PCB sides, remember that LEDs have polarity and you need to orient them accordingly for proper function.
You can find me here and also help support future projects:
www.liinks.co/retrogame.evo
https://ko-fi.com/retrogameevo
You can see more from Joseph here:
www.linktr.ee/josephtomkins
2025 PCB for GachaSP - ALPS switch - UNDER TESTING
*PCBWay community is a sharing platform. We are not responsible for any design issues and parameter issues (board thickness, surface finish, etc.) you choose.
Raspberry Pi 5 7 Inch Touch Screen IPS 1024x600 HD LCD HDMI-compatible Display for RPI 4B 3B+ OPI 5 AIDA64 PC Secondary Screen(Without Speaker)
BUY NOW- Comments(2)
- Likes(3)
- 0 USER VOTES
- YOUR VOTE 0.00 0.00
- 1
- 2
- 3
- 4
- 5
- 6
- 7
- 8
- 9
- 10
- 1
- 2
- 3
- 4
- 5
- 6
- 7
- 8
- 9
- 10
- 1
- 2
- 3
- 4
- 5
- 6
- 7
- 8
- 9
- 10
- 1
- 2
- 3
- 4
- 5
- 6
- 7
- 8
- 9
- 10
More by Jonas retrogame.evo
-
2024 updated button PCB for GachaSP - clean PCB and LED version
After a long time testing and changing things around were finally ready for the first version of the...
-
2024 updated button PCB for GachaSP - Beskar and LED version
After a long time testing and changing things around were finally ready for the first version of the...
-
2025 PCB for GachaSP - ALPS switch - UNDER TESTING
- UNDER TESTING -This version is not ready yet.After a long time testing and changing things around...
-
Gameboy MK0 button and sound interface PCB
Custom button board for Gameboy MK0After a long time testing and changing things around were finally...
-
Easy DMG102
Test version 1.0 of breakout board to make a DMG102 and add some other mods
-
MacroV_V1 initial test
PCB designed to be used as part of the open source project name MacroV, this will allow to convert t...
-
-
ARPS-2 – Arduino-Compatible Robot Project Shield for Arduino UNO
919 0 2 -
-
A Compact Charging Breakout Board For Waveshare ESP32-C3
1482 3 6 -
AI-driven LoRa & LLM-enabled Kiosk & Food Delivery System
1437 2 0 -
-
-
-
ESP32-C3 BLE Keyboard - Battery Powered with USB-C Charging
1623 0 1 -
-
mammoth-3D SLM Voron Toolhead – Manual Drill & Tap Edition
1224 0 1







