128Kb Expansion Card for CoBra Computer
After a lot of work ( months of testing and modifications to the basic schematic ),
a final version of this 128Kb RAM expansion card appears. With the help of the great
technicians from PCBWay, i have a PCB that i can connect to a Cobra motherboard
( a thousand thanks to the artists of the PCBWay ) . This board converts a normal
64Kb Cobra into a 128Kb Spectrum +3 compatible one .
https://i.postimg.cc/xCjKTwWx/cablaj-01.jpg
https://i.postimg.cc/QtNpx2RY/cablaj-02.jpg
https://i.postimg.cc/26j48sPT/cablaj-03.png
https://i.postimg.cc/yd6FYMwv/cablaj-04.png
https://i.postimg.cc/tTrF1rbV/extensia-128k-cablaj.png
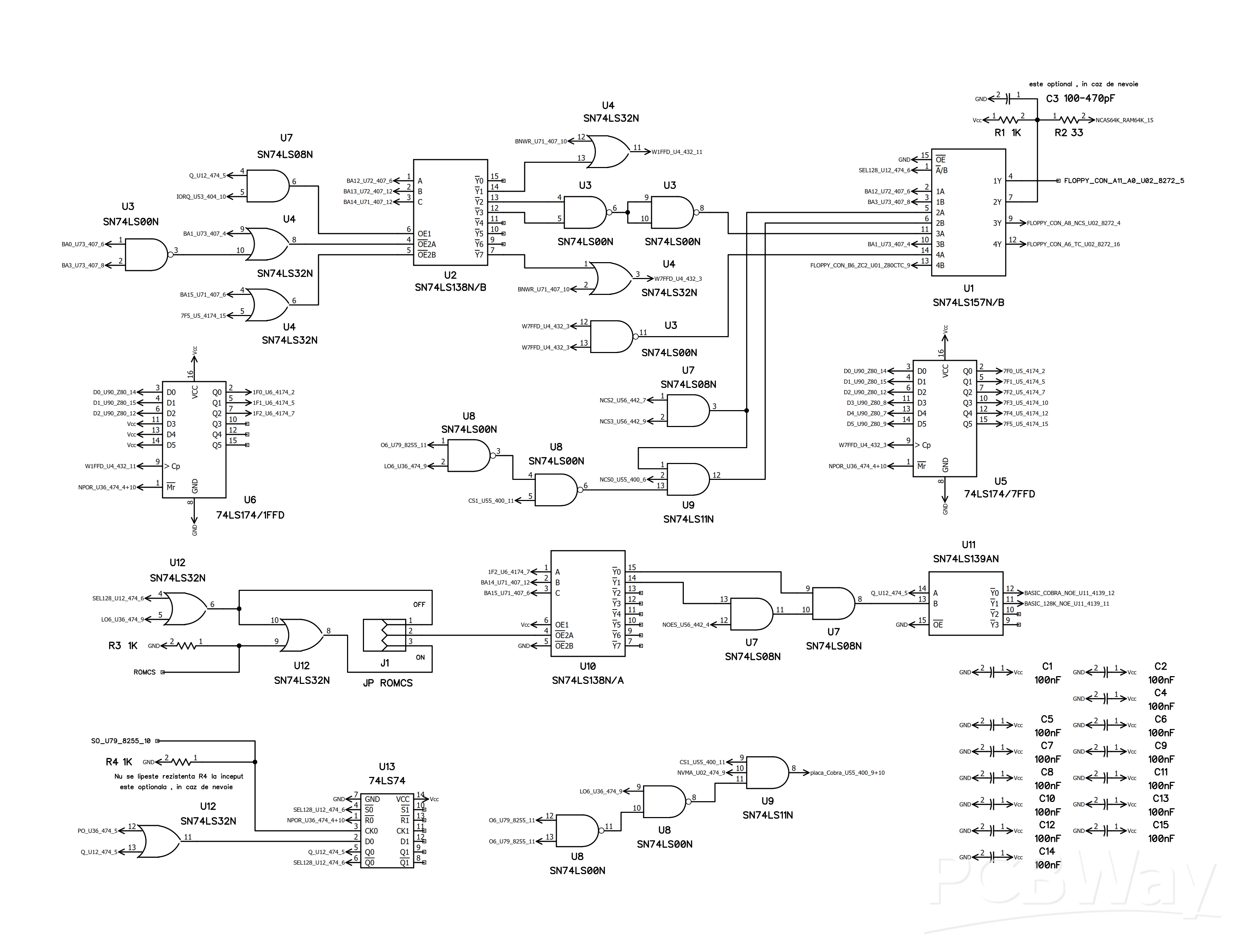
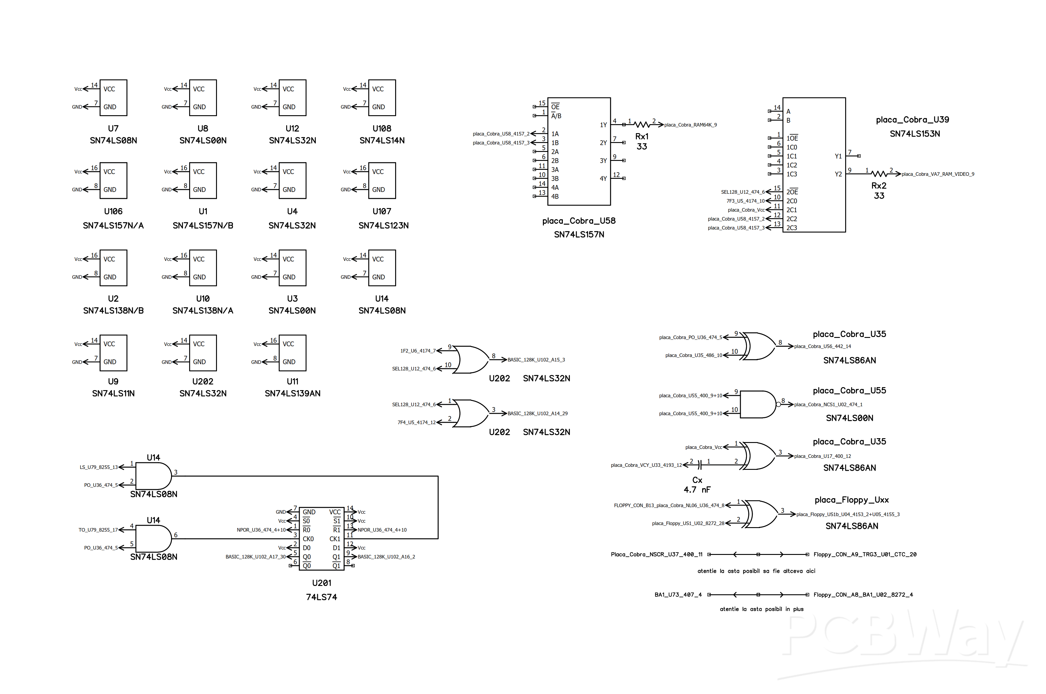
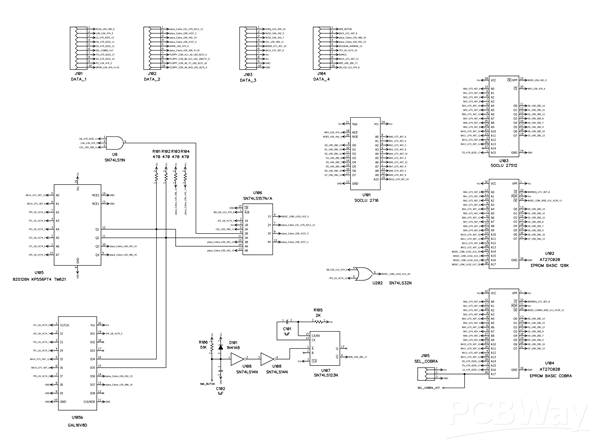
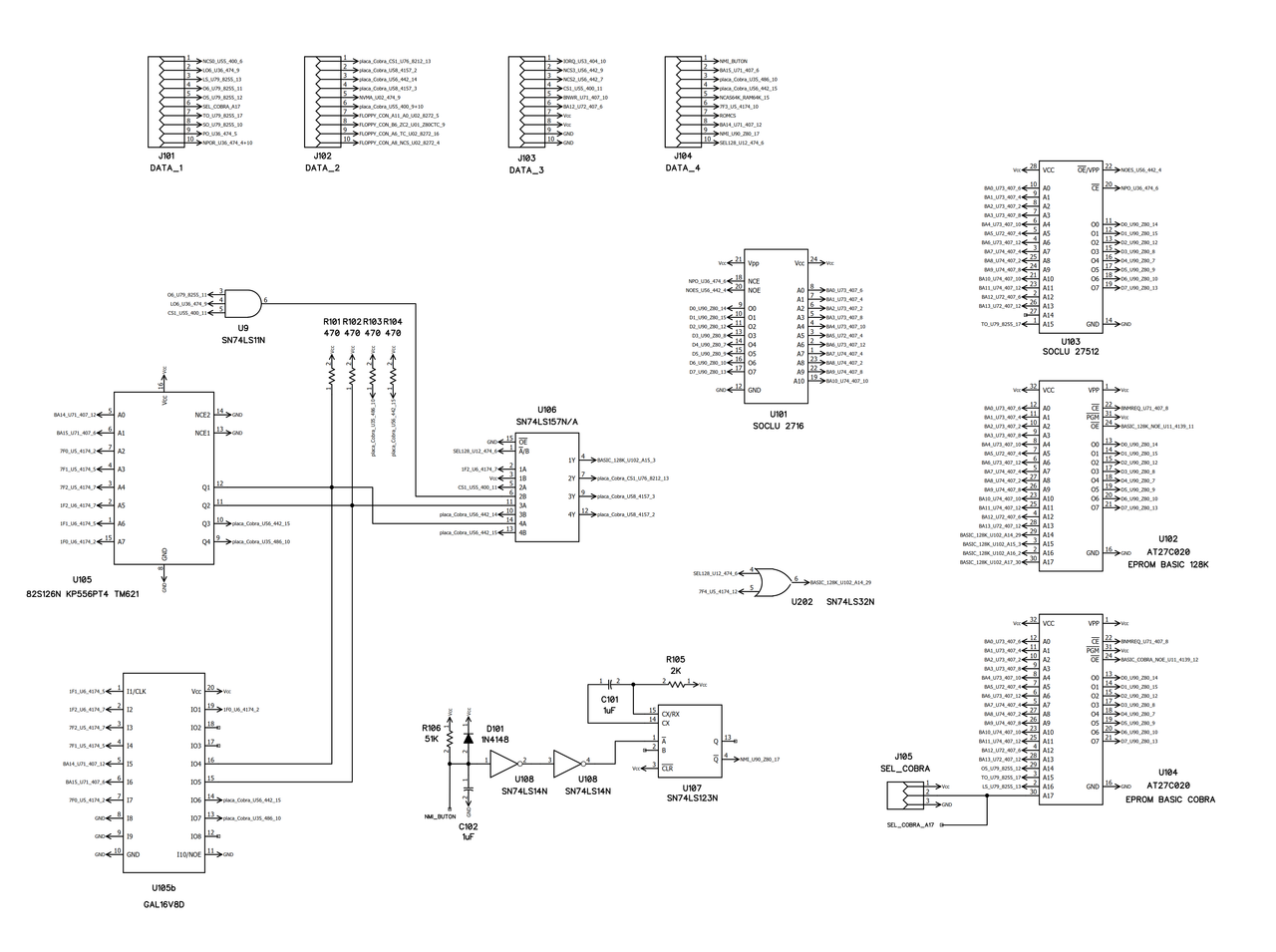
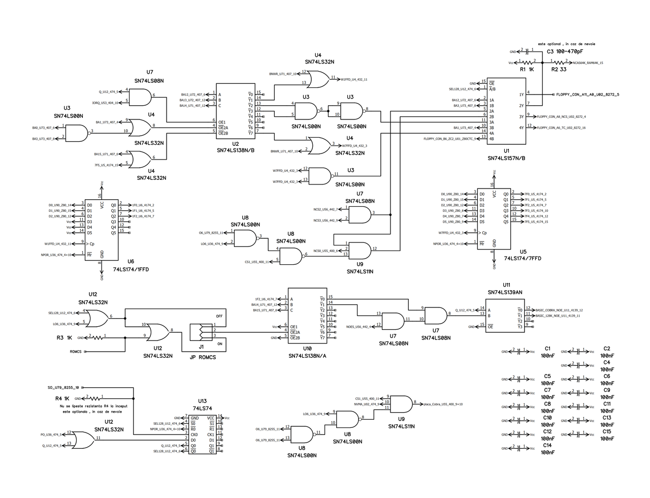
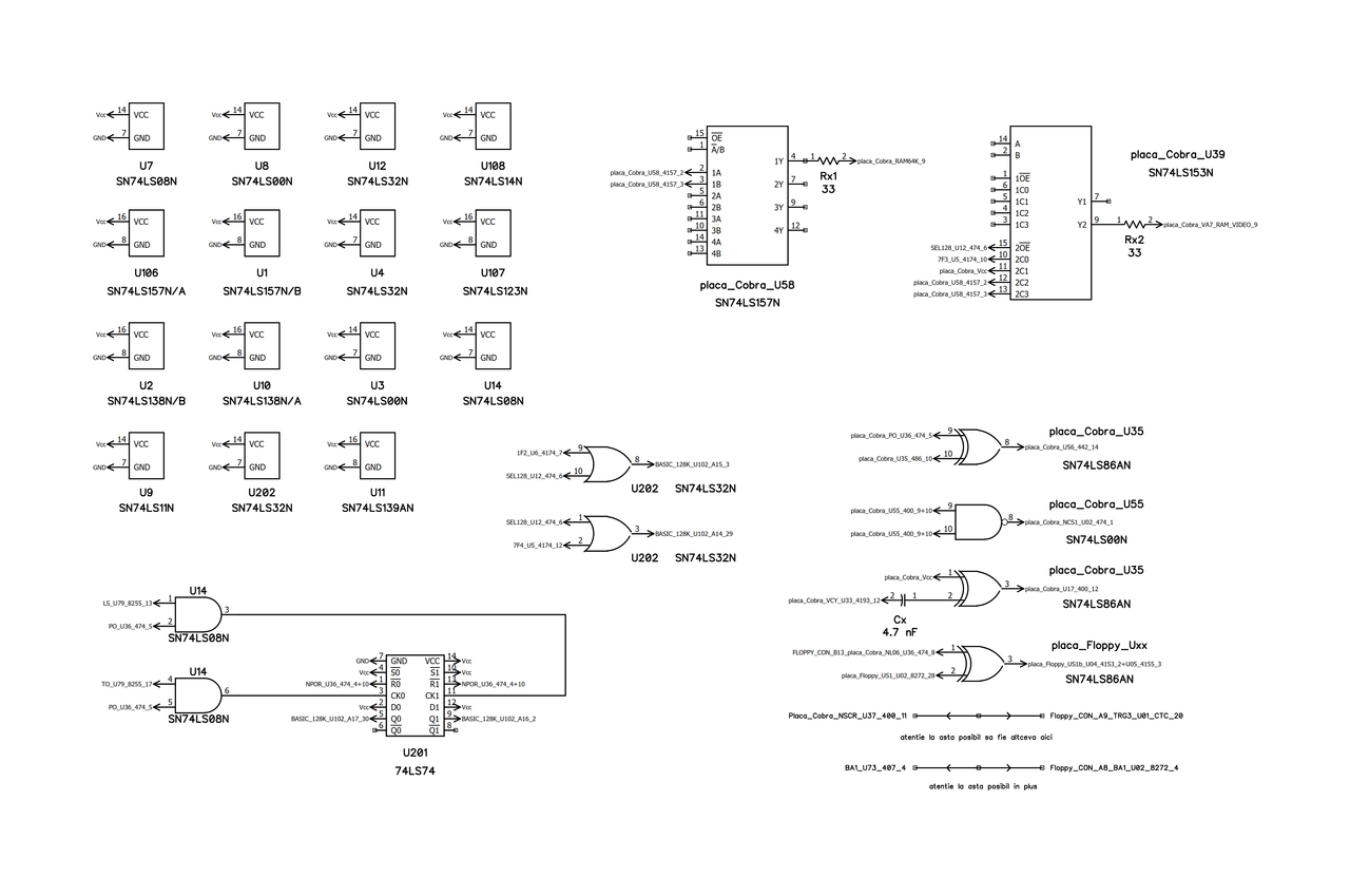
In short, the scheme is as follows :
https://i.postimg.cc/26HnqHYZ/extensia-128k-schema-001.png
https://i.postimg.cc/SsZcXZ4W/extensia-128k-schema-002.png
https://i.postimg.cc/Px61L6H1/extensia-128k-schema-003.png
for the following PCB :
https://i.postimg.cc/nzVvcy6W/cablaj-05.jpg
https://i.postimg.cc/W3pMbBQC/cablaj-06.jpg
https://i.postimg.cc/Jn7b4ffL/cablaj-07.jpg
https://i.postimg.cc/wvxhTCC8/cablaj-08.jpg
The gerbers are here :
https://drive.google.com/file/d/1flJjWZuWv7nqgZoccNkuzhdbcLaeFNVk/view?usp=sharing
I have prepared 2 boards : a "standard" version with normal sockets with blades
and a "DELUXE" version with augat pins, which I will connect to a Cobra that has
been waiting for this extension for a long time :
https://i.postimg.cc/FRFjsMMh/cobra-01.jpg
https://i.postimg.cc/pTVDXwwr/cobra-02.jpg
Unfortunately, the project is still a work in progress and I will be back with the
PROM, GAL and EPROM loads, and other construction details after the project is completed :
https://i.postimg.cc/509wNhht/cobra-03.jpg
https://i.postimg.cc/fLHY3HsN/cobra-04.jpg
https://i.postimg.cc/vBP51Pym/cobra-05.jpg
https://i.postimg.cc/2jxCWVVM/cobra-06.jpg
https://i.postimg.cc/VsFztdd2/cobra-07.jpg
For more details please also look here :
https://nicuflorica.blogspot.com/2025/11/cobra-128k-compatibila-spectrum-3.html
PS : added BOM files ( bom.bom , bom.csv , bom.html , all 3 in zip file )
https://drive.google.com/file/d/1E7waXNFSTgD5srHs2fDv5t9bBLs378b2/view?usp=sharing
Many thanks for your patience .
128Kb Expansion Card for CoBra Computer
*PCBWay community is a sharing platform. We are not responsible for any design issues and parameter issues (board thickness, surface finish, etc.) you choose.
- ✖ | No sharing or redistributing in any way of the 3D files or derivatives
- ✖ | No remixing
- ✖ | Non-commercial Use (only for personal use)
Raspberry Pi 5 7 Inch Touch Screen IPS 1024x600 HD LCD HDMI-compatible Display for RPI 4B 3B+ OPI 5 AIDA64 PC Secondary Screen(Without Speaker)
BUY NOW- Comments(2)
- Likes(4)
-
(DIY) C64iSTANBUL
Dec 23,2025
-
Florica Tudor-Nicusor
Dec 21,2025
-
Ionescu Aurel
Dec 21,2025
-
Engineer
Dec 21,2025
- 0 USER VOTES
- YOUR VOTE 0.00 0.00
- 1
- 2
- 3
- 4
- 5
- 6
- 7
- 8
- 9
- 10
- 1
- 2
- 3
- 4
- 5
- 6
- 7
- 8
- 9
- 10
- 1
- 2
- 3
- 4
- 5
- 6
- 7
- 8
- 9
- 10
- 1
- 2
- 3
- 4
- 5
- 6
- 7
- 8
- 9
- 10
More by Ionescu Aurel
-
ARPS-2 – Arduino-Compatible Robot Project Shield for Arduino UNO
388 0 0 -
A Compact Charging Breakout Board For Waveshare ESP32-C3
738 3 6 -
AI-driven LoRa & LLM-enabled Kiosk & Food Delivery System
715 2 0 -
-
-
-
ESP32-C3 BLE Keyboard - Battery Powered with USB-C Charging
932 0 1 -
-
mammoth-3D SLM Voron Toolhead – Manual Drill & Tap Edition
788 0 1 -
-
AEL-2011 Power Supply Module
1551 0 2







