John Sparrow
UKRAINE • + Follow
Edit Project
Description
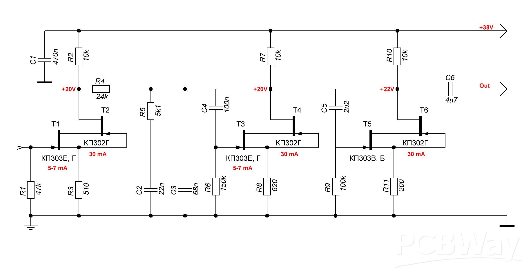
j-fet RIAA
RIAA корректор на советских полевиках.
Schematic and Layout
Nov 17,2020
2,146 views
j-fet RIAA
2146
6
2
10.00 (1)
Published: Nov 17,2020
Standard PCB
BOM(Bill of materials)
Purchase
Donation Received ($)
PCBWay Donate 10% cost To Author
File Last Updated: 2023/12/01 (GMT+8)
File update record
2023-12-0123:15:31
Parts List (BOM) is updated.
Only PCB
PCB+Assembly
*PCBWay community is a sharing platform. We are not responsible for any design issues and parameter issues (board thickness, surface finish, etc.) you choose.
Copy this HTML into your page to embed a link to order this shared project
Copy
Under the
Attribution-ShareAlike (CC BY-SA)
License.
Raspberry Pi 5 7 Inch Touch Screen IPS 1024x600 HD LCD HDMI-compatible Display for RPI 4B 3B+ OPI 5 AIDA64 PC Secondary Screen(Without Speaker)
BUY NOW
Topic
- Comments(2)
- Likes(6)
Upload photo
You can only upload 5 files in total. Each file cannot exceed 2MB. Supports JPG, JPEG, GIF, PNG, BMP
0 / 10000
It looks like you have not written anything. Please add a comment and try again.
You can upload up to 5 images!
Image size should not exceed 2MB!
File format not supported!
View More
VOTING
1 votes
- 1 USER VOTES
10.00
- YOUR VOTE 0.00 0.00
- 1
- 2
- 3
- 4
- 5
- 6
- 7
- 8
- 9
- 10
Design
1/4
- 1
- 2
- 3
- 4
- 5
- 6
- 7
- 8
- 9
- 10
Usability
2/4
- 1
- 2
- 3
- 4
- 5
- 6
- 7
- 8
- 9
- 10
Creativity
3/4
- 1
- 2
- 3
- 4
- 5
- 6
- 7
- 8
- 9
- 10
Content
4/4
-
10design
-
10usability
-
10creativity
-
10content
10.00
More by John Sparrow
-
Nixie bargraph thermometer with Arduino
Besides the well known numerical nixie tubes, other types of neon filled tubes were also used in the...
-
Сirklotron with germanium transistors Darlington output.
Сirklotron with germanium transistors Darlington output.Forum:https://www.diyaudio.com/forums/solid-...
-
Speaker Turn-On Delay and DC Protector
Speaker protection with galvanic isolation from the amplifier.
-
YES-4M-SAB amplifier
Forum thread:https://forum.vegalab.ru/showthread.php?t=81794
-
Christmas tree
Circular Christmas tree 2023(C) Elektor
-
Delay Power On
Device for delaying the supply of anode voltage in tube power amplifiers. The delay time is adjustab...
-
MM RIAA preamp 6Ж38П - 6Н6П
RIAA preamp 6Ж38П - 6Н6ПAlmost universal printed circuit board on which you can collect RIAA preamp.
-
MM RIAA preamp EF86 - ECC88
RIAA preamp EF86 - ECC88Almost universal printed circuit board on which you can collect RIAA preamp.
-
"The End Millennium" clone amplifier
Amplifier Millennium v4
-
JFET Circlotrons without NFB KP-3
JFET Circlotrons without NFB KP-3Power supply: https://www.pcbway.com/project/shareproject/Power_sup...
-
Power supply for JFET Circlotrons without NFB KP-3
Stabelized power supply for JFET Circlotrons without NFB KP-3
-
Amplifier "Yes-6"
Audio amplifier "Yes-6".https://forum.vegalab.ru/showthread.php?t=90816
-
RIAA MM/MC preamplifier Parasound Zphono
RIAA preamplifier Parasound Zphono
-
Loudspeaker Testing Jiq
Features and Specifications- Measures loudspeaker driver frequency and phase responses- Measures lou...
-
Salas folded simplistic phono
Salas folded simplistic phonohttps://www.diyaudio.com/community/threads/simplistic-njfet-riaa.129126...
-
Amplifier "Yes-7"
Amplifier "Yes-7"Audio amplifier "Yes-7".Published with the permission of the author.Link to the for...
-
Amplifier "Yes-7"
Audio amplifier "Yes-7".Published with the permission of the author.Link to the forum (russian) with...
-
Salas UltraBiB shunt regulator with LT4320 diode bridge
My version of tracing printed circuit boards Salas UltraBiB shunt regulator.PCB are not for commerci...
You may also like
-
ARPS-2 – Arduino-Compatible Robot Project Shield for Arduino UNO
450 0 0 -
A Compact Charging Breakout Board For Waveshare ESP32-C3
816 3 6 -
AI-driven LoRa & LLM-enabled Kiosk & Food Delivery System
786 2 0 -
-
-
-
ESP32-C3 BLE Keyboard - Battery Powered with USB-C Charging
1013 0 1 -
-
mammoth-3D SLM Voron Toolhead – Manual Drill & Tap Edition
885 0 1 -
-
AEL-2011 Power Supply Module
1625 0 2







